Fórum témák

» Több friss téma
Fórum » Erősítő építése elejétől a végéig
Lapozás: OK   71 / 96
(#) deebo válasza nosmo king hozzászólására (») Máj 18, 2023 1 /
 
Részemről a jó erősítőnek nincs hangja, karaktere, tónusa, a jó erősítő csak erősít. És erre a csöves egyáltalán nem alkalmas és a félvezetősökből is csak nagyon kevés.
A hozzászólás módosítva: Máj 18, 2023
(#) tunerman válasza nosmo king hozzászólására (») Máj 18, 2023 /
 
Ez nem szakkönyvi, hanem elvi meghatározása az erősítőépìtésnek - a szentháromság fogalma:
- elvek
- anyagok
- technológia
A hozzátartozó meghatározás az, hogy egyik sem lehet gyengébb mint a másik kettő!
TJ.
(#) moltam válasza tunerman hozzászólására (») Máj 18, 2023 /
 
Jó az illusztráció, jobb mint a korlátok-lehetőségek-mozgástér örökbecsű, tetszik.
(#) Karesz 50 hozzászólása Máj 18, 2023 / 1
 
Elkezdtem az új előerősítő kísérleteit. Az előerősítő nem is jó elnevezés, mert nincs szükségem a végfok előtt feszültségerősítésre, csak csökkentésre... vagyis erősítés szabályozásra és impedancia illesztésre. Ez a legegyszerűbb esetben lehetne egyetlen hangerőszabályzó poti is, de nálam a komolytalansága miatt ez nem játszik. A Reed-relés osztó már majdnem bevált, de nem sikerült vele elérnem azt, hogy az osztás mértékétől független, állandó frekvencia átvitelt kapjak. Most mással fogok próbálkozni; aztán majd kiderül, hogy sikerrel járok-e vagy sem. Ha nem próbálom ki, sosem fogom megtudni.

Első körben a tápegység zavarait minimalizálom. Akkumulátoros lesz. Van. Ez nem fog zavarokat termelni és elég kicsi a belső ellenállása is. Ha a tápfeszültségben zavarjelek lesznek, azt most nem kenhetem rá a feszültség stabilizátorokra. Minden zavarjel a vezetékezésen ill. a helytelen szűrések miatt fog keletkezni. Egy hibaforrást így kiiktatok a rendszerből.

A töltő rajzán a gyakorlatban mért feszültség értékek vannak feltüntetve (pirossal). Az akkuk elvileg 30-40 üzemórát és 2-3000 óra készenlétet tudnak. A töltésük teljesen automatikus, ha az előfok működik csak vésztöltés üzemmódja lesz (ha mondjuk véletlenül bekapcsolva marad napokig az erősítő), tehát normál esetben: vagy működik az előfok, vagy tölti az akkukat.
(#) tunerman válasza tunerman hozzászólására (») Máj 19, 2023 /
 
Kikerestem, hogy a 7242 tube PSE no NFB amplifier prototípusnak mennyi a minimális THD értéke, ez 1kHz/0,5W/8R esetén 0,028% 
TJ.
(#) Moderátor hozzászólása Máj 19, 2023
 
Most már elég legyen ebből az ámokfutásból, ócsárolásból!
(#) nosmo king hozzászólása Máj 19, 2023 / 2
 
Ebben az országban 10 millio a világon a legkvalifikáltabb erösitö tervezö van akiknek az asztalfiokjában hever a világ legtökéletesebb erösitö tervei. En nem tartozok közéjük csupán viszonylag jol (nagyon jol) szolo erösitöket tervezek. Nem tartozok a minden tudás eleve elrendeltetett birtokosai közé. Ezért érdeklödve olvasom a nálamnál hozzáértöbb szakemberek véleményét. Föleg ha a vélemény mérésekkel is alá van támasztva. Ezért betallozam azt az irodalmat amit nagyon ajánlott tanulmányozni minden erösitö tervezönek. Az álltalam használt (meglepöen jo) kapcsolást nem osztom meg mert biztos akadna olyan "szakember" aki leszarozná mert nem a csöböl jön a hangja. De a mellékelt szakirodalmat alapul véve bárki bizos sokat tudna javitani az aszta fiokjában levö vagy éppen deszkamodel szintjén regnálo kapcsolás minöségén. Legalább hogy ne a vizcsapbol akarja valaki hallgatni a zenét.
A hozzászólás módosítva: Máj 19, 2023
(#) Alkotó válasza nosmo king hozzászólására (») Máj 19, 2023 /
 
Ha megosztod az említett (meglepően jó) kapcsolást, és azt itt bármi módon is minősíti valaki, attól még a te elvárásaidnak éppen úgy meg fog felelni. Más irányból megközelítve, nem az itteni vélemény fogja eldönteni a minőségét.
Ezért ha nem sérti az érdekeidet, akkor tedd ide a kapcsolást, és néhány fotót arról, milyen módon valósítottad meg. Ezzel adhatsz hitelt a szavaidnak.
Ezek hiányában a te véleményed is csak egyel több az itt okoskodó, de semmit meg nem mutató hozzászólásokból.
(#) tunerman válasza Alkotó hozzászólására (») Máj 20, 2023 /
 
Idézet:
„Ezért ha nem sérti az érdekeidet, akkor tedd ide a kapcsolást, és néhány fotót arról, milyen módon valósítottad meg. Ezzel adhatsz hitelt a szavaidnak.
Ezek hiányában a te véleményed is csak egyel több az itt okoskodó, de semmit meg nem mutató hozzászólásokból.”

A mai világ an ami nincs fenn a neten az nem létezik, és nem is fog létezni.
TJ.
(#) Gafly válasza nosmo king hozzászólására (») Máj 20, 2023 /
 
Ez tényleg egy nagyon jó könyv, köszönöm szépen hogy megosztottad.
(#) nosmo king válasza Alkotó hozzászólására (») Máj 20, 2023 /
 
A legutolso elkészült "dögröl" készült fotokat menézheted két oldallal visszább.
(#) Karesz 50 válasza Karesz 50 hozzászólására (») Máj 20, 2023 /
 
Még gyerekkoromban építettem 2x20 Reed-relével passzív feszültség osztót, 0/-80dB szabályozási tartománnyal, 1 dB-es lépésekben. Még most is megvan a polcon, néha előveszem. Nagyon rosszul szól. Annyi haszna mégis volt ennek a kísérletnek, hogy bebizonyosodjon, semmi haszna a -80 dB-nek. Amíg használtam soha nem tekertem 60 dB-nél lejjebb, tehát ekkora szabályozási tartomány elég a gyakorlatban. Az 1dB-es osztásköz a legrosszabb. 1 dB-es hangerő változás alig érzékelhető, a 2 dB viszont néha sok. A másfél dB körüli érték nekem bevált az évek során a gyakorlatban, ennél maradok örökre.

A másik dilemma, hogy enkóder, poti, vagy nyomógomb. A nyomógomb nagyon idegesítő hosszútávon (nekem). Az enkódert nem szeretem, több okból kifolyólag (pl. rövid élettartam). A potenciométeres szabályzás megszokott, egyszerű, jól vizualizálható.
A 60 dB-es szabályozási tartomány 1.6 dB-es lépésekben 40 lépés. Ez kb. 8 fokos szögelfordulás. Ennél jobbat/mást nem akarok kitalálni.

A gyakorlatban nálam ez 3 db -16 dB-es osztó (az -48 dB) és egy tízes lépcsős osztó, 1.6 dB osztásközzel. Ez utóbbi osztóhoz tíz db relé kell. Ebből most négyet ki fogok spórolni, így már elviselhető mennyiségű relé lesz a jelútban. Összesen mindig csak 5 relén fog áthaladni a jel. Ez olyan nem is sok, meg nem kevés : ) Kompromisszum.
(#) mcc válasza Karesz 50 hozzászólására (») Máj 20, 2023 / 1
 
Shunt szabályzó? Akkor egyáltalán nem menne át jel a reléken…
(#) Karesz 50 válasza Karesz 50 hozzászólására (») Máj 20, 2023 / 1
 
Modulrendszerű lesz, cserélgethetős nyákokkal (fokozatokkal).
Nincs benne semmi találmány, szokásos alapkapcsolásokból lett kiválogatva a szerintem legmegfelelőbb (néhány hónap szimulálgatást követően). A feladat adott volt. Kell két feszültség erősítő fokozat 0/-16 dB erősítéssel.
Hogy a visszacsatoló körben lehessen az osztó és egynél kisebbet is tudjon erősíteni, csak az invertáló kapcsolás jöhetett szóba. Ha invertál, kettő kell belőle, hogy ne invertálja a bemeneti jelet. Ez így pont jól jön ki, mert van két azonos/egyforma fokozatom, együtt 0/-16/32 dB-es erősítéssel. Hogy azért legyen némi feszültségerősítése is (ha már egyszer előerősítő) +5/-11 dB-re választottam az erősítésüket.

Ekkora zárthurkú erősítéshez nem szükséges túlzottan nagy nyílthurkú erősítés, ezért a hajtogatott kaszkádot választottam alapkapcsolásként, Wilson áramtükörrel, diamond emitterkövetőkkel a kimenetén.. A bemeneti diff erősítő duál jFET-es, így nem terheli az osztót.
Most jön egy érdekes elmélet és az érdekes elmélet cáfolata. Bob Cordell-ék sokat vitatkoztak, dilemmáztak azon, hogy le kell-e terhelni a VAS fokozatot ellenállással vagy sem. Ugye, a hurokerősítés növelése azzal jár, hogy a domináns pólus ezzel arányosan tolódik a kisebb frekvenciák felé. Tízszer nagyobb nyílthurkú erősítés, tízszer kisebb alsó határfrekvencia (nyílthurokban). Cordell arra hivatkozott, hogy ez semmilyen hátránnyal nem jár, minden műveleti erősítő ilyen és mégis jól szólnak. Mások azon a véleményen vannak, hogy elég a kisebb visszacsatolási tényező és inkább toljuk a domináns pólust a hangfrekvenciás tartomány fölé. Mindkét tábornak vannak hívei és ellenzői.

"Megnyákoltam" ezt a kapcsolást és megmértem. Az összefüggések egyszerűek és magától értetődőek. Egy darabig. Teljesen elkerülte a figyelmemet, hogy a szimulátorban mérjek áramokat is... azaz belemérjek az erősítő belsejébe. Volt szimulációs THD mérés és sávszélesség kompenzálás, négyszögjeles vizsgálat, stb... oszt kész. Meg voltam elégedve. A THD adott, egy szint alá nem lehet csökkenteni (-120 dB körüli). A négyszögátvitelt úgy állítom be ahogy akarom, ez csak kompenzálás kérdése. A sávszélességet a tranzisztorok határfrekvenciái és a beállított erősítések korlátozzák. Minden adott. Meghatároz mindent az alapkapcsolás.

Aztán méricskéltem és fura dolgot láttam. Nem akar tükrözni az áramtükör. Q5 emitterén közel százszor akkora feszültséget mértem, mint Q4-en. Mértem, számoltam, szimuláltam. A következő - a rajzon feltüntetett - áramok folynak 1 kHz-en az erősítő belsejében és ez elég pontosan így van a gyakorlatban is és a szimulátorban is.
A nagyjelű erősítőt (VAS-t) csak a kimeneti emitterkövetők árama terheli, ami kb. 70 nA. Ennek az áramnak kellene folynia Q3 és Q5 kollektorán (megosztva 35-35 nA-nek), ha végtelen lenne a kimeneti ellenállása (admittanciája) a BJT-knek. Ehelyett 20/40-szer ekkora áram folyik rajtuk. Azonos fázisban, egymásra dolgozik a két tranzisztor. Az nyer amelyiknek nagyobb a kimeneti ellenállása, a másik csak bajnak van ott... feleslegesen nyeli a másik fokozat áramát. A differenciál erősítő tranzisztorai még ellenütemben vezérlik a Q4/Q5-öt, aztán borul minden.
Eközben a THD kicsi marad, a négyszögjel átvitel szinte ideális, nem lehet kimérni ezt a hibát, de ezer százalék, hogy ez így nem fog jól szólni.
De van rá orvosság... erről majd valamikor később.
(#) Karesz 50 válasza mcc hozzászólására (») Máj 20, 2023 /
 
Mire gondolsz pontosan? Amikor a relé a föld felé söntöli az osztó áramát?
(#) mcc válasza Karesz 50 hozzászólására (») Máj 20, 2023 / 1
 
Pontosan. Egy soros ellenállás, utána relével kapcsolt párhuzamosak. Esetleg párhuzamosan fotóellenállás+LED.
(#) Karesz 50 válasza mcc hozzászólására (») Máj 20, 2023 /
 
Ezt tartom a legrosszabb megoldásnak az eddigi tapasztalatok alapján. Éppen azzal volt gondom legutóbb, hogy az osztó GND-be folyó áramai keltenek zavarjeleket a földfólián. A söntszabályzóval még földhurkokat is könnyű "gyártani". Persze lehet, csak elfogult vagyok és az is lehet, hogy majd egyszer ezen is el fogok gondolkodni. Most a Brüel and Kjaer mérőerősítőm megoldásai lebegnek a szemem előtt. Abban is lépcsős osztók vannak és elképzelhetetlenül kicsi a zavarjel a kimenetén. Ilyen jót nem fogok tudni csinálni, mert ahhoz kevés vagyok, de jó lenne ha valamilyen szinten műszerjelleget is mutatna majd a végén ez az előfok. Nálam csak egy, ötfokozatú lépcsős osztó lesz a jelútban, ami feltehetően nem fog zavarjeleket bevinni. Aztán majd látjuk mire jutok. Még szólhat rosszul is az egész, meg jól is.
(#) mcc válasza Karesz 50 hozzászólására (») Máj 20, 2023 /
 
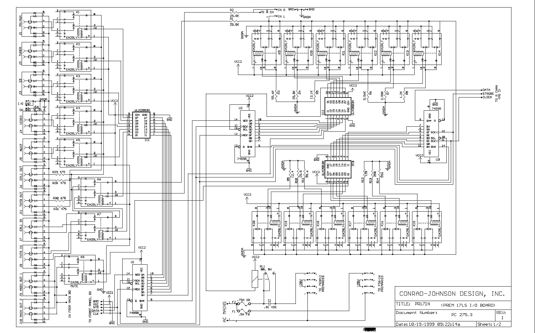
Volt shunt hangerőszabályzóm, igaz forgókapcsolós, nem relés. Jól működött, nem csinált sem zajt, sem földhurkot. Gyártók közül például a Conrad-Johnson használja, relékkel.
(#) Karesz 50 válasza mcc hozzászólására (») Máj 20, 2023 /
 
A folyóhoz több út vezet. Én most választom. Tetszik, mert göröngyös : )
(#) Karesz 50 válasza Karesz 50 hozzászólására (») Máj 20, 2023 / 2
 
Folytatva az elmélkedést. Ha 150k VAS terhelést alkalmazunk a nagyjelű fokozatban, beáll a tökéletes áramszimmetria. A visszacsatolási tényező még mindig elegendő, kb. 46 dB. A domináns pólus 70 kHz-re tolódik fel, bőven a hangfrekvenciás tartomány fölé.
-3 dB-es pont 1.4 MHz-en lesz (5 dB-re visszacsatolt erősítésnél) Ezek mérési, nem pedig szimulációs adatok.
Tovább javul a feszültség szimmetria a kaszkód P csatornás FET hozzáadásával. Esetleg további torzítás csökkenést lehet elérni ha a 150k nem a GND-re, hanem az összegzőpontra van kötve. Ezt még ki fogom próbálni. Figyelemre méltó szerintem, hogy ez utóbbi esetben a földponthoz csak Q1 gate-je kapcsolódik és a tápszűrő kondik.
(#) segítő válasza mcc hozzászólására (») Máj 21, 2023 /
 
A sönt hangerő szabályozás majdnem tökéletes. Szerintem. DE jó kell méretezni és kialakítani az impedanciákat. Mondjuk én a bemenetet (meghajtását) egy katód/emitter/source követővel csinálnám, a lezárását is kell méretezni.
Tapasztalom alapján 24 állásos forgó kapcsoló bármilyen (sönt, létra, stb) hangerő szabályozáshoz elegendő.
Nincs szükség -80 db-re, -60 is elég. Mivel a bemeneti jelszint eltérő is lehet, (100 mV-2V) Emiatt hangerő változás néha lépésenként is zavaró lehet. 1db ellenállással és 1 db kapcsolóval megoldható a bemenet érzékenysége. Méretezés.
A hozzászólás módosítva: Máj 21, 2023
(#) Karesz 50 válasza segítő hozzászólására (») Máj 21, 2023 /
 
Itt van példának kétféle osztó a "nagyoktól". Hol ilyen, hol olyan.
(#) mcc válasza Karesz 50 hozzászólására (») Máj 21, 2023 / 1
 
+1...
(#) Karesz 50 válasza mcc hozzászólására (») Máj 21, 2023 /
 
Ez pedig, ahogy én fogok osztani most...
(#) tothbela válasza Karesz 50 hozzászólására (») Máj 21, 2023 /
 
Volt olyan gondolatom régebben, hogy ha relés osztót csinálnék, tennék bele egy kis csalást. Mivel semmi nem indokolja hogy dB-ben pontos legyen az osztás, olyan fokozat is elképzelhető, ahol a bemeneti puffer után nem csak egy, hanem két szomszédos relé van bekapcsolva. Ekkor egy köztes osztási érték is létrejön plusz relék felhasználása nélkül, mindössze a vezérlést kell módosítani. Na meg kelleni fog néhány kiegészítő soros ellenállás, de ezt biztosan tudod.
Rajzolni most nem tudok, mert nem vagyok gépközelben, de pótolom ahogy lehet.
(#) tothbela válasza tothbela hozzászólására (») Máj 21, 2023 /
 
Valami ilyenre gondoltam. Az alját elhanyagoltam, csupán azt szerettem volna mutatni, hogy így is lehet spórolni a relékkel.
(#) Karesz 50 válasza tothbela hozzászólására (») Máj 21, 2023 /
 
Jól látom, hogy ez úgy működik, ha két szomszédos relé van bekapcsolva, akkor felez?
Nem semmi.
(#) Karesz 50 válasza Karesz 50 hozzászólására (») Máj 21, 2023 /
 
Hülye kérdés volt, most látom, hogy leírtad ezt.
(#) tothbela válasza Karesz 50 hozzászólására (») Máj 21, 2023 / 1
 
Valami olyasmi. Az motivált, hogy hangerő növelés, vagy csökkentés során ne szakadjon meg a jel útja. Igaz hogy nagyon gyorsan át tud kapcsolni egy gyors relé, de ez amolyan agybetegség nálam.

Most nem tudom megmondani hirtelen hogy melyik sok millás erősítőről van szó, de abban alternáló hangerő szabályzó van. Pontosabban kettős szabályzó. Az egyik egy VCA fokozat ami folyamatosan szabályozható. A hangerő beállítása után egy bináris kódolású fél dB-től is nagyobb felbontású osztó beállítja a jelszintek olyanra mint a VCA kimeneti jele, majd finoman átúsztatja a VCA kimenetéről az osztó kimenetére a végfok bemenetét. Ha változtatunk a hangerőn, átúsztat újra a VCA-ra, majd újra beállítja a relé két és visszaúsztat rájuk. Tehát a hangerő változtatáskor egy gyengébb minőségű jelet kapunk, majd 1-2 másodperc elteltével jön a minőség.
Na ez lehet még kutya!
(#) segítő válasza segítő hozzászólására (») Máj 22, 2023 /
 
ARC előerősítők.
Következő: »»   71 / 96
Bejelentkezés

Belépés

Hirdetés
XDT.hu
Az oldalon sütiket használunk a helyes működéshez. Bővebb információt az adatvédelmi szabályzatban olvashatsz. Megértettem