Fórum témák

» Több friss téma
Fórum » Erősítő építése elejétől a végéig
Lapozás: OK   73 / 97
(#) Karesz 50 válasza tothbela hozzászólására (») Máj 27, 2023 /
 
Például így is meg lehet ezt oldani, vagy még tisztességesebben is, de most hirtelen példának jó ez is.
(#) tothbela válasza Karesz 50 hozzászólására (») Máj 27, 2023 /
 
Kezdem érteni.
Ahogy említettem, csak az elmélet érdekelt, nem építeni akarok ilyet. Csak nagyon éhezem ezeket a dolgokat. Nem elégít ki a hétköznapi majomság.
Köszönöm!
Ez a le/fel számlálós átalakító még a relés hangerő vezérléshez is használható. Ez a hiszterézises izé a lényege, mert el tudom képzelni milyen élményromboló lenne, ha 1,6dB-es (vagy pontosabban 1 lépésköz) jelszint ugrándozást okozna ha éppen az átmeneteken állna a potméter.
(#) Karesz 50 válasza tothbela hozzászólására (») Máj 28, 2023 /
 
Engem is teljesen felbirizgáltál már ezzel az izével, pedig más dolgom lenne.
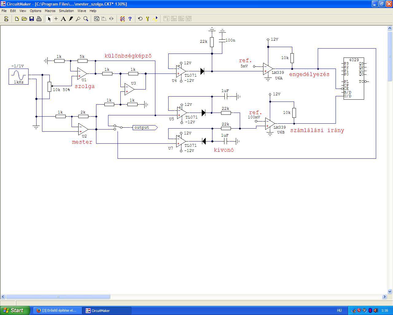
Elneveztem a gyenge hangminőségű erősítőt szolgának, ami csak az átúsztatás ideje alatt szólna. Az átúsztatót még külön ki kell találni valahogy... most R15, R16 adja össze a két erősítő kimeneti jelét (ami így természetesen nem jó, csak szemléltetés).
A jó minőségű "fő erősítő" a mester. Ennek a szintjét szabályozza a relés osztó, ami most már célszerűen legalább 8 bites, 256 lépéses kellene legyen.

A hangerőt "hagyományos módon", potival szabályozzuk a szolgán. Ha a mester és a szolga hangereje azonos, a differenciális különbségképző kimenetén nincs jel. Ha eltérő, (U4) félhullámú egyenirányító átbillenti (U6A) komparátort, ami engedélyezi a számláló működését.

A számlálási irányt (U5, U7) félhullámú egyenirányítók határozzák meg. Ha a szolga jele nagyobb, a számláló előre számol, ha kisebb, hátra. (U6B) komparátor referencia feszültsége adja a hiszterézist. (U5, U7) elé kelleni fog még egy-egy legalább 40 dB-es erősítő, hogy kis hangerő szinteknél is működjön a szabályozás.

Az egésznek a hátulütője csak annyi, hogy csak akkor szabályozza a hangerőt ha szól az erősítő. De ez még jó is lehet - vagy legalábbis érdekes - , hogy pl. szünetben feltekerjük a hangerőt és lassan fog felhangosodni... hogy mennyire lassan, vagy gyorsan a számlálási frekvencia határozza meg.
(#) tothbela válasza Karesz 50 hozzászólására (») Máj 28, 2023 /
 
Két dologra gondoltam annak kivédésére, hogy zene nélkül a mester (ha már neve is van) erősítő ne tévedjen sokat. Egyik, hogy addig ne úsztassa vissza a szolgáról a mesterre a zenét, amíg az nem elég nagy jelszintű. Ez a szint természetesen még az osztó előtti pontra értem, tehát ott lehetne egy mondjuk -30dB szintet érzékelő valami, ami tiltaná-engedélyezné a visszaúsztatást.
Másik megoldás szerint egy hárompályás poti kellene, ahol kettő a szolga erősítőt szabályozza, a harmadik pedig egyenfeszültséget osztanak az A/D részére. Ez még csak ötlet.

Az átúsztatásra korábban már agyaltam egy hibrid megoldást. Ezt még hangszererősítőhöz csatornaváltónak építettem. A relé csattant, a fotoellenállás pedig nem végtelen záró/nyitó ellenállás arányú, így egyik sem volt tökéletes. Gyári erősítőkben váltáskor némítanak, de éppen ezt akartam elkerülni. Tehát két fotoellenállásos optocsatolő (jfet kizárva, mert csöves erősítőnél nagyok az AC szintek) átkeveri a két csatorna jelét, majd utána relé veszi át a szerepet. Az alacsony ellenállású megvilágított 100 Ohm nagyságrendű fotoellenállást rövidrezárja, a MOhm nagyságrendű sötét fotoellenállást pedig leválasztja.

Amúgy arra gondoltam, hogy a mester és szolga erősítő jelszintjének komparálásakor nem kell hifi minőségű nagy szávszélességű jellel dolgozni. Megint visszakanyarodok a hangszeres dolgokhoz, mert például egy gitárhangoló bemenetén például egy 2 oktávot áteresztő szűrő van, amibe belefér a hat húr alapfrekije. Nem is kell több a számláláshoz. Sőt a kivezérlés mérők többnyire logaritmikus skálát használnak, amit egyszerűen diódás torzítóval felerősített jellel hajtanak meg. A diódák hőfok függés nem okoz gondot, mert ha két egyforma sávkorlátozott erősítőt csinálunk ilyen nemlineáris erősítéssel, mondjuk 100-3000Hz átvitellel ami 60dB bemeneti dinamikát 20dB-re redukál, akkor könnyebben lehet feldolgozni a jelet. Ja, hogy ez egy torz jel, az nem gond. Lényeg, hogy két egyformán működő jelszint től függő DC feszültséget kapjunk a komparátort számára.
(#) tothbela válasza tothbela hozzászólására (») Máj 28, 2023 /
 
Itt van egy hirtelen összedobott "logaritmikus" egyenirányító. Azért tettem idézőjelbe, mert elég távol van a tökéletestől, de lényegében nem is fontos a pontos konverzió. Inkább a mester és a szolga együttfutása a meghatározó. Ezért nem diódás megoldást választottam, hanem túlvezérlőset.

Szerintem kapható cél áramkör is ilyen feladatra, de nem néztem nagyon utána. Nálunk az volt a módi, hogy abból építkezünk, ami kéznél van.
(#) Karesz 50 válasza tothbela hozzászólására (») Máj 28, 2023 /
 
Szerintem nem nézted át amit rajzoltam.
1. A "szolga" az egy akármilyen opamp lehet, amelynek a hangerejét analóg módon, potival szabályozod, mint minden hagyományos előerősítőnél.
2. Ha hozzányúlsz a hangerő potihoz (tekered valamerre) azonnal elindul a számláló (előre, vagy hátra). Ez az engedélyező jel letilthatja (1-2us alatt) a mester optocsatolóját (pl.) és átkapcsol szolgára a kimenet.
3. A mester hangereje akár azonnal követni tudja a szolga jelszintjét, (persze ezzel még lehet, hogy játszani kell) ez csak a számláló órajelének frekvenciáján múlik. Egy Reed-relé simán elmegy 100-150 Hz-en. Megmértem, de már nem emlékszem (de van róla szkóp képem, majd megkeresem.)
4. Egy 8 bites osztó 256 lépésben szabályoz, tehát még 80 dB-es szabályozási tartomány mellett is 0.3 dB-es lépésekben, ami meghallhatatlan hangerő különbség.
5. Ez most jutott eszembe, hogy akkor nem is kell úsztatni semmit, csak visszakapcsolni a mesterre ha beállt a hangerőszint. Ennek a visszakapcsolásnak, lehet akár néhány tized sec késleltetése is, hogy már biztosan ne peregjenek a relék.
6. A mester kimenetének letiltása az engedélyező jellel, megoldja azt a problémát is ha a jelszünetben tekerik el a hangerőt. Ilyen kor a szolga szól mindaddig amíg a mester jelszintje be nem állt a szolgáéval azonosra.

Lehet, hogy most picit másként/másban gondolkodunk, de majd összecsiszolódunk. Például nem értem mire kell a logaritmikus egyenirányító. Azt sem, hogy jön a képbe a diódák hőfokfüggése.
(#) tothbela válasza Karesz 50 hozzászólására (») Máj 28, 2023 /
 
Igen, kicsit még el csusszanunk egymás mellett.
Megnéztem a rajzot amit feltettél, csak nem tudtam hogy akár 0,3dB lépést is tud majd a léptető. Bár a 8 bitből gondolhattam volna. Én még ott tartottam, hogy a mostani félkész tervet lehetne kiegészíteni ezzel a szolga erősítővel.
Ami átszaladt a fejemen, de már vissza is szaladt az az, hogy 100mV-ra állítottad a küszöbfeszültséget. Ha az eredetileg tervezett 1,6dB-es osztót használod, akkor a szolga és a mester erősítő legrosszabb esetben éppen fél lépésre van egymástól, vagyis 0,8dB-re. Megnéztem, hogy ez 1V csúcsfeszültségű jel esetében mit is jelent. Maximális hangerő állásban 0,5V lesz a különbségképző erősítő kimenetén. 100mV-os referencia feszültségnél ez billegtetni fogja mind a le/fel, mind az engedélyező bemeneteit a 4029-nek.
8 bites rendszernél viszont már csak 100mV körüli ez a maximális különbségi jel, tehát valóban képes 0,3dB-en tartani a mester/szolga közötti hibát.
-20dB-es jelszinten viszont ez a hiba akár 3dB is lehet. Ha még halkabban hallgatjuk az erősítőt, akkor ez a hiba még nagyobb lesz. -26dB-en felfelé +6dB, lefelé -20dB hibát kreál.
-30dB jelszint alatt meg gyakorlatilag nem is tud szinkronizálni lefelé, csak erősíteni tudja a hangot.
Ezért gondoltam a dinamika kompresszióra, mert akkor a különbségképző erősítőnek nem csak -20dB felett sikerülne 3dB pontossággal szinkronizálnia, hanem mondjuk már -40dB-en is.

Említettem a diódák hőfokfüggését, de azt csak egy elméleti logaritmikus erősítő esetében. Ott a visszacsatoló hálózat tartalmaz valami nemlineáris elemet, és így a karakterisztika egy bizonyos szakasza közel logaritmikus. De mivel kettő ilyen kellene, válogatni kellene a diódákat. Ezeknek a diódáknak a hőfokfüggéséra gondoltam. Ezért inkább a háromlépcsős túlvezérelt erősítőt vettem alapul. Ez 40dB bemeneti szinttartományt 15dB kimeneti átfogássá alakítja.
(#) segítő válasza Karesz 50 hozzászólására (») Máj 28, 2023 / 1
 
Agyonbonyolított. Szerintem. Jó poti + távirányító.
(#) Karesz 50 válasza tothbela hozzászólására (») Máj 29, 2023 /
 
Ezt az egészet tegnap reggel találtam ki hirtelen felindulásból, semmi nincs benne kiszámolva, csak hasraütésre van méretezve minden... pontosabban nincs méretezve.
Vedd észre a szimuláció és az elvi rajz közötti különbséget. A szimuláción a szolga 6-szoros erősítésű, a mester 3-szoros és a poti 50%-os állásánál szólnak azonos hangerővel.
A szolga és a mester erősítése a gyakorlatban természetesen azonos és természetesen bármekkora lehet.

Most arra ébredtem, hogy teljesen jó ennek az elméletnek az a része, hogy differenciális különbség képző. Ha a mester/szolga azonos sávszélességű és hangerejű, a különbségképző kimenetén nincs jel, illetve csak nagyon kicsi (mondjuk 1-2 mV). Ahogy írod, ez szintfüggő is lesz. Mondjuk -50 dB tájékán már nem fog érzékelni, de ezt fel lehet erősíteni egy diódás vágós limiterrel. A limiter a nagyjelszintek miatt kellhet bele. Ez részletkérdés.

A különbségképző, a végén U6A komparátorral fogja megmondani mikor szól a mester és mikor a szolga. Hülye nevek, ha tudsz jobbat legyen az... nekem hirtelen ez jutott eszembe. Valamint azt is, hogy mikor kapcsoljanak át az osztó reléi.

Az alsó rész - a számlálási irányváltó - teljesen mindegy mit idétlenekedik, ez nincs hatással semmire. Sőt, ha átkapcsol szolgára (mert változott a szint), még akkor is működhet véletlenszerűen bármelyik irányba (mondjuk zavarjelek miatt), a különbségképző fogja majd valamikor megmondani neki, hogy most jó, ne mozogj... és lekapcsolja. Ez lehet 1-2 másodperc is, nem számít.

Szerintem most kell elkezdeni kiszámolni, szimulálni, melyik mit is csináljon pontosan.... de most előerősítőzök (a sajátomat).
A hozzászólás módosítva: Máj 29, 2023
(#) Karesz 50 válasza segítő hozzászólására (») Máj 29, 2023 /
 
Van még egyszerűbb. Csak egy poti. Távirányító sem kell.
(#) Karesz 50 válasza Karesz 50 hozzászólására (») Máj 29, 2023 /
 
Visszafeküdtem, de annyira kattog az agyam, hogy nem hagy aludni, amíg ezt le nem írom.
A 60 dB-es szabályozási tartomány bőven elég a relés osztónak, ekkor a kétszer 4 bites osztó 0.25 dB-es felbontással szabályoz. Ez mondjuk 5mV-5V közötti kimeneti jelszint. Ebből adódik, hogy 5 mV-ra kell állítani a komparátor (U6A) referencia feszültségét és nem is kell elé sem limiter, sem erősítő.
5 mV alatt már nincs értelme hangminőségről beszélni, csak motyog valami. A szolga dolgozik egyedül, önmagában nagyon alacsony jelszinten, 0-5 mV között.

Még akár ki sem kell jelezni a hangerőt külön kijelzőn, elég ha egy LED indikálja mikor dolgozik a szolga (azaz, az engedélyező jelet). Az egész kapcsolás megvan 6-8 IC-ből és 8 db reléből/csatorna. Plusz a jó minőségű előfok alkatrészei és némi segédáramkörök.
Most hagyjam félbe, a már majdnem kész előerősítőm? : )
A hozzászólás módosítva: Máj 29, 2023
(#) mcc válasza Karesz 50 hozzászólására (») Máj 29, 2023 /
 
Én is ide jutottam, mindenféle variálás után. A távirányítás opció. A mostani potim minden eddigi megoldást felülmúl hangzásban.
(#) Karesz 50 válasza mcc hozzászólására (») Máj 29, 2023 /
 
Elhiszem, hogy nagyon jó, de minket inkább a kihívások érdekelnek. Egy jó potinál csak annyi a kihívás, hogy akarok-e 300 eurót költeni rá, vagy sem. Amúgy milyen poti?
(#) mcc válasza Karesz 50 hozzászólására (») Máj 29, 2023 /
 
Olyan TKD 2CP-2511.
A hozzászólás módosítva: Máj 29, 2023
(#) tothbela válasza Karesz 50 hozzászólására (») Máj 29, 2023 /
 
Az utolsó mondatod a kapaszkodnék.
Első pillanattól kezdve úgy gondoltam, hogy ennek a már félkész előerősítődnek kiegészítéseként ugyanúgy működne a mester/szolga dolog. Ez még egy modul. Ezért is írtam a vegyes számrendszerről, mert az előerősítőd nem szabványos bináris kódolású.
Kicsit most békén hagylak mert nem akarlak megzavarni, de majd sikerül jobban megfogalmaznom amit szeretnék mondani, akkor valami rajz formájában közlöm. Az úgyis egyértelműbb.
(#) tothbela válasza mcc hozzászólására (») Máj 29, 2023 /
 
Én nagyon keveset építek, az is zenekari dolog. Többnyire egyedi nyavaja, amit nem lehet kapni. Tehát már erősítőt sem. Ennek ellenére elmerülök olyan részletekben, ami talán valamikor hasznos lesz.
Lehet hogy Karesz látszólag túl bonyolítja, de ha keressük a legjobb megoldást, akkor túl kell lépni a megszokáson.
Nyilván a legjobb hangerő szabályzás az az, ha intesz a zenekarnak hogy halkabban.
(#) deebo válasza segítő hozzászólására (») Máj 29, 2023 /
 
Vagy digitális forrás esetében a digitális oldalon kel megoldani a hangerőszabályzást és probléma letudva.
(#) mcc válasza tothbela hozzászólására (») Máj 29, 2023 /
 
A zenekari felhasználás valóban némileg más, de Karesz szerintem otthonra épít...
(#) Karesz 50 válasza tothbela hozzászólására (») Máj 29, 2023 /
 
Már megzavartál : ) Pontosabban én zavartam meg magam. Most kicsit tanácstalan lettem, hogy merre induljak tovább. Úgyhogy szívesen fogadnám a további meglátásaidat/ötleteid.
Már sikerült belekötnöm abba amit eddig kitaláltam, de nem akarlak piti problémákkal foglalkoztatni most, inkább hallgatnálak.
(#) tothbela válasza mcc hozzászólására (») Máj 29, 2023 /
 
Természetesen a zenekari felhasználás az más, de ettől elvonstkoztatva most én is otthoni felhasználásra gondolok.
(#) Karesz 50 válasza mcc hozzászólására (») Máj 29, 2023 /
 
Ez az egész most egy elmélet, ami arról szól, hogy lehet kiküszöbölni azt a hibát, hogy "csattognak" a bináris osztó reléi. És Béla feldobta a magaslabdát.
(#) mcc válasza Karesz 50 hozzászólására (») Máj 29, 2023 /
 
Ennyire zavaró lenne a dolog? Nekem sosem jelentett gondot. A kisjelű relék ráadásul nem is hangosak.
(#) Karesz 50 válasza mcc hozzászólására (») Máj 29, 2023 /
 
Nem a relék átváltásának kattanása hangos, a hangszóróból tud jönni csattogó hang, ami van akit zavar. Engem is. Ez több tényezőből tevődhet össze. Lehet DC szint valamelyik fokozatkimenetén, okozza a relék prellegése, valamint az, hogy nem nullátmenetnél kapcsolnak. Így együtt sok tud lenni. Vagy csak mi vagyunk maximalista amatőrök.
(#) mcc válasza Karesz 50 hozzászólására (») Máj 29, 2023 /
 
Szerintem akkor zavaró, ha feleslegesen nagy a szabályzót követő fokozat erősítése. Sok olyan van, hogy 200mV is elég a teljes kivezérléshez, ami a mai dgitális világban irreálisan alacsony. 1-1.5V tökéletes...
(#) tothbela válasza Karesz 50 hozzászólására (») Máj 29, 2023 /
 
Továbbra is ezt az élőerősítőt finomítsd, ezen ne változtass. Nem is kellett volna a 8 bitest felhozni, mert nekem sem volt szándékomban. Csak elmentünk egymás mellett.
Legyen ez a jelenlegi előerősítőd a mester.
Akkor most megpróbálom megfogalmaznom, milyen prioritást állítok fel, és ennek függvényében milyen alá/felérendelt lesz egy áramkör a másikhoz képest. Ezért ne a gombhoz a kabátot elvét szeretném követni. Tehát ne egy potméteren szolga erősítő mondja meg hogy miként kellene viselkednie a mesternek, hanem fordítva. Azt se engedjük meg, hogy ha nem nagy a hangerő, akkor a szolga hangját halljuk.
1. Mindig a mester erősítőnek kell szólnia.
2. Amennyiben a mester erősítő éppen átkapcsol más erősítésre (amikor a király ruhát vált és a pucuja kilátszik), csak akkor szóljon a szolga erősítő.
3. A szolga erősítő minősége olyan legyen, hogy kellemesebb legyen hallgatni mint az éppen kapcsolható mester erősítőt. Ebből kifolyólag ha modul rendszerű élőerősítőt építesz, hagyj egy modulnyi helyet a szolgálnak, valamint egyet a vezérlésnek. Úgy lenne jó, ha szolga nélkül sima jumperolással is tökéletesen szólna az előerősítőd, aztán a szolgál még lehet később törpölni.

Még nem találtam meg azt az erősítőt amiről olvastam ezt a hibrid ízét mint amiről most van szó, de úgy emlékszem VCA-t említ. Vagyis nem valami komoly minőségről van szó csupán a karampoló relétől egy fokkal jobbról. Ahogy a férfit is említik a nők hogy ha egy fokkal szebb az ördögtől......
Tehát sima VCA, aminek a torzítása kisebb mint 2%, zaja -80dB alatti, erősítés követési pontosság a mesterhez képest max +/-1dB. Ha ezt tudja, akkor hajrá.
Ezért gondoltam a kettős konverzióra mint vezérlésre. Bár nem vagyok benne biztos, de vélhetően egy potméter lesz az elsődleges kezelő elem, amit tekergetve egy változó DC szintet fogsz előállítani. Ezt pedig egy diszkrét A/D átalakító követi, ami nem bináris kimenetű, hanem az előerősítőd reléihez (ssr) igazodik.
Ha tévúton járok, akkor a további részt ne is olvasd. Ha jólgondolom, akkor viszont van egy egyedileg generált néhány párhuzamos logikai kimenet, ami bár nem bináris, de visszafejthető analóg feszültségszintekhez.
Nos vissza is kell valami egyszerű áramkörrel, akár valami ellenállás létrával. A lényeg, hogy vissza kapjuk a vezérlő potméter által beállított feszültséget.
Bár most veszem észre hogy ezt már leírta korábban, de nem baj.
Szóval ez a kapott DC egy lépcsős egyenfeszültség, amit egy RC taggal kicsit érdemes simítani. Ez után kapunk egy olyan lépcsős jelet (természetesen csak a vezérló poti tekerés közben), aminek sarkai le vannak kerekítve. Ergo lágy átmenetet képez két diszkrét szint között.
Nos ez a DC kellene hogy vezérelve a VCA erősítőt.

Egyelőre ennyi.

-már megint belejavít a telefon, azt hiszi tudja mit szeretnék írni. A hibás kifejezések az ő számlájára írhatóak.
A hozzászólás módosítva: Máj 29, 2023
(#) Karesz 50 válasza mcc hozzászólására (») Máj 29, 2023 /
 
Ezt a csattogást én már kiküszöböltem azzal az általad "egyszerűnek" titulált 50 tranzisztoros előerősítővel, csak most Béla felvetette ezt az átúsztatós izét amitől valami miatt nem tudok szabadulni. De majd mindjárt fogom magam és nem foglalkozom vele tovább : )
(#) Karesz 50 válasza tothbela hozzászólására (») Máj 29, 2023 / 2
 
Az a gond, hogy már itt tartok. Még két modul kell bele és kész az egyik csatorna. Ezen nem nagyon lehet módosítani, szigorúan házi szabvány. Egy bemenet, két kimenet. Már sajnálnám feltenni a polcra, főleg, ha még jól is fog működni.
Megerőszakolom magam és inkább ezt folytatom most tovább. Majd ha már szólni fog, akkor foglalkozom az átúsztatós izével. Isten bizony nem is gondolok rá addig. Most el is tűnök innen : )
(#) tothbela válasza Karesz 50 hozzászólására (») Máj 29, 2023 /
 
Látom hogy a mainboard is megvan, akkor valóban nem zaklatlak tovább.
Vagyis még egy kicsit. De majd később.
(#) Karesz 50 hozzászólása Máj 30, 2023 / 2
 
Szólna is az egyik csatorna, de még csak méricskélés van, meg amúgy is süketek vagyunk már ebben a korban, mindegy milyen hangja van.
Kicsit tanyasias megoldás a fázisfordító a szimmetrikus kimenethez, de még mindig jobb annál ami most van, hogy az egyik félhíd leosztott kimenete hajtja a másik félhidat ellenfázisban.
Holnap még hangolgatom, méregetem, ízlelgetem ezt a kapcsolást, aztán folyt.köv. a másik csatorna. Ez így hirtelen, eddig most jónak tűnik.
Pont 90 mA az áramfelvétele (ebből 20 mA-t fogyaszt a védelem Reed-reléje), tehát 25-30 üzemóránként kell az akkut tölteni, ami úgy évi 30 töltés, tehát 84 éves koromban kell majd "aksikat" cserélni... be is írom a határidő naplómba, mert már feledékeny is vagyok.
(#) cua válasza Karesz 50 hozzászólására (») Máj 30, 2023 / 1
 
Azert besz@ras mennyi munkat teszel ebbe, meg olvasni is sok
Következő: »»   73 / 97
Bejelentkezés

Belépés

Hirdetés
XDT.hu
Az oldalon sütiket használunk a helyes működéshez. Bővebb információt az adatvédelmi szabályzatban olvashatsz. Megértettem