Fórum témák
» Több friss téma |
10 - 20K nem kel nagyobb.
Mi lesz a különbség 10k és 20k között?
Sziasztok,
egy nagyon láma kérdésem lenne: Mi van akkor, ha a bemeneten nem földelem le a poti egyik szélső lábát, hanem csak a wipert és a másik szélső lábat használom? ez miért nem jó? Köszi Attila
Mert az nem oszto, hanem elötét ellenállás. ( lényeges különbség!!!) A müködésben lehet, hogy semmit sem fogsz észlelni, mert a bemenöfokozat impendanciájától függ az elötétellenállás hatása.
Sziasztok,
van egy ILYEN rádióm és egy közönséges fejhallgatóm. A rádió nagyon érzékeny, jól működik, és a fejhallgatóból meglepő mély hangokat tud produkálni. Tetszik! Egyetlen probléma, hogy a hangerőszabályozó legkisebb ("1"-es jelű) fokozatán is túl hangosan hallom a zenét/szöveget. Mivel a panelbe nem piszkálnék bele, úgy oldanám meg a dolgot, hogy fix ellenállásokat kötnék a rádió és a fejhallgató közé, de ehhez tudnom kell majd, hogy milyen értékű ellenállásokat vegyek. Ezt úgy gondolnám meghatározni, hogy beszereznék egy sztereó potmétert, azzal beállítanám a kívánt hangerőt "1"-esen, majd és megmérném a poti aktuális ellenállását. Kérdésem: milyen potmétert vegyek ehhez (pl. a Hestore-ból)? Köszi a reakciókat.
Ez nem igen fog menni, mert a modern fejhallgatok többsége <64 Ohm, azaz ha egy 64 ohmos ellenállás sorbakötsz, akkor csökkene a hangerö a felére, ha más fejhallgatot (32 Ohm) dugnál be akkor meg a negyedére csökkenne. Néha kapni fejhallgato hosszabito kábelt abban vannak ilyen kis értékü potik. ( az enyémben 2x47 Ohm), de néha az sem jo, mert a fejhallgato érzékenyége olyan nagy, hogy majdnem a minimumra kell tekerni, ott meg már nem egyformák a potik állásai (legalábbis az enyémen) igy változik a balance.
Sajnos ezeken az uj kütyükön a hangerö többnyire digitálisan van állitva ( innen a fokozatok) és meglehetösen zavaro az átfogási tartomány. Még a legjobbak is ( pl az én erösitömön dB-ben van kijelezve a poti állása és 60 dB a maximális csillapitása ami szintén néha gondot okoz (késö éjszaka nem lehet csendesebbre tekerni).
Digitális, abszolút, így van. Nem tudom, mi ennek a "jeladónak" a neve, de ahogy tekerem, finoman érezni, hogy ahogy átugrik egyik állásból a másikba, és akkor változik a szám is a kijelzőn és a hangerő is. És nekem is pont a késő esti (ágyban fekve történő) rádiózás a gond.
Nem vagyok profi ebben a témában (sem ): jól értelek, hogy nem nagyon kapni olyan értékű potmétert, amit ehhez a kísérlethez kellene? (Tegyük fel, hogy egy adott fejhallgatóhoz készíteném ezt a hangerő-csökkentőt.)Köszönöm.
Hát illetve az lett, hogy így osztóként bekötve lett egy kis alapzaj, az eddigi semmihez képest.
A hangerő viszont már lemegy nullára(mondjuk ez kevésbé volt szempont). ez mitől lehet? Köszi Attila
Nem tudjuk hogyan és hova kötötted, lehet, hogy a föld rossz ( PC-nél gyakori).
Azok között a digitalis potik között elég sok kis felbontásu elegy is van. Azok aránylag durva lépésekben osztják a jel szintet. Ezt hallhatod. Amit tekersz az meg csak egy gray kod jelado (encoder).
A hozzászólás módosítva: Ápr 4, 2018
Sziasztok egy kis segítséget kérnék.
Szeretnék egy durva hangerőszabályzót 12póluusú forgókapcsolóval építeni. Annyi a kitétel hogy 47-50k legyen . Node nem mindegy hogy mekkora értékűek az ellenálások, így ha valaki tud egy kis segédletet a kiszámolásukhoz azt megköszönném.
A legegyszerűbb megoldás, ha fogsz egy logaritmikus skálát, és a 0 - 50 -ig terjedő szakaszát egyenletesen felosztod 12 részre. Az osztásoknál leolvashatod, hogy abban az állásban mekkora ellenállásnak kell lennie a kezdőponthoz képest. (mint egy potméternél)
De ki is lehet számolni, csak kicsit bonyolultabb: Bővebben: Link
http://w3.hdsnet.hu/whiteful/vol3.htm
Találtam egy ilyen cuccot.
Jól néz ki, csak meglehet kevés lesz a 30 dB átfogás, amit a 12 állással el lehet érni. A lépcsőket sem nagyon érdemes 3 dB -nél nagyobbra venni, úgy túl durva lesz a szabályzás. Érdemesebb lenne 24 állású, és átfedő érintkezőjű kapcsolót használni.
Az nem baj ha durva a szabályzás hisz az a célom is.
Mivel csóri potméterek nem nagyon bírják a magas jelszintet így ezzel csak egy beállítás lessz végezve szinte de a lényegi hangerőszabályzás az bőven előtte lessz megoldva. A hozzászólás módosítva: Okt 23, 2018
Sziasztok!
Van több hangerőszabályozó potim is, aminek van egy negyedik kivezetése, mint valami középső csapolás. Ennek mi értelme van, lenne értelme használni valamire?
Fiziológiai hangerőszabályzás miatt. A fül hamgnyomás érzékenysége frekvencia függő, ezt lehet a leágazásokra kötött kondikkal némileg korrigálni.
Köszi! De gondolom egy ilyen ármkör elég masszívan beleszól a fázisátvitelbe.
Minden frekvencia függő alkatrész beleszól egyúttal a fázisátvitelbe is. Kérdés mennyire, és hogyan. De ki is lehet (kell) számolni, nemcsak összevissza dobálózni az alkatrészekkel.
Ha eszel mérgezed magad, előbb utóbb belehalsz. Ha nem eszel, nem mérgezed magad, akkor is belehalsz. Akkor mi is a megoldás? A cél az optimális megoldás keresése, megtalálása.
Hmm, milyen igaz. Köszi. Megnézem a készülék kapcsolási rajzát, amiböl a poti ki lett szedve.
Sziasztok,
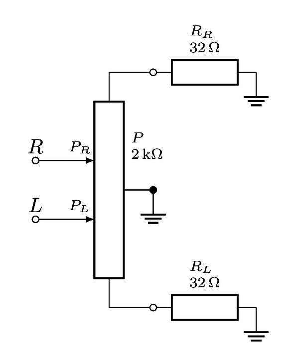
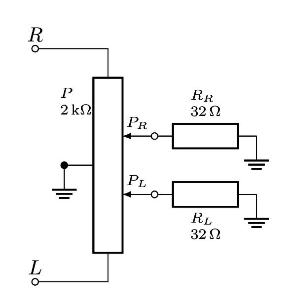
A fiamnak van egy ilyen headsetje, ami elromlott, ezért szétszedtem a hangerőszabályzó részt. GTX 307 Ez egy tandem poti, ami 2K és a közepén 1K-nál van a földpontja a "csúszó" lábak 0-1K között változnak, 0-nál kikapcsol. Furcsállom a bekötését, mert a PC audio kimenete a csúszó részre van kötve, a fejhallgató felé meg a fix 1K-s lábak mennek. Nekem úgy tűnik, hogy szinte rövidre zárja az audio kimenetet (tandem_poti1.png). Mi ennek az értelme? Nekem fordítva logikusabb lenne (tandem_poti2.png).
Valóban furcsa. Ugye a csúszkák középtől kifelé ellentétes irányban szinkronban mozognak. Már ha a rajz szerinti az alkatrész maga is. Ha lefotóznád jobban érthetnénk a működését.
Lehet hogy a csúszkák nem mennek le rövidzárig, vagy a szabványos fejhallgató kimenet tartósan elviseli a rövidzárat. Idézet: „Nekem úgy tűnik, hogy szinte rövidre zárja az audio kimenetet (tandem_poti1.png). Mi ennek az értelme?” Nekem úgy tűnik, hogy benéztél valamit. ![]() Egyébként mi volt a hiba? Bár nagyjából mindegy, esztétikusan és tartósan nehéz javitani...
Végül is kontakt hibás volt ott, ahol a kábel bemegy ebbe a hangerőszabályzóba egy gumitönkön keresztül
Igen, logikailag úgy működik, mintha a két csúszka ellentétes irányban szinkronban mozogna. A köztük lévő ellenállás mindig duplája a közös pont és egy csúszka ellenállásának.
Én is arra tippeltem, hogy nem megy teljes rövidzárig, kb. 3 ohm után kapcsol ki. A képen a jobb szélső láb a föld, majd a két csúszó láb és a bal szélső kettő a fix. Ez utóbbiak mentek a fejhallgató felé. A hozzászólás módosítva: Aug 13, 2021
Ott szokott eltörni, ahol hajlik...
Akkor a hiba megvan, javitás kis ügyességet/türelmet kiván...
Ez így már egyértelmű. Két köríves ellnálláspálya párhuzamosan. A jobb oldali kivezetésnél közösítve. A rajz kicsit megzavart.
Sziasztok!
A következő hangerőszabályzó potencióméter egy bizonyos forgatás után szakadásba megy át. A rádió ezért nem szól egy bizonyos hangerő felett... Legalább is ezt gondolom. Mivel tudnám helyettesíteni, mert nem nagyon találok ilyet. Delta A503 felirat látható rajta. Két láb van megszakadva. |
Bejelentkezés
Hirdetés |





): jól értelek, hogy nem nagyon kapni olyan értékű potmétert, amit ehhez a kísérlethez kellene? (Tegyük fel, hogy egy adott fejhallgatóhoz készíteném ezt a hangerő-csökkentőt.)





