Fórum témák
» Több friss téma |
Szia!
Ha a pénzt nem sajnálod rá, akkor én ezt ajánlanám.
Sziasztok!
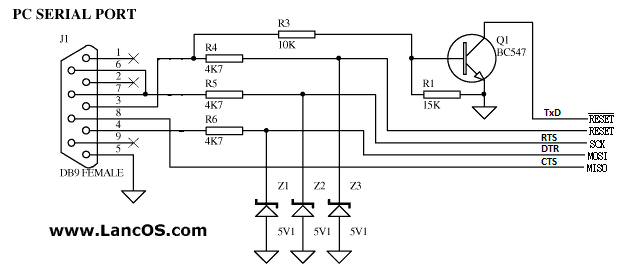
Szeretném a ponyprog-ot használni, de a kapcsolási rajzon nem tudok elmenni. Abban kérném a segítségeteket hogy melyik kimenet a SCL és SDA ami az epromra lábaira megy, illetve a LM2936Z-5 mért nem helyettesíthető sima 78LM05-el? Segítséget előre is köszönöm!
Üdv!
LM2936Z ultra alacsony nyugalmi áramú típus. Ez csak akkor hasznos, ha a táplálást a soros portról akarod megoldani. Mivel a soros portra külön tápfeszültség nincs kivezetve, így a portlábakról kapja a megtáplálást, azt pedig nem terhelheted túl. Most meg nem mondom neked mennyi a maximum. Ha megnézed az áramkört, a koncepció az, hogy az adatvonalakon adatforgalom hatására a 3, 4 , 6 és 7 lábon magas szintnél a D1-2-3 diódákon keresztül tölti a C3 puffer kondit, ez szolgáltatja a tápfeszültséget. (Ha jól sejtem valamelyik pedig állandó magas szintre van állítva a programban, hogy állandó tápfeszt szolgáltasson. Talán a 6 és 7 közösített.) Ha lemondasz a soros portos megtáplálásról, és külső tápfeszültséget használsz, akkor jó a normál 78LM05 is. Az adatvezetékeket a programban kellene megnézni nem ott vannak megadva melyik láb melyik? A hozzászólás módosítva: Jan 9, 2024
Rendben, köszönöm Mindenkinek a segítséget!
Sziasztok!
Összeraktam az olvasót. Elvileg olvasni tudom írni nem. Alany egy mikrochipes 24LC01B. WP láb fent 5V (4,75V). Ötlet?
Kösd le 0 V-ra.
Adatlap szerint akkor lehet írni. Üdv. M.
Bocs a GND- van.
Nem az a baj hogy 24LC01B a eprom, mert ahogy néztem csak 24Cxxx rom-ok támogat. Ez pedig "LC" -s, vagy hülyeség?
Most néztem írás közben, sima multiméterrel a gnd-hez képest a SCA és az SDA-án is 2,5V mérek . VCC 4,3V, ez így jó?
közben ráraktam szkopra is
A hozzászólás módosítva: Jan 16, 2024
Mivel a szópod 2v állásban van, így 5 v az a szint.
Üdv. M.
Lassan kezdem feladni, lehet hogy rossz az eeprom vagy nem tudom. Most rákötöttem a pikkit2-re is. Olvasni tudom, írni nem. 2db rom-al is próbáltam, több nincs.
A 24LC01B A0, A1, A2 és a WP lábait földre kell kötni, a SDA lábat egy 2k7 ellenállással kell a Vcc re kötni. A PICkit2 cím választó négyzeteket nem kell kipipálni.
Ha az 5V stabilizátor után nincs meg az 5V, akkor az nem jó. Ki tudja írásnál pillanatnyilag mi történik. Legtöbb digitális áramkör halála a nem stabil táp.
Elvileg 2,5V-5,5V a VCC tartománya.
A com-portos olvasónál (ponyprog) a PC usb tápját adtam neki s így nem volt gond az 5V-vel, illetve próbáltam lapbortápról külön feszről is működtetni, eredmény ugyan az volt, azaz nem sikerült az írás. A képeken az eprom bekötése van s így is volt próbálva. Illetve van siker is , sima 24C04-es epromot tudtam olvasni és írni is (ez volt a cél).A 24LCxx továbbra sem sikerült, de a lényeg megvan. Rendelek majd Ilyen programozót. A hozzászólás módosítva: Jan 16, 2024
27C256 programozásSziasztok!Az lenne a kérdésem hogy van e valakinek esetleg olyan eeprom programozója ami tudja írni a 27C256 at DIL28 tokban? (max. 150ns rise time) 2db felprogramozott eepromra lenne szükségem de nem vennék ezért egy eszközt ha nem muszáj.. Egy Behringer DSP1100P -re kellene egy frissítés. A hozzászólás módosítva: Aug 6, 2025
Az még nekem is menne, de az eredetit meg tartom a biztonság kedvéért.
Arra gondoltam hogy vennék egy újat és azt kellene fel pörzsölni. De ne legyen off topik, írok privátban. Idézet: „eeprom” ...nos ez nem az! EPROM programozóm nekem is van 512Kb-ig, csak macerás a használata, mert DOS-os és LPT portos PC kell hozzá. A hozzászólás módosítva: Aug 6, 2025
|
Bejelentkezés
Hirdetés |








, sima 24C04-es epromot tudtam olvasni és írni is (ez volt a cél).





