Fórum témák
» Több friss téma |
Szia! De így ezen a néven könnyebb felismerni.
Sziasztok,
Régi gázkazánnal kapcsolatban lenn problémám. Van egy nem mai Hőterm Fuso 30 AI kazánunk, márciusban lett benne gázszelep cserélve majd 200 ezerért. Most, hogy ki akartam próbálni, hogy minden rendben van-e, azt csinálja, hogy szépen elindul, begyújt, de a szikráztatás nem áll le és pár másodperc múlva reteszel. Ha oldom a piros gombbal a reteszt, újra ezt csinálja. Néha elindult, akkor rendben megy. De ha kihűl teljesen újra ez a hiba. A hozzászólás módosítva: Szept 24, 2023
Szia! Fordítsd meg a dugvillát, mert fázisérzékeny a készülék.
Köszi a gyors választ. Jól van bedugva ez biztos. Viszont, némi tisztogatás (szikrásztató meg mellette még valami
) és pár oldalbavágás (tudom, tudom..) után most működik.Lehet a vezérlőpanel döglődik? Ha igen lehet javítani?
Szia!
Ha ilyen jellegű "javítással" tudtad üzemképessé tenni, akkor csatlakozóknál kontakthiba lehet valahol, vagy forrasztási hiba a vezérlő panelen, ha az van benne. Nem tudom ez melyik megoldás, van amelyikben Brahma égővezérlő van, ennek van saját aljzata, egyszerű a tisztítása az érintkezőknek. Első körben az ionizációs kör csatlakozásait kellene tisztítani. Brahma esetén ez típusszámtól függően a 3-as, vagy 8-as csatlakozótól az égőtálcáig, illetve ellenőrizni a védővezető bekötését is. A hozzászólás módosítva: Szept 24, 2023
Sziasztok
7 éves Wolf CGB-24 gázkazánom van. Ma délután bekapcsoltam,el is indult,elkezdett fűteni,de egy idő után leoldott a FI relé ami előtte van.Visszakapcsoltam,megint ment egy kb.20 percet,megint leoldott. Ha csak áram alatt van,de nem fűt,akkor nincs gond,nem old le a FI relé. Valakinek valami ötlete,hogy mit nézzek meg rajta?Lehet a szivattyúja szarakodik? Köszönöm.
Szia Máté. Első körben a keringetőszivattyút nézném meg. Utána esetleg a váltószelep, bár ez kevésbé valószínű, utána a panelen a tápegységet.
Sziasztok! Nem vezérlő hiba a gondom, de remélem belefér a topicba. Csatoltam két képet egy Baxi (Westen) gázkazánhoz való kiegészítő relépanelről. Ismeri valaki? Ezen van valami elektronika a nyák hátulján vagy csak a két relé lehet és pár elko, dióda? (mondjuk gyanúsak a kondik) Ilyen kellene nekem, de ha csak két relé a lényeg, megépíteném. Egy motoros szelepet kellene vezérelnem egy Westen Pulsar Kondenz 1.24 kazánnal, mikor meleg vizet csinál, nyitná a szelepet. Ha lenne valakinek ilyen és lefotózná a hátulját, az tökéletes lenne, esetleg rajz hozzá. A neten csak az elejéről látok képeket.
Köszi! Tomi A hozzászólás módosítva: Okt 16, 2023
Sziasztok,
SYMSI7.0 (valami Duvalban van) panelen nem tudjátok mi okozhatja azt, hogy a szekunderen 44V van a 32V helyett? Van egy olyan panelem amin nagy trafó + TOP247 van amin eredetileg ugrált a táp. Van több donor panelem kicsi trafóval + TOP243-al. TOP247-et cseréltem (mindenfajta gondolkodás nélkül ), majd miután ez nem segített találtam egy szakadt VIA-t a pirossal jelölt helyen. Ezek után a táp megy stabilan, de túl magas (szekunder elkók 35V-osak). Ezután keresztcseréltem minden releváns alkatrészt (C+F körön) de semmi változás. Van esetleg valami ötlete bárkinek mit nézzek meg? Nagy trafóm nincs sajnos kereszt cserére. A hozzászólás módosítva: Okt 17, 2023
Én pont abban a körben néznék körül ahol a szakadás volt. Onnan jöhet, nagy valószínűséggel a feszültség-visszacsatolás. Mi az az X és Y pont?
Idézet: „Én pont abban a körben néznék körül ahol a szakadás volt. Onnan jöhet, nagy valószínűséggel a feszültség-visszacsatolás. Mi az az X és Y pont?” Igen, a trafó primer segédtekercsén keresztül van visszacsatolva a táp, de onnan a trafón kívül kihánytam mindent is.
A napokban volt egy kis probléma a háromszög törlőgombos Junkers Euroline kazánunkal. A váltószelep motorjának az érintkezője volt kontakthibás. A motort szétszedtem és a képeket feltöltöttem róla, hogy melyik bakter érintkezője volt komtaktos. A motort nem egyszerű levenni a helyéről de nem lehetetlen.
Üdv Mindenkinek!
Adott egy Junkers ZW24 gázkazán. A hibajelenség az, hogy elindul a kazán majd pár másodperc múlva leáll. Elhozták hozzám a vezérlőpanelt, szerintük biztosan a panel a hibás. Honeywell 45007556-005 REV B. Állításuk szerint hibajelzés nincs. Esetleg van valakinek tapasztalata a jelenséggel kapcsolatban? Előre is köszönöm. Üdvözlettel!
Szép estét mindenkinek.
Elindult a fáűtés szezon. Jönnek a problémák. Nos Protherm falikazánom gond nélkül beindul. Amikor kinéztem, a tetőn a kéményre ,azt vettem észre,hogy valami furcsán áll. Mintha deformálódott volna. Kérdés.A kémény végén a sapka levehető? Az billent félre? Itt a fotó:
Sziasztok!
Van egy régi RADI kombi gázkazánom! Mostanában az alábbi hibát észleltem. Bekapcsoláskor a vizet felforralja,majd kis idő múlva kikapcsol,és újra melegíti a vizet. Ekkor azonban már jó hőfokon! Remélem nem nagy a gond! Várom ötleteiteket a hibával kapcsolatban! Köszönettel!
Megoldódott.
A C004 jelű 1µF/400V-os kondenzátor gyakorlatilag nem produkált kapacitást. Gondolom a körülötte lévő MELF ellenállások jól körbefűtötték az idők során. Csere után újra működik a kazán.
Sziasztok!
Hozzám került egy fali turbós gázkazán Elexia Comfort vezérlő panel, 60-as hibakódot produkál (hiba az ionizációs lángérzékelő önellenörző rendszerében) Abban kérnék segítséget hogy a vezérlő panelon mi felel ennek a hibájáért? Azért is kérdezem mert másik panellal tökéletesen működik a készülék, úgyhogy 100% hogy a panel a hibás. Tud nekem valaki ebben segíteni hogy a panelon mit cseréljek ki hogy a hibajelenség ne jöjjön elő? Nagyon szépen köszönöm a segítséget előre is.
Szia! Kövesd vissza az ionizációs elektróda áramkörét a panelen és abban méricskélj. A képek között találsz rajzokat amik hasonlíthatnak a mikroamperek detektálásában egymásra de mégis különbözőek.
Ha már témánál vagyunk, volna egy kérdésem. A lángérzékelő elektróda milyen mérési elvet használ? Jómagam ellenállás mérésre gyanakodtam, azaz az elektróda és a test közötti ellenállásmérés, amit a láng jelenléte megváltoztat. De most említed a µA-t, ezek szerint áramméréssel van ez megvalósítva az említett két pont között?
Erre csak így tudok válaszolni, mert az elektronikák lelkivilágához nem sokat értek. A rajz is csak egy a sok megoldás közül amit a gyártók alkalmaznak a detektálásra.
A lángban ionáramlás keletkezik az elektróda felől a föld felé. Ez a feszültségosztó ágát söntöli, az elektronika bemenete alacsony szintre kerül.
Szia Zoli,
Nah úgy néz ki,hogy nem a gázkazán a ludas,mert éjjelre elindítottam a pelletégőt,és akkor is leoldott a FI relé.A két rendszerben közös a padlókör,és a radiátorkör szivattyúja.Lekötöttem a radiátor szivattyút,és azóta minden rendben,most visszakötöttem,és továbbra is minden rendben,szóval nem lett meg a hiba oka,csak tünetmentes a rendszer.
Tisztelt Fórum tagok!
Dég Colibri KT-E vagyis Beretta turbós kombi készülékem van. A panel felújításon esett át, viszont a gondom pár hónap hibamentes működés után szintén az, hogy véletlenyszerű módon, van hogy fél nap után, van hogy pár óra után, vagy akár napok után is, vagy fűtés vagy melegvíz készítés után elkezd villogni a zöld led szakaszosan ( kb fél másodpercenként ) és folyamatos piros jelzésre áll át. A reset néha segít, néha pihentetni kell áramtalanítva fél órát, akár órákat, és szintén előről kezdődik a folyamat. Nincs lehetőségem kazánt cserélni, mivel fali turbós gyűjtőkéményhez csatlakozik, és a lakóközösség "elvan" a jelenlegi helyzettel, így ha valakinek van ötlete a jelenség orvosolására, azt szívesen venném! Használt csere alkatrészeim akadnak, kivéve a panelt. Köszönöm, hogy elolvastad!
Szia! Amit leírtál abból arra lehet következtetni, hogy vagy a víznyomás kapcsoló vagy a ventilátor nyomáskapcsoló "ejt" el működés közben. A ventilátor motorjának a csapágyazása lehet kenetlen ha sikló csapágyas ill. a lapátok koszosak vagy még a venturi csöve lehet szennyezett. A kapcsolókat (víznyomás, ventilátor) átmenetileg a próba idejére át lehet kötni, hogy melyik okozza a hibát, mert azt elég macerás lenne ha a panelen a reléjét kelle hallgatni, hogy mikor melyik kapcsol le. Ha a lángőrrel lenne probléma akkor a LED narancs színnel jelezné.
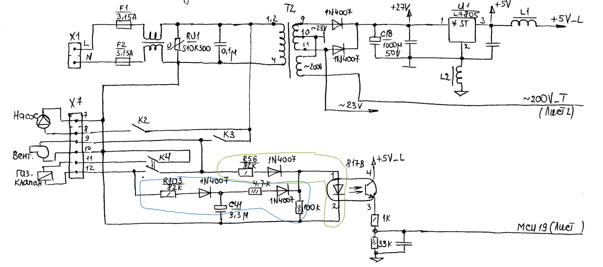
Immergas Eolo Star 23 KW 04-es hibakóddal nem találkozott valaki?
Kézikönyv nem ismeri, az internetes keresés Eolo nélkül elektromechanikus hibát hoz. A panel úgy került hozzám, hogy a háttérvilágítás vibrált, megkondiztam, utána már gyújtott volna de nem nyitott a gázszelep, pedig mind a modulációs tekercsen és a fő tekercsen is volt feszültség (2V illetve 230V). A fő gázszelep 2 tekercstestből áll, ez kívülrl 750 Ohm. Leszedve a csatlakozót a két tekercs 820 és 6K külön mérve. Minden periféria (presszosztát, NTCk, hővédő) jó kimérve a panelig. Van a panelen a egy visszacsatolás a nagyfesz részről, amit nem teljesen értek. Ha a rajz jó akkor egyrészt ezzel néznék vissza, hogy a turbó valóban elindult-e (zölddel jelölt rész), de akkor a kékkel jelölt ág mi célt szolgálhat?
Hello! Én úgy látom, hogy egy optoval figyeli a két kapcsolót.
Ha a K3 be van kapcsolva, akkor 50Hz-el kapcsolgat az opto. Ha a K4 is be van kapcsolva, akkor meg sima (DC) a jel.
Sziasztok! Ariston Clas Premium 24 kombi kazán vezérlő panel kapcsolási rajzát keresem. esetleg tömbvázlat is segítene. Vizet kapott és a tápegység része berobbant. Nagy segítség lenne ha valaki megtudná adni a főtápok adatait. A panel száma: ACO GALILEO MCU 000342006806.
Esetleg bontott panel is érdekelne.
Szia! Biztos, hogy ilyen vezérlő van benne, mert ez a kép a "jófogásról" való. Azt gondoltam, hogy látszanak az égésnyomok vagy valami kormozódás de nem. Ha villámlátogatott akkor szinte reménytelen de ha csak víz került a panelra akkor talán a supressor védett valamit az elektronikán. Ha az szétcsattan elég szépen összekeni a környezetét amit le lehet tisztogatni a felületekről. Első körben talán ennyit de ha nem akarsz vele bajlódni akkor rákereshetsz ERRE hátha bevállalja.
|
Bejelentkezés
Hirdetés |





) és pár oldalbavágás (tudom, tudom..) után most működik.

), majd miután ez nem segített találtam egy szakadt VIA-t a pirossal jelölt helyen. Ezek után a táp megy stabilan, de túl magas (szekunder elkók 35V-osak). 
















