Fórum témák
» Több friss téma |
Mielőtt kérdezel, a következő két dolgot ellenőrizd!
I. A helyes tápfeszültségek megléte.
II. A kimeneten van-e egyenfeszültség.
Élesztés.
Sziasztok!
Videoton AIDA erősítő "SZTEREO ADÓ" indikátor izzójának az adatait meg tudjátok mondani? Nem találom a netes rajzokon. 6V/0.3-asat tekertek bele és az kiütötte a ua758-at.Nézem az IC adatlapját és lámpa meghajtásnak 50mA-ert ír. Az sztereódekóder áramkör 13V-on megy. Köszi.
A szervizkönyve igen furcsa értéket ír: 6V 50mV. Szerintem az 50 mV az mA akarna lenni.
Vagyis 6V 50mA-es égőt hajtott gyárilag. A LED lenne a jelen helyzetben a legjobb opció, esetleg úgy, hogy leveszed az áramát 20mA körülire.
Sziasztok, STK496-090-hez lenne valakinek használható nyákterve?
Itt a csatolmányban van de neked kel megrajzolni.
Bővebben: Link A cikk vége a képen. A hozzászólás módosítva: Dec 11, 2023
Vasalós nyák, -ellenőrzés ajánlott
Üdv! Felmerült egy problémám, de erősítős témában nagyon amatőr vagyok. Van egy STR-DE215 cuccom, és az utóbbi időben (pár hónap) elkezdett hangszóró pattogásokkal PROTECTED módba váltani.
Eleinte kocogtatás használt neki, vagy újra indítás is eleinte több aztán kevesebb sikerrel. Mostanra már ott tart, hogy naponta többször, vagy akár pár percenként is elmegy PROTECTED módba. Na gondoltam ez valami érintkezési hiba lesz, így kibeleztem és a mainboardot nagyítóval átnézve találtam is pár helyen kimelegedett forrasztásokat, többnyire a szekunder diódahíd, és a végtranyókat meghajtó uPC2581 (IC701) forrasztásai voltak gyalázatos állapotban. Ezeket átforrasztottam, és a helyzet ugyan változott, de nem jó irányba, gyakorlatilag rosszabb lett. Most az van, hogy bekapcsolás után rögtön PROTECTED móddal indít. Hogyan lehetne ezt a hibát feltárni? Mindjárt mérek párat, de a furcsa az, hogy a végtranzisztorok forrasztásai alapból tökéletesek, viszont úgy néz ki, hogy a kimeneti ágon a relé előtt mínusz nagyonsok feszültség van. És ez azért fúrcsa számomra legalább is, mint írtam a készülék rendesen szólt mikor épp nem PROTECTED módban volt.
Hát akkor a védelem nem véletlenül oldott le, én így elsőre a végfok tranzisztorokat mérném át, hogy nem szakadt vagy zárlatos valamelyik. Meg esetleg tesztelném, hogy mit csinál a végfok, ha a volume board csatlakozóját kihúzva leföldelem a bemenetét.
De mondjuk én is műkedvelő amatőr vagyok, egy-két erősítőt javítgattam eddig.
Szia!
Nem olyan régen nálam is volt egy STR-DE475 hasonló hibával. Annál is a forrasztások 70% körbe volt repedve, és az elektrolit kondenzátorok között is nagyon sok halott darab volt, meg a protect áramkörben egy zárlatos dióda.
Q703: GND-C +36.7V / GND-E -19.7V
B-C -56.65V (bázison a pozitív mérőcsúcs). Q704: GND-C -36.2V / GND-E -19.7V B-C +16.2V (bázison a pozitív mérőcsúcs). Q753: GND-C +36.7V / GND-E -19.7V B-C -56.65V (bázison a pozitív mérőcsúcs). Q754: GND-C -36.7V / GND-E -19.7V B-C +16.2V (bázison a pozitív mérőcsúcs). E-B: -0.58 mindegyiknél. GND-B: -20V mindegyiknél.
Ezzel az a gondom, hogy ha a végtranyó zárlatos vagy szakadt, akkor az a hangban is változást kellett volna hogy okozzon. Vagy rosszul gondolom? Írtam, mikor magánál volt a készülék, semmi féloldalas vagy halkabb csatorna nem volt, minden tökéletesen működött hangzásban.
A lehúzást meg bemenet földelést még megpróbálhatom.
Multival nem szoktunk belemérni az erősítő belsejébe mert előfordulhat, hogy begerjed és ezzel ki is nyírod az IC-t. Szkóppal mérj DC-t a uPC2581 5-ös és 6-os lábán a GND-hez képest.
A kimeneten nyilván -19 V DC van az eddigiek szerint.
Igen eddig itt járunk -19V a kimeneten. Jó, akkor beizzítom a szkópot.
Megnézem a lomjaim közt, lehet, hogy van ilyenem... (új)
Sajnos nincs. A uPC rémlett, de ez 1185-ös. Reménykedjünk, hogy nem ezzel van baj.
No fejlemény van, mértem és az 5-ös lábon 10V, a 6-os lábon 13V van, ha jól láttam. De nem tudtam sokáig figyelni, mert közben volt egy gyenge pukkanás, és az IC mögötti C740 kondenzátor bedobta a törölközőt. Ezt ki kellesz vennem, de mikor újra bekapcsoltam hogy még egyszer okával rámérjek a nagy ijedségben, magához tért az erősítő és nem PROTECTezett be.
Hallani lehetett a kimeneti relét is, hogy behúz, de hangszóró még nem volt rajta. Ui.: Nem tűnt fel, de ahogy a képet figyelem, jól látom, hogy a Q701 tranyó is pukkant? A hozzászólás módosítva: Dec 12, 2023
A tranzisztor vaklárma volt. Megnéztem nagyítóval, semmi baja, csak sorjás a tokozás.
Az IC pufferkondi viszont kifolyt amint írtam. Keresek a lomok közt valamit helyette. A hozzászólás módosítva: Dec 12, 2023
Az 5-ös, 6-os láb között nem lehet feszültségkülönbség (ez az IC két bemenete) és 0 V körüli értéket kell mérned, mint a kapcsolási rajzon is fel van tüntetve. Cseréld ki a gyanús kondikat, aztán meglátjuk túlélte-e a pukkanást.
Nagy nehezen megtaláltam, hogy ez a tápszűrő kondi. Ha pukkant, jó nagy áram is folyhatott rajta. Rá kellene mérni a 10 Ohm-okra mielőtt újra bekapcsolod, hogy nem szakadtak-e meg. Ezek biztosíték ellenállások. R740,R741.
És egy úttal cseréld ki a C741-et is ha már ott vagy. A hozzászólás módosítva: Dec 12, 2023
Úgy látom 4.7 Ohm-osak 10 helyett
Vagy 47 ? Nem látom, fekete vagy ezüst. A hozzászólás módosítva: Dec 12, 2023
Manj ránézek, mára viszont ennyi. Köszi.
oké...
Szia! Rövid ideig raneztem. Megmondom oszinten eleg regi kapcsolas. Az sem biztos, hogy helyes a rajz. A BC140 BD140 stb bekotese mas. Erdemes a kapcsolas elejet megnezni, hogy nincs-e elkotve valamelyik tranzisztor.
Nos ma kotorásztam ebben a cuccban, ahogy tippelted a soros R740 átkapcsolt nagy ellenállású üzemmódba, 10Ω (barna fekete fekete arany, ahogy az SM-ben is van) helyett 1MΩ lett, úgyhogy neki is mennie kellett.
Aztán a tápfeszeket mértem az IC-n az most már jó mindkettő, de a hangszóróból még így is csak a nagy csend jött ki. A szkóppal végigmérve az egész HF jelutat látszik mindenhol szépen, még az előfokra is rámegy, de a kimenetén már nagy nulla van. Úgyhogy el kell könyvelnem, hogy ez az IC bizony megfőtt, amit talán az is alátámaszt, hogy gyakorlatilag semmi hang nincs a kimeneten, de mégis elég rendesen melegszik. Szóval most valami UPC2581 beszerzési forrás után kell néznem, és amíg meg nem jön, megint jegelve a javítás. (Mondjuk igazából még adatlapot se találtam hozzá, csak egy blokkvázlat van róla, amit szerintem az SM -ből loptak.) Ui.: Mint ahogy a panelen látszik, amúgy gyárilag is fűthetett rendesen, mert még a lakk is elszíneződött. Faragtam rá egy kis alubordát, remélem az új IC -vel magához tér végre a készülék is. A hozzászólás módosítva: Dec 15, 2023
Szia! A készülék sajátossága, hogy az uPC megsüti a környező elkókat.
A hűtés akkor lesz jó, ha a borda a paneltől magasra nyúlik fel. Az uPC amúgy nagyon ritkán hibásodik meg, mielőtt a cserélésébe vágnál írd meg a lábain testhez képest mérhető feszültségeket a polaritás megjelölésével együtt. Abból elbírálható az állapota. Ha nincs valamelyik tápon a kimenet akkor elvileg működik.
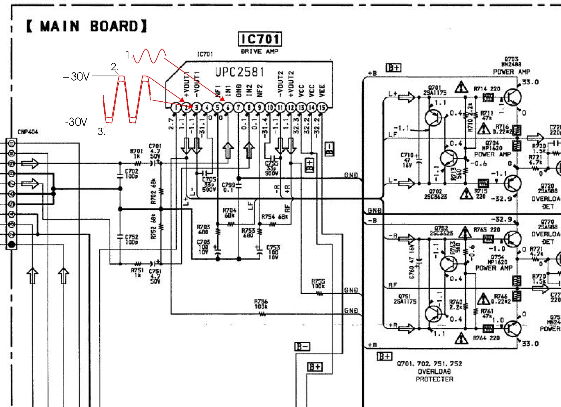
Szkóppal csak hármat kell mérned, hogy megállapítsd jó-e az IC.
Ha a bemeneten megvan a szinusz és a kimeneten a 2. 3.-hoz hasonló jelet látsz, akkor jó az IC. A 2-es, 3-as jel alakjából már következtetni lehet a hiba okára (ha szerencsénk van).
Nem nagyon van mit mérni, az 1-es lábon a megfelelő 2.x V pontosan nem emlékszem már rá.
A 13, 14 és 15 táp lábakon megvan a tápfesz, bár nem hajszálpontosan egyforma +-, de szerintem az csak a tápfesz gyenge eltérése miatt nem egyenlő (pár 10ed diferencia nem vészes). A 2, 3, és 11, 12 kimeneteken totál nulla semmi. A 6 és 8 bemeneten a hangjel, legalább is azt gondolom, mert ugye nem adtam jelgenerátorból szinuszt neki, csak a rádió módban (igaz antenna nélkül) de gyanítom, hogy a recsegés (zaj, nemtudom milyen színű) mikor nincs adó, az jelenhetett meg. Bár ha nagyon muszáj, és gondoljátok próbát tehetek még egy szinuszjellel, ha van remény. A hozzászólás módosítva: Dec 15, 2023
Hát akkor valószínűleg tényleg belehalt az IC ebbe a tápszakadásba. Tudsz szerezni helyette újat?
|
Bejelentkezés
Hirdetés |















