Fórum témák
» Több friss téma |
Fórum » MIG/MAG/Co2 hegesztő készülékek házilag
Témaindító: electorkalandor, idő: Feb 19, 2009
Témakörök:
Idézet: „egyfázisú 160-180 as gépeket.” Határozottan lebeszélnélek róla!! A hegesztésnek igencsak nagy az energia igénye! Egy ilyen gép 20-25 ampert is felvehet, és mivel a lemezes trafós gép nem szabályozott rendszer, kényes lesz a feszültség változásokra! Ez azt jelenti, hogy ugyanabban a fokozatban, lehet hogy kilukasztja a lemezt, a következő alkalommal meg csak "gilisztát" hegeszt! Nálam egy Alfaweld kis inverteres volt tesztre, és nagyon meg voltam elégedve a hegesztésével! A fentebb említett okokból váltam meg az 1f gépemtől, amin majdnem az összes létező tuningot bevetettem, de sose lett jó. Mivel nekem van 3f, ezért lett egy 400-as gép, aminek van még egy nagy előnye, senki nem akarja kölcsönkérni!!
Jobban bíznék egy trafós gépben hosszú távon. De az sem jó, ha nem fogok tudni hegeszteni vele. Invert milyet ajánlanál ami normális?
Én nem fogok neked ajánlani, mert nem vagyok hegesztőgép guru!
Amit én használtam az az Alfaweld és ehhez hasonló, de más címkét viselő jószágok! A mostani AC-DC awi-mon Free TIG felírat van. Ezekben az a jó, hogy kommersz alkatrészekből van! Se proci, se menü, odanyúlok, és azon tekerek amin akarok, a zongorázás helyett.
Sziasztok.
Kis segítségre lenne szükségem. Adott egy güdge mig/mag trafós gép. Anno át lett alakítva, a trafó illetve a házon kívül minden cserelve/fejlesztve lett benne (trafó szekunder oldala is). Most elszállt a primer oldala a trafónak. Újratekertem, de az eredmény elég siralmas lett, (nem megy nekem). Egy új gép ára most nem fér bele a kassza költségvetésébe. Illetve ahogy elnéztem a piacot van az "olcsó" kinai 100-200e illetve a 500e hufos gépek .Viszont van egy MMA (pálcás) trafóm. Azon gondolkoztam hogy a "pálcás" trafóra rakok egy szekunder oldali feszültség szabályzást, járható út lehet? MMA trafó -> egyenirányítás -> pufferelés -> PWM -> "elektróda" ->fojtó. Válaszokat előre is köszönöm.
Kipróbáltam szabályzás nélkül, harmat gyenge. Nagy ritkán volt az a jelenség hogy meg olvadt meg a drót, inkább csak izzik. Amikor megolvadt akkor a beeges a vasba nagyabból nulla. Hát maradt az új gép vásárlás.
Sziasztok!
Lenne egy amatőr kérdésem: ezt a panelt át lehet-e alakítani úgy, vagy mit kell rajta változtatni, hogy 12v-os motort vezéreljen? A motor kivezetései az "a7" és "b9" számmal jelöltek. A hozzászólás módosítva: Júl 21, 2024
Nem kell azzal semmit csinálni, az a8-a9 pontra 12V AC megy 24V helyett, szükség esetén az R19 ellenállást kicseréled egy 100 ohm 1-2W-osra és kész.
Szia!
Csak ennyi? Köszönöm. Ja, a benne lévő 24v-os kis relét is ki kell cserélnem 12v-osra,ugye? A V16 jelülésű 25v-os zenert nem kell cserélni, A hozzászólás módosítva: Júl 21, 2024
Még egy kérdésem lenne. Van nálam egy ilyen gép: Bővebben: Link
Az a hibája,hogy nem vezérli a tolómotort. A képen látható kis vezérlő panel van benne, amire rácsatlakozik a 24v Ac, a pisztoly nyomógomb és a motor. Zárlatos lett benne az 5v-os feszültség stabilizátor és az M110AN tipusú Ic zárlatos lett, mivel a betáp oldalon megkapta a 26-27v-ot. Annyit találtam róla,hogy ez valamilyen programozható kütyü. Kerestem ilyen panelt hogy hol lehetne venni, de csak 1-2 külföldi oldalon láttam, ahonnan nem tudok rendelni. Szerintetek elég ha veszek vagy csinálok egy PWM fordulatszám szabályzót a motorhoz és emezt a panelt kiváltom vele? De ott hová kellene kötnöm a nyomógombot, hogy csak nyomásra működjön? A gépen van egy min-max állító kapcsoló, ami min állásban 17v körül ad feszültséget a panelnak, max állásban pedig 26-27v-ot.
Azt kellene kideríteni, hogy a potméter csak az előtolást szabályozza, vagy az áramerősséget is.
Az előbbi esetben kiválthatod egy sima PWM szabályozóval, az utóbbiban keményebb dió lesz. Ha elég a motor szabályozás, a nyomógombbal pl kapcsolhatod a PWM szabályozó tápfeszültségét. Viszont elegánsabb megoldás, ha eleve olyan szabályozót használsz, amin van ENABLE bemenet.
Szerintem csak az előtolást. A motor megy rá és a kapcsoló. A panelon van még két led, az egyik akkor világít ha feszültség alatt van, a másik meg biztosíték hibát jelezhet. Van a gépen egy kapcsoló, a már említett min-max állású, az a trafó primer oldalát állítja,gondolom ez lehet az áram erősség szabályzó. Más igazából nincs benne.
Én két zenert látok, a V16-ot és a V17-et. A V16 5,6V-os, a V17 pedig 13V-os, oda jó a 12V-os is,ha esetleg halott lenne. A relét természetesen 12V-osra kell cserélni. Ha a motor egy robosztusabb darab, akkor a tranzisztorok hűtését növelni kell, illetve a bemeneti egyenirányítót is célszerű lenne 8-10A-esre cserélni és egy kis hűtőlappal ellátni .Egyébként ez a rajz tőlem származik én tettem fel ide sok éve.
Szia!
Bocsánat,kicsit elvesztem. A V16-ot jól benéztem, mert a Z betűt kettesnek olvastam , ezért írtam a 25v-ot. Jobban megnézve 5,6v . Akkor kipróbálom a javasoltakat . Köszönöm.
Sziasztok!
Erről a rajzról nincs véletlen valakinek egy jobb minőségű képe? A pirossal bekeretezett rész érdekelne, de van egy-két dolog, ami nem jól látható rajta. ezt a részt szeretném megcsinálni egy új panelon, de egyik-másik kötőpont,alkatrész értéket nem jól látni.
Szia,
Én megépítettem és jól működik. Eagle-ben minden meg van. Estére ha nem felejtem el akkor elküldöm neked.
Köszi, de ez van meg nekem is. Azt nem látom jól, hogy a D7-D8 dióda csatlakozik az Ic 7-es lábához, vagy nem? Valamint a C2- R7 értékét sem látom jól. Meg az Ic 2-6 lábánál is van valamilyen kondi, az sem tiszta.
Idézet: „a D7-D8 dióda csatlakozik az Ic 7-es lábához, vagy nem” Csatlakozik! Azok védődiódák, normál esetben nincs jelentőségük, csak ha valami szakadás lesz a poti körében.. Idézet: „C2- R7 értékét sem” 100nF, 4,7kOhm, Idézet: „az Ic 2-6 lábánál is van valamilyen kondi” Ez egy fontos kondi, de én sem látom pontosan! 100nF-el indítanék itt, ha működik maradhat! A hozzászólás módosítva: Aug 2, 2024
BHKV T400C hegesztő áram mértéke.Sziasztok! Azt szeretném megkérdezni, nem tudja véletlenül valaki, hogy a BHKV T400C típusú co hegesztő gép három fokozata mekkora áramokat fog át, illetve a hozzájuk tartozó feszültség értékeket. A segítséget előre is köszönőm.
A pontos értékeket meg kellene néznem a gépkönyvben, de emlékezetem szerint 1.fokozat:17-22V 2.fokozat:21-28V 3.fokozat 27V-40V de ezek az értékek erősen függnek a tirisztoros szabályzó egység beállításaitól. Én még két egyformán szabályozható gépet nem láttam ebből a típusból. Kb. 10-15% szórás simán előfordult a T400C gépek között.
Mivel MIG gépről van szó, itt inkább a feszültség beállítás a lényeg, mivel az íváram teljesen más lesz a különféle átmérőjű huzaloknál, plusz még a használt védőgáz fajta is más-más íváramot eredményez. Ezen felül a háromféle fojtóbeállítás is jelentősen befolyásolja az ívfeszültséget és az íváramot is, és az előtolási sebesség -ami elsősorban dönti el az íváramot-még szót sem ejtettünk. A hozzászólás módosítva: Okt 12, 2024
Köszönőm a segítséget.
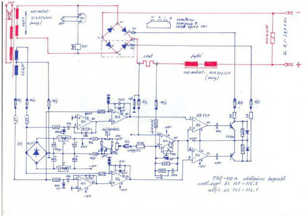
Trakis Pulsmig 145 vezérlő HBFS-III típusA hozzáértő szakiktól kérdezném inkább de persze minden infó érdekelne. Mostanában "takarítgatom" a padlásom és kezem ügyébe akadt egy általam régen elfelejtett panel: egy Pulsmig 145 vezérlő panel. Nem teljesen egyezik meg a többször itt megosztott HBSF-F panel rajzával de hajadzik rá. Ennek típusa HBSF-III. Ezen eggyel több ic van és ezen a test a csatlakozó a4-a5 és a6-os összekötve. Nem tudom jól van ez így mert az eredeti "F"-es jelölésű rajzán az a4-es az a 10K-s potméter egyik csatlakozója. Tudom nagyon ritka darab és nem sokat gyártottak le belőle de én szeretném újraéleszteni és talán valaki találkozott hasonló példánnyal és így (ugyancsak talán) hozzá tudna szólni.A hozzászólás módosítva: Jan 7, 2025
Most, hogy így nézegetem rájöttem ez a THE-130. Szóval minden rendben, kösz a segítséget mindenkinek.
3 fázisú főtrafóból átalakítással 1 fázisú főtrafó készítéseSziasztok. Megint én untatnálak egy kérdéssel benneteket. Felszámoltam már szinte az összes nagy teljesítményű MIG hegesztőgépem, jobban mondva eladtam őket egy kivételével. Ez ami megmaradt egy Esab LKB 265ös főtrafóval (3 fázisú) rendelkezett de gondoltam ez is felesleges de eladhatatlan így nekiálltam szétbontani. A főtrafót is kilemezeltem és egy oszlop tekercsét is szétbontottam. Viszont elkezdett mozogni egy gondolat a fejemben mert sajnáltam még a másik kettőt. A gondolat az volt, hogy nem lehet-e a két megmaradt oszlopból új lemezeléssel egyfázisú MIG gép trafót összehozni. Mindegy mekkora teljesítményt adna le csak ne kerülne a MÉH telepre. Az eredeti 3 fázisú transzformátor tekercsei mind a primer oldalon mind a szekunder oldalon "Y"-ba voltak kötve. Tehát kérdezném vajon így ebben az állapotban alkalmas lenne-e a két oszlop tekercse egy darab egyfázisú MIG gép főtrafónak vagy csak nagyobb átalakítással?
Alkalmas, mivel tekercsenként 220(230) V-ra vannak méretezve. A két oszlopon lévő tekercseket párhuzamosan kell kötni. Primert és szekundert is. Ha jól látom, csévénként p+s az alacsony szórás miatt. A primer fokozatok helyes kötése nem kis macera.
A hozzászólás módosítva: Márc 5, 2025
Ez szerintem úgy háromfázisú, hogy két fázis közé van kapcsolva a primer (vonali <-> fázis feszültség).
Egyik oszlopon sok megcsapolással a primer oldalon (gondolom sokfokozatú kapcsolóra megy) történik az állítás. Ha a primert és szekundert párhuzamost kötik, és ráadásul elkezdik állítani kapcsolót, az érdekes lészen. ![]() Ha rajtam múlna, én megvárnám mpisti fórumtársunk véleményét is.
Azt én is logikusnak vettem, hogy a primer oldal párhuzamosan kötve jó de a szekunder oldali feszültségben már nem vagyok annyira biztos és ezért inkább kérdezem. A bekötése nem gond sőt egyszerű inkább a gyári megoldás volt bonyolult. Ott a fokozatkapcsoló egyesével kapcsolgatta a tekercseket nem a megszokott párhuzamosan egyszerre mind a hármat de anno ezt is kis segítséggel megoldottam. Itt már természetesen nem használható ez a fokozat kapcsoló de nem is érdekes inkább, hogy a szekunderen meg legyen a kívánatos feszültség ha párhuzamosan kötöm őket.Mellékelem az eredeti főtrafó bekötésének rajzát.
A hozzászólás módosítva: Márc 6, 2025
Zavart érzek az erőben, úgymint a belinkelt kapcsolási rajz, és bontott trafó között.
![]() Szerintem egy igazi 3F transzformátornak 3 "micsodája" van (lásd csatolmány). Ugyanakkor sokan azt mondják, hogy: - 1 fázisra elég egy vas és tekercs is, példa a villanypásztor. - Két vas, két tekercs, az a patkómágnes. - Három fázisra három vas, három tekercs. Tudom, mert Pakson is olyan van. Saját szemmel láttam. |
Bejelentkezés
Hirdetés |





.
, ezért írtam a 25v-ot. Jobban megnézve 5,6v
. Akkor kipróbálom a javasoltakat . Köszönöm. 







véleményét is. 

