Fórum témák
» Több friss téma |
Nagyon érdekes mert írok, nincs itt, újra leírom, megkétszerezi. Úgyhogy most lehet kétszer lesz itt, bocsi.
Nadehát éppen Te rajzoltad le a múltkor a megoldást differenciális különbségképzővel. Két vezetékkel kell a csillagpontba menni. Az egyiken keletkező zavarjelet a másik (R3,R4) kioltja (ha jól gondolom). Ha meg az egyik hsz-t kitörlöm, mindkettő törlődik : ) A hozzászólás módosítva: Okt 25, 2025
Van mikor lelassul az admin robot, ilyenkor látom hogy új hozzászólást írt valaki, de még nem engedi hogy lássam.
Amúgy igazad van, valóban lehetne használni azt a megoldást hifihez. Nekem azért volt szükség rá, mert zenekari lomok esetén minden le van földelve. Ez biztos melegágya a földhuroknak, de szimmetrikus XLR meg nem mindenen van. Vagy hangfrekis transzformátor, vagy elektronika. Egy basszusgitár esetében még egy hálózati puskás trafó is viszonylag jól viszi át a hangot, de hifire már nagyon zsebbe kell nyúlni. Ezért csináltam néhány szimmetrizálót opampokkal. Ki lehet trimmelni teljesen nullára a brummot velük. Valahol feltettem a rajzot és a nyák tervet is, de már nem tudom hova. Na mindegy. Említetted, hogy nem THD mérést, hanem zavarjelek keresését érdemes művelni, mert az jobban megmutatja egy erősítő jóságát. Itt az ugrott be. Hogy rengeteg olyan zavar forrás van, amit nem veszünk figyelembe. Ilyen egy zéner dióda is. Van egy zaja, ami ha fehér zaj szerű, akkor 3dB/oktáv meredekséggel nő a frekvencia függvényében. Úgy tanultam, egy zéner feszültségét legalább egy RC taggal illik szűrni, mielőtt feszültség forrásként használjuk. Hogy a ni-mh akku mennyire zajtalan, azt még nem néztem, de próbáltam nagyáramú mosfetből csinálni feszültség generátort. Kis áramoknál elég meredeksége van, ami viszont sajnos hőfokfüggő, de nem jobban mint egy PN átmenet. Ráadásul BE sokszorozó mintájára csinálhatunk belőle GS sokszorozót. Most az fog jönni, hogy még akarom nézni szkópon, mennyi zajt (zavart) termel. A TL341 az sokat, nem is szeretem.
Emlékeim szerint a zener sokkal több zajt termel, mint egy TL431. Kisebb feszültégekre egy LED általában kisebb zajú mint egy zener. A TL431 szerintem egész jó, csak háklis a párhuzamos kondira. Az adatlapján is ott van, de a lényeg egyetlen mondatban (emlékezetből, és gyakorlati oldalról): legalább 22µF kondi kell a TL431-re, vagy ne legyen rajta kondi. 0-20µF között instabil lesz. Szóval én meg zenert nem szeretek audio áramkörökbe tenni, ha szükséges ilyesmi akkor is inkább LED-et... Viszont zajgenerátornak kiváló
sőt ahhoz talán az egyik legjobb megoldás.
Itt gondom a működés módjában kell keresni a zaj okát. A zéner a letörési küszöböt használja, ettől talán egy glim lehet rosszabb.
Nem tudom. Én szeretem a Zenereket és használom is őket és még soha semmim nem volt zajos. Ha kell megszűröm RC taggal. A LED-et nem szeretem, mert bizonytalan a nyitófeszültsége és be kell válogatni, ez meg nehézkes. De ezeket is használom néha. A TL431-nek is megvan néha a maga helye. Szerintem mindig az feladnak megfelelő feszültségreferenciát kell használni, azt ami oda a legcélszerűbb, legjobb, legegyszerűbb.
Skorinak itt van a TL431 adatlapján a tiltott terület. Pontosan meg van határozva mikor, mekkora kondival kell szűrni. Ja... igen. Az akkuk zaját próbáltam mérni, de nem tudtam mert olyan kicsi. A hozzászólás módosítva: Okt 25, 2025
Igen, ezt láttam, de több cég is gyárt TL431-et, esetleg más-más előtaggal is, és kicsit eltérő paraméterekkel. Az eredeti (talán texas gyártmányúnak) pl. minimum 1mA kell, hogy stabil legyen. De létezik olyan is ami már n*10µA árammal is stabil, ill. létezik 1.25V-os verzió is...
Szóval ez a 22µF afféle univerzális szabály nálam... A zenert mint zajforrást nem viccből írtam, és nem is leszólni akartam bármit is, egyszerűen csak arról van szó, hogy a legtöbb fehérzaj, vagy rózsaszínzaj generátorban zener a zajforrás. 1db tranzisztorral 100mV nagyságrendűre erősíthető egy zener zaja. Jelútba belerakva persze a visszacsatolás lecsökkenti a zaját, de feleslegesen dolgozik vele az elektronika... a zaj forrásimpedanciája alacsony, simán kondival söntölni általában nem is elég, hanem RC szűrő kell. Egyszer majd csinálok konkrét méréseket. A a véletlen kutatásáról írt cikkemben, egy-egy tranzisztor B-E átmenete záróirányban előfeszítve a zajforrás, ami lényegében nem más mint egy 6....9V körüli zener. A tápforrások közül az akkumulátoroknak és az elemeknek a legkisebb a zaja. A hozzászólás módosítva: Okt 25, 2025
Ezeket szerintem mi is tudjuk. Egyszer felkérésre építettem fehérzaj generátort és nem találtam annyira zajos Zenert, mint amekkora zaja egy (már nem emlékszem a típusára) záróirányban előfeszített kisjelű BJT-nek volt.
Vannak ilyen téveszmék, mint pl. a DC szervó negatív hatása a mély átvitelre. Az előerősítőm minden fokozatában DC szervó van. Kihúzgáltam, bedugdostam a foglalatokból az opampokat és semmit nem rontott a mélyen, viszont szervóval stabil 0V kimeneti driftem volt, nélküle meg nem. Sokat "játszottam" ezzel. Mutatok erre egy példát ezzel az egyik végfok kezdeménnyel. A csoportfutási időt érdemes nézni.
Tisztelt Fórum tagok,
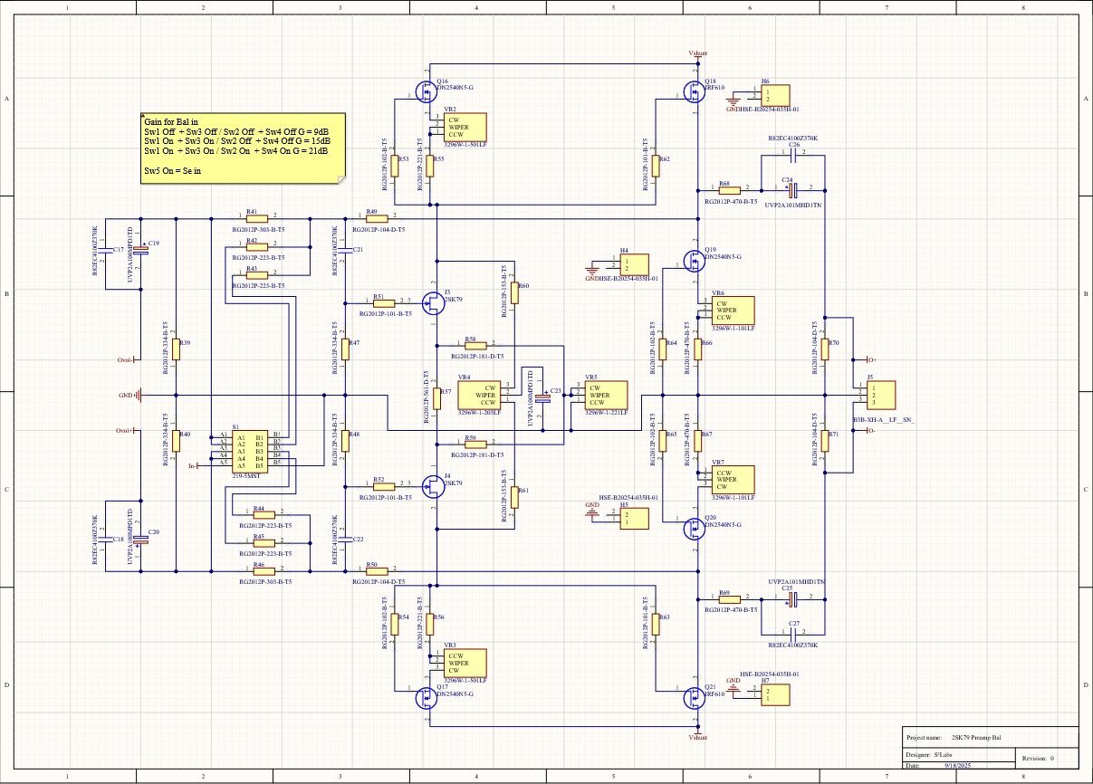
lehet nem itt kell feltennem a kérdést de sok olyan tagot látok itt akiknek a munkái önmagukért beszélnek. Kérdésem: mivel lehet helyettesíteni a 2SK79 fet-et. Melléklem az előerősítő kapcsolási rajzát. A 2SK79 és a 2SK879 adatlapját mint javasolt alternatívát. Mi fog történni ha a 2SK879 kerül beépítésre? Van jobb megoldás mint az Ebay 100 euro/ pár. Nincs Garancia. Köszönöm a válaszokat.
Vagy itt van két "amatőr" tápegység ahol fehérzaj generátorokat használnak referencia feszültségnek.
Van egy ilyen értelmetlen szokása... Ne várj többet, nem kapsz. ( Tapasztalat... )
Skorinak meg csak annyit, hogy ne 1 kHz-en mutass be eredményeket, hanem 20 kHz-en. Egyébként, szimulációban a kapcsoló FET-ek jobb eredményeket mutatnak, mint a lateriálisak. Kétségtelen, az előbbiek nyugalmi áram áramkörei bonyolultabbak.
Igen. Én Multisimet használok, ott a tranziens analízis beállításánál van egy olyan, hogy "DC operating point" és a szimuláció elindítása előtt kiszámolja, hogy mi a stacioner állapot. Fojtóra, is meg kondira is. ( Kezdeti feltételek, hiszen egy differenciál egyenletet old meg ) De van olyan is, automatikusan determinálja magát. Szerintem, ezt minden szimulátor tudja.
Ebből annyit lehet (alig) látni, hogy a tápfesz "Vplus". Az eredeti jFET 100V-os, amit kinéztél helyette az 50V-os.
Az IRFP240 3A/V meredekségű, a 2SK1058 pedig 1A/V (se). De a kapcsoló FET-nek ötször akkora a bemeneti kapacitása. A laterális fetet könnyebb meghajtani és egészen biztosan jobb a "hangja", nem beszerezhetetlen és megfizethető árú. A rengeteg változatban megépített kapcsoló fetes végfokom után áttértem ezekre.
Vannak olyan esetek amikor nem lehet megadni a kezdeti feltételeket, mint például itt.
És vannak olyanok is amikor nem akarod megadni a kezdeti feltételt, mert éppen arra vagy kíváncsi milyen tranziens folyamatok zajlanak le addig, amíg beáll az állandósult állapot... vagy mi történik kikapcsolás után. Ilyenkor célszerű kisebb kondikat betenni a szimuláció gyorsítása érdekében.
Ha mondjuk ez a 3.1 változat, akkor a 10.0 egészen biztosan csak részben fog erre hasonlítani. Annyit mindenképpen szeretnék megtartani az Alohából, hogy a VAS folded cascode legyen, a kimeneti fokozat pedig buffer valamilyen fetgörbítővel és átfogó negatív visszacsatolás ne legyen benne. A DC szervó lehet opció, de azt a legvégén fülre kell/érdemes majd "behangolni". A differenciális "üzemmód" szintén ilyen, ha nincs ellenedre, hogy ellopjam (R3, R4-et).
A fetgörbítő lehet akár opamp is, az utánhúzás helyett lehet áramgenerátor, a Zenerek helyett lehet LED, TL431, ellenállásosztó, stb... a variációk száma végtelen, de azt az egyetlent, a legjobbat kellene megtalálni... És még ott van a "félig virtuális föld", amit nem szeretnék kifelejteni és kipróbálni a legvégén. A hozzászólás módosítva: Okt 26, 2025
Van olyan, hogy te adod meg a kezdeti feltételeket, szintén a tranziens folyamat elindítása előtt. Pl: egy kondinál, "initial kondition", beírod, hogy 10V. Akkor az analízishez a "User - definied" funkciót választod.
Ha egy bekapcsolási folyamatra vagy kíváncsi, akkor a "Set to zero" -t választod. Ha a kikapcsolást akarod megnézni, akkor egy kapcsolót építesz be a tápágakba és a szimuláció vége előtt kikapcsolod a tápellátást.
Szerintem nem tudtad, különben nem akarnál operálni kisebb kondikkal. Bocs, hogy segíteni akartam...
A hozzászólás módosítva: Okt 26, 2025
7V alatt a zener 7V felett meg az avalanche hatás miatt van a letörés a Z diódákban. A kettő közül a avalanche hatás termel több zajt, ezért pl. egy 12V-os zener sokkal több zajt termel mint egy 5V-os.
Egyes források szerint akár 15 ... 20 dB-el is többet. A Tektronix ezért egyből egy RC szűrővel kezd a zener után.
Itt egy zajmérés orozat.
A hozzászólás módosítva: Okt 26, 2025
Idézet: „Az eredeti jFET 100V-os, amit kinéztél helyette az 50V-os.” A Sony 2SK79 az egy V-FET, nem lehet helyette JFET-et berakni a megadott áramkörbe...a triódákra hasonlító paraméterei az adatlapon mellékelve. TJ.
Az mcc által kitett méréssorozat szerint a BZX8512C-nek akkora zaja van mint egy zöld LED-nek.
Hatodjára is megmutatom az Aloha kapcsolási rajzát. Ez az egy db Zener van benne. Egyébként engem az sem zavarna ha egy Zener miatt lenne 20 uV zaj a végfok kimenetén. Ez 5e-11 W zajteljesítmény 8R terhelésen. Most nézem, hogy két Zener van benne : ) A hozzászólás módosítva: Okt 26, 2025
Nem néztem milyen FET, de amit írtam az is elég indok, hogy ne legyen jó. Egyébként Te is válaszolhattál volna a kérdésre.
Szervusz Károly,
elnézést a kései válaszért. A döntést meghoztam ezzel az előerősítővel. Úgy építem meg, hogy a fetek helyére első körben tranzisztor foglalatot forrasztok a nyáklap kímélése céljából. A 2SK1058 fogom kezdeni a tesztet.. A kapcsolási rajzot elküldöm az email címedre. András
Mutatnám a szimulációt is, de TG barátom közben össze is rakta a prototípust. Vannak jelentős eltérések a szimulációhoz képest, meg nem volt kéznél komplementer FET páros, így a P FET teljesen más mint az N csatornás. Nyugalmi áram 20mA körüli, kb. itt volt a legkisebb a torzítás..
Mutatom a mérési eredményeket. 8 ohmra egész jó, 4 ohmra rosszabb... De ez még messze nincs készen. A hozzászólás módosítva: Okt 26, 2025
mcc által kitett mérés sorozat ellentmond az általam linkelt-nek leírásnak:
Idézet: „The noise output power is mostly decided by the diode's breakdown voltage. I have used zener diodes with breakdown voltage of 4V(1N749), 5.1V(1N751), 5.6V(1N752), 7.5V(1N755), and up to 12V(1N759). 12V zener generated noise power is at least 15~20dB higher than that generated by 5V zener.” Ezzel szemben mcc sorozatában a 12V-os zaja töredéke volt a 5,6V-osnak. Nem tudom melyik akkor a valós. Mindenesetre nálad is egy RC következik közvetlen a zéner után, így kicsit sem aggódnék emiatt.
Talán még emlékszel, régebben tervezgettünk DC szervót, ami az mellett hogy a DC hibát kompenzálja, nem visz be időtagot.
Ezt azzal értük el, hogy a nulla pontot nem a GND-ről vettük, hanem a bemenetről. Ez is egy oszcilloszkópból lopott ötlet, mint sok más. Az inegrátorban az 1µF-ot csak azért cseréltem 100nF-ra, hogy lássam hol esik az erősítés. A 100mHz környékén látható 0,01dB-től is kisebb kiemelés a kimeneti fokozatban lévő kondenzátorok miatt van.
Ezt kipróbáltam az akkus előerősítőben és nem jött be. De lehet elszúrtam valamit, megpróbálom megkeresni a szimulációt... de lehet kitöröltem. Valami olyasmi rémlik, hogy feszültségkövető is lesz a DC szervóból és nagyon beleszól a hangba. De semmi nem biztos abból amit írok, érdemes újra gondolni ezt a variációt is, mert amúgy nagy ötlet lenne.
Nincs szükség rá, hogy ezt bizonygasd nekem. Régebben volt olyan erősítő áramköröm amiben a munkapontot zenerrel állítottam be (hiba volt), mert hallhatóan több lett a zaj a hangszóróban. Utána tettem rá 100µF tantálkondit, a zaj kisebb lett, de amikor RC szűrőt raktam be akkor szűnt meg. De a zener amúgy sem egy precíz eszköz, sokkal hőfokfüggőbb mint egy referenciaforrás, és az átfolyó áramtól is sokkal jobban függ a feszültsége. Tény, hogy van, amikor ezek a tényezők nem fontosak.
A berakott rajzaidról nem tudom, hogy mikori dátummal készült berendezéseké, de nem hiszem, hogy a mai áramkörökben, vagy műszerekben diszkrét elemekből épült tápok vannak.
Be lehet állítani úgy, hogy mondjuk 1Hz felett már ne szóljon bele a hangképbe.
|
Bejelentkezés
Hirdetés |







sőt ahhoz talán az egyik legjobb megoldás. 





















