Fórum témák
» Több friss téma |
Sziasztok!
Találtam egy komfort index kapcsolást (ATtiny24-el) . Próbapanelen összeraktam és jól működik. Az lenne a kérdésem, hogy a lehet e módosítani a forráskódot illetve a kapcsolást, hogy a vészvillogót is kezelje. Tehát egy gombnyomásra a vészvillogó a beállított érték szerint villogjon. Lehet egyszerre illetve felváltva is. Előre is köszönöm a segítséget.
Sziasztok!
Boldog Új Évet Mindenkinek! Került a családba egy C Corsa és meglepődve tapasztaltam, hogy bár 2006-os az autó, még nem komfort indexes. Szeretném megcsinálni olyanra, mivel majdhogynem csak városban lesz használva sokkal kényelmesebb lenne. Neten láttam kimondottan komfort modult, melyet az index negatívjára kell kötni illetve biztosítani kell neki egy +12 V-ot, de vajon ez tényleg jó? Van ilyennel tapasztalatotok? Nagyon köszönöm! G.
Szia, esetleg az eredeti cikket be tudnád linkelni? Érdekelne az Attiny programja.
Köszönöm!
Rákeresve a comfort turn signal attiny24 szavakra simán megtalálható a kép és úgy a cikk is mindenestül: Bővebben: Link
Szia!
Amit bbb linkelt az az eredeti cikk. Egyébként a végén nem azt, hanem egy PIC verziót csináltam meg. Működik pic12f629 ill. pic12f675-el is. Most már több mint 4 éve hibátlanul működik. Bővebben: Link
S ez a működő változat hol érhető el? A kép sajnos önmagában sokat nem ér...
Itt megtalálod: Bővebben: Link
Egyébként megvan még az első darab, amit készítettem belőle. Ha kéri valaki odaadom neki tesztelésre. A hozzászólás módosítva: Márc 7, 2023
Köszönöm szépen!
Sziasztok!
Véletlen tévedtem ebbe a topicba, de felkeltette az érdeklődésemet, úgyhogy agyalni kezdtem a dolgon. Egy korábban itt bemutatott kütyümet a program átírásával rá lehetne venni egy ilyen funkció ellátására. Maximum egy nagyobb tápkondi kellene rá. Persze ebből kettőt kellene betenni. Ha valakit esetleg érdekel, közzéteszem a végeredményt ha elkészül. Irányjelzó komfort modul negatívosSziasztok!Találtam az interneten olyan irányjelző komfort modult, ami negatív vezérléses rendszerbe is beszerelhető az irányjelző kapcsoló és a komfort elektronika közé (nincs külön index relé, ez vezérli az irányjelzők villogását is). Csak sajnos már sehol sem rendelhető, és nagyon szeretnék egy ilyet az autóba! Valaki elesteg meg tudá mondani, hogy hogyan tudnék egy ilyen elektronikát készíteni? A bekötési rajzról tudtam egy képet csatolni! Lehet hogy tudok nyomtatott áramkört is készíttetni hozzá rajz alapján, de csak egy kapcsolási rajz alapján is össze tudom állítani az elektronikát hga csak annyi van hozzá! ![]() Előre is Köszönöm a segítséget! Tisztelettel: Dávid
Nézd át ezt a 3 oldalt , biztosan találsz megépíthető kapcsolást ....
Hello!
Én megrajzoltam, hogy kb. mit kellene tenni. Meg kellett volna mérni, hogy az irányjelző kapcsolóra mekkora feszültség érkezik mikor nincs jelzés, és mekkora az áram, mikor a "sárgát" a GND-re húzod. Mert esetleg a tranzisztort és a zöld ellenállásokat ez szerint kellene megválasztani. A kék ellenállásokkal lehet a tartási időt megválasztani. Jelenleg 4..5 másodperc között lesz.
Szia! Először is köszönöm szépen a segítséget még egyszer!
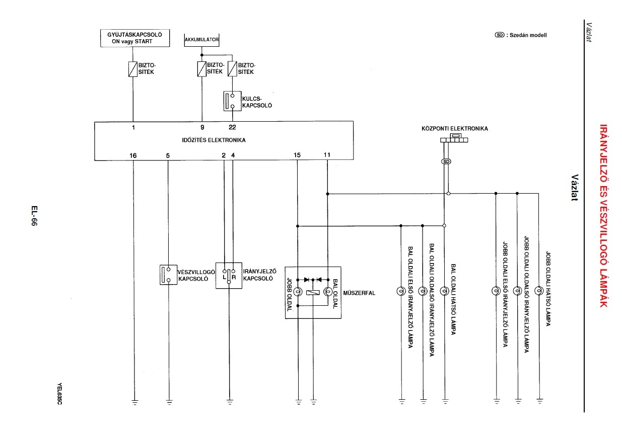
Most néztem az időzítés elektronika 0,4 voltot tart a 2-es és 4-es kimentén. És amikor kapcsolom az egyik oldalra az irányjelzőt, akkor az irányjelző kapcsoló arra a vezetékre 0 voltot kapcsol az elektronikának, viszont ilyenkor a másik odali vezetéken a feszültség leesik 0,23 voltra. Ezeket vettem észre. Az autó egy 2003-as Nissan Almera N16. A hozzászólás módosítva: Jan 14, 2026
Hello! Én az autót nem ismerem, az elektronikáját, meg főképp nem.
De írtam, hogy meg kellene nézni, hogy mikor nincs az irányjelző bekapcsolva, mekkora feszültség mérhető az irányjelző kapcsolókon. Majd mA méréssel megmérni, mekkora az áram ha a mA mérővel "testeled" az irányjelző kapcsolót, és nem a kapcsolóval. Ekkor közben a másik irány érintkező feszültségét is meg kellene mérni. (Mert annak maradni kellene a nyitott kontaktus feszültségén.) Az áramkört pedig először tesztelni kellene úgy, hogy lehúzod valamelyik Y pontot a GND-re a másik Y pontot pedig méred. Az áramkörnek úgy kellene működni, hogy ha az időzítés folyik az egyik oldalon, akkor tiltja a másik időzítő működését ez az idő alatt. Ez azért van, mert ha kiteszed egyik oldalra az irányjelzőt, közben átváltasz a másik oldalra, ne maradjon kint az első jelzés. Ezért tiltja az Y1 időzítő működését a Reset, ha kiteszed az Y2 oldalra az irányjelzőt. Az egyik Y bemenet lehúzása, nem vonhatná maga után a másik Y bemenet feszültség csökkenését. (Ha csak a járműelektronika nem tesz ilyent, de az gond lenne.) |
Bejelentkezés
Hirdetés |


















