Fórum témák
» Több friss téma |
Hali! Na ezek tényleg jó indulnak. Mármint a trafók!!Te Szabi! Az a 3 trafó amit felsoroltál az a Tiéd, vagy csak úgy példálóztál? Mert a 2x17 V az szerintem érdekelne... Bár most az is hogy a fenébe kerül ide hozzám... Na mindegy, végülis nekem elég az hgoy tudom mennyibe van az ára és legalább tudok viszonyítani!
Jah amúgy meg nincs MSN-em ill van, de én nem vagyok online, csak betárcsázós, néha néha... Azt a kis konkdi problémát nem igazán értem Stefan. Az csak egy frekvenciás szűrést végez, nem tudom mi a bajod vele. Nekem nem csinált ilyet. Bár 47 P -at tettem bele. NA hali
nem az enyém, "http://zozoelektronika.uw.hu itt, irj emailt milyen kell, és postázza a srác"
én is tőle vettem egyet 280VA-st 3500 ért + 1240Ft volt a posta de irj neki hogy milyen kell, mert lehet h sőt biztos van olyan is ami nem szimmetrikus! Üdv
Aham az jól hangzik. És tényleg csak annyi a posta költség! Azt hittem sokkal több! NA azt majd akkor megdumálom vele... (csak legyen péznem...)
Hali
Hali!
Na itt van a kis édes. Még nem végleges a vezetékelés. Ha meg lesz hozzá az előfok is akkor dobozolom be... Na milyen?
itt az enyem kicsit szar a kep bocs ...
trafo egyebkent 2*24VAC 2*2.08A 100W sztem eleg jo egyeniranyitva 2*35V ot ad le es ugytunik nemzavarja a 70V a vegfokot sztem 4200 ert megerte a HQ nal
neke dmit csinal ha tekered a trimet nekem minel kisebb a 2ks ellenallasa annal halkabban szol es minel kisebb az 50k annal erosebben meg valtozik a torzitasa kicsit
egy szep szammal probaltam hogy megfigyeljema toriztast(Stairway to Heaven) az erosebb hangok eleg szepen szolnak pl enek vagy az akkusztikus resz de a basszust torzitja elegge meg ha egy pillanatra elhalkul a szam akkor is ha lekapcsolom a feszrol akkor egy ideig meg hasonlo torz hangokat produkal lehet hogy azert mer a tapkondik kevesek? oldalankent 1000µF/63V meg a masik ami erdekes a TIP147 (PNP) jobban melegszik
1000µF igen csak kevés, 10 000 -s kell..
oldalankent gondolod ? azer az arban eleg huzos...
meg 2 3300 as nemlenne eleg?
húzos?? 800 ft kb átlagba 60vos..
lomex..
na beuzemeltem az elofokot is allati jo az egesz csak be kene rendesen alitani h ne torzitson szoval hetfon rohanok lomexbe kondikat venni meg
hutobordat aztan mar csak a doboz hianyzik azer eleg vicces h hozaerek a bemenethez es szo szerint arrebbugral a hangszoro
Hát először is! A 2k2 es trimmeren kellett csak tekernem egy picit... Az 50 es az tényleg valamelyest a hangerőn buzerál. Nekem 2200 µF kondi van benne!!! Nem az a hiba hogy csak 1000 van neked. És figyu már most én azt nem értem,hogy hova neked a 2*24 V-os trafó????
Ez egy sima asszimetrikus erősítő! Ide csak + tápfesz kell.... VAgy te két csatormát építettél? MErt nem értem akkor a tápodat! ... Miért van neked földszimmetrikus táp??? Na majd válaszolgass. Este még jövök... Jah!!!! Led Zeppelin!!!! NAgyon baró vagy! Az már tényleg zene! Főleg a Stair Way! Jah amúgy
azer vettem 2*24 eset mer kisebb cumokhoz is jo lasd tda2030... es +35 ot kotom a +60 ra es a -35 a fold az ugyanaz mintha +70 et kapna
szoval tappal semmi gond mondom cska azt nem ertem h kap egy erosebb jelet leadja szep tisztan a hangot viszont ugy bezorog utana vagy nemtudom hogy irjam le eme fura jelenseget meg halk uzembe is ezt csinalja sztem tuti valami kondikkal van ha nem is a tapban akkor a vegfoknal egyebkent te az elofokot megcsinaltad? de nekem emg pont forditva az 50 es a torzitast buheralja es a 2ks a hangerot !!!! NEMERTEEEEEEM
jo ... megvana hiba
ugye 2ks trimmert kertem a boltba de 1,540 eset kaptam azthittem h jolesz most beraktam egy 100Ksat vele parhuzamba egy 4K7et igy szabalyozhato elvileg 4K ig.. es most jo.... tokeletes a hangja
nagyonjo vagyok lesultek a tranyok
![]() mind1 a ketto tuzforra lett fel perc alatt istenem....... ez nem az en napom,....
Ennek örülök hogy neked is megszólalt!
(ha nem is bírta sokáig) NA Hát mondtam én hogy kell oda a 2k2 trimmer! Az nagyon fontos hogy buzergálj rajtuk, mert azok együtt! állítják be a tiszta kimenetet. Azért is kell rajtuk tekergetni,mert hát úgysem ugyan olyan a két tranyó és valamennyit mindig kell rajtuk állítani; tranyóktól függ! A végeket meg azért igazán rátehetted volna valami hűtőfelületre, neeeem?NA mindegy! MAjd legközelebb! Meg azért lehet hogy a 70 volt az sok neki!!!!!!:eek2: Szerintem! Már csak azért is,hogy a kondik - bár nem tudom neked milyenek vannak - nekem 63 V -ig bírják a feszt. Nem mondom lehet hogy elviselik a 70 V-ot is, de az is lehet probléma... Meg hát így ugye a vég tranzisztor is jobban süt! Jah és nekem is jobban melegszik az egyik , de az nem számít mert én amint láttad is egy bordára tettem alaposan elszigetelve egymásstól és a bordától, így egymást egyformán melegítik! Na jól van hali! Peti. JAh az előfok még nincs... még szigorlat meg miegymás... azután megcsinálom de először a Basszushoz valót, aztán majd a gitárét és majd akár a két előfokot egyással párhuzamba keverőként is beköthetem... Aztán mehet a Rock 'n' Roll Na hali! Peti.
Jah amúgy én is csak egy kis béna bordára szereletem rá! EGy rossz monitor alaplapban volt pár tranyó és azt hűtötte egy közepes méretű borda. Attól nekem nem lesz nagyobb ami a képen is volt csak még teszek rá egy kis proci-hűtő venyát (12 VDC) az is tudod milyen sokat számít rajta!!!
Komoly!
tudtam en hogy kell az a rohadt trimmer raktam is bele csak nem 2k2eset hanem 1k5 osot es kevesnek bizonyult... legkozelebb
egyebkent itt azt irjak hogy lehet 2*25V vagy 50 szoval nemhiszem hogy sok lenne neki meg 70V amugy se megy at a kondikon mer kapasbol egy feszultsegosztoba megy a kakao majd megprobalok enis szerezni egy kis ventit valahonnan, jelenleg csak regi hajszaritobol kiszedett van raktaron az meg kicsit hangos bar hut rendesensok sikert a vizsgakhoz udv!
Sziasztok!
Egy kicsit kezdő vagyok, kellene egy olyan erősítő kapcs rajz ami könnyen megépíthető, olcsó, nem torzít, és 2x30 watt. Előre is köszi!!
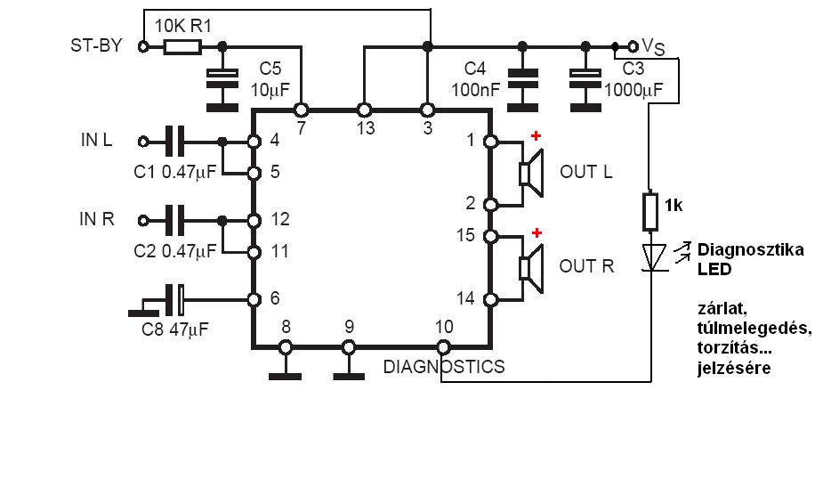
Ha megelégedsz 2x25W-tal @14V akkor van egy egyszerű megoldás: TDA7375
Az adatlapja itt található: [link=http://www.audiosound.info/katlisty/TDA7375.pdf]http://www.audiosound.info/katlisty/TDA7375.pdf[/link] De ha felmész 17V ig akkor már 31-33W, én is itt járatom, lassan 3 éve, jól birja Vigyázz, max 18V-ot visel el!A ST- BY-lába az némitás rajta, ha egy kapcsolót raksz be, és ha azt a lábat lekötöd GND-re akkor elhallgat, ha felkötöd a pozitiv tápfeszre, akkor szól, (mint a rajzon) A kapcsolás meg a mellékletben van.
Nagyon köszi!!
Hali!!
Azt szeretném kérdezni hogy ez az erősítő elmegy e 1db 12V/11A akksiról és ha igen meddig ErősítőITT
Hali!
Ha engem kérdezel elmegy. Durván sztem bő 2-2,5 órát.
köszi a választ eléggé sajnálom ezt atényt:S
ha valaki tud kicsit kisebb wattos erősítöt ami tovább birná ezzel az akkuval annak a segitségét(kapcsolás) szívesen venném!!
ehhez azt kellene tudni, hogy KB hány W -t kellene ? mennyi időre? meg hová? az aksi mibe van hol?
üdv
Ez az erősítő 1 hangfal táska része lenne!!
ezért fontos a 12v/11A mert ez férne be és a súly sem mindeggy A hangfal 60W/4 Ohm os!! Most arra GOndolok hogy elszólna ez alég szépen 40 WAttal is !!PL ha 40W-os erősítő már 5 órán keresztül birni torzítás mentesen akkor vevő lennék rá ![]() bemenő jel meg MP3 palyer vagy mobil!! Idézet: „A hangfal 60W/4 Ohm os!!” ez mit takar?
60wattos
4ohmos Ez 1 SAL Hangfal csak ennyi tudok róla oldalán már nem talláom:S
csá
szem jobban járnál ha 8 ohmos hagszórót raknál bele mert akkor javul a hatásfok --> tovább szól hátránya hogy 8 ohmból 12V Ut-vel 18W nál töbet soha az életbe nem fogsz kiszedni 4ohmon is maxmax 36W szal ehez igazítsd a cuccokat!!! viszont még baj az is hogy csak szimpla +12V van mert azzal csak A osztályú erősítő építhető. az meg zabál ha kell, ha nem (IC-s cuccoknál ez nem probléma TDA, STK, LM esetleg TBA..) hy |
Bejelentkezés
Hirdetés |








A végeket meg azért igazán rátehetted volna valami hűtőfelületre, neeeem?
Komoly!
bar hut rendesen






