Fórum témák
» Több friss téma |
Szevasz!
Láttam, hogy írtad, hogy Subwoofer leválasztó (8ohm) ; tudnál nekem ebben segíteni? Miből áll ez?
Nem nagyon értem. Most akkor a hangszóró elé tettél egy hangváltót? Egyébként ha így van, akkor inkább a hangszóród reccsent és nem az erősítő
Szerintem is a hangszóród xaraxik!Valószinű hogy a lengőtekercs súrólt be a mágnesba vagy valahova.
Igy nem jósolok hosszú életet neki. Üdv:Travolta
Te tudnád csatolni a kapcsolási rajzát ? (a képből itélve nem váltortattak rajta sokat,csak a vég tranyókat ,meg 1-2 ellenálást cseréltek)
Recsegést a védelem tud benne okozni...
Kérlek szépen áll egy szilícium vasmagos tekercsből, mai elég nagyocska meg áll egy 188µF 50WV-os bipoláris kondiból!A kondi párhuzamosan, a tekercs sorosan van bekötve!A kedvedért szét is szedtem és lefényképeztem!Igaz csak telóval készült de látszik a lényeg!
Bizti hogy nem a szóró a hibás, mert mint írtam, bekötöttem elé egy leválasztót, kihajtom csutira és gyönyörűen morog!
De köszi azért a hozzászólást!
Tudnám, megvan, csak valahogyan digitalizálnom kellene!
Sajna scanner-em nincs de ismerősömnek van!Ha eljutok odáig, te leszel az első, aki megtudja! Nem felejtem el!
Csao! 30V szimetrikusról. 40W teljesítményre képes a quad. Ha érdekel, van Quadról egy pár gyüjteményem. orosz oldalakon találtam olyan Quad kapcsolásokat ami Fettel, vagy Darlingtonnal volt felpörgetve. Egyébként alapból gázosak az egység csomagok. Nagyon a határon vannak a félvezetők, ezzel a hibával küszködök éppen, bár némileg már sikerült kiküszöbölni a problémát Gondolok itt a végtranyókra. BD242C-BD249C Uce=100V és éppen ennyit kap ha rácsatolunk + -50V. én azt ajánlom a fenti félvezetőkhöz elég a + -40V. Nekem hosszas hajtás után mindig elszált valamelyik... Vagy van még egy megoldás :japán tranyók 2SD1047 stb..
Ha valaki jó Quadot akar építeni javasolt válogatott alkatrészekből építeni.Én kb 10 éve építettem egyet és azótaa kifogástalan pedíg volt használva elég rendesen persze jó hangfalakkal mert nem csak azerősítővel kell hangerőt csinálni
Én a végtranyóknak Tesla tipust alkalmaztam nagyon jók a japán meg sem közelíti a strapabírásban őket igaz nem tudom még kapható-e.Még ami fontos élesztés után be kell állítani a nyugalmi szintet a tekercsek hangolásával azért lényeges a két oldal alkatrészei egyformák legyenek.Az 2 db 560Ohmos és a 2db 1K Ohmos 2w-os ellenállásnak pedíg Orosz gyártmányú jön be a legjobban!Birják a melegedést nem kényesek!
Valakinek nincs a QUAD405 200W-os végerösitöhöz kapcsolási rajza?És mi a véleményetek rola?
Természetesen van 200W-os quad, de azt tudni kell, hogy a +/-50V-os tápfesz miatt az csak 4 ohmon adja le a kétszáz wattot, 8 ohmon csak normál 100w-os quad-ként szól. Nekem ilyenem van, és meg vagyok vele elégedve, lényegében ugyan úgy szól mint egy szimpla quad, nem roszabbul. Ha kell, küldök kapcsolási rajzot, nyáktervet is. A lényeg, hogy a kimeneten oldalanként +2 db végtranzisztor van, egy emitterkövető ellenállással, plussz a végtranzisztorok kollektoprában a 0,091 ohm, illetve 0,1 ohm helyett kisebb ellenállás kell.Szép amit a végtranyókhoz írtatok, de van egy egyszerűbb, olcsóbb, és 100%-ban megbízható (és beszerezhető)megoldás a 2N3773. (14 éve kifogástalanul műxik) Nézzétek meg az adatlapját. :yes:
Teljesen igaz! A ruszki passzív alkatrészek elnyűhetetlenek (majdnem), és hihetetlen olcsóak.
Teljesen igazad van a 2N3773-mal, csak az én quad verzióm vége (az "A" osztályú rész is át lett alakítva)szimetrikus kialakítású ezért komplementer tranyó párokat igényel ! És sajna a 2N..-nek nincs komplementer párja....
Csá szerintem a quadba nem kell sok alkat rész ahoz képest hogy milyen jó a hang minősége de énse nagyon kedvelem mert nagyon melekszikminden benne meg gyenge
mellesleg a 32+- tráfó elvileg jó csak akkor lehet hogy fuladni fog pl 50vton 100w,32vton 70-85wközöt
Nekem megvan és nagyon király!
Hali!
Quad tuning rajz kéne nekem kb. 200-400W-ig. Ha van valakinek ilyen rajza, el tudná nekem küldeni? Nagyon megköszönném. Előre is köszi. Roland
200W 4 ohmra +-50V-al egyszerű. Küldök rajzot is otthonról. A lányeg plussz végtranszisztor, és a végtranzisztorok kollektorában lévő ellenállásikat kissebre kell venni, hogy nem limitálják le az áramot korán, ezen kívül a paralele kapcsolt végtranzisztorokhoz kell még emiterhez egy kisértékű ellenállá (emitterkövető), mondjuk 0,1ohm (ez könnyeb beszerezhető. Igy rajz nélkül is meg lehet csinálni... de nézz körül, mertvan már quad-ról más topicbanvc szó, és sokan sok jó tuningról írtak.
Apropó..miért nem szeretik sokan a Quad hangját, leagább is ezt álltják. Mostanság divat utálni mindent ami nem MOSFET, meg Cső, vagy nem minimalista? Vájtfülnek lenni a trendy manapság? Éljenek az NDK germániumtrantzisztorok!
Itt az általam használt NYÁKk, kapcs. rajz, beültetés. Szerintem jó. Ez csak a 100W-os verzió, majd küldom a 200W-osat is.
A védelem. Urbán Pityu után szabadon...
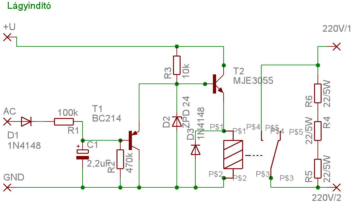
Itt pedig a lágyindító...
A kész panelekről is küldök fotót, de nincs digi. kamerám...majd kérek kölcsön
Csá .
Tda 1524 hez kapcsi rajzotok volna sos
nyák van..
a kapcsrajz hozzá még itt: RTÉK ’92 ha nincs meg az rték az meg itt: http://torrenttanya.podzone.net üdv
Sziasztok!
Építettem egy quad-ot, minden sikerült, jól szól, de mivel végerősítőként mindenféle előfok és hangszín nélkül használom, van egy iszonyatos brummja, ami megszűnik ha az RCA bemenetről lehúzom a kábeleket. Mivel már nem jutok semmire, szeretném egy profi szakember segítségét kérni, megfelelő díjazás fejében, aki megszüntetné ezt nekem. Telefonom 30/5608578 vagy emailben is kereshetne.
Sikerült összehoznod egy földhurkot! Csillagpontos földelést alakíts ki. Itt a fórumon egy kis kereséssel megtalálod hogyan kell. Továbbá használj megfelelően árnyékolt kábeleket.
Azthiszem a TDA2030-as totyikban volt thema. Ha mindezek után sem szűnik meg a gond, csökkentsd a bemenet és a föld közötti ellenállat értékét (ha meg nincs, akkor tegyél). Egy belső fotó után többet tudok mondani... bár szerintem a csillagpontos földelés megoldja a gondot.
Szia!
Igen tudom, hogy földhurok, csak azt nem tudom hol. Elképzelheő, hogy a tápcsatiról lejövő hátlapra csavarozott föld a ludas?
Többször végignéztem a képeket... sanos sok az azonos színű kábel.
A földhurok akkor alakul ki, ha pl. a végfok földjét átvezeted az előfokon is. Ekkor a végfokozat felől áram folyik az előfokhoz. A lényeg az, hogy nevezz ki egy pontot valahol a házon belül, ez lesz a csillagpont... Ide kösd be külön kábelekkel az összes földet. a lényeg, hogy a kábelek csak ebben a pontban találkozzanak. A hátlapon kialakított test, tökéletes lesz erre a célra. A jobb és bal oldal végfokjait is külön-külön kábelekkel vidd a csillagpontba (sokat fog javulni az áthallás csillapítás). A csillagpontból pedig egy kábel a táphoz. Nem tudom jól láttam-e, de úgy tűnt, hogy a házat, és ezáltal minden áramkört a hálózati földre kötöttél. Ha így van azt felejtsd el gyorsan, mert az is jelentős zajforrás. Földelés helyett, inkább kettős szigetelést használj, érintésvédelmi szempontból erősítőknél. Sok sikert! Szép munka!
Köszi!
Elhatároztam, hogy akkor már kicserélem a régi 10+ éves kondikat is, és lementem a Lomexbe. Kiderült, hogy 10 év alatt a kondik töpörödtek vagy 10 centit és a böszme narancsszínűek amik a képen láthatóak most 4 cm magas, 3.5 cm átmérőjű nyákba forrasztható kondikká váltak. Most gyártanom kell egy nyákot, de ebbe mostmár 4 db 10000 µF kerül nincs mese. Szerintem azok is a negyed kapacitásra száradtak az évek folyamán. Nagyon köszönöm a tanácsokat, meg is szüntetem a földelést a tápcsatinál.
Hali!
Úgy látom Quad-od földelt, 3 eres kábellel táplálódik ami a házra van kötve(mármint a föld), és valószínü h a test is a sasszin van. Mármost, ha a jelforrásod is földelt, és az ő teste is a házon van(természetesen), akkor az RCA-n már létre is jön a földhurok!
Igen, ezt fogom ma megszüntetni, csak előbb legyártom a nyákot a kondiknak. Kérdés, hogy van-e értelme 4 kondira tervezni, mert a méret miatt így is beljebb vagyok, elfér, tehát ha később kell, be tudnám forrasztani a másik kettőt is.
40000µF több mint elég egy Quad-nak. Viszont, ha már 4db-ot raksz össze csináld úgy, hogy mindkét csatorna külön kondikat kap.
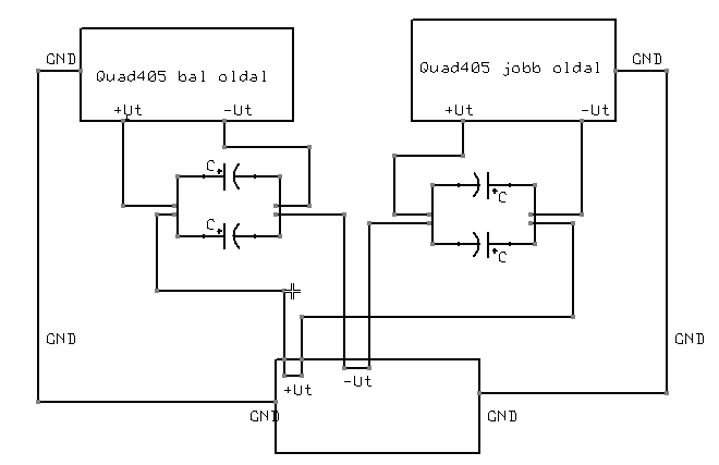
Vagyis csak két kondit párhuzamosíts, mindkét oldalhoz. A jobb oldali csatornán szemléltetve: vidd a két kondit minnél közelebb a végfokhoz, hogy minél rövidebb kábel szakasszal keljen a kondit a végfokhoz kapcsolni. Aztán a kondit meg kösd közvetlenül a tápba. A másik oldalon ugyanazt játsz el... a lényeg hogy mindkét kondi közvetlenül fusson be a tápba, igy sokat fog javulni az áthallás-csillapítás a két csatorna között. Rajzoltam egy bekötést... itt van a mellékletben. Jó randa lett, de a lényeg érthető szerintem. Ja az alsó négyzet a Tápot jelképezi! |
Bejelentkezés
Hirdetés |





Én a végtranyóknak Tesla tipust alkalmaztam nagyon jók a japán meg sem közelíti a strapabírásban őket igaz nem tudom még kapható-e.Még ami fontos élesztés után be kell állítani a nyugalmi szintet a tekercsek hangolásával azért lényeges a két oldal alkatrészei egyformák legyenek.Az 2 db 560Ohmos és a 2db 1K Ohmos 2w-os ellenállásnak pedíg Orosz gyártmányú jön be a legjobban!Birják a melegedést nem kényesek!






















