Fórum témák
» Több friss téma |
Fórum » Erősítőhöz való hangsugárzó védelem (koppanásgátló)
Témaindító: Thom, idő: Márc 14, 2006
Témakörök:
Azt tudom h a quadban van túláram védelem pont ezért nem jó 4Ohmra +-50 V-on.Csak én egy kész kapcsolást szeretnék csinálni ami kiold egy relét rövidzárkor.Ezt a kapcsolást végfoktól függetlenül tudnám használni bármely erősítőben.És egy fórum nem arra való h ötleteket adjunk a másiknak és segítsük?Vagy arra h a nagycsoportosok röhögve járjanak a kiscsoportosok körül?... Én valami komparátorban gondolkodtam, de nem tom a komparátor mennyire jó áramfigyelésre? Csak feszültséghez használtam eddig.
Hello!
Nem "röhög" itt senki, senkin. Én pláne nem! Csak felhívtam a figyelmedet az ellentmondásra. De most is visszakérdeznék. Mia különbség, a feszültség és az áram között? Az áramot is, kevés kivétellel, úgy mérjük, hogy egy ellenálláson mérhető feszültségesést dolgozunk fel. A különbség annyi, hogy a veszteségek csökkentése érdekében, kisértékű (shunt) ellenálláson tesszük ezt, tehát kis feszültségesést is kapunk eredményül. De ez is feszültség lesz. üdv! proli007
Szia!
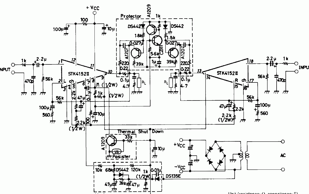
Ezt nézd meg! innen tudsz ötletet meríteni. Ez a gyári ajánlás az STK IC-khez amiben szintén nincs gyárilag védelem.
nos. köszönöm a bátorítást, és NEM fogom feladni..
![]() szóval csatolom a lewi.jpg ben a leg utóbbi bekötést, ezzel is ugyan azt produkálta: mind a 3 led világít, és nem szól.... szóval ez van itt a többi képet is mutatom a védelemről. köszi minden további segítséget is... lewi
lewi, könyörgöm, a képek, CSAK képek...
Méricskélni kellene, hogy hol van hiba, de ezt már Proli007 is írta:Bővebben: ITT Üdv
Hello!
Mind a három led, csak akkor világítana, ha a végfok el van szálva, és a kimenetén ott lenne a minusz táp. - Az kapásból látszik, hogy a váltó bevezetése nem jó, mert két Graetz van. A váltót a védelembe úgy kell bevezetni, hogy egy 1µF-os kondin keresztül, és a kondi mögött, egy diódát kell a GND-re kötni úgy, hogy a katódja álljon a GND felé. (Már Szabi is szólt, de oda sem figyelsz!) - A Clip led akkor világít, ha a T5 tranyó nem söntöli. Tehát nem Jó tranyót tettél bele, de leginkább nem jó a tranyó bekötése. Esetleg a C4 kondit fordítva tetted be. üdv! proli007
Megvan a hiba!!!
Tükrözted a nyákot? vagy filcel rajzoltad és azért fordult meg a nyák, szóval ez a baj így kellene lenni-e: Kép: Hivatkozás Tied pont az ellenkezője :yes:
az értem, hogy szólt szabi, de egyáltalán nem értettem, hogy mire gondolt...
ezen felül, elnézést, írni szerettem volna az előző hsz be, hogy nem 30.1V ot kap, hanem csak 28-29 et + ban is, és - ban is... a váltót majd még még 1* átértelmezem, a c4 kondit mindjátr megnézem.
tehát használhatom a végtranyó és a kiment közti ellenállást shuntnak?és az ezen eső feszültséget használjam fel? rövidzárkor van a legnagyobb feszültség esés ugye? és akkor ezt az értéket kellene folyamatosan hasonlítanom valamihez?mikor átlépi a max beállított szintet a feszesése,akkor kioldana a relé. Ez mennyire használható gondolat menet?
igen.. tükrözve lett a nyák, nem lett jó :S
majd, ha lesz pénzem, akkor elmegyek veszek nyákot, meg ezt a pár forintnyi alkatrészt, és újraépítem... köszönöm mindenkinek a segítségét. ha kész az új feltétlen szólok.. ui: a váltót azt így kell akkor bekötni?
Alapban, minden erősítőben vannak emitter ellenállások, a nagy wattos ellenllások, amiken alapba esik fesz. HA te beteszel egyet a hangszóróval sorosan, azon is pluszba fog esni fesz. Csak a emittert fiygeld mind a gyáriakban is ami van.
Itt a rajz:Bővebben: Link Q9,Q10, D10,D9, R19,R18, R20,R21, a védelem pár forintnyi cucc, de sokat ment meg ha baj van.Véletlen.Csak a baj erősítő függő dolog.Minden paramétere változtatja.Kimenet teljesítmény, emittre ellenállás mérete, a lényeg visszaszabályozza a végfoktranyókat ha baj van, rövidzár a kimeneten.
Sziasztok!
Bocsi, előző hozzászólásomból lemaradt a melléklet!
Hello!
Tranyós áramkörnél nem kell új panel. - Kiveszed a tranyókat, a bázist árlököd a másik oldalra és visszateszed. - Megnézed az elkókat, hogy jó polaritással vannak-e bekötve. - Megnézed a diódákat, hogy a katód arra áll-e, amerre az elvi rajzon van. üdv! proli007
Hello!
Igen használhatod így, csak figyelembe kell venni, hogy a shunt ellenállás, közben "rohangál" a kimenettel fel-le. Ezért Lapose által belinkelt kapcsolásnak is a "közös pontja" valahol a negatív tápon van. (És csak a pozitív félperiódusban létrejött túláramot figyeli, persze ez bajnak még nem baj.) üdv! proli007
hali!
én ezt használom igaz nem sok vissza jelzés van rejte de nagyon egyszerü és megbizhato cucc csak asszem a Q2 Q3 talán fel van cserélve de már nem emléxem... annak idejém kb 2x8 at csináltam belőle mert nem akartam hogy ha jobb oldalon gáz van akkor le ölje a balt is. de amugy teljesen jól müxik még gondoltam rá hogy ki kéne egésziteni clip el meg a traforol jövö AC val de igy is szupi kis cucc.
ügyi vagyok most nézem hogy a lényeg lemaradt
http://tetye.hu/rajz.jpg
köszi szépen, én is erre3 gondoltam...
de inkább már csak azért is megépítem a másikat.
sziasztok
most csinálom a védelmet újra, és lenne hozzá egy kérdésem: ha én ezzel egy nyákra teszek egy trafot, ami egy külön áramforrás a többi cucchoz az ugye nem fog bezavarni neki. én itt a közelségre gondolok.. előre is köszi... lewi
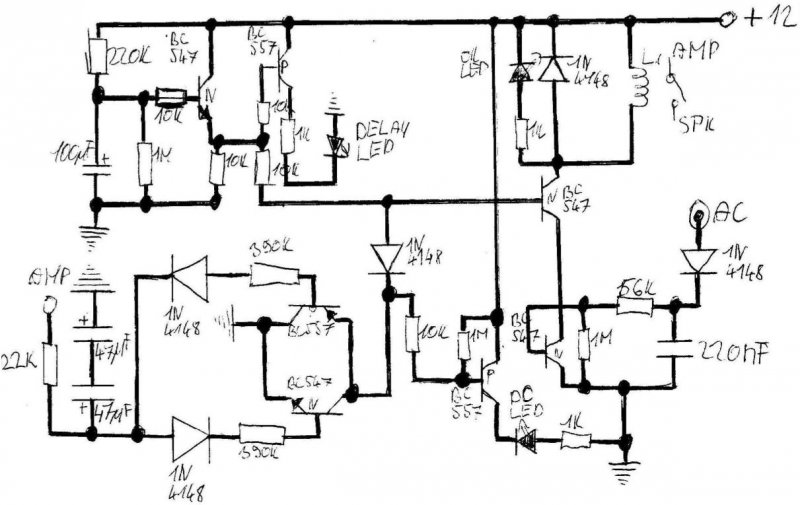
Csináltam egy minimálkoncepciót, az aktívmélyemhez a protect.gif alapján.
Amire figyelni kell, hogy a relé behúzótekercsének ellenállása 5-600ohm legyen, akkor biztosan jó. Ha pl. 2500ohm, akkor valószínű, hogy nem fog elejteni, mert a protect LED miatt így is 12V körüli feszültség marad rajta. Az 5,6k úgy van méretezve, hogy kb. 5mA folyik a LED-en, elég fényt ad így is. Ezen lett így sporólva egy tranyó. A másik a saját egyenirányítás és kis puffer miatt maradhat el, azonnal elejt így is. A clip meg nem hiányzik. A + küszöb nekem is 5V körül van, a - még rosszabb kb. -18V-nál biztos lekapcsol, de nem lényeg szerintem ez is megvédi a hangszórót. Szóval, ha valaki nagyon egyszerűt és kicsit akar, akkor hajrá. Üdv Inhouse
Sziasztok!
Van egy 2*120W-os erősítőm és azt a hangszóróvédőt szeretném beleépíteni ami a http://majki.freeweb.hu/ oldalán van. Csak nekem ez el kellene hogy bírja a +-50V-os feszültséget is. És sztereóba kellene. Ha valaki tudna nekem segíteni az írjon. Előre is köszi.
Helló!
Szerintem egyszerűbb lenne már erre a feszültségre méretezett védelmet használni. +-50V-os védelem például Skori védelme a quadhoz. Van belőle tranyós, és a lap végén egy fetes verzió is. Link Üdv, Arpy
Hello!
Természetesen segíteni is tudunk, ha elakadtál, szóljál. Üdv! proli007
Köszönöm szépen a segítségeket. Majd a jövő hónapban megépítem és ha nem megy majd valami akkor írok.
Mégegyszer köszi.
Oké, de a válasz gombot használd, légy oly kedves!-------------------------------------------^
üdv! proli007
Sziasztok !
Gondoltam nem nyitok új témát, ha már egyszer van valami ilyesmi. Mellékeltem egy kapcsolást, (hangszóró védelem) DC figyelés , és hangszóró bekapcs. késletetés a szerepe. Kíváncsi vagyok véleményetekre.
Most nem mondod, hogy eddig ezt itt nem láttad?
Üdv Inhouse
üdv ujra a topikban
![]() Lenne egy kérdésem az általam korábban linkelt védelmet kicsit át variáltam, AC nélkül ne kapcsoljon be ,és vissza jelezzen aig késlsltet(DELAY Led"sárga") és a DC védelmet(DC Led"piros"), továbbá ha minden rendben azt is jelezze(OK Led"zöld"). Csak abban nem vagyok biztos hogy tökéletesen müködne ezért mielőtt bele vágok a megépitésbe gondoltam inkább megkérdezem töletek. Nos mi a véleményetek? Müködöképes lehet?
Hello!
Itt azért nem felhőtlen az élet. - A késleltető tranyó bázisában , 220k/1M osztó van. Tehát a bázis nem tud felmenni a tápra. Plusz a bázis-emitter nyitófeszültsége 650mV. A tranyó bétát és a 10kohm-ot figyelembe sem véve, a tranyó emittere több mint 2,6V-al lesz alacsonyabb mint a tápfesz. Tehát a betett PNP tranyó állandóan nyitva lesz és a DELAY Led folyamaotosan jelezni fog. - A relémeghajtó tranyó bázisában elhelyezett dióda maradékfeszültsége (nyitó irányú feszültsége) miatt, nem biztos, hogy a DC érzékelő tranyók le tudják zárni a relémeghajtó tranyót. (A hivatkozások egyértelműbbek lennének, ha az alkatrészek pozíciószámot kapnának. Felétek nem jelölik az emittert? ) üdv! proli007 |
Bejelentkezés
Hirdetés |














