Fórum témák
» Több friss téma |
A Vidi EA 7386S kapcsolását használtam fel alapnak. SAS szenzor IC-vel vezérelve. De igen, az SE 260 is erre épült.
Én már használtam ilyet. Van hangja, de nagyságrenddel csendesebb a klasszikus relékhez képest. Ha bedobozolod, szinte nem is hallatszik. Koszolódni meg nem tud, mivel teljesen zárt.
NEM sztatikusan, húzz ki mindent az erősítődből (ha földelt a doboza) utána fogd meg a tv...dvd házát meg az erősítőét lehet megrázó élményben lesz részed.(ha nem akkor a TV-t DVD-t dugd be fordítva ill kösd rá a kábeltv antennát.) Oka a kapcs üzemű tápok zavarszűrés vagy egyéb okokból egy egy kondival a házra van kötve a hálózati csati egyik/mindkét vége,ez ugye 110V ,mivel kettős szigetelésű ezért nincs leföldelve,az erősítőd meg le van testelve.A két test viszont a hangfrekis kábelen találkozik,ezért összerakás után ez már nem jelentkezik.
Ha bedugott állapotban csatlakoztatod az RCA dugót és a közepe érintkezik először 110V ot kap az ic bemenete kb 10... nF kondin keresztül.Na ha ezt kibírta akkor esetleg még a kábeltv antena testjén jön a többi. Számítógép meg fordítva az erősítőd a kettős szigetelésű 110/220V a házon a sz gép meg testen.... Erősítőt meg minden egyébb hangfrekis dolgot ha csak lehet KIHÚZOTT konnektor mellet ajánlatos csatlakoztatni. (Nekem is egy bemenő fokozatom bánta .Azután kezdtem keresni az okot amikor a második bemenetem is látszólag ok nélkül kipusztult)
Van több lehetőség is , ahogy írod , én csak figyelmeztetni akartam a gyengéjére röviden .
Te részletesen körüljártad a lehetőségeket . Már okoztak ilyen hibát , azzal is , hogy az erősítőbe bedugott RCA kábel a képcső előtt lógott és a TV-be csatlakoztatáskor végzett az IC -vel..
Sziasztok! Szeretnék én is építeni egy dig. bemenetválasztót. 4 bemenet relével amiket tranzisztorok kapcsolgatnak és ezt egy jhonson számlálóval szeretném meghajtani, 4017 vagy 4022.
A probléma az hogy a boltos srác műanyag ruhákat hord, még nem sikerült működő 4017hez jutnom, 4022-t pedig nem tartanak. Van-e valakinek valamilyen ötlete hogy kiváltsam 4017 olyan kapcsolásra ami kevésbé érzékeny a tapogatásra?
Ha jó a PIC-es változat is akkor: Bővebben: Link
Szia! Egy nyomógombbal szeretném léptetgetni a bemeneteket, mert nagyon szép az a gomb és nagyon drága is... és csak egy van belőle...
Sziasztok!
Én "tervezgettem" egy bementeválasztót 4017-es icvel, +4066 al ez azért nem jó mert ha jelet ad a 4017es a 4066-nak akkor az nyit de ha tovább léptetem a 4017est attól még nyitva marad az '1es" bemenet. ha valaki tudna segíteni várom az 5leteket később rakok fel kapcsrajzot is.
Sziasztok!
Érdekelne, kinek, mi a véleménye a mellékelt bemenetválasztási módról. Egy régi könyvben találtam (Bikki János - Ujjgyakorlatok hangfrekvenciás kapcsolásokon,1988), sok hiba van benne ugyan, de érdekes megoldásokat is mutat. Nem tudom, hogy a digitális cmos IC hogy viselkedik analóg (és főleg audió) környezetben...
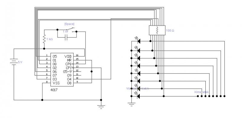
A kapcsi amit ígértem! a "kimenetek" -től gondoltam tranyókat hajtanék meg és azok engednék át a hangot bár jobban örülnék valami icfélének.
Várom az ötleteket A kacsi: a 4017es counter a space nevű kapcsoló(gomb szerepet tölt be) hatására a clk bemeneten kap impulzust és ennek hatására léptet 1et ha még egyszer megnyomjuk a gombot léptet a következőre ésígytovább
Üdv! ez az ic hasonlít a 4066-hoz. én ezzel akartam csinálni bemenetválasztót a gond az volt hogy mikor próbaképp összeraktam a 4017-es IC küldte a jelet az 1-es csatornára hogy zárjon zárt is, de mikor továbbléptettem 2-es csatornára az 1 csatorna is zárva maradt "nem nyílt ki". EWB532ben leszimuláltam ott tökéletesen működött. nem tudom mért nem jó. na mind 1
a kapcsolásodban azt nem értem minek van mindegyik bemenő jelre rákötve (+Ut)?
Még nem csináltam meg, a könyvben egy sokállású kapcsoló, vagy SAS érintőkapcsoló IC vezérli. Jelenleg egy 5.1-es előerősítőhöz tervezem ezt (3x TDA1524), digitális poti ICk-kel (DS1669) hadrendbe állítva. A vezérlést egy darab digitális potméterrel oldanám meg (nem tudom a pontos nevét), aminek a tengelye egy nyomógomb is egyben. HA sikerül PIC-es megoldás lesz, ha nem akkor cmos IC-k tömege...
üdv mindenkinek
Kicsit érdekesnek találom,hogy nemtudtok hozzájutni LC7818 as ic hez,nálunk szlovákiában anyit lehet belöle rendelni amenyit csak akarok.2 euró darabja.Utángyártják öket de jól üzemelnek.3 erösitömben ilyen ic kapcsolgatja a bemenö jeleket már kb 4 éve.Az épp igaz,hogy találkoztam én is olyan dologgal amit nálatok lehetett kapni,itt szlovákiában meg nem.
Hello! Ezt a bemenet választó IC-t, lehet-e valami mással helyettesiteni? Vagy esetleg átlehet-e kötni az erősitőben, hogy csak pl. AUX mennyen? Köszi!
üdv
Kiforrasztod a rossz ic t,azután kikeresed az ic hején az aux bemenetet amit áthidalsz az ic kimenetére.A kimeneteket meg a bemeneteket is megtudod álapitani az integráltáramkör adatlapja szerint.Minden probléma nélkül átköthetö,mivel ez a z ic nem végez erösitést csak csupán bemeneti választó.
Köszi szépen, "életet" mentettél!
Magyarországon 2 helyen találtam csak ilyen IC-t, nem valószinű hogy ott is van raktáron, de addig is használható lesz az erölködő.
A napokban hozzám került egy Siemens RV200-as erősítő, amiben ez az LC7818-as a bemenetválasztó.
A hibajelenség: az egyik oldal (L) rettentően torzít, kivéve monitor állásban. Nem a végfokkal van a baj, mert a vonali kimeneten már torz a jel, és a bemenetválasztót kihagyva vonali bemenetről hajtva a végfokot egészen türhetően szól. A bemenetválasztó lehet a ludas, mert rámérve az OUT1 lábon megjelenik közel a negatív tápfeszültség is a hasznos jel mellett. Ez csak monitor (tape1) állásban tűnik el. Arról a bementről nem is torzít az erősítő. Az IC mehetett tönkre, ne is bogarásszak tovább?! (Sajnos kapcsolási rajzom nincs az erölködőhöz.)
üdv
Azt az ic t nyugodtan kicinezheted és el is dobhatod.A megoldás:összekötöd az 1,2,3,4,5,6,7 lábakat egybe,aztán a másik csatornának pedig a 24,25,26,27,28,29,30 lábakat egyben.Igy akármejik bemenetet fogod használni,mindegyik fog üzemelni átkapcsolás nélkül,rossz csak az,hogy egyszerre csak egy dolgot tudsz a bemenetre kötni.
Köszönöm a választ, kidobtam az IC-t.
Ideiglenesen így fog működni, a phono bemenetet persze kihagytam az összekötésből, ne növelje a zajt. Mivel így elég korlátozottan használható, ezért valahonnan megpróbálok majd szerezni ilyen IC-t.
üdv
Azt jóltetted,hogy kihagytad,el is felejtettem hogy a phone nemkell.Azon csodálkozok csak hogy nálatok probléma a 7818 beszerzése,hisz nálunk szlovákiában 2euró darabja és gond nélkül rendelhetö.Van az sos nek is,az pedig úgytudom magyarban is megtalálható.Nekem beváltak ezek az ic k,eröszeretettel alkalmazom saját épitésü erösitöimben is.
A magyar S.O.S-nél nem volt, de találtam egy darabot a Mikrovillnél. Holnap postázzák.
Remélem valóban csak ez a gond, és így már nem lesz probléma a forrásválasztás.
Megérkezett az IC, beforrasztottam és kitűnően működik vele az erősítő. Hálás lesz a haver
üdv
No ennek örülök,tudtam én ,hogy csak az lehet a rossz.Ezek az ic k érzékenyek e bemenetükön lévö jelekre,hiába van leválasztó kondenzátor akkor is könyü besütni ha rossz jelet kap(egyenfesz meg hasonlók).
Üdv!
A kérdésem a következő: Tud valaki olyan IC-t ami olyan mint a tda1029 csak könnyebb beszerezni? Annyi lenne a lényeg, hogy 4 csatornát tudjon kezelni (sztereo) és PICcel megoldható legyen a vezérlése és en legyen túl drága (2000HUF>X). Köszi előre is!
tudom, hogy relékkel is meg lehet oldani, de takarékoskodnom kell a hellyel meg a pénzzel.
ha nem tudtok jobb megoldást akkor keresni fogok valami DIPes relét. csak azok is drágák... |
Bejelentkezés
Hirdetés |











