Fórum témák
» Több friss téma |
hi!
kitben vettem...és közben én is rájöttem,hogy ez volt a hiba . a bekötési rajzon meg a panelon nem egyezett a táp bekötése, ezáltal fordított polaritást kapott, az ic meghalt. kicseréltem egy újra,most már működik. legalább elismerték, hogy ők hibáztak, és adtak egy másik ic-t ingyen. amúgy nem volt gond, h a 14-15-ös láb össze volt kötve,mert a 15-ös lábnak semmi szerepe nincs(ahogy már a kollega is írta). azért elvágtam szikével a fóliát, biztos ami biztos ja, és a standby jumpert rá kellett tenni... köszi mindenkinek a segítő szándékot!!!! EE
Helló mindenkinek! Szerintetek milyen biztosítékot használjak, és hova tegyen? A 230V és a trafó közé vagy a trafó illetve az erősítő közé?
Trafóm adatai: Torroid (leválasztó trafó vagy mi) Pri: 230V 50Hz 50VA Sec-I: 12V 4,2A Előre is kösz.
Üdv.
Én a trafó elé tennék egy lassú, 200mA-es biztosítót. Ha gond van a szekunder oldalon, akkor úgyis elolvad. De a legkorrektebb megoldás, ha raksz a szekunder oldalra is biztosítót, oda jó lesz az autókba való "késes" , két csúszó kábelvéggel könnyen beköthető, oda 5A-es jó lesz.
Hali!
Az ic data sheet-ben a 14-es lábon nincsen ellenállat, csak egyszerűen a + -ba van kötve. Viszont minden más rajzon szerepel ellenállat meg kondi. Ez a láb a standby, azt kérdezném mindenképpen szükségesek e oda ezek az alkatrészek, vagy lehet direktbe kötni az 5,13 lábbal. Ha kellenek oda az alkatrészek akkor megfelel-e a 14-es lábra nagyobb kondi is? (47uf 25V helyett mondjuk 47uf 50V) ha hülyeséget kérdeztem bocsi, kezdő vagyok még. Előre is köszi az infót.
Sziasztok!
Ha ebből kettő darabot teszek egy 12V 100VA-as toroid trafóra akkor akkor sz működni fog ugye? Tehát két kapcsolást hajtanék róla. Valaki használta már LM1036os előerősítővel? Köszi
Szia!
Ha nem akarod használni direktbe kötheted! Ha használni akarod jó helyette a nagyobb feszültségű kondi is!
Igen elmegy róla!
Azt vedd figyelembe, hogy ez az IC 12-15V-ig érzi jól magát!
én nemtudom. Kezdem inkább feladni a dolgot és nézni egy használt erősítőt, 2x építettem meg, egyszer egy kit nyákját másoltam le, megse szólalt, se brumm se semmi, hideg maradt az IC is.
Második esetben okosan az adatlapban levő kapcsolás próbáltam ki, az eredméyn tökéletesen ugyanaz, ötletem sincsen miért nem működnek, megpróbáltam mindent. Megnéztem, mute/standby V+ on van, puffel polaritás helyesen, bemeneten polarizáltalan kondik vannak. Érintkezési hiba nincsen. Kimetek és V3 között közel 1/2 tápfesz, föld és kimenetek között szintén. Minden jó csak simán nem működik. Úgyhogy jah. A végén összeraktam már levegőben is, kíváncsiságból, úgyfest képtelen vagyok elérni hogy csináljon is valamit. Aztán szépen gondoltam egy jó, mindenét összeforrasztottam és bedugtam a konnektorba. Az eredmény : autómata azonnal le, és kaptem egy szép fekete felismerhetetlen valamit meg egy megégett konnektort.... Találtam itt egy "titunak mondott" rajzot, roooohadjon le a lábam nekimegyek v.mkor jövőhéten. HA az sem megy akkor kidobom az összes cuccom és soha a büdös életbe megse próbálkozok ilyesmivel.
Szia!
Ez lenne az első erősítőd? Ha igen mindenféleképpen azt javaslom vegyél egy kittet! Abba benne van minden, panel ,alkatrészek! Ha van valaki a környezetedbe aki tud segíteni kérd meg, ha nincs, mielőtt éleszted, kérj segítséget itt a fórumon! Ezek az IC-k, jók, könnyű velük építeni, de ugyanilyen könnyen tönkre is lehet tenni őket! Elég egyszer fordítva rákötni a tápra, vagy túlfeszültséggel megkínálni menthetetlenül tönkre megy! Ha rám hallgatsz első erősítődnek egy TDA2030-at válassz!
Szia!
Mi alapján csinálod mekkora táppal akarod meghajtani? Beraktam kettő képet Megcsináltam hozzá nyákot ha vasalod akkor nem kell már tükrőzni! Eredeti kép alapján vegyél hozzá cuccot és rakd össze! Ennek működni-e kell! A másik ez ugye hivatalosan 4x11W de ez a kapcsolás hidalva van tehát 2x22W mindenképpen egy oldalas tápról megy nagyon max 18V-ról. 14.4V az ajánlott olyan 50VA körüli táp! Próbáld meg ezt! Üdv PeTi
Hali,
lapose, kösz a segítséget! megépítettem Peti_85 rajza alapján, megy mint álom, és elég neki egy p3-as hűtőbordája venti nélkül!
mi a röfögős ördög??
ugyanezt a kitet csináltam meg és b*szik menni. 12 voltos -feltöltött- akksiról megpróbáltam, éés polaritásra vigyáztam, tuti nem fordítva kötöttem be. mmm.. felrobbanok? IGEN! na mind1.. 1558q útun van, holnap megkapom. aaaaaztán meglássuk lessz e még páka a kezemben vagy sem.
Szia!
Hali mindenkinek!
Én építettem egy ilyen erősítőt, rakok róla egy képet, de vannak vele gondok... Az történt hogy véletlen a 12V-os aksimat fordítva raktam rá, és az egyik 2200µF-os kondi el is szállt... Ekkor jöttem rá a hibára... Felcseréltem, kicseréltem az összes kondit, és az a hiba jelenség hallható, hogy nagyon halk és serceg, de a zenét vmilyen szinten kilehet belőle venni... Az lenne kérdésem mi lehet még a gond? lehetséges, hogy az IC tönkre ment? Vagy a kapcsolási rajz rossz? A segítségeteket előre köszönöm. [mindenféle szükséges rajzot mellékelek...]
A fordított polaritás könnyen kinyírhatja az IC-t. És szerintem azért "szól" halkan, mert csak simán átszalad a zene az IC-n, vagyis ugyanakkora hangerővel szól, mintha rákötnéd simán a jelforrásra a hangszórót. IC cserét ajánlok.
Köszönöm a tájékoztatást...
Ha vkit esetleg érdekel a fejlemény akkor majd írkálok...
Üdv mindenkinek!
Segítséget szeretnék kérni én is építettem egy TDA 1554 Q erősítőt és ha aksiról ha számítógép tápról hajtom recseg és nem tudum miért a bemeneti jelet egy mp3 lejátszó szolgáltatja. Ja kitben rendeltem lehet h. azért ilyen sz.r? meléketem képeket is! Köszi a segítséget előre is!!!!
Hali!
Ennek a kapcsolásnak működnie kell. Esetleg magáról a szerkezetről dobj egy képet.
Sziasztok!
Én is építettem erősítőt ezzel az IC-vel (2x20W-os verziót). 80W toroidrol megy 18800µF puffer. Kb.: 15V tápot kap. kb. 8 éve működik, azóta egyetlen alkatrész nem volt cserélve. Nagyon tisztán szól, semmi brumm vagy ilyesmi, abszolút csendes. Sok mindent kibírt, rövidzárat, 2 Ohm-ot, nyári tűző napon torzításig tekerve szólt órákon keresztül. (egyszerűen nem bírom kinyírni, sztem még 10 év múlva is működni fog )Szóval nekem még soha nem volt semmi gondom vele. Bárcsak a többi erősítőmről is ezt mondhatnám. Üdv: zoka
Sziasztok!
Én is megépítettem párnapja ezt. Elsőre minden hiba nélkül megszólalt. És tényleg jól szól
Sziasztok!
Egy pár évvel ezelőtt építettem egy haverom rajza alapján ilyen IC-vel erősítőt. Egy rossz 2.1-es hangfal lett átalakítva. (egyik fele hídba volt kötve, az volt a mély, a másik kettő pedig a közép-magas) Egész jó volt és még mindig működik, viszont az utóbbi időben hajlamos egyszer csak gerjedni, recsegni (fura hangot ad). Nem tudom mitől van, esetleg ha valaki találkozott ilyen problémával és sikerült megoldania, annak a válaszát megköszönném. Ezek mellett azért a Fórumot bújom még. Most pedig egy hidaltat terveztem az adatlap alapján. Esetleg a panel rajzot megnézné valaki. Az "elso.jpg" a panelrajz. Az "1.jpg" és a "2.jpg" a régi erősítő fényképe. Előre is köszi a választ! Üdv Marci
Üdv.
Meg szeretném építeni ezt az erősítőt, csak kicsit másképp, és nemtudom működne e, szóval segítsetek légyszíves. A koncepció az lenne hogy egy sztereó jelet vennék PC-ről, amit egy LM1036n el beállítgatnák *hangerő, hangszín, stb* és ez menne a TDA-ra, a datasheetjében 9. oldalon szereplő 4x11 W-s verzióra. (1,2 lábak) A bonyodalom az benne hogy a PC jelét rávinném megy másik LM1036n-re is, aminek a balance-t lehúznám egyik irányba teljesen, ezt is beállítgatnám, és vinném rá a TDA-ra, viszont azt a 8. oldalon lévő 2x22W-s verzióra, tehát a 17-16 lábakra. Kérdéseim; *ez megvalósítható így? mármint egy TDA-val. *a 4-es lábra mit tegyek így? mert a két kapcsolás ebben eltér. Oh, azt elfejetettem hogy ezzel egy 2.1 szerűséget szeretnék elérni, azért a felhajtás.
A TDA1554Q-t ilyen módokban tudod használni:
4X11w vagy 2x11w és 1x20w vagy 2x20w. Más lehetőség nincs.
Sziasztok!
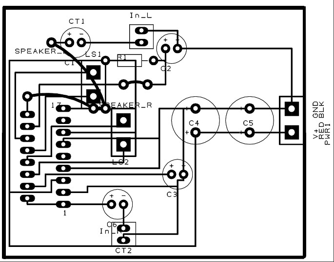
Nem tudom kell-e valakinek, de nekem van nyáktervem, csak 1:1-ben ki kell nyomtatni és lehet fotózni, a nyomtatott felét kell a rézoldalra rakni! A másik pdf a beültetés!! A panelnél, nyomtatás után érdemes a testtel összekötni a különálló foilát, ez valamiért nem megy proteussal! rajta van a greatzhíd is, meg puffer!!a greatz-et úgy kell berakni, hogy az íc-vel egy ssíkban legyen és akkor még stabilabban áll a bordán! Ha kérdésed van szólj! én így szoktam!
Amit felraktam paneltervet, az 2x22 wattos verzió, azt csináld meg, greatz nem kell, pc-be is rakhatod, csak akkor a panelon lévő bekapcsolást kell választani és úgy nem vágja le a géped mikor bekapcsolod, különban a kondi akkora áramot vesz fel mire feltöltödik, hogy újraindul a gép, én már jártam így vele mikor még nem tudtam!
A 4. láb ilyenkor nem játszik!! Kérdésed van írj!
Jah még annyit, hogy akkor jó az erősítő, ha a kimeneteken a GND-hez képest fél tápfeszt mérünk, ha nincs rajta fesz vagy kevés akkor az íc halott!!
Ezt csak úgy megjegyzésképpen írtam le!
Jó akkor egyszerübben; 2x11w és 1x22w ban szeretném használni.
Csak ilyenkor mit kezdjek a 4-es lábbal, mert a datasheetben csak a 4x11, meg a 2x22 van, és ezek eltérnek a 4-es lábnál.
Még olyat nem csináltam, de szerintem panelon csinálj neki helyet és próbáld ki, hogy kell-e!
Sztem kell!
Én azt javaslom, hogy építsd meg a 2X20wattosat. Ugye van 4db kimenet. Ebből kettő fázisfordított, kettő pedig normál fázisban megy ilyenkor. A 6-os, 8-as közé kötött hangszóró 20W-tal fog szólni (hogy melyik a + és melyik a -, azután utána kell nézni), a 12-es és föld közé tett hangszóró pedig 10w-tal. A 10-es és a föld közé teszel még egy hangszórót, és van még egyszer 10w-od. A fontos, hogy a második hangszórót, amit a 10-es és föld közé raksz, fordított polaritásjelöléssel vezesd ki. Tehát a föld lesz a +, a 10-es láb pedig a -. Így lesz egy fázisban a 2X10watt. Ha nem nagyon törődsz vele, akkor viszont teljesen mindegy, hogyan kötöd be a hangszórót, a lényeg, hogy 12-föld, és 10-föld közé rakd.
Ezt szokták alkalmazni a gyári, hidalható autós erősítőkben is, így változtatás nélkül, csak a hangszórók csatlakozói átkötésével választhatsz a hidalt, és normál teljesítmény között. Üdv! |
Bejelentkezés
Hirdetés |




. a bekötési rajzon meg a panelon nem egyezett a táp bekötése, ezáltal fordított polaritást kapott, az ic meghalt. kicseréltem egy újra,most már működik. legalább elismerték, hogy ők hibáztak, és adtak egy másik ic-t ingyen.







)








