| Fórum témák 
 
 » Több friss téma | Fórum » PIC égető kapcsolás. Szerintetek működni fog? 
			Témaindító: (Felhasználó 449), idő: Jan 18, 2006		 
			Témakörök:
			
		 
				Deguss oldalán találtam egy turbó JDM programozót és azt modósítottam egy kicsit.  Szerintetek életképes a dolog. - Nincs benne stabtok. - A +5V-s tápfeszt a cél áramkörből veszi. - Csak egy +15V vagy nagyobb tápfesz kell neki. - Nem a bemenő feszt hanem a kész +13.5V-s programozó feszt kapcsolgatja. - A D3 talán megvédi a sorosportot ha mind két tranyó rövidzárban elpatkol... 
				Milyen Basices fejlesztőfelületek vannak még?						 
				Tomee! Milyen programmal lehet ilyen szép kapcsolási rajzot készíteni? Nagyon érdekelne    
				azt szeretném megtudni hogy én megépítettem az egyik programozót ami sub-d 25pines(nyomtató port) on dolgozik.Nem tudom velel tönkre ba***ni a gépet? AKárhogy kötögetem össze a dolgokat.netán zárlatos vagy valami.szerintem nem de nem akarok kockáztatni.na akkor merjem vagy ne merjem?						 
				Én Proteus nyáktervezőt és szimulátort használok. Ezt azzal csináltam. Régebben még itt a fórumon volt egy link ahhonan le lehetett szedni, de ma már ez se mükődik. kb 5 éve csak proteussal dolgozok.   
				Építettem egy Deguss féle JDM programozót azzal a külőnbséggel, hogy ICSP csatis és van benne egy DC-DC konverter ami az 5V-ból 13V-t csinál. Az a baj, hogy nem mükődik.   A kimeneteken megvan a jelszint. Ha terminál rogival kapcsolgatom a soros port bitjeit akkor szépen változnak az égető kimenetén is. Szóval elvileg jó. De gyakorlatilag nem. Próbáltam vele 24LC16-s eepromot is met ahhoz nem kell Vpp, de az se megy. Azt mondja, hogy nincs ACK. De a cucc tuti, jó mert hol megjőn és hol elmegy a fesz ha a terminál progival buzerálom... Majd elfelejtettem: Icproggal próbálkoztam Xp proff alól egy 16F84A-t megégetni, de nem jó. Esetleg van valakinekk valami ötlete, hogy mi a baj? 
				Kipróbáltam PonyProg2000 progival és az 24lc16-t simán irta olvasta, de a pic16f84A-t nem. Gondoltam biztos rossz a pic és megpróbáltam ICD1 beleirni és kiolvasni. Természetesen irta, olvasta, törölte. Szóval a pic jó. A programozó fesz 13.5V - ennek is jónak kell lennie. De akkor ezek után miért nem ir a picbe?  Már az elején azt mondja, hogy nem jó.... Esetleg valami ötlet? 
				Sziasztok! Lenne egy kérdésem.Van egy pic égető.Azt szertném megtudni hogy müködhete vagy kell-e benne valami változtatni.Ja és an 500pF?mert én még nem hallotttam olyanró.  Elöre is kösz Bence 
 
				Én ezt csinálnám...   
 
				Ezt megcsináltam de nekem nem müködött.Most ezt megpróbálom aztán nem tom mi lesz.Akkor majd deguss féle jön.						 
				Biztos, hogy az 500 pF helyett jó a 470 is. Nekem egyébként ProPic2 programozóm van, tökéletesen működik az IC-Prog-gal. Szerintem az is elég egyszerű, bár lehet hogy valakit visszariaszt a 3 ic, 5 tranzisztor meg a 18 ellenállás, stb. Érdeklődnék, hogy az Oshon féle soros PIC18-as (két változat is van) programozót megépítette-e valaki és milyenek a tapasztalatai (hw és sw)? 
				Hello! Kezdő vagyok még a témában, de és énis szeretnék majd vmikor/1szer majd 1 PIC programozót építeni...(egyébként mi a különbség a programozó és az égető között???:crazy  Vmi olyan kéne ami MINDENFÉLE PIC-et tud programozni, van olyan??? Mert pl a programozó honnan tudja hogy mien a pic, ha pl mind2nek teszem azt 18 lába van??? A programtól függ??? Lehetőleg olyan kéne ami a 8-14-18-28-40 lábúakat is kezeli... Ja és találtam az urbanelektronika.hu -n 1 olyat, hogy univerzális pic fejlesztő??? Azis mindenféle jelzésű pic-et tud??? Mégértéseteket kérném, és a segítségeteket előre is köszönöm! Üdv: Peti 
				Szia! Na, akkor: 1. A programozó és az égető PIC-eknél ugyanaz. 2. A progamozóÁRAMKÖR nem tudja, milyen a PIC, de a programban, amivel programozod, abban kell beállítanod. 3. Ez a programozó nagyon sok minden tud, nekem nagyon jól bevált: LINK Ez egy végtelenül egyszerű passzív áramkör, semmi extra, de egy kezdőnek nem is nagyon kellenek extra dolgok... 4. Az Urbán-féle is elég jó. 
				hello! nagyon szépen köszönöm!!! nagyon sokat segítettél, már értem és szerintem majd 1szer meg fogom csinálni, de amúgy nem most max 1 hónap múlva, mert most éppen más projektek vannak előrébb...  üdv: Peti 
				Nincs mit, ha elkészültél, számolj be az eredményekről! Egy-két jótanács, ha megépíted: 1. Először érdemes dugaszolós próbapanelen összerakni (ha van), hogy működik-e. Ha esetleg valami gáz lenne, akkor nem fogsz kétségbe esni, hogy elpazaroltál egy csomó drága nyákot... 2. Ha megy a dolog, és megépíted, akkor érdemes bele TexTool foglalatot venni. (Ez egy olyan foglalat, amin van egy kis kar, és csak akkor szorítja be az IC-t, ha ezt a kart lenyomod.) Elég drága egy ilyen, a 20 lábú 2500Ft körül van. De nagyon sokat könnyít a dolgunkon, mert egyrészt kényelmesebb, másfelől nem törik le az IC lába, ha sokat veszed ki/teszed be. 3. Érdemes csinálni a NYÁK valamelyik szélére egy kis csatlakozót, amin ki vannak vezetve a felhasznált lábak (GND, CLK, DATA, Vdd, Vpp). Ugyanis, ha egy olyan IC-t fogsz használni, ami a foglalatba nem illik bele, ahhoz könnyen tudsz adaptert csinálni. 4. Amivel én is nagyot szívtam: Ha nem akar működni, és minden beállítás látszólag helyes, akkor meg kell nézni, hogy a BIOS-ban is úgy van-e beállítva a soros port, mint a Windows-ban. (Nálam COM1)... Sok sikert az építéshez!   
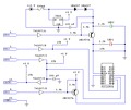
				hello! köszön szépen a segítséged, így már értem, nagyon korrektül leírtad!!! megnéztem, nagyon szuper, de 1 dolgot nem értek: hogy ott lent a fekete háttérben ahova a beültetési rajzok vannak, ott az adaptereknél (jobb felső, bal alsó és jobb alsó), ahova be tudjuk rakni a pic-et, 2 sorba miért van 2 forrasztási pont, és miért nincs pár db összekötve??? (pl.:a jobb felsőnél [40lábú] és ott a bal felső, bal 11., jobb felső, jobb 2. jobb 9.) mi célt szolgál a 2X2 sor, nem értem... úgyis csak a belső 2 sorba forrasztom be a pic-et, akkor minek oda a külső 2 sor??? 
 
				A PIC-ek egyik tulajdonsága, hogy a kész áramkörben is tudod programozni, könnyítve a fejlesztést. Ezek az "adapterek" jók erre is. Az adapteren az egyik oldalon azt a foglalatot helyezed el, amelyikbe majd a PIC-et teszed - ( a PIC-et nem kell beforrasztani!) - ez az egyik dupla sor, a másik oldalra "távtartókkal" - pl ellenállás levágott kivezetéseivel - egy másik foglalatot forrasztasz a másik duplasorba (az előző lábai közt eltolva), ez csatlakozik majd a cél árramkörbe elhelyezett IC foglalatba programzáskor. A beültetési rajz csalóka! Az IC foglalatokat a középső két sorra helyezték, de ha megnézed a dupla tüskesort láthatod a hibát. A foglalatot vagy jobbra vagy balra eltolva kellett volna felrajzolni! A programozóban lévő kapcsolónak az a célja, hogy a két foglalat - felső és alsó - között válasszon, aszerint, hogy "szólóban" vagy áramkörben programozol. Remélem érthető volt? Az adptereken a felső foglalatokat egyformán helyezd el, vagy a külső vagy a belső sorra, hogy a kapcsoló állása azonos funkciót jelentsen. A foglalatok forrasztásának sorrendjét tervezd meg, nehogy a felső foglalat egyik sorát "dróterdőbe" zárd!   
				Újra megnéztem a hivatkozott oldat. Bocs! Amit irtam majdnem jó   A kapcsoló nem az alsó vagy felsó programzás között kapcsol. Az egyik állásban programoz, a másikban nem, ezért nem mindegy, hogy a felső foglalatot hova teszed! A képek segítenek! 
				köszi, asszem értem már!!!   tehát a belső 2 sorba rakjam a programozni kívánt pic-et, a külső 2-be meg az ellenálláslábakat, amikkal a kész panelon ki tudom próbálni a frissen égetett pic-et, anélkül, hogy az égetőből ki kéne vennem, és ezt 1db 2 állású morse kapcsoló váltogatja!!! ugye??? szerintem így lenne logikus... milyen hibát vettél észre??? "A beültetési rajz csalóka! Az IC foglalatokat a középső két sorra helyezték, de ha megnézed a dupla tüskesort láthatod a hibát. A foglalatot vagy jobbra vagy balra eltolva kellett volna felrajzolni!" ?????? én csak vmi olyasmi hibát vettem észre a forrasztásban, hogy a 18-as összeforrasztott adapternél a kapcsi rajzban a jobb oldali oszlopban felülről az 5. külön van, vagyis abból van belső és külső, de semmiképpen sem ér össze, ehhezképest a forraztási képet megnézve, tükrözve és elforgatva nem ezt tapasztaltam, mert ott meg össze volt forrasztva...      szal remélem érthető voltam...   
				Igen, így van, a kapcsolóval tudsz váltogatni a két mód közt. A hiba, amit MPi-c észrevett, teljesen jogos, a foglalatot nem oda kell (nem is lehet) forrasztani, ahova a nyákrajzon berajzolták. (A bal felső kivételével mindenhol rossz helyre rajzolták.)  Ez ugye abból is látszik, hogy egy ilyen IC lábsorai közt a távolság 3*2,54mm, ahogy berajzolták, úgy csak 2*2,54. Tehát nem középre kell rakni, de ha kimarod a NYÁK-ot, ezt majd úgyis észreveszed. Remélem érthető...						 
				tudnál küldeni akkor 1 átjavított beültetési és fólia felöli rajzot??? léci!!! elég ha print screen---> és paintban 1 jól látható színnel bejelölöd és feliratozod, hogy mi nem jó, mit hova, stb... előre is köszi!!!   
				Csatoltam egy képet. A piros jelzi a foglalat helyét, a másik két sor pedig az ellenálláslábaké.						 
				a 18 és a 28 lábai hibásak... de a 40 lábúé is hibás???, ott is ugyanez a hiba és ugyanígy kell beforrasztani?, a 2 baloldaliba, nem? gondolom...   
				Hali! Nem akartam új témát nyitni, az a gondom, hogy nekem is az a kapcsolás van amit itt boncolgatnak, csak szeretném trafo helyett adapterről működtetni a cuccost, milyen elemeket kell kiműteni az áramkörből? Mert gondolom egy-két kondi a pufferelésért küzd! Ezt szeretném elkerülni! (azért mellékelem az én verziómat) Előre is köszönöm! 
				Ez sok mindentől főgg. Milyen a tápegységed? Váltó vagy egyen áram? Hány volt? ezeket ha meg tudod mondani akkor már egyszerűbb lesz! 
				12volt, egynáram, 5W, 300mA egy normál adapter, pl.: scannerek adaptere.						 
				Itt egy kép, hogy milxen adapterem is van:						 | Bejelentkezés Hirdetés | 





 
 






