Fórum témák
» Több friss téma |
Köszönöm szépen mindenkinek a segítséget most már tiszta a kép jelenleg nincs a közelemben a szerkezet, de a riaa modult kivedtem már és tényleg van benne két TESLA tip. elkó végig kövedtem az alap nyákon és a PHONO két pozitiv ága csatlakozik bele. Ha kicserélem lehet hogy megoldódik a probléma?
Szia!
6db csatoló ELKO-nak kell benne lennie, bekarikáztam neked pirossal őket a képen: RIAA ELKO Szerintem próbáld meg kicserélni mindet, lehetőség szerint minél jobb minőségű ELKO-kat használj. (valamilyen 105°C-os típust, ha a boltban mondod tudni fogják mire gondolsz.) Sok sikert a javításhoz!
Nagyon szépen köszönöm a segítséget!!!!
Remélem sikerülni fog
hy. Valaki nem tud valami helyet ahol hozzá lehet jutni videoton erősítőkhöz......konkrétan én valami üzletre gondoltam ahol kapható.....help..köszi
Hello!
Nézz körül itt: Vatera Keresőbe beírod, az erősítő típusát és biztos lesz egy pár találatod. Vagy nézz körül bolhapiacokon stb. ilyen helyeken is előszokott fordulni, esetleg szervizekben is találhatsz olcsón kisebb hibával rendelkező darabokat. Üdv: Laci
sziasztok!
milyen izzót való a 6363-ashoz a skála világításhoz?
Szia!
Hát eredetileg 6,3V 0,1A-es skálaiizó való bele, ilyet a HAM bazárban tudsz venni (50Ft/darab). De végül is helyettesíthető akár 6V-os bicikli hátsó izzóval is, bár én a helyedben mindenképpen inkább a skálaizzót tenném bele, mert a bicikliizzó eléggé melegszik és hamarabb ki is ég, meg a skála-plexinek sem használ a hő. Üdv: Laci
köszönöm.
Sziasztok ! nekem az lenne a problémám eme készülékkel hogy kb 5 perc rádiózás után elhangolódik,utána kell állítani az állomáskeresőt .Tud valaki valami támpontot esetleg megoldást a bajra?
nálam egy 6303 csinálja ugyanezt ha a mamóriába tárolok. én ott kontakthibára gondolok de lehet, hogy tévedek.
Hello! Sajnos elterjett probléma ennél a típusnál, lehet hogy segít a programkapcsoló takarítása is, de ha netán nem akkor sajnos az FM modulod a rossz, mivel ilyet szinte lehetetlen szerezni csak annyit tudsz tenni, hogy felújitod kicserélsz benne mindent. Ha leveszed a burkolatot az jobbról haladva az első fém kaszniba zárt modulról van szó! Sok szerencsét ha netán nem sikerül írj és kitalálunk valamit!!
azért gondolok a progikapcsolóra, mert ha behangolok akkor gyakorlatilamintha átkapcsolna olyan. ha megütögetem a programot ami be van kapcsolva és amiröl elhangolt visszaáll. de ha nem akkor jön az FM modul. A 6363 és a 6303 FM modulja kompatibilis?
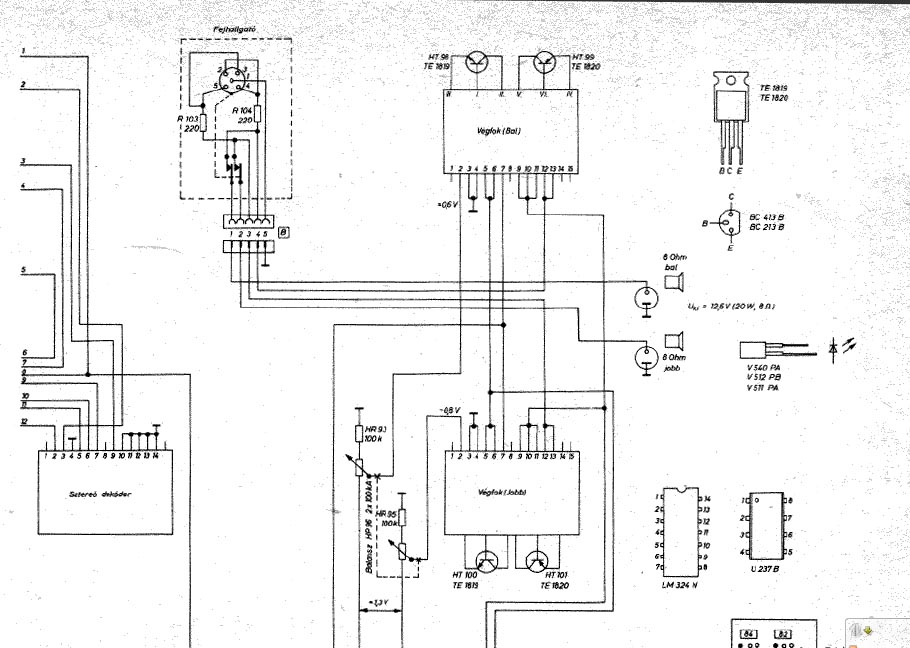
Üdv Mindenkinek
A témához kapcsolódóan teszek fel egy kapcs rajzot, Videoton ea 6383 s remélem tudtam segiteni. Elméletileg minden videoton erösitö végfok panelja egyforma de ha rosszul tudom javitsatok.
A 7386-nál más a visszacsat. és cseréltek egy 337-et 139-re.
Meg volt még kétféle, sorozatban nem gyártott erősítőjük is, teljesen más véggel.
Üdv, nincs időm sajnos végigolvasni a témát, tehát feltenném a kérdésemet. A skálavilágítás néha meg szokott szűnni. Minden egyéb funkció működik,c sak a skálavilágítás nincs meg. Egyszer már kinyitottam a gépet, megtekergettem a skálaizzókat, működött is. Viszont amikor elmegy a világítás, akkor hiába kocogtatom a gépet, pár percen-órán belül visszajön. Tehát izzó kiégését, és a kontakthibát kizártam. Most már vagy 3 órája nincs világítás. Ez vajon mitől van? (Holnap megnézem az izzókat, bár mindkettő egyszerre égne ki..)
Mod: Néha a gép ki-és visszakapcsolásával is elő szokott jönni, de msot erre se reagál.
Az izzók közvetlenül a trafóról járnak, egy biztosító van még a körben, esetleg annak a foglalata, vagy forrasztási hiba, vezetéktörés. Másra nemigen van lehetőség. Ezeket viszont könnyű megtalálni.
Üdv! Meghazudtolta a dolog a fizikát.. Mindkét izzó egyszerre égett ki a jelek szerint. Rámértem mindenhol, megvolt a 6,3 volt.. Megnéztem az izzókat, mindkettő koromfekete.. Kapott 12 voltosat, de úgy világít mint a barom.. Pedig a terhelt fesz. is rendben van.. Na mindegy, lényeg hogy jó!
Üdv mindenkinek!
Van nálam egy ea 7386-os erősítő és a következő lenne a problémám: Szól szépen egyszer csak pattan egy nagyot a bal oldal és elhalgat majd kb. 2-3 másodperc múlva ugyanazzal a pattanással visszajön és szól tovább szépen. Mi lehet a probléma szerintetek?
kapcsolók, meg B082-es ICék körül kell széjjelnézni sztem.
Szerintem kontakthiba.
Ugyanez volt egyszer nálam is csak másik erősítővel.Kitisztítottam mindent,de nem segített majd egy kapcsoló cseréje oldotta meg a problémát. Üdv.
Szia!
Én a helyedben BD911/912 párost raknék bele, szerintem ez áll a legközelebb az eredeti tranyók tulajdonságaihoz. BD243-244-el szerintem kisebb lenne a teljesítmény valamivel mint a TE tranyókkal vagy a 911/912 párossal, de végül is bármelyik megfelel bele. (Egyébként ha visszaolvasol kicsit a témában valahol a 6.-7. oldal körül volt róla szó, hogy melyik tranyó a legjobb bele.) Üdv: Laci
Jó estét. Osztom Laci véleményét csak BD-t ne.Sőt talán abban sem hiszek hogy a 911/912-vel gyengébb lenne. Vagy 2N6491/6488. Hihetetlen hogy mit kapnak az autó erősítőkben is. A BD-k úgy szállltak el mint a sóhaj!
BD 911/912 a megfelelő páros ebbe az erősítőbe, csak ne legyen hamis.
Üdvözlet!
Kérném a segítségeteket. Szóval az úgy volt....szépen szól rajta a zene meg minden, és akkor egy apró pukkanás, reccsenés v. valami hasonló történt, ez követően bal oldali kimenet elkezdett recsegni, jobb az tökéletesen szól, aztán szét lett szedve, megnéztük és nem láttunk rajta semmi csúnyát, kondik is egyeben vannak. Fm módban is megvan a recsegés csak kicsit enyhébb. Próbáltam a fejhallgató kimenetet is, ott is azt tapasztaltam hogy a bal kimenet recseg. Válaszaitokat előre is köszönöm. Lacc
Szerintem az kondi bajos lesz,legalábbis én arra gyanakodnék így elsőre.
Üdv!
Lenne egy kis problémám, szeretnék fülhallgatót dugni az erősítőmre (Videoton RA6363s), de egy átok dominó csatlakozó van az elején, aminek nem tudom a bekötését. Nem szeretném emiatt szétszedni, hátha tudja valaki hogyan kell bekötni. Előre is köszönöm a segítséget!
Hali!
Biztos elfért volna máshol is a kérdés, de azért itt a válasz:
Szóval 1 a föld, és 2-5, 3-4 a két csatorna?
|
Bejelentkezés
Hirdetés |








