Fórum témák
» Több friss téma |
Sziasztok!
Pár kedves ismerősömmel digitális dob építésére adtuk a fejünket. Működési elve elég egyszerű, a piezo-lapok által keltett feszültséget kell alakítani és erősíteni, majd azt egy A/D átalakítónak átadni. Esetleg egy tartóáramkör közbeiktatásával. Először párhuzamosportról szeretnénk vezérelni az átalakítót magát. Első ránézésre az ADC0808 tűnik megfelelőnek ez azonban 1800 forint körül mozog. Egyébként ez egybe van kötve egy multiplexerrel. Az a kérdés hogy létezik-e olcsóbb, esetleg egysávos kivitelezés (még mindig elé lehet rakni egy multiplexert), a lényeg hogy olcsóbb legyen, és max 10Vig kéne mérni vele. Igazából 4bites felbontás is elég lenne de maximum 8, ha tartóáramkörben gondolkodunk akkor kevesebb, de szerintem 30Hzes mintavétel mindenképpen elég. Mit tudtok ajánlani? A segítséget előre is köszönöm
ADC0809
ADC0804 Nem néztem utána, de gondolom azért olcsóbbak ezek, mert nincs benne Multiplexer...
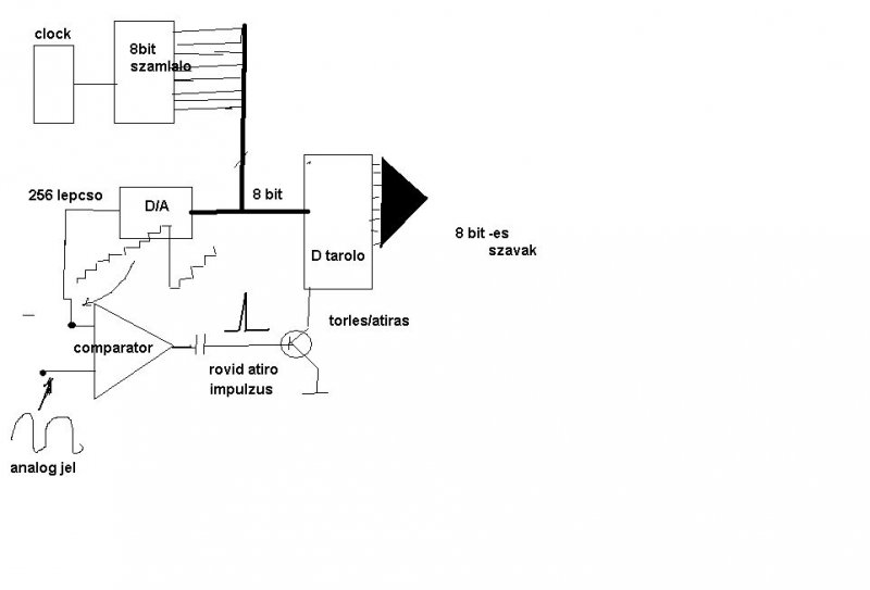
Párunknak meggyűlt a baja az AD átalakítókkal a digitális szkóp építése során. A probléma az hogy a gyártók nem közlik a minimális mintavételi frekvenciát csak a maximálist. Főleg a mai korszerű, gyors Video átalakító célokra kifejlesztett AD átalakítóknál előfordulhat olyan eset hogy a minimális mintavételi freki a Mhz-es tartományba esik. Az ADC0808-ra ha jól emlékszem ez nem érvényes, de azért ebből a szempontból sem árt megvizsgálni.
Én a RET-nél kapható TLC5510i (1V) vagy TLC5510A (2V) -et ajánlom. Jó tapasztalatom van vele. Egy egyszerű kapcsolást is találsz rá http://www.hobbielektronika.hu/forum/topic_700.html . Most sajnos nincs nálam a kapcsolás. 2700Hz mintavételi frekvenciánál még mintavételez. Gondolom neked olyan 50Khz körül lesz az ideális. Nemtom a párhuzamos porton keresztül ezzel a sebességgel letudod-e olvasni az értéket.
Ha nem is dolgozom fel mindig, talán tudok küldeni jelet hogy leolvastam (nem tudom pontosan a szakkifejezést mert még nem tanulmányoztam át teljesen ezt a dolgot)
Megkerestem az egyszerűsített kapcsolásom.
http://www.hobbielektronika.hu/forum/topic_700_14_ASC.html A következő oldalon még képet is találsz róla.
Közben utánanéztem a dolognak és tulajdonképpen PIC-kel is csinálhatnám a dolgot mivel például egy 16F87 harmadannyiba kerül, az is tud 30ksps-t ráadásul 10 bites , egyben vezérelhetné a multiplexert és USBn is mehetne, plusz elvileg azzal a "most simple PIC programmer" nevű dologgal lehet programozni (az az összes bajom a PICekkel hogy eddig csak elméletben és alapszinten láttam és nincs programozóm).
A 18F sorozatban még gyorsabbakat is találsz. A dsPic-ek között meg még 2Msps is van. Sőt pont ilyen célra fejlesztették őket ki, részben.
igen, de a 18-hoz előbb programozót kéne építenem
úgyértem bonyolultabb programozót... amiben szintén van PIC és akkor tyúktojásprobléma lép fel
Miből gondolod, hogy a 18Fxx picek programozója bonyolultabb mint a 16Fxx picekké?
Úgyan az a kettő!
Nem a programozó építése lesz a legnehezebb része a projectednek. Ha kell vágj bele.
Hy all
Én egyszimla A/Dátalakítótszeretnék píteni(othon) Ami 0,4 és 2,8v közötti értéket 8bites digitáis jelléalakítja havalakinek van eedeti ötleteazlegyenzves megrni előre köszí
Hogyan tudom azt kiszámítani, hogy 3digit kijelzéséhez hány bites a/d átalakító szükséges?
Köszi
Például: 3 digit, az 0-tól 999-ig 1000-et pedig 10 biten tudunk ábrázolni.
Idézet: „Hogyan tudom azt kiszámítani, hogy 3digit kijelzéséhez hány bites a/d átalakító szükséges?” Egy körülbelüli értéket kapsz, ha a digitek számát megszorzod 3.322-vel. Kicsit pontosabban: a következő egyenlőtlenségnek kell teljesülnie 10^d =< 2^b ahol d a digitek száma, b a bitek száma, ^ pedig a hatványozás jele. Mindkét oldal logaritmusát véve, és log(2)-vel beosztva kapjuk: d/log(2) =< b A 3.322 pedig az 1/log(2) becslése.
Sziasztok,
24 vagy 32 bites ADC-t szeretnek epiteni ami min. 100 MS/s mellett olvas. A kerdesem az volna, hogy alapkomponensekbol hogyan lehetne ADC-t epiteni? Koszonom. Idézet: „24 vagy 32 bites ADC-t szeretnek epiteni ami min. 100 MS/s mellett olvas” Ugye, ezt csak viccnek szántad? Az Analog Devices, amely túlzás nélkül az adott terület éllovasának nevezhető, legfeljebb 24 bites ADC-t tud produkálni, ezek közül a leggyorsabb az AD7760, amely 2,5 MS/s-t ad 100 dB dinamikus átfogás és 100 dB jel/zaj arány mellett (leegyszerűsítva: a legalacsonyabb helyiértékű bitek belevesznek a zajba és bizonytalanságba...). Valamivel jobb (120 dB dinamikus átfogás, 112 dB jel/zaj arány) teljesítményt nyújt 78 kS/s kimeneti sebesség mellett, de ez igencsak messze esik a kívánalmaidtól. Link: AD7760 adatlap (PDF) Ha fontos a 100 MS/s sebesség, akkor be kell érni a 16 vagy 12 bites átalakítókkal,melybőlsokféle típus létezik. Diszkrét elemekből az ADC felépítését nem ajánlom, mert a zaj, linearitás és hőfokstabilitás nehezen kezelhető ebben a pontosságtartományban (24 bit).
Koszonom, meggyoztel. Tovabb kutakodtam es mivel a sebesseg fontosabb mint a pontossag igy tovabb kerestem es talaltam egy ADS54RF63-mat ami 12bites es 550MS/s mintavetelezesi sebesseg mellett tevekenykedik. Egyelore beerem ezzel.
![]() A kerdesem meg az volna, hogy GHz-s szkopokban milyen ADC-ket hasznalnak? (a digitalisakra gondoltam) Koszonom ismetelten. Idézet: „A kerdesem meg az volna, hogy GHz-s szkopokban milyen ADC-ket hasznalnak?” Fogalmam sincs. Azt is el tudom képzelni, hogy több ADC dolgozik benne kvázi párhuzamosan (egymáshoz képest kis időeltolódással kezdve a mintavételezést).
Talán ezt nem tudom produkálni, de van 2db ICL7115
virgonc A/D-m meg-ha kissebb is jó AD574
Ha egy periódusidőt felbontunk 10 mintavételezésre, akkor az elsőt. a 11., 22. 33. 44. 55. 66. 77. 88. kilencvenkilencediket, és így tovább veszem a mintákat akkor-némi trűkkel visszaalakítom egy nagyságrenddel gyengébb szkópra, no persze csak akkor lehet, ha a 100MHZ-nél nagyobb felbontású történések nem fontosak
Erre gondoltam, azzl kiegészítve, hogy ugyanbból a bemenőjelből egy másik ADC veszi a második, 12., 22., 32., stb. mintát. Aztán egy harmadik ADC veszi a harmadik, 13., 23., 33., stb. mintát és így tovább.
A végén pedig összefésüljük az összes mintát. Azért nem szívesen vállalnám el a (több) GHz-es Golyókapkodó Manó szerepét!
mérés-adatgyűjtésnél vol egy olyan ötletem, mivel csak 14bites Ad-t lehetett kifizetni-még cégnek is, hogy két Ad-t indított egyszerre a proci, de az egyiknek volt egy 8szoros spéci előerősítője.Ha lefutott a konverziós idő csak egy komparálás kellett, ha túlcsordult az erősítős, akkor azt eldobtam és a másik adat a jó, persze szorozva 8-cal
Sziasztok, koszonom a valaszokat. Kozben sikerult hozzajutnom egy ADS5463-hoz, ez nagyjabol megegyezik a tervezett ADS54RF63-mal annyi kulonbseggel, hogy nem 550 hanem 500MSPS-t olvas.
Az adatlapjabol nem derult ki szamomra vilagosan, hogy az 500MSPS az mind a 4 csatornara, vagy egyenkent ertendo. Csak azert talalom furcsanak mert az adatlapon 2.3GHz bemeneti frekvenciat tuntettek fel amihez keveselem az 500MSPS-t. Plane ha csatornankent olvasna 2.3GHz-t! A kerdesem az lenne, hogy ebbol mivel lehetne ilyen gyoran elkapkodni a jeleket? (Termeszetesen mind a negy csatornat hasznalnam ha mar egyszer rendelkezesre allnak) Egyebkent regota szemezek egy P4-es Endura LR915G beagyazott rendszerekhez keszult alaplappal amihez van is egy 3.4 P4-es processzorom itthon elfekvoben. Ez elegendo lesz? Koszi ismetelten.
Kevered a szezont a fazonnal. A 2,3Ghz az az analóg sávszélesség. Semmi köze a mintavételi frekvenciához.
ez egy szimpla 8 bites , relative lassu
bbatka, az eddig is vilagos volt, hogy "keverem szezont a fazonnal", de - az elozo kerdesemen pontositva - engem az erdekelne, hogy miert?
Tehat, miert van az, hogy 4x2,3 GHz-es bemenet kiolvasasahoz 500MSPS elegseges? Vagy a kiolvasas az adatblokkonkent ertendo?
2,3GHz savszelesseghez kene 4,6 GHz mintaveteli sebesseg.
Nekem is ez a dilemmam. Ezert erzek ellentmondast az adatlapban vagy legalabbis ellentmondasnak tunik. Raadasul a 4 csatornara 4x ennyi kene (amit szemely szerint kizartnak tartok).
Azt hiszem megkerdeznem a gyartot, de valszeg eltart par napig vagy egy hetig mire reagalnak. |
Bejelentkezés
Hirdetés |





