Fórum témák
» Több friss téma |
- Ez a felület kizárólag, az elektronikában kezdők kérdéseinek van fenntartva és nem elfelejtve, hogy hobbielektronika a fórumunk!
- Ami tehát azt jelenti, hogy a nagymama bevásárlását nem itt beszéljük meg, ill. ez nem üzenőfal! - Kerülendő az olyan kérdés, amit egy másik meglévő (több mint 17000 van), témában kellene kitárgyalni! - És végül büntetés terhe mellett kerülendő az MSN és egyéb szleng, a magyar helyesírás mellőzése, beleértve a mondateleji nagybetűket is!
Szerintetek működhet a valóságban?Az órajel nem ennyi lenne
Sziasztok kis segitség kéne..a pdamat szeretném usbre kötni d van 1 láb amivel nem tudom mit kezdjek... a neve
USB detekt.
Hali mindenkinek, nem akartam uj témát, mert fölösleges. A kérdésem az lenne, hogy a LED-es spot izzónak mennyire tetszene a dimmelés? Vagy egyáltalán lehet e ilyesmit csinálni vele???
Nagyon. Siman lehet. Egyszeruen szaggatod egy PWM jellel mondjuk FETtel.
köszi a választ, csak azért kérdeztem mert a dobozán az állt hogy not dimmable. Nekem meg gyanús volt... És nekem olyan kell aminek lehet állítani a fényerejét
Köszi szépen, nem kell tovább keresgélnem
Egyébként nem sok haszna van.... Watt hozzászólásában is sok igazság van :yes:
Hello
Építettem egy erősítőt, és egy érdekes probléma állt elő. Ha a hangerőszabályzót teljesen minimumra tekerem, akkor a kimeneten a hangfal kicsit búg (földhurok?). Viszont ha elkezdtem jobbra tekerni, tehát adok rá hangerőt, akkor kb. 1-2 fok eltekerése után megszűnik a búgás, és maximum hangerőn se hallani. Mi lehet ennek az oka? Az lehet a gond, hogy maga a poti fém háza nincs összekötve a 0-val? Üdv.
Hi! Van egy kapcsolásom,230V - 0-50V -ot hoz létre.A kapcsolási és beültetési rajzon vannak dolgok,amiket nem értek.Valaki tudna segiteni.Képek csatolva.
Kösz,de lenne még 2 kérdésem:
A nyákon úgy irja,hogy input.Gondolom ,hogy közbe kellene egy trafó is. 1. a trafónak megfelel egy 18VA,50HZ-es ? 2. 2db poti van benne.Az egyik a volokat változtatja(output voltage),a másik pedig?(current limiter)
illetve a TR3,TR4,TR5,TR6tranzisztorok milyenek,és a 2 dióda a bemenetnél,a zenner diódák?
Sziasztok!
A következő lenne a kérdésem. Hogy lehet azt megoldani hogy 5V-os jelszintekből 3V-os jelszintet csináljak a lehető legkevesebb alkatrész felhasználásával, ugyanis adott nekem egy 128Kx8bit SRAM-om amin van 17bit címbusz + 8 bit adatbusz, nos ha ehez mind Zener-t használok akkor jó sok kellene belőle Gondolom van ennél egyszerűbb megoldás is. Az első ötletem, hogy az adatbuszra mindenképp Zener jönne mivel 2 irányú a forgalom, a címzéshez buffert tennék, amit 3V-al hajtanék meg, viszont nemtudom hogy jót tesz-e neki ha nagyobb a bemeneti jel mint a buffer tápfesze.A válaszokat és az ötleteket előre is köszönöm!
Szia!
Feszültségosztó? 2db ellenállás / láb.
az 2x annyi (50db) mint Zenerből , nekem a lehető legkevesebb alkatrésszel kellene megoldanom
Csak azért gondoltam, mert az ellenállás olcsóbb, mint a zener.
Más ötletem sajnos nincs.
Nem igazán értelek... ez két ellenállás.
Ha zeenert használsz akkor is kell ellenállás.
akkor is csak az adatbuszhoz max 8-at (8 zener, 8 ellenállás), de a címzéshez nem akarok 34-et pluszba.
Igazából csak a címzés érdekelne.
1 ellenállás 1 opto garantált a villamos elválasztás.
Értem, szóval 17 opto a címzéshez, 8 opto az egyik irányú adatforgalomra, 8 opto a másik irányú adatforgalomra, és plusz ennyi ellenállás (33 opto + 33 ellenállás). Köszönöm a válaszokat, majd kipróbálom valamelyiket
...
És a 3V-ból hogy csinálsz 5V-ot? Vissza irány!
A címzésnek jó az ellenállás páros, az adatoknak keress, kétirányú 5V-3V "bus driver"-t. Szerk: megtaláltam. Bővebben: Link
Tökéletes megoldás szerintem is amit irtál.
A cimzés 1 irányú oda bőséges az ellenállás. Az adathoz meg busz-driver.
Sziasztok!
Erősítő tápba a pufferkondikkal párhuzmosan szükséges kisütő ellenállás? Ha szükséges akkor hogyan tudom kiszámolni, hogy mekkora értékű és teljesítményű kell? A feszültség 40V a kondik pedig 3*5600µF-osak. Előre is köszi! Üdv.
Ha nagyon akarsz tehetsz,de nem feltétlenül szükséges,függhet az erősitő kapcsolásától is. Általában kisül minden gond,a kimenet félrebillenése nélkül is. Ha pedig koppanásgátló is van akkor biztosan nincs rá szükség. De tehetsz mondjuk33-47k közti értéket,elég a 0.6W-os is.
Szia!
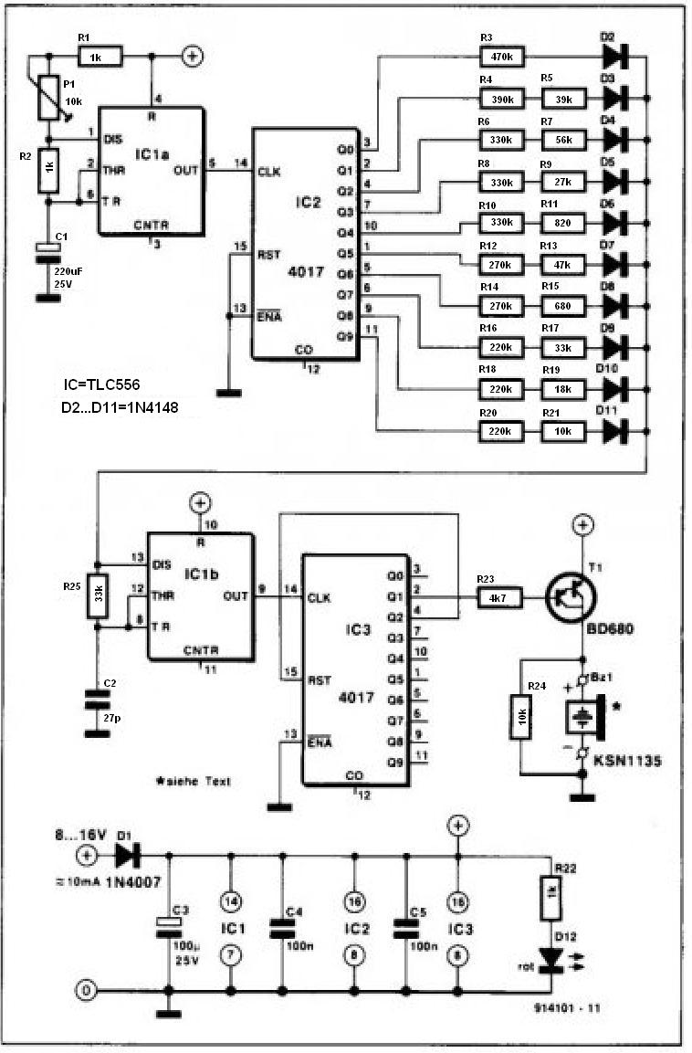
Itt van a korábban emlegetett állatriogató, amit én macskariasztásra fogok használni. Az eredeti kapcsolás 40-60kHz-ig változtatta a frekvenciát, elméletileg ez a frekvenciasáv is alkalmas a macskák és kutyák elriasztására, de másik témában írtak szerint készült egy PIC-es kapcsolás, ami 20 és 40kHz között változtatja a frekvenciát, és ez bevált, ezért én ezt a kapcsolást módosítottam úgy, hogy a frekvencia 25 és 45kHz között változzon. Azért toltam el 5kHz-el, hogy biztosan ne lehessen hallani. A potival mint az eredeti kapcsolásban is, itt is be tudod állítani, hogy a tartományon 0,5, illetve 2s alatt menjen végig, leellenőrizni pedig mint ahogy az eredetit is úgy tudod, hogy a C2-vel párhuzamosan kötsz egy 10n-os kondit, így hallani fogod az általa generált hangot.
Érem, van benne koppanásgátló, akkor nyugodt szívvel elhagyom az ellenállást.
Köszönöm a választ.
Sziasztok, a következő problémához kérem a segítségeteket:
van egy 1650VAC feszültségű tesztelő eszközöm, ami a kimenő feszkót 1/100-ban megcsapolja, és egy mérő kimeneten kiadja. A kimenet belső ellenállása 20 kohm körül van. Ezt a kijövő, de nem terhelhető jelet szeretnám 10VDC-vé alakítani. A mérés időtartama 1s, 300 ms-től már lehet venni a jelet PLC-n. A PLC bemenő ellenállása 100k. Eddig úgy gondoltam, hogy teszek rá egy sima egyenirányítót pufferkondival, és egy potival, amin a 15VAC-hoz be tudom lőni a kimenő 10VDC-t. Ezzel csak az a probléma, hogy a tesztelő eszköz kimenete nem bírja ellátni árammal, még akkor sem, ha 500k potival korlátozom le az áramot, a puffer meg 2,2mikro, tehát a kondi nem tölt fel eléggé, a kimenő fesz nem megy fel telítésig. Erre kérek tanácsokat: 1. neminvertáló műverősítő + egyenirányító? 2. tranyó + egyenirányító? 3. true rms to dc IC? (ez utóbbiról nem sok fogalmam van bekötésileg, meg a tranzisztorokhoz sem értek) Mivel tudom azt megoldani legegyszerűbben, hogy a mérőeszközt ne terheljem, de a PLC-t már ki tudjam szolgálni? A tanácsokat előre is köszi. rognork
Jó reggel mindenkinek!
Most nézegettem az ESR mérő cikkét. Szerdán meg is fogom építeni.. Az olvasás közben eszembe jutott egy érdekes ötlet ![]() A cikkben is az van írva ha elszáll a PC tápban a puffer akkor vihet sok mindent magával... Mi lenne akkor ha én csinálnák egy külső puffert? Azaz a tápon kívülre teszek még elkókat ott nincs oylan meleg mint benn a tápban.. Mit gondoltok, jó ötlet ez? Üdv!
Sziasztok.
Teljesen laikusként szeretnék összerakni egy nagy teljesítményű ledekből álló lámpát. Konkrétan 8 db piros és két kék LUXEON k2 star leddel szeretnék világítani. lxk2 star Ez azt hiszem 30W teljesítménnyel bír. A kérdésem gyakorlatilag az, hogy a 220-as ac hálózatról hogyan tudnék fényt csiholni. Feltételezem kell egy táp, de hogy hány voltos dc és milyen mA-es fogalmam sincsen. Az egészről egy összeépítési rajzra is szükségem lenne. Előre is köszönöm
A hosszú vezetékek induktivitása és ellenállása miatt olyan, mint ha ott se lenne az a kondi. Nem véletlenül van olyan közel...
Javaslom a kereső használatát, mert erről a témáról tuti van topic!
|
Bejelentkezés
Hirdetés |








Gondolom van ennél egyszerűbb megoldás is. Az első ötletem, hogy az adatbuszra mindenképp Zener jönne mivel 2 irányú a forgalom, a címzéshez buffert tennék, amit 3V-al hajtanék meg, viszont nemtudom hogy jót tesz-e neki ha nagyobb a bemeneti jel mint a buffer tápfesze.
... 
