Fórum témák
» Több friss téma |
Sziasztok .
Volt nálam javításra egy 2*800W-os végfok . Kb 6kg volt mert kapcsolóüzemű tápja van, megvan a teljes kapcsi rajza. Tök jó a technika , tetszik mert kicsi , könnyű és nem nagyon fűt. Na de honnan kerítsek ilyen táphoz, ilyen trafót és, hogy kell méretezni??????? Jó lenne az én erölködőmbe is ilyen táp, a 15 kg-os helyett. Ha van tippetek szivesen megnézném, hogy fest. Ebben a trafó 3*7*7 cM-es ! és 1200 W körül kezd melegedni egy kicsit ., A vezérlése 2 IGBT +2IC (SG3525an+ir2110). Idézet: „Most így hajnalban ennyit a helyesírási tudományomról, de amit tudtam javítottam. Legközelebb kicsit jobban figyelj! Üdv, Creative”
Üdv!
Esetleg nem kérhetném el a rajzot? csak tanulmányozás céljából.
nem akarok kekeckedni, de egy kicsit figyelj már a helyesírásra légy szíves! "Ijen" hibákat ne ejts!
Frekitől függ a trafó mérete. Vannak az ETD sorozatú magok, pl. az ETD44-es mag N87-es anyagból 100kHz-en 1.7kW-ot tud átnyomni. Ennek a mérete 45x45x16mm.
A kapcsrajz engem is érdekelne.
Esetleg én is elkérhetném a rajzot? Persze, ha nem gond.
Fórumtársak! Sztem a modik sem nézik jó szemmel ha az megy itt a fórumon, hogy "küldd má' el a kapcsirajzot, meg nekem is, meg nekem is.." Sztem dobd fel ide, és akkor mindeki megkapja alapon müxik itt minden! Persze ezt ne vegyétek kekeckedésnek, csak más fórumokon ezt naon nem "csipázzák".. :no:
Mellesleg nekem is kéne a rajz...
Igazad van X Sügi X,
az ilyen szövegek általában lustaságról és pontatlanságról is tanúskodnak. Trafók építését nem ajánlom: Esetleges balesetekért a törvény előtt feleni kell.
na akko lesz rajz vagy sem? amugy mijen baleset történhetne?
hi
pl.: lezárlatosodik, és a fázis kikerül az erősítőre... (tűz, áramütés) Egy leválasztó transzformátor mindenképpen kellene bele, hogy csökkentse az áramütés veszélyét.
Akkor a számítógépbe is kellene, mert az is lezárlatosodhat. Túl kell méretezni, hogy ne melegedjen, és akkor nem lesz probléma. Illetve a szekunder oldalt el kell látni túlfeszültségvédelemmel, túláramvédelemmel pedig mindkét oldalt.
az üzembehejezésig szerintem is szükséges a leválasztotrafo vagy egy sorbekötött égö de elvben a kapcsoüzemü táp ugyanojan galvanikus leválasztást biztosit akár a trafo. primer,secunder és a viszacsatolás optokapuval elvileg semmi gond nem lehet. amugy a primer és a secunder közé höálo szigetelést kell iletve kéne használni, ha az egyik oldal besül akkor se érjen át a fázis
De türelmetlenek vagytok azzal a rajzzal. De ha már kapcsolóüzemű táp a téma, akkor már van bátorságom megkérdezni, hogy lehet e állítani valamit a régi 486-os tápján, hogy 2A-nél ne essen a feszültség 12V-ról 10V-ra. (mert úgy tudtam, hogy a számítógép tápok stabilizáltak, vagy nem?) Nekem is jól jönne már egy igazi, bivalyerős táp (elég lenne egy olyan 50A-es is kezdetnek).
Hello .
Ott az a baj hogy az 5V-ot figyeli a stabilizátor nem a 12-t. Átalakítható de macerás. A kapcsi rajzot föl kell vinnem a gépre , aztán hozzáférhetővé teszem.
Lehet, hogy nem árulok el nagy titkot, de ha valaki kapcstáp trafót akar építeni, akkor a primert ODA-VISSZA kell tekercselni, értelemszerűen ugyanannyi menetet oda, mint vissza.
Ha nem fér ki két sorba, nyugodtan lehet újat kezdeni. A szekunder lehet egyszeres tekercselésű. Amikor elkezdtem tápokat építeni, egy nagykereskedésre való MOSFET-et vágtam tönkre a rosszul tekercselt trafók miatt. Idézet: „a primert ODA-VISSZA kell tekercselni” Ezt kifejtenéd bővebben?
hy
valszeg prinner csak ellenütemű konvertereket csinált ott kell a 2 primer hogy a magot nem csak egyirányba mágnesezze hanem oda-vissza előny hogy van értelme (sőtt ha már lehet akkor kell is) 2utas egyenirányítót használni kisebb frekin képes ugyanazt a teljesítményt kiadni mint egy single primmeres kapcsi táp nekem is ez a legszimpibb megoldás jah és ugy néz ki hogy 2 soros tekercs középen az egyik pólus és a másikat 2 kapcsolóelem kapcsolgatja ellenütemben a a tekercsek végeire...
Az más, de azoknál nem kell ir2110 a meghajtáshoz.
Másrészt egyszerű primerrel is lehet ellenütemű tápot csinálni (félhíd, teljes híd), ami ugyanazt a teljesítményt tudja átvinni, mint a 2 primeres megoldás, a különbség a félvezetők feszültség- és áramigénybevételében és a primer tekercs áramában van.
igen úgy i is lehet
de én jobban szeretem a 2 primeres megoldást
Oda-vissza tekercselés: ha pl. 40 menetes a primered akkor a cséve elején elkezded a tekercselést és a cséve végéig feltekersz 20 menetet. Ezután feltekersz egy réteg szigetelést, majd a cséve végétől az elejéig rátekered a maradék 20 menetet.
Ezt is nézd meg! (AN18) A trafómeghajtás szempontjából eddig kétféle elrendezésű tápot építettem: záróüzeműt (flyback), és félhidasat (Half-Bridge). Mindegyiknek egyprimeres trafója volt. A záróüzemű kapcsolásban csak egyirányban van mágnesezve a trafó, így csak feleakkora teljesítményre terhelhető ki, mint a félhidas kapcsolásban.
Én is örülnék annak a rajznak arról a kapcsitápról!
Nekem a link is jó ahonnan le tudom húzni
Nem tudtam még jó minőségben kicsinyíteni a rajzokat (A3) .
Bocsika a késésért , meg leszz idővel.
Hello Kefeur!
Engem nagyon érdekelne a rajz. Mert technikusi projectmunkám egy digit erősítő. És sokat tanulhatnék a te rajzodbol. Nem oldhato meg valahogy hogy esetleg segítek neked és akkor elöbb felkerülne a rajz?
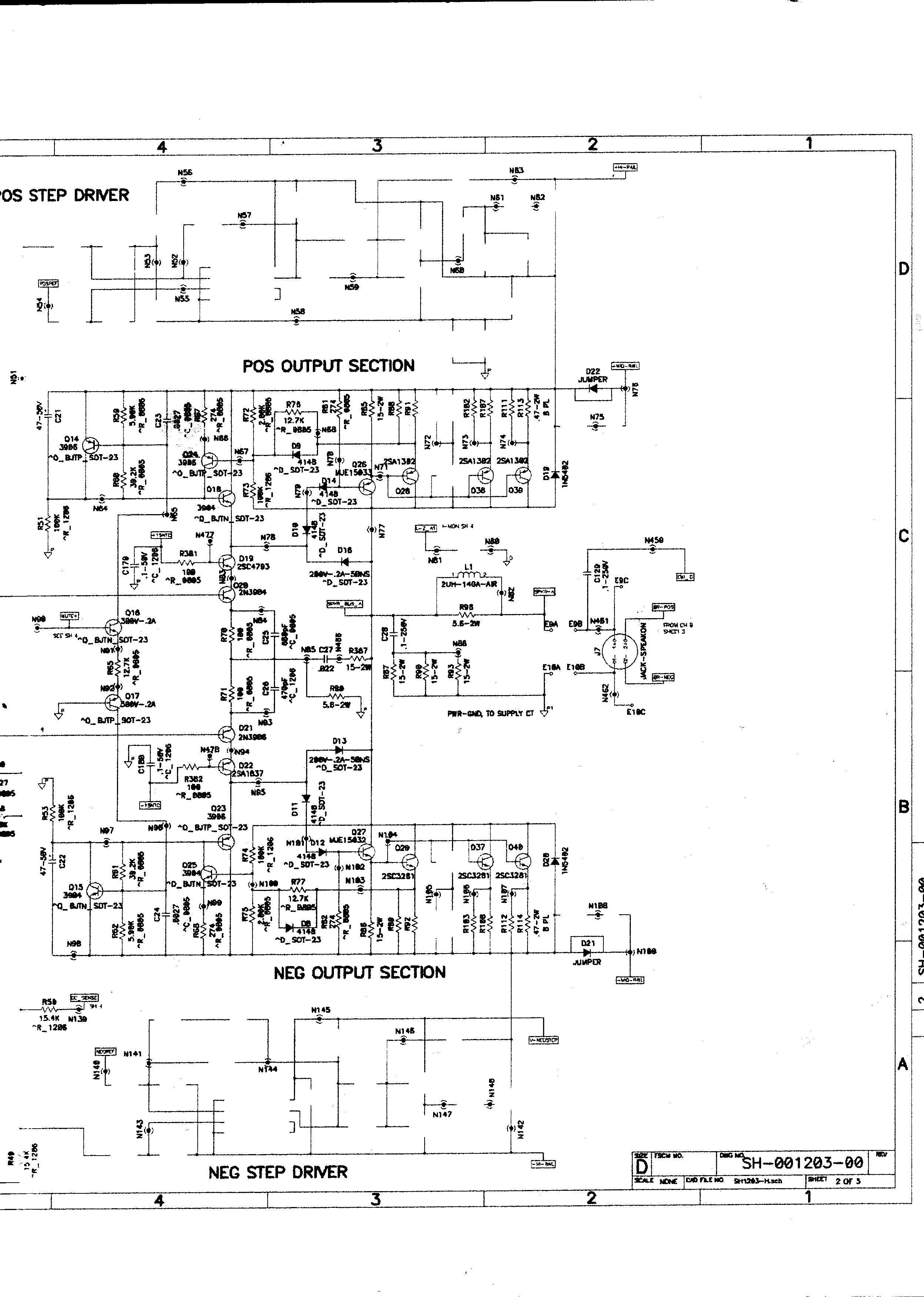
Itt a rajz amit igértem .
Bocsika sok késésért. Mellékelek még képeket az erősítőről.
Ez csak a táp rajza ,estére meg lessz a többi is .
Ha kéritek felrakom ide.
itt van a végfok is 2 részletben.
A végfok analóg
pont az érdekelt volna a digitből na mind1 azért nagyon köszi a táp is érdekes
Thx a rajzokat, mindenki nevében! Sztem sokaknak jól jön! ha meg, nem, hát mégegyszer köszi!
Nem értem, hogy Prinner hogyan érti az oda-vissza tekercselést. Én azt feltételezem, hogy 1 huzalból van az egész, és sehol nincs megcsaplva.
Amugy ha jól tudom erre találták ki a BIFILÁIS tekercselést, így nem kell számolgatni a meneteket, vagy megfordítani a jól kézreállt tekerési irányt. De ha ez így van, akkor az oda-vissza dologgal csak huzalellenállást csinál!!! Nem? Mert a tekercs középen irányt vált, de akkor ezzel a két KÜLÖNBÖZŐ IRÁNYÚ, DE MEGEGYEZŐ NAGYSÁGÚ fluxus kelt, amik LERONTJÁK EGYMÁS hatását a szekunder oldalra nézve. Bocsánat, ha nagy hülyeséget mondtam. |
Bejelentkezés
Hirdetés |










pont az érdekelt volna a digitből 




