Fórum témák
» Több friss téma |
- Ez a felület kizárólag, az elektronikában kezdők kérdéseinek van fenntartva és nem elfelejtve, hogy hobbielektronika a fórumunk!
- Ami tehát azt jelenti, hogy a nagymama bevásárlását nem itt beszéljük meg, ill. ez nem üzenőfal! - Kerülendő az olyan kérdés, amit egy másik meglévő (több mint 17000 van), témában kellene kitárgyalni! - És végül büntetés terhe mellett kerülendő az MSN és egyéb szleng, a magyar helyesírás mellőzése, beleértve a mondateleji nagybetűket is!
Köszi szépen, az adatlapot meg bámultam de pl egy cd4011-esnél azt irta hogy 10V tápnál pl 7V kell hogy váltson errefel nekem 8,5 kellett ehez, de legalább ez működött. De ez volt 15V tápnál is hogy 11V-nál nagyobb kelett váltáshoz. Na de elvonulok böngészni az ajánlott helyekre :yes:
Hello!
Ilyenkor elsősorban nem a konkrét adatlapot nézed (bár ott is meg van), hanem a Google-ben "CMOS Family"-t. Mert ott beszélnek a család jellemzőkről összefogottan.. CMOS Family Alapvetően Te a transzfer karakterisztikát keresed. üdv! proli007
Hello!
Az "erősítő mindig és mindig" topikban számtalan erősítőt találsz. A hálóról nem beszélve. Már 4 tranzisztortól. De azt is megírhattad volna mekkora feszültségre, teljesítményre és hány Ohm-os hangszóróra gondoltál. pld Vagy a Google "Simple amplifier" üdv! proli007
Van egy aprócska gondom:
5ször megcsináltam a 2 LEDes villogót de mind az öt alkalommal csak az egyik led világított(az amelyik a kapcsrajzban bal oldalt látható) Légyszi mondjátok meg mi lehet a baj , mert kezdek becsavarodni köszi hello
Vagy csak küldjél mind az 5-ről nagy felbontású képeket!
íme néhány kép(próbapanelen készült, de volt nyákos verzió is de az szét lett szedve
jól gondolod, 4,5 V-ról
Hát kipróbáltam 8,4 V-ról de így sem működött, és egyszerűen nem értem.Pedig nem vagyok olyan nagyon hülye
. (Csak kezdő)Nade a piros LED így is világított, de a sárga nem(de ha külön kapcsolom rá akkor világít, és a 2 egyszerre is világít ha úgy kapcsolom rá.
Hali!
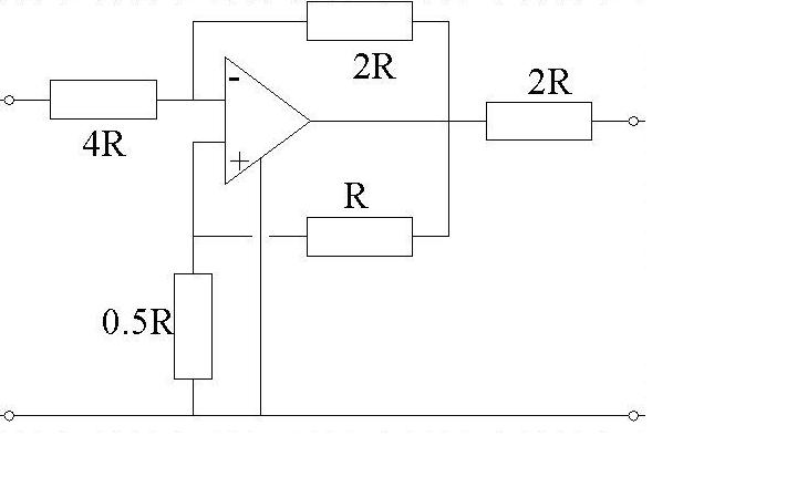
Valaki tudna segíteni az alábbi hálózat R, H, A karakterisztikájának meghatározásában a hurokáramok vagy a csomóponti potenciálok módszerének segítségével? Segítséget kösz!
Hello!
A baloldali (piros) tranyó kollektor-emittere fel van cserélve! üdv! proli007
Üdv
Nekem van egy 5mm-es LEDem, annyit tudok róla hogy 405nm-es hullámhoszú, 140fokban és 68mW-os. Hogyan lehetne megtudni hány mA-t bír mert nem találok hozzá datasheet-et. Erre is alkalmazható a varttina által egyik topikba írt: U=1248/L, ahhol L a LED fényének hullámhossza. képlet? Nem akarom egyből kisütni. Köszi
Először kiszámolod az U-t, és annak segítségével kiszámolod a P-ből az I-t (P=teljesítmény(W) P=IxU)
Egyébként meg 10, és 20 mA között van (ha normál ledről van szó)
Sziasztok!
hőmérőt csinálok piccel,oly módon hogy van egy hőszenzorom,melynek egyik lábát fix 5v-tal terhelem a másik lába bemegy a pic analóg lábára ,és párhuzamosan bekötöttem még egy 50Res ellenállást.Az analóg lábra érkező jelet konvertáltam,és azt nézegettem, hogy 0fokon mekkora ez a konvertált érték(36 decimálisban) majd 100 fokon is megnéztem (18).Ezáltal rájöttem hogy 0,18 "egység" 1fok.Ami marha kevés és nem nagyon tudok vele számolni.Talán magasabb feszültséggel kéne dolgoznom nem?Elvileg 5V-ig tudok nyugodtan a/d c-zni.(ja és dual 7szegmenses kijelzőre írom ki.)Én úgy látom megvalósítható.A hardver megvan,testelgetem és működik.Szerintetek?Tanács?Vélemény? ![]() Köszönöm!
12V-os autó akksiról (szivargyújtó) lenne szükségem 9V DC-re 1.5A-el:
72Sxx A fenti alkatrész elvileg jó lenne hozzá vagy előtte valamivel 9V-ot kéne belőle csinálnom? 78L-el 9V-os elemről már csináltam 5V-ot, de az elem ez meg akksi és egy routert akarok vele meghajtani az pedig nem jó, ha tönkremegy. Találtam az adatlapon kapcsolást is az jó lenne hozzá?
Hello!
- Talán azt is megmondhattad volna, hogy mi ez a "hőszenzor" - A leírás alapján nem is érthető hogy kötötted be. - De ha ez egy PTC vagy NTC ellenállás, akkor egy feszültségosztót képezhetsz vele. Tehát mondjuk a 5V és a bemenet közé kötöd a szenzort, és a bemenet és a GND közé egy ellenállást. Ennek értékének pld. a szenzor 25fokon mért értékével lenne célszerű azonosnak lenni. (Legkisebb a valószínűsége az 50ohm-nak) De addig találgatás lesz, míg nem tudjuk micsoda a kicsoda! üdv! proli007
Na mégsem jó sajnos.
Most nézem, hogy 15V 1.2A kell ennek a T-home-os routernek. Hát ez remek, mi a fenének ezeknek 15 V? Erre a DC-DC konverter kell, ha jól emléxem?
Sziasztok!
Egy elég hülye kérdésem lenne! Van különbség az ESD PROTECTION DIODE és a VOLTAGE SUPRESSOR DIODE között? (nem az angol fordítással van a gondom )
Hello!
- Hát az érdekes lenne, ha 9V kell és előtte 9V-ot kellene csinálni... - Az elem és az aksi között mi a különbség? Nehezebb? - Úgy gondolom a router adaptere 9V-os és 1,5A-el terhelhető. Ezt szeretnéd pótolni úgy, hogy 12V-os aksiról üzemelteted.. De.. Ha valamit megtáplálunk, elsősorban a feszültséget kell számára biztosítani ami szükséges hozzá. Ennek van egy tól-ig tartománya. Aztán ha rákötötted, a készülék akkora a terhelőáramot vesz fel, ami szükséges a működéséhez! A tápegységnek ezt a terhelő áramot kell tudnia szolgáltatni. (Ha több, az általában nem baj.) Három kiegészítő lehetőség van. 1.) Az áramkörben túláram védelem van. Ha a terhelés nagyobb, mint a korlát, akkor leold. Ez lehet bizti, PTC vagy elektronikus. A PTC a terhelőáram megszűnésekor visszatér normál állapotban, a többi nem. 2.) A maximális terhelő áramot korlátozzuk. Tehát a kimenő feszültség eddig a terhelő áramig állandó. Aztán ha túlterheljük a feszültség esni kezd, hogy a terhelőáram már ne tudjon tovább nőni. 3. Túlfeszültség védelem. Ha a kimenő feszültség a tápegység meghibásodása miatt esetleg a névértéke fölé nőne, akkor beavatkozik. (általában egy tirisztor, kiveri a biztit) - Ha nincsenek kiegészítő igényeid, akkor a háromlábú ló, pont megfelelő számodra. üdv! proli7
Azért gondoltam, mert nem tudtam mire való pontosan ez az IC. (csak stabilian tartja a feszt vagy tud rajta módosítani is, de ezek szerint tud bizonyos határok között).
Fogalmazzunk úgy, hogy a 9V-os elemet lehet nyalogatni az autó akksit meg nem ajánlatos így nekem kezdőnek a kettő nem ugyanaz!
Hello!
Ha már előszedted az adatlapot, akkor miért nem olvastad el? Vannak fix feszültségű stabik, és vannak kimondottan változtatható kimeneti feszültségre készültek. Ez FIX ahogy a kódokban és az adatlap első sorában látható. De minden fixet is rá lehet venni, hogy a fix-nél magasabb értéket adjon ki, de ez a stabilitás rovására megy. Túl sokat feltételezel a dolgokról, ezért varázsolod el magad. Ez nem a digitális világ... üdv! proli007
Azért mert nem értettem teljesen és szerettem volna kikérni egy hozzáértő véleményét arról, hogy jól értelmeztem-e azt amit sikerült kiolvasnom az adatlapból.
Nagyon jól esett az így kapott segítség. Kb, mint amikor egy koldusnak odadobják a kenyeret, hogy: Nesze miért nem mész dolgozni! Moderátoroknak: Tudom a segítséget megköszönjük, de azért van egy bizonyos határ.
Olyan koldusnak kenyeret se dobnék, aki azt hangoztatja, hogy ez neki jár. Annak se, aki megtehetné, hogy változtasson(tanuljon). Aki meg nem képes változni, az maradjon koldus. Nem kell mindenkinek elektronikus cuccokat építeni. Főleg olyanoknak, akik annyira nem értenek hozzá, hogy a kérdést is rosszul teszik fel, és eleve látható, hogy a hiányosságok olyan alapszintűek, hogy az reménytelen. Ennek ellenére van aki próbál segíteni, csak fájdalmában kitükröződik a véleménye a válaszban. Ez van.
Sziasztok.
Valaki el tudja érthetően magyarázni nekem, hogy hogy lehet átváltani a wattot amperbe? Köszi |
Bejelentkezés
Hirdetés |








) 




