Fórum témák
» Több friss téma |
Fórum » Autórádió (fejegység) problémák, kérdések, válaszok
Témaindító: angel83zs, idő: Máj 14, 2006
Témakörök:
Sima soros ellenállás szerintem megoldja a problémádat (8 ohm15w-os)
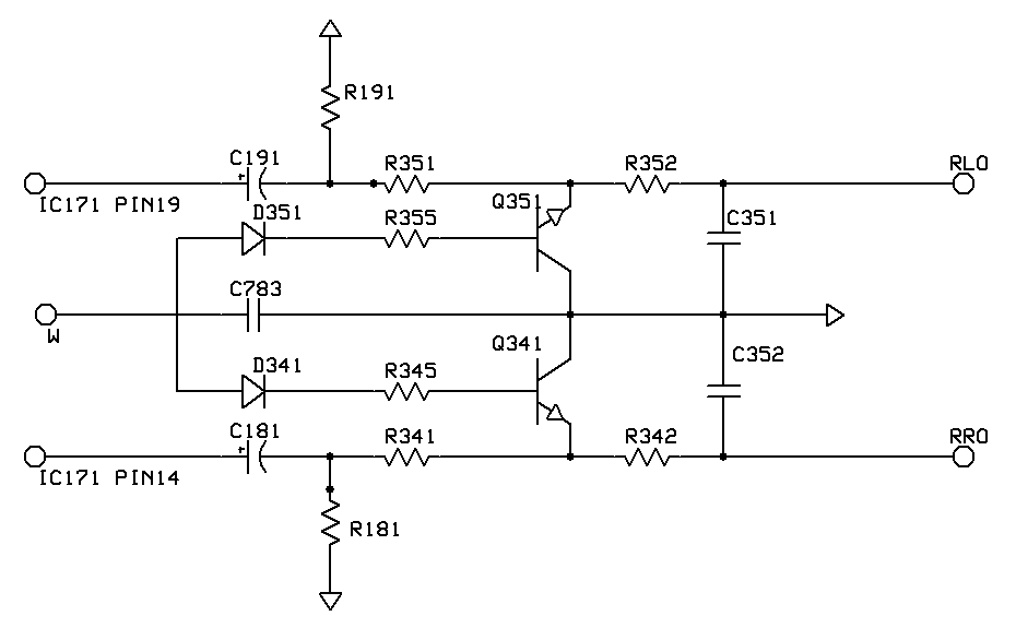
Hello! Megpróbáltam lemásolni a szükséges részt, illetve összeilleszteni a kettőt az expressSCH-val (először csinálok ilyet), hogy majd egyszer nyák legyen belőle. Megnéznéd, nem rontottam-e el valamit?
A tranyóhoz találtam adatokat (itt), de gőzöm sincs, melyik beszerezhető darab rendelkezik hasonló paraméterekkel A diódával ugyanígy állok
Hali!
A C783 nem kell, mert elég egy kondi, amint más, négy kimenetes kapcsolásnál látom a kapcs.rajzon. A két dióda közös pontját pedig a másik két diódára kell majd kötni, ezt a korábbi rajzon elfelejtettem jelezni. Egyébként jó a rajz. Ez a pár alkatrész szerintem könnyen elfér a rádió belsejében, csak a csatlakozót kell megoldani, kivezetni. Majd utánnanézek, mivel tudod helyettesíteni az alkatrészeket...
Kösz. Délelőtt benyargaltam a lomexbe (útba esett), hátha mondanak séróból helyettesítő alkatrészt, de nem tudtak. Viszont diódájuk volt, úgyhogy azt nem kell kiváltani - igaz, hogy csak smd-ben, én meg egy próbapanelen terveztem összedobni az egészet, de ezt majd megoldom valahogy.
Üdv A KTD 1304X= 2SC3616-2SC4204 stb=30V-0,7A-250MHz. A lényeg : Hi-beta! De különben az erősítés és akis zaj a lényeg .Öreg T
Kösz, 3616-ra sikerült végül szert tennem.
A következő kérdésem az lesz (miután reményeim szerint még ma este összerakom az alkatrészeket), hogy le tudom-e valahogy tesztelni az áramkört, mielőtt a rádióba beletúrnék. De ha nem, az sem baj, optimista vagyok
Ha összeraktad az alkatrészeket, dobj róla egy képet, és megnézzük, hogy jól csináltad-e?
De ha nagyon akarod, ki tudod próbálni. A bemenetére (C191, C181) adsz vonalszintű jelet, a kimenetére meg rákötsz pl. egy erősítőt. Ja, és kis "háromszögek" a test, ezeket összekötöd. Ha 12V-os tápot is kötsz rá, a testet a kis "háromszögekre", a +12V-ot pedig a diódákra kötve némítania kell, vagyis akkor a kimenetére kötött erősítőből nem jön a hang... Na tudom, ez kicsit érdekes megfogalmazás volt, de remélem érted...
Kicsit magam is meglepődtem, de elsőre hibátlanul működik
Kösz a segítséget mindkettőtöknek szerk: a tesztről már későn olvastam, de bonyolultnak is tűnt, így jobb
Bocs de 2X45Watt.ot egyetlen autórádió se tud leadni max.2x20Watt.4ohmon.14Volt táp.fesznél.Az hogy ráírják nem jelent semmit.A kicsi tápfesz.+határozza behatárolja a kimenő teljesítményt.
Sziasztok!
A segítségeteket szeretném kérni. Feltörték az autómat és ellopták a külföldön vásárolt autósmagnóm előlapját. Márkaszervizben próbálkoztam,de olyan áron tudnának hozni,hogy a magnót olcsóbban vettem annakidején(kb 1 éve). Állítólag azért ilyen drága,mert belföldön még nem forgalmazzák. Van valami tippetek,hogyan tudnék hozzá szerezni egy előlapot valami elfogadható áron? A típusa:JVC KD-LHX601. Köszönöm.
Sziasztok! van 1 Blaupunkt Cannes RCM 127 tipusu autorádióm és csak annyi a bajom vele, hogy a rádiózás közben átváltogat telefonra , illetve gondolom keresi a hozzá nem kapcsolt telefont. Gondolom ezt valahogy ki lehet kapcsolni. A PTY gombot nyomogatva találtam olyan irást, hogy PHONE IN de nem sikerült vele kezdeni semmit. Ha tud valaki erről valamit kérem segitsem. Ja és eközben elhalkul a rádió.
Az nem lehet, hogy hátul 1-2 vezeték nincs leszigetelve? Pl. ha az A2 testre ér, akkor MUTE-modra vált.
Hello!
Az előfordulhat, hogy ettől a beavatkozástól megváltozik a gyári line out jelszintje, vagy korábban ismeretlen zajokat szed össze? Ma bekötöttem az átalakított fejegységet, és már az első bekapcsolásnál feltűnt, hogy a mélynyomóban hallani a cd-olvasófej mozgásait, és egyébként is furcsa alapzaja van (ez amúgy a gyárilag meglevő hátsó kimenetre van kötve, rajta keresztül megy a jel a négycsatornás erősítő hátsó bemenetére). Mondanom sem kell, hogy korábban ilyen nem volt. Próbáltam a továbbfűzött erősítőt lehúzva, de nem változott semmi. A négy hangszóró (illetve most valamiért csak a bal oldal szól, tehát az a kettő) egyébként normálisnak tűnik. szerk: a két csatorna kimenetét egyébként kéteres árnyékolt kábelen hoztam ki a dobozból, a diódák közös pontját egy harmadik sima vezetéken, ez lehet gond?
Tévedtem. A problémát az okozta, hogy a hátsó hangszórók line jelét a mélynyomó erősítőjén keresztül küldtem a négycsatornásra (mivel előbbinek van kimenete is, a másiknak nincs), és ettől meghülyült a mély-erősítő, vagy valahogy felerősödött a jelszint
Ugyanis kipróbáltam egy másik fejegységet, és annál is hallatszott a cd-mechanika a mélyből, viszont a négycsatornást lehúzva helyreállt a rend. Első körben megpróbálom majd ezt az érzékenység csökkentésével kivédeni, de ha nem sikerül, akkor szükségem lesz egy line-osztó kapcsolásra
Hello!
Volna egy pici problemam! Adott egy Grande Punto, gyari CDlejatszoval, amit most ki szeretnek cserelni egy sajatra, viszont a gyari kormanyrol vezerelheto, amit nem szeretnek kihagyni. Neztem a neten, 15E Ft egy ilyen adapter, ami segit megoldani a problemat, de kerdem en, minek fizessek erte annyit, amikor a fejegyseget sokkal olcsobban vettem!? Valahogy nem lehet ezt megoldani? Azt hiszem Can Bus rendszerrol van szo. Esetleg epiteni egy ilyen atalakitot... Elnezest az ekezetek miatt, de ceges geprol irok, es nincs magyar billentyuzet..
Hello
Szeretnék a kocsinkba autóhangszórót venni, ki is néztem ezt. Szerintetek megéri az árát? Tetszik benne, hogy 4 utas és elég jó a mélyátvitele is. Üdv.
Üdv. Hallgatni is szeretnéd vagy már hallottad is ?Vagy csak hangszórót akarsz venni? Öreg T
Hello
Persze hallgatni is szeretném, hallani még nem hallottam, csupán a paraméterei alapján írtam, hogy elég jó lehet, már ha nem csalnak az értékekkel. Egyébként valósak lehetnek a paraméterei? Üdv.
Üdv. A méret igen és talán a 65W. Öred T
Hello!
Újabb problémákkal szembesültem: zavarszűrés és koppanás Röviden a rendszer most úgy fest, hogy fejegység+mélynyomó erősítő+négycsatornás erősítő, álló motornál tökéletesen szól (én legalábbis elégedett vagyok vele), kikapcsoláskor viszont szép nagyot koppan (mindkét erősítő). De ha beindítom a motort (már az izzításnál is hallatszik egy kis percegés), azonnal megjelenik egy párszáz Hz-es alapzaj. Frekvenciája a motor fordulatszámának függvénye (nyilván a generátort hallani), hangereje állandó, független a zenétől. A generátoron kívül behallatszik még egy rövid sípolás, amikor az elektromos gázpedálról leveszem a lábam , meg a motor leállításakor egy sípszó, más semmi.Átolvastam pár témát, ami zavarszűrésről szólt, és végigpróbáltam az itthon fellelhető 6-8 különböző tekercset, semmi eredményt nem hozott egyik sem (volt köztük egész kicsi és számítógéptápból való fojtótekercs is). Aztán kondikkal próbálkoztam, és látom ám, hogy egyre nagyobb kapacitás apránként kezdi halkítani a zajt. 1000µF már hallhatóan leveszi a zaj legfelső tartományát, 2200u még jobb. Egyelőre négy ilyen volt itthon, tehát 8800-ig jutottam, és egész elviselhető lett a zaj (de még mindig határozottan ott van). Amellett, hogy holnap veszek egy pár 47000µF-os kondit és növelem a kapacitást, kíváncsi lennék, hogy amíg nem volt a fejegység után négycsatornás erőlködő, miért nem hallottam soha ezt a zajt - ennyivel jobb lenne egy olcsó fej szűrése, mint egy kifejezetten autóba gyártott erősítőé? (Ami egyébként egy régebbi sony, ha ez számít valamit...) És az, hogy most hallom, vajon az autó vagy az erősítő hibája?
Talán nem véletlenül használnak 1F-os kondikat komoly autós hangcuccokban...
Én eddig abban a tévhitben voltam, hogy a nagy kapacitást a löketszerű áramfelvételhez ajánlják a megagigawattos erősítők mellé, hogy ne rántsa meg az egész autó elektromos rendszerét egy-egy dobütés, de ezek szerint két legyet ütnek egy csapásra.
Még mindig nem értem, hogy külső erősítő nélkül miért nem hallottam ezt eddig...
Üdv. (1) azért mert az autórádiódnak töredéke az áramfélvétele az erősítőkhöz képest. (2) az erősítőt külön kábelen kötötted össze a rádióval és az akkumulátorral. Ez mind oka lehet a gerjedésnek. (3) elképzelhető hogy az akkumulátorod már gyenge és a rendszer igy közvetlen a generátorról dolgozik ami váltó áram . A legtökéletesebb szűrés a jó generátor és főleg egy jó nagyteljesítményű akkumulátor . Ezen kívül még igen sok ok lehet. Pl: a felsoroltakon kívüll erősítők minőssége -RCA kábel minőssége-elhelyezése (azonos oldalon vitted mint a táp kábelt)- az autórádió .Öreg T
Sziasztok!
Segítség kellene, már nagyon felidegesített egy videoton autó rádió. 2db TDA2003 van benne, ha bekapcsolom és feltekerem a hangerő potit akkor tisztán hallható halgatható hangerővel a zene a rádióból! holot nincs is rákötve semmi csak tápot kap. Ez az egyik, a másik meg ha feltekerem a hangot akkor iszonyatosan elkezd recsegni (nem a poti) akár milyen hangszórót rakok rá(4-8r), még akkor is recseg ha csak "önmagában" szól, de csak fele hangerőtől, odáig nagyon szépen szól, hol keressem a hibát? köszi
Hali!
Az eleje nem egészen világos, a másik pedig több okból erdhet. Ha a poti tutira jó, akkor esetleg lehet a kicsatolókondik hibája is...bár ez a "recseg" kifejezés így elég tág fogalom. Itt pedig találhatsz rajzot: Bővebben: Link
Igen, ez ugyan az a rádió
![]() Tehát, kiszedtem a helyéről a rádiót, hazahoztam, csak tápot kötöttem rá, hangszórót még nem. Bekapcsoltam és elkezdett szólni a belsejéből a végfok környékéről a rádiót, olyan hangmagasságban mint egy piezo. Csak az lepett meg hogy milyen hangosan szólt. Ezt akkor is csinálja ha hangszóró is van kötve a kimenetekre. Tehát hangszórót rákötöm, bekapcsolom és negyed hangerőre állítva nagyon szépen szól, ahogy elkezdem tekerni ahangerő potit, fél állásban még jól szól, de onnan iszonyatosan rosszul szól. kb. úgy mint amikor egy pl. 40V üzemi feszültségű erősítőre 12V-ot adok csak, aztán feltekerem maximumra a hangerő potit. Jobban nem tudom leírni.
Így már világos!
Első körben kicsatoló-kondi csere. Nem onnan hallod a hangot?
Kicseréltem, viszont még csere előtt megnéztem, és most utána is, a két végfok IC brutálisan melegszik pedig 4R -es hangszóró van rajta.
Most csere után az a zaj megszűnt, most van helyette másik. Amikor odacsavarom elkezd pattogni a hangszóró.
Tekintve, hogy ezek a Vidik nem mai darabok, esetleg érdemes átnézni a többi elkót is.
Mit értel pattogás alatt? Stabíl, szürt tápról próbálod? |
Bejelentkezés
Hirdetés |




A


Röviden a rendszer most úgy fest, hogy fejegység+mélynyomó erősítő+négycsatornás erősítő, álló motornál tökéletesen szól (én legalábbis elégedett vagyok vele), kikapcsoláskor viszont szép nagyot koppan (mindkét erősítő). De ha beindítom a motort (már az izzításnál is hallatszik egy kis percegés), azonnal megjelenik egy párszáz Hz-es alapzaj. Frekvenciája a motor fordulatszámának függvénye (nyilván a generátort hallani), hangereje állandó, független a zenétől. A generátoron kívül behallatszik még egy rövid sípolás, amikor az elektromos gázpedálról leveszem a lábam
, meg a motor leállításakor egy sípszó, más semmi.




