Fórum témák
» Több friss téma |
Műköik az egériasztó. A Hobby Elektronika folyóiratban szereplő kapcsolási rajz valóban hibás, a 7-es láb kapja a - tápot, a 14-as a + ot. Így már működik, és mindenféle vinnyogó hangot bocsájt ő ki magából. K kapcsolót bekapcsolva jobban hallható a hangja. Egy 8-Ohm-os hangszóróra dugtam rá próbaképp.
Kinek mi a véleménye, mit lehetne rajta változtatni tökéletesíteni? Egerekkel még nem próbáltam ki, és most sajnos nem is tudom egy darabig, mert nem megyek haza. Írtátok, hogy az lenne a jó, ha folyamatosan változna a frekvencia. Nos ezt az 1MOhm-os potival lehet változtatni kézzel. Kéne csinálni egy olyan motoros potmétert, ami folyamataosan két végállás között mozogna. Egyéb ötletek? Mellékelem a jó kapcsolást, és a régi panelt, amit ki kellett javítanom, pótolnom, hogy működjön. otto54, köszönöm az észrevételt!
Hali!
Tervezem, hogy elkészítem ezt a riasztót, mert kezdenek előmászni a rágcsálók. Amikor először volt csatolva ez a kapcsolás, volt mellette egy leírás. Idézem a frekire vonatkozó részt: Idézet: „A hangsugárzó 16..40kHz frekvenciájú impulzuscsomagokat bocsát ki, 2-10Hz-nek megfelelő gyakorisággal.” De hát itt azt írja, hogy változik a freki... A gyakorlatban pedig mégsem?! MultiSim-mel leszimuláltam, és ott sem változott. Pedig már kezdtem örülni... A csatolt kapcsolás saját maga változtatja a frekit. Én kutyák riogatására használtam több-kevesebb sikerrel. A jumper környéki kondikkal állítható a frekitartomány.
A gyakorlat azt mutatja, hogy 16...40kHz-et a P2 1MOhm-os potival lehet állítani, maximum állásban ad ki 16kHz-et. P1-el pedig a gyakoriságot lehet változtatni.
Ezért lenne jó, ha az az ellenállás valahogy magától változtatná értékét. Azt is lehetne, hogy csak sima ellenállásokat kapcsolna egy időzítős relé, mondjuk 3-4 tartományban bizonyos ideig. Be kéne szereznem egy egeret, hogy megnézzem, hogyan viselkedik a risztó hallatán.
Értem. Nekem az jött le a leírásból, hogy automatikusan változtatja a frekit.
Valamit még nem értek!
K kapcsolót kinyitva is hallható hangot ad ki a kapcsolás. Most jobban megnéztem, ha P2 minimumon van, akkor ad ki nagyon magas, szinte hallhatatlan hangot, de még akkor is lehet hallani. A16-40kHz tartományt nem kéne már hallnai, pedig a hangszórón lehet hallani. Vagy abba a tartományban is ad ki hangot? 200pF helyett 220pF van, mert csak ilyet lehet kapni, de szerintem az nem sokat zavar, vagy igen? A tápfeszültség értéke mit befolyásolhat? Azt észrevettem, hogy elég érzékeny a kapcsolás pl: ujjal való megérintésre. Ha a 220pF-os kondenzátorokat és környékét fogdozom, akkor mindenféle furcsa hangokat bocsájt ki, mintha Mézga géza hívná az űrrokont. A szimulációs program milyen frekvenciaértékeket mutatott nálad?
Én úgy gondolom,hogy nem hallhatod,a 20kHz feletti hangokat(állítólag az emberi hallás sávja ez alatt van). Ami a hangszórón hallatszik az előállított négyszögjel valamelyik, az ember számára hallható tartományba eső összetevője. Amennyiben dinamikus hangszórót használsz,akkor nem valószínű,hogy az igazán hatékony frekvencia tartományban 30kHz-40kHz között sugározni fog. Amennyiben piezo-t akkor lehet eredmény. Gyárit még nem láttam szétszedve,de állítólag az piezo hangszórós.
Nézegettem interneten ezeket a "bolti" riasztókat, mindegyik piezos hangszóróval van szerelve. Viszont ezek a piezo hangszórók max. 25kHz-ig mennek fel. A mi riasztónk pedig 40kHz-ig. Vagy létezik olyan piezo hangszóró, ami tudja ezt a tartományt? Interneten nem igen találtam.
Én egy hangdobozra kötöttem rá, amiben van magassugárzó, azok kb. 20kHz-ig adnak.
Idézet: „A szimulációs program milyen frekvenciaértékeket mutatott nálad?” Az a gond, hogy ez a része nem működik. Bár nem tudom mi nem működhet abban, hogy 1db vezetéket kell bekötni a mérendő pontra, a testet pedig gondolom elrendezi saját magának. Azért a periódusidőre még emlékszem, az olyan 100ns körül lehetett. Gyanúsan kicsi ez az érték. A potikat is hiába állítom, nem történik semmi. Annak a plusz 3.3nF-nak sincs hatása. Tehát megint megmutatta a szimulátor, hogy mit "tud".
Szerencsére valóságban azért több mindent csinál. A potik csavargatásáára is szépen reagál, és a 3,3nF-ot rákapcsolva teljesen más tartományban szólal meg. Csak jó lenne kimérni milyen tartományban működik.
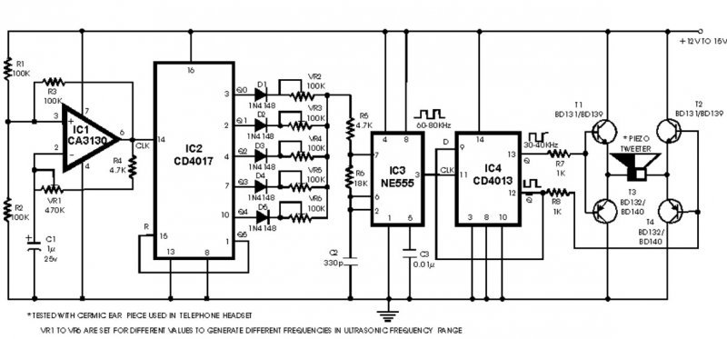
Ezen az oldalon találtam egy komplett megoldást, amiben magától változik a frekvencia. Kicsit bonyolultabb, de lehet, hogy érdemes lenne megépíteni. Hozzáértők figyelmébe ajánlom, hátha ebbe is van valami hiba. Csatoltam a képet és a leírást.
Kersgéltem interneten olyan hangszórót, ami jó lenne.
A legtöbb piezo hangszóró, maximum 25 kHz-ig sugároz. Az nekünk kevés. Léteznek még ultrahang adók, de ezek egy konkrét frekvencián sugároznak. Most akkor mi lenne a jó? Így gyakorlatilag nincs értelme megépíteni semmilyen áramkört, mert 25kHz fölötti tartományba nincs mivel sugározzunk
Én egy ilyen piezo hangszórót használtam a kutyariasztóhoz, de ugyanezt láttam egy külföldi oldalon is, ahol állítólag 20-25kHz felett sugárzott szintén valamilyen állat riasztóban.
Érdemes szkóppal ránézni, mert vannak olyan frekik, ahol begerjed, de többnyire jól kiadja az ultrahang közeli hangokat. Ultrahang tartományban kérdéses a működése, ellenőrizni kellene.
Ezen az oldalon részletezik, hogy melyik állat mit nem szeret.
Madarak: kb. 10 kHz Rágcsálók: kb. 24-32 kHz Rovarok: kb. 27-35 kHz És ez is csak egy hozzevetőleges beosztás. A rágcsálóknak 20kHz felett kéne adni. Ahhoz az általad belinkelt piezo vsz. kevés. Viszont a KSN1020-as és a KPN-1020-as frekvenciatartományban megfelelne, de Magyarországon nem lehet kapni. Erről pedig nem tudni, hogy milyen frekvenciatartományban működik. Ha valaki tud valami olyan piezo hangszórót, aminek a frekvenciája 40kHz-ig elmegy (és persze kapható), kérem írja meg.
Hát erre nem tudok mit mondani. De igazad van, olyan kellene, ami adatlap alapján tudja ezt a frekit, főleg, ha lehet ilyet kapni egyáltalán.
Mindenesetre csinálnom kell majd egy egérriasztót, és szerintem azt a piezo magassugárzót rakom bele, amit az előbb belinkeltem. Az a másik hangszóró, az véletlenül nem ez: Bővebben: Link?
Az szerintem más! Annak máshogy néz ki a "mágnese" hátul
A Conrad is forgalmazza, de ők se írták oda a frekvenciatartományt. Sajnos az ára is elég drága, de ha tudná a frekvenciát, akkor lehet beválna, és nem fölöslegesen csatlakoztatnánk rá a jelgenerátort. egyébként a conrad ezt a hangszórót Ehhez az ultrahangos generátorhoz kínálja, ami 10-40kHz tartományban műkődik, tehát lehet hogy tényleg tudja, de azon se csodálkoznék, ha csak 25khz-ig működne, de azért ők kínálják mindenhez.
Emailben megkérdeztem a Conradot a frekvenciatartományt illetően:
Az ő válaszuk: Idézet: „Üdv! A frekvenciatartománya: 2500 – 45000 Hzig Üdvözlettel Conrad Szaküzlet” Ennél jobb azt hiszem nek is kell :yes:, csak ne lenne ilyen drága.
Ez bizony tényleg jól hangzik. Nos, hát drága vagy sem, ha ez tényleg tudja azt a frekit, akkor muszáj ezt megvenni, hogy tökéletesen üzemeljen.
Én még kicsit várok az elkészítéssel, pontosabban fogalmazva előbb egy frekimérőt fogok összerakni, az úgyis máshol is jól fog jönni, ide meg majdnem elengedhetetlen.
Üdv
Nekem is egér ill. rágcsáló problémáim lennének. Tudna valaki egy egyszerű Ultrahang Generátor kapcsolási rajzot küldeni, amit ehhez a hangszóróhoz köthetek és max hangerővel (leírása szerint Hangnyomás: 92 dB) adna ki. Monjuk egy potméterrel lehetne a frekit állítani. Ha 555 IC-vel megoldható lenne, az lenne a legjobb, csak a IC-hez való kapcsoláshoz nem értek, és hogy hogyan lehet akkora fesszel rákapcsolni, hogy 92db körül sugározzon. Köszi
szia!
555-ös IC-vel megépíthető egyszerű kapcsolási rajzom nincs, viszont egy bonyolultabbat már tettem föl, igaz abba több IC-is kell. Amit én megépítettem, abba 4001-es IC kell, és az elég egyszerű, és mivel egy hármas darlingtonból felépített tranzisztortrió erősíti a jelet, relatíve hangosnak is mondható. Abban igazad van, hogy az lenne a jó, ha minél hangosabban szólna. Az ultrahangnak egyébként az a baja, hogy szinte mindenről visszaverődik, így ez a risztási mód is csak akkor lehet hatásos, ha mondjuk a rágcsáló közvetlen légtérben van a risztóval, de még lehet, hogy akkor sem jó semmire... A héten lehet hogy megveszem a Conradban kapható erre a célra favorizált hangszórót, csak sokallom az árát. A teáltalad belinkelt is lehet, hogy jó, bár én abban már jobban kételkedem, ugyanis, azt HIFI célokra árúlják, és ott eléggé szeretnek nagyot mondani. Az ember 20ezer Hz-ig már simán nem hall, viszont jól mutat ráírni, hogy 40ezret tud, ezzel sok embert megtévesztenek. Persze lehet, hogy tudja, de én inkább a másikba bízom. Igaz az drágább is, nem véletlen... Műszerek nélkül sajnos nehéz lesz megállapítani, hogy mit tud, viszont a hétvégén hazamegyek és lehet csínálok pár "állatkísérletet" feltéve, ha veszek hangszórót. Egeret kéne szerezni. Lehet bevetem az ősi virágcserép féldió módszert, eddig nálam az volt a leghatásosabb. 3 cseréppel 14 élő egeret fogtam meg pár nap alatt. :wow1:
A Conradban kapható risztókészülék 3600Ft-ba kerül. És elvileg ugyan azt tudja, mint az általam megépített. Ahhoz is külön kell megvenni a hangszórót.
Ott is csak egy potit kell csavarni, amivel változik a frekvencia. Sőt az enyémmel, még a gyakoriságot (2-10Hz) is lehet állítani. Szerintem az egészet 1000-1500 Ft-ból (hangszóró nélkül) simán meg lehet csinálni egy szép próbapanelre, vagy egy kartonlapra, vagy csak simán légkábelezve. Már csak az a kérdés, hogy működik-e, vagy semmit se ér az egész.
Nah igen.
És mivel lehetne megvizsgálni hogy tényleg ad e hangot? Sima mikrofont bedugok a szgépbe, vagy nem is, hanem Jack dugón keresztül bedugom a szgép hangkártyájába akkor egy Soundforge vagy ilyesmi fel tudja venni? Vagy vmi komolyabb program, csak az érdekel hogy elvileg tudja e rögzíteni a 30Khz hangot? Thx
Én is megvenném ezt ha tudnék hozzá kapcsolást.
A linkelt kapcshoz mit szólsz? Elhagynám a 4017-et és a CA3130 IC-t és csak a 555 lenne rajta meg a 4013-as akkor működne? Sajnos nem tudom hogy a 3130-asnak mi a funkciója, de a kapcsból ítélve csak léptetné az 555höz kapcsolt ellenállásokat. De azt akkor egy másik 555-el lehet helyettesíteni nem?
Jókat tudsz kérdezni, sajnos én ehhez keveset értek. Én is a CA3130-at, és a 4017-et hagynám ki a játékból.
Viszont úgy, csak egy állandó jeled lenne, semmi változás, semmi pulzálás, folyamatossan adná a 30-40kHz-et, ezt viszont az állatok megszokják és nem hatásos. Egy próbát azért lehet, hogy megérne. Ha valaki ért hozzá írja meg a véleményét!
Én úgy gondoltam hogy a 4017 maradna akkor, és azt is egy 555-el hajtanám meg, a léptetését minden más maradna így a pulzálás is. Valaki aki többet ért hozzá, várnánk a segítségét. Ezzel a kapcsolással mekkora hangerőt lehet elérni?
Én a következőket tenném hozzá:
Ha nem is automatikusan változó frekijűt építetek, akkor legalább egy potméterrel manuálisan lehessen állítani. Én a vakondriasztómat (ez, és a kettővel alatti hozzászólás) egy 555-ös astabillal készítettem, és pár naponta állítok rajta egy picit. Amióta kihelyeztem, nincs új vakondtúrás a kertben. A segédprogramok között lévő progival könnyedén kideríthető, hogy ultrahang tartományhoz milyen alkatrészek kellenek. Én valószínűleg ebben a hozzászólásomban lévő kutyariasztót fogom kicsit "áthangolni", hogy a kutyát ne, de az egereket elriassza. Jó volna még valami PIC-es kapcsolás, ami adott időközönként adna ki egy rövid hangot random frekvencián (persze ultrahang tartományban). A kutyariasztós témában volt egy hasonló megoldás AVR-rel, de én még a PIC-ekben is nagyon kezdő vagyok, az AVR meg azt sem tudom mi fán terem.
Igen igen, a két kapcs nem sokban tér el egymástól funkciójában. A frekit ott is 555 adja, engem az előbb feltöltött kapcsomon lévő, piezzot körülvevő kapcsolás érdekelne (szimmetrikus darlington talán
, foggalmam sincs hogy hogy hívják) valahol azt olvastam hogy az megduplázza a piezzora kerülő feszültséget, így nagyobb lesz a hangerő.Az 555 freki beállításában nincs probléma, az megy, csak hogy a kész kapcsolást letesztelni hogy tényleg működik e azt valami ötletes egyszerű módszerrel kellene megoldani valahogy... Most olyanon gondolkodom hogy rákötök egy LED-et amit megpörgetek, és a figyelem hogy mekkora fordulatszámnál kezdem nem összefüggőnek látni. A szem tehetetlensége kb 1/8 sec így a kerületi sebességből elvileg kb-ra meg lehet mondani hogy mekkora a freki, de nem is a frekire vagyok kiváncsi, hanem arra hogy egyáltalán "villog" e a led. Idézet: „csak hogy a kész kapcsolást letesztelni hogy tényleg működik e azt valami ötletes egyszerű módszerrel kellene megoldani valahogy...” Frekimérő és szkóp kérdése az egész. Előbbit megépítem, utóbbi pedig van egy öreg ruszki példány személyében. Mondjuk lehet, hogy én könnyen beszélek...
Azt hiszem conradban veszek egy hangszórót, és megépítem azt a kapcsot, aztán kiderül...
Nem tudom mikorra lesz kész, mert vizsgidőszak és nem is vagyok otthon, ahova kellene, majd kiderül. Szorítsatok
Én pedig a betegség miatt nem tudok haladni... Még jó, hogy vizsgáznom nem kell, de a betegség sem jobb annál.
A vizsgáidra csak annyit, hogy: HAJRÁ!
Üdv
Összeraktam egy nyáktervet, a feliratokat ne nézzétek, azokat magamnak szoktam írni, összerakásnál könnyebb ha kinyomtatom és az alapján rakom össze. A !!! jelű ellenállások és poti-ra nem írtam értékeket mivel azok a kívánt frekvenciától függenek, hogy kinek mi kell. Üdv |
Bejelentkezés
Hirdetés |















