Fórum témák
» Több friss téma |
Ez egy használható rajznak tűnik!
Szerintem jó lesz neked is... Itt találtam a ''Sok LED-es villogó'' képei között... Persze nem tökéletes, de könnyen kijavíthatók a benne található hibák!
Hát a link nem működik! Erre gondoltam! Itt három, három led fölváltva villog vagy össze vissza? három össze vissza és a másik három gyorsabban össze vissza?Bővebben: Link
Megfelelő rendszer szerint DE nem összevissza.
Binárisan számol.( az utolsó be/ki utolsó előtti be utolsó be/ki utolsó előtti ki .... mindíg az előtte lévőt felezik.) Ha sima villogó leded van (tehát ki be kapcsolgatós) azzal ha sorbakötsz egy 10-20 mA -s nagy fényerejű ledet meg egy ellenállást akkor a két led együtt fog villogni.Esetleg az ellenállás után a ledekkel párhuzamosan kellhet egy kondi.
Nemigazán értem
(bocsi) akkor az első be utánna a másik és akkor le az első? Ha így van akkor ez így talán jó is lenne nekem! kicsit átalakítottam a kapcsolást (lásd képen) Így működhet ugye? Mint említettem Disco fény lenne Rgb-led ek befókuszálva és egy tükör mozogna elötte! (ha érted!?)De ha nem így működne akkor valami más kapcsolát tudna küldeni valaki ami ehez nekem jó lenne? Előre is köszönöm!!! Jelenleg nem igazán vagyok otthon az integrált áramkörökben csak most kezdem ezt a részét az elektronikána.
Az első be utána ki a második be az első be utána ki a második ki az első be az első ki a második be....
_-_-_-_-_-_-_-_-_- első led __--__--__--__--__ második led ___-----___----__ harmadik led ______-----------__ negyedik led Az alsó vonás a led kikapcsolt állapota a kötőjel a bekapcsolt,és a függőlegesen egymás alattiak vannak egy időben.(EGy picit elcsúszott,de ha a vonásokat számolod ...) A rajzod nem hiszem hogy működik.A ledek különösen a különböző szinűek nem szeretik a párhuzamos kapcsolást.Az ic kimenete sem terhellhető elvileg még egy leddel sem (bár ezt még el szokta viselni) nemhogy hárommal.
Na sziasztok!
Mivel én még nagyok kezdő vagyok az elektronika terén, elkezdtem építeni egy 2ledes villogót, de aztán, hogy ne porosodjon itt a polcon, hasznosítani akartam valamire, és most ebben kérem a segítségetek! Azt akarom, hogy a villogó (amibe 2db olyan led lesz, ami mintát világít) a plafonra villogjon. Azt megoldottam, hogy a led fénye nagyobb körben szóródjon, de most már még több extra kellene, amiket még nem oldottam meg: a led csak akkor villogjon, ha megy a zene(és ezt egy olyan vezetékből tudja meg, ami egy hangszóróhoz megy) és sötét van. A sötétben működést még lehet, hogy meg tudom oldani úgy, hogy az egész meglévő szerelést kombinálom egy alkonykapcsolóval, de ahhoz nincs ötletem, hogy hogyan csinálhatnám meg azt, hogy csak akkor menjen az egész ha megy a zene. Ebben kéne nekem segíteni. És hogy ne maradjak kép nélkül, felrakom ennek az egésznek a kb20%-ban kész levő képeit, remélem tudtok nekem segíteni! UI: próbáltam a legjobb munkaminőségre törekedni, de nekem még nem nagyon megy a forrasztás, a többi precíz munka, szerintem...
Sziasztok!
Kérdésem a következő:az lm3909 kiváltható valamelyik 555-el? Ha igen tudnátok küldeni rajzot hogy melyik láb melyiket helyettesíti? köszönöm
Szervusz!
Meg tudnád mondani a tranzisztorok neveit a 3909 helyettesítő kapcsolásában? köszönöm
Köszönöm a gyors választ,de én sajnos mindig nem találtam választ a kérdésemre: ( ąz lm3909 kiváltható valamelyik 555-ös icvel?)
Üdv!
Szeretnék tőletek kérni egy kis segítséget. Ti milyen diszkófényt(házibuliba) csinálnátok magasfényű ledekből?(200db ledből) Minél több ötletet szeretnék kérni. Stroboszkópot nem szeretnék. Én olyanra gondoltam,hogy világító tánctér legalább is a 4 oldala de az nem lenne túl jó mert nehezen lehetne szállítani.
Szia!
Ezt a fényeffektet ( Bővebben: Link ) a hozzá mellékelt programmal ...relve. Vagy az előbb belinkelt effektet a Winamp DiscoLitez Deluxe 32-es áramkörével vezérelve. Persze LED-ekre adaptálva. A Deluxe 32-vel egy LPT porton keresztül 32 LED-et vagy LED-csoportot tudsz vezérelni...
köszi az ötleteket még gondolkozom rajta.
A Led Shiine már megépítettem.
Sziasztok!
Tud valaki olyan kapcsolást amely 1db 2lábú 2színű ledet villogtat?
Ha zene ritmusára szeretnéd villogtatni, javaslom hogy fogj egy kerti solar lámpát és annak az elektronikáját használdd. az neked pont jó mert nem nagy durranás csak lekötöd a fotodiódát és rákötöd a hangszóróra, és beleraksz egy elemet vagy amenyi kell bele
általába egy vagy 2 darab AA- ceruzaelemmel működik. És máris kész a ritmusra villogó led Én pl egy 300ft-os lámpábol (1,5v -ot igényel)csináltam csak kísérletezés céljóból h mi lesz vele ha rákötöm a hangszóróra, és meglepődtem mert nagyon jól működik Persze a napelemet kösd le róla mert a szobába semmi értelme (2 led-et simán elvisz).A fogyasztása is nagyon kedvező , nekem egy hulladék elem van benne kb 2 éve naponta kb 1-2 órát dolgozik ,mert sosincs kikapcsolva, és még mindíg hibátlanul működik. Itt van egy pár kép a rendszerről
Sziasztok!
Olyan áramkörre lenne szükségem, ami a zenei basszus pillanatára be, majd kikapcsolna egy tranzisztort, ami képes lenne 12V és 10A-t nyitni és zárni és erről a tranzisztorról szeretnék a basszus ütemében vezérelni egy áramkört, ami sok ledet hajt meg. Ennek az áramkörnek, mint írtam is 12v-ra és legalább 10A-re lenne szüksége, mert sok ledről lenne szó. A ledhajtó áramkör már megvan. Előre is köszönöm az ötleteket!
Szerintem ha beírod a keresőbe : fényorgona
találsz egy pár ilyen kapcsolást
Igaz!
Köszönöm!
Sziasztok!
Szeretnék készíteni 3 vagy 4 nagy fényű színes ledből villogót. Annyi bajom lenne vele, hogy nem találtam a tudásomnak megfelelő kapcsolási rajzot. Ez azt jelenti, hogy 5 áramkört építettem és ilyen hogy PIC vagy IC nem értek semmit. Táhat egy olyan rajz kéne amiben nincs IC vagy PIC. Remélem nem idegsítek fel senkit válaszaitokat előre is köszsönöm.
Sziasztok!
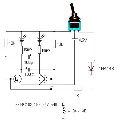
Az lenne a kérdésem, hogy az alap 2ledes villogót a két tranzisztorral hogy lehetne egy darab 1áramkörös 3állású kapcsolóval kikapcsolni, bekapcsolni ill állandó világításra bírni.... A segítségeteket előre is köszönöm!
Hali!
Próbáld meg ezt!
Köszönöm a gyors választ, kipróbálom amint tudom!
Hali!
A két tranzisztor bázisának fix összekötése miatt. az áramkör nem fog rendesen működni!
De ha a kollektorokról egy-egy diódával "direkt" pontot kapnak a LED-ek, akkor megoldható a villogás per folyamatos világítás... Lásd mellékelt kép.
Jajj! Így akartam! Csak elfelejtettem berakni a másik diófát is. De az enyém is működik lehet.
|
Bejelentkezés
Hirdetés |





(bocsi) akkor az első be utánna a másik és akkor le az első?
Ha így van akkor ez így talán jó is lenne nekem! kicsit átalakítottam a kapcsolást (lásd képen) Így működhet ugye? Mint említettem Disco fény lenne Rgb-led ek befókuszálva és egy tükör mozogna elötte! (ha érted!?)


általába egy vagy 2 darab AA- ceruzaelemmel működik. És máris kész a ritmusra villogó led
Persze a napelemet kösd le róla mert a szobába semmi értelme
(2 led-et simán elvisz).



