Fórum témák
» Több friss téma |
- Ez a felület kizárólag, az elektronikában kezdők kérdéseinek van fenntartva és nem elfelejtve, hogy hobbielektronika a fórumunk!
- Ami tehát azt jelenti, hogy a nagymama bevásárlását nem itt beszéljük meg, ill. ez nem üzenőfal! - Kerülendő az olyan kérdés, amit egy másik meglévő (több mint 17000 van), témában kellene kitárgyalni! - És végül büntetés terhe mellett kerülendő az MSN és egyéb szleng, a magyar helyesírás mellőzése, beleértve a mondateleji nagybetűket is!
Köszönöm!
De ezeket az akkukat miért nem kell kisütni? Rosszat tesz neki? vagy csak felesleges? Üdv!
Az optokapuk infra tartományban üzemelnek, habár van infra mindenhol nem szokott problémát okozni. Kicsi a távolság a led és a fototranzisztor között így nem nagyon jut be oda fény kintről.
10V alatti kisülés után kuka. Sajnos ez van.
Áhá értem..
Ebben még volt 12.5V most már a töltés folyik 13.6V van az akkuban és 0.62A-t kér még.. Üdv!
Értem!
Kicsit gázosodott 2 cella ezért levettem a töltőáramból.. Így már csak 0.35A-t eszik.. Vagy az nem baj ha kicsit "puffog" odabenn?
Semmi meleg, még langyos se..
Folytathatom a töltést?
Megépítettem egy kocsiba való AVR-es kapcsolást, de gondom adódott vele.
A tápja LM2931-el van megoldva és esetünkben 12V-ból csinál 5V-ot az AVR számára, de az a gond, hogy egy pillanat alatt rettenetesen felmelegszik és tönkre megy. Itthon egy mezei 1000mA-es hálózati adapterrel próbáltam ki és azzal működött rendesen. A bekötése mezei. Egy 100 nF-os kondi a bemeneti és egy a kimeneti lábra és a földre kötve. Utóbbival párhuzamosan van kötve egy 100 ľF elko is. Ki tudom váltani valamivel, ami nem sül el? Vagy min változtassak, hogy jó legyen? 7805 talán? Köszönöm a segítséget.
Hahó
Lenne egy kérdésem. Hogy lehet négy darab elemből (6V), 0,025A-ből magasfeszültséget csinálni. Teljesen mindegy, hogy váltó, vagy egyenáram. Segítsetek
Mennyire magas feszultseget? Azt az aramdolgot ne eroltessuk...
Igazabol ha a magasfesz alatt olyan kb 80V korulit ertesz, akkor step-up tappal. Tekercs, dioda, kondi meg egy ic, no meg egy FET, ami kapcsolja. Ha magasfesz alatt joval nagyobbat, akkor ugye meg kell szaggatni, ravezetni egy trafora, masik oldalon lecsapolni es szukseg szerint egyeniranyitani. Az aram csak ezutan jon a kepbe, a meretezesnel. Mit szeretnel kesziteni?
Kb 1000V, vagy ennél nagyobb, de ha ez nem megoldható, akkor elég 200-300V is. (De minél nagyobb legyen!!!) Úgy gondolom, (de lehet hogy tévedek) mivel négy elemről megy, nem lehet halálos
.Tudnál segíteni?
Ha lehet, mindkettőre írj megoldást légyszíves!
Sziasztok
Van egy inverterem (én csináltam) és nagyon halványan világít vele a neon Mi lehet a baj? Szerintem az hogy nagyon kevés az áramerősség .Nem?Hogy tudom ezt növelni? Help
Hello!
Már többször feltetted a kérdést, de sem egy rajz, kép, vagy valami kapaszkodó. Nem segítség lesz belőle, hanem figyelmeztetés! Nézz utána, mi az a "neon". üdv! proli007
Hello!
Idézet: „Úgy gondolom, (de lehet hogy tévedek) mivel négy elemről megy, nem lehet halálos” Bizony tévedsz! Kondi kérdése az egész. A kondiban tárolt energia (C*U^2)/2 és még egy lovat is agyon lehet vele ütni.. üdv! proli007
Itt van pár kép az "inverterről"
A kapcsolási rajzot nem találtam meg Egyébként ha ugy nem jo hogy neoncső akkor meg fénycső! De ha nagyon akartátok volna értelmezni a kérdésemet akkor tudtátok volna hogy a fénycső "falusiasan" neon (szerintem) Kössz! Üdv jocki17
Hello!
Ez a blocking kapcsolás, csak valami vicc. Keress komolyabbat, pld. itt. Általában egy ilyen kis tekrincsel nem lehet akkora villanyt készíteni, ami a cső gyújtásához elegendő. üdv! proli007
Kössz
Akkor csinálok egy komolyabbat... Akkor ebből semmi komolyabbat nem lehet kihozni? (legalább a 8W-os fénycsövet vinné el valahogy) Mégegyszer kössz! Üdv
De mit szeretnel vele csinalni?
Folyamatos kell vagy impulzusszeru eleg? Nos, ha ekkora kell, akkor mindenkeppen a trafos megoldas lesz a nyero. pl. egy notebook invertere vagy egy szamitogep neon csovenek meghajtoja egy kesz megoldas. Nagyjabol akkora a bemeno feszultseg es uresben 1500V korul adnak ki. Aztan ott van pl. az eldobhato ocska fenykepezok vakuja, ott par szaz voltot tarol kondiban, azt suti ra a csore. Ott ugye 1.5V-bol dolgozik... De ahogy irtak, mindketto veszelyes. Ha valamifele sokkolo kell, akkor a netrol tazer kulcsszoval...
hello mindenkinek segítsetek olyat akarok csinálni hogy egy sima egysarkú kapcsolóval kapcsolok egy sorosan kötött kjülönálló két fénycső almatúrát és azt akarom hogy kapcsoljo is és egy mozgásérzékelő is kapcsolja
, hogy lehetne ezt megoldani ? Bővebben: LinkBasszus, használd már a LINK gombot, mert különben teljesen szétcse-húzod az oldalt! --vicsys
Hello srácok/lányok.
A kérdésem az kapcsolásokban szereplő eszközök elemről való meghajtásával kapcsolatos. Konkrétan a hestore-ban lévő lcd vagy 7szegmenses kijelzős hőmérőre, meg az itt a kapcsolások közt lévő dcf77-es lcd kijelzős órára vagyok kiváncsi. Gondolom az LCD fogyaszt a legtöbbet. Azt tudom hogy stabil 5V kell neki, de egyébként megoldható valamilyen elemmel/elemekkel? Köszi a segítséget, üdv!
Hello, üdv a fórumon!
De rosszul tudod. - Az LCD és a Led kijelző is hétszegmenses. - Az LCD fogyasztja a leg kevesebbet. - Ha elemmel hajtunk valamit, három kérdés merül fel. Mekkora az áramkör fogyasztása, mekkora az elem kapacitása, mennyi ideig szeretnénk, hogy működjön róla. Tehát ezeket kell tisztázni.. üdv! proli007
Köszönöm válaszodat!
Hogy konkretizáljam, hátha ismeritek ezeket közelebbről erre meg erre gondolok. Hogy ezeket meg lehet-e csinálni úgy hogy kb fél évig elemcsere nélkül menjenek, vagy ezekhez mindenképpen adapter kell. Még egy kezdő kérdés, hogy van-e különbség az ellenállások között melegedésben. Úgy értem hogy azonos méretű ellenállások de az egyik tipús/gyártmány kevésbé melegedik. köszi mégegyszer.
Üdv mindenkinek!
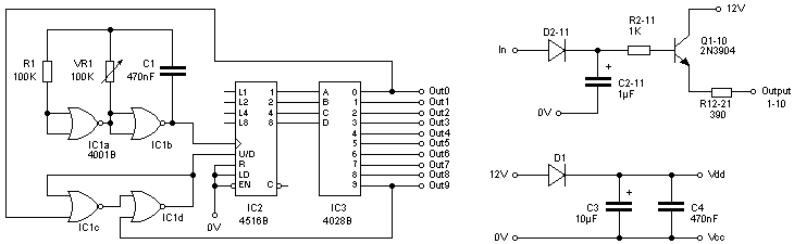
Úgy gondolom nem vagyok kezdő. Mégis ide írom kérdésemet mert eléggé alap kérdés + kérés. Szóval van ez a rajz és én még ilyet nem láttam IC rajzában és az adatlapjáról sem tudtam kikövetkeztetni, hogy mi az a kis háromszög befelé a 4516-os IC lábánál ami a 4001-ről jön és ld láb. Ha valaki tudja és esetleg odaírná a rajzomhoz az IC 4516 IC lábkiosztását, megköszönném. További jó estét mindenkinek!
Üdv
(Elnézést kérek minden fórumtársamtól, de az előbb véletlenül a labortápegységes topicba irtam) : Lecserélhetek egy 2SC1061-es tranyót egy BD241-esre? Inverterbe lesz! a 2SC1061 SI-N 50V 3A 25W 8MHz NF/SL és a BD241 SI-N 70V 3A 40W >3MHz NF/L Kössz a válaszokat!
Helo
Nagyon egyszerű dolgod van a lábkiosztást illetően mert "felcsapod" a google kezdőoldalát és beírod az ick típusát. Az adatlapokon mindent megtalálsz. A háromszöges bemenet az az órajel bemenete mert ami rá csatlakozik az egy NAND kapuval erősített RC oszcillátor.
Köszönetem! De az még mindig az adatlapró sem derül ki számomra hogy mi az
Idézet: láb és a „ld” Idézet: mert ha nem az a clock vagy órajel akkor mi.„c” Köszönöm a türelmet. Bővebben: Link Ne szúrj be képeket, a hivatkozás ugyanolyan jó, és extra helyet sem foglal az oldalból. Javítottam. -- kobold
Az "ld" a load rövidítése, a párhuzamos beírást engedélyező láb, megfelel a PRESET ENABLE lábnak.
A "c" a carry out jelölése, az átvitelt jelző kimeneti láb. (Knight-Rider fény?)
Köszönöm neked is akkor még maradt ez en láb mert arról meg azt hittem hogy az az enabled (engedélyezés)
akkor az mi lehet és a rajzon még van a 1,2,4,8 a 4516 IC-n az nem a lábak száma az biztos szerintem hanem a kimenetek de akkor miért nem Q1,Q2,Q3,Q4 ha esetleg az az akkor melyik melyik. Igen az egyébként Bővebben: Link Szeretnék egy ilyet építeni mint régen. Csak az nem volt ilyen hiteles mert ezen egyszerre nem csak egy led világít ahogy az autón sem. Köszönöm. |
Bejelentkezés
Hirdetés |




.



--vicsys





