Fórum témák
» Több friss téma |
Középen mértem, ami átmegy a csévén a két átlós sarkánál. Az egyik fél mag 20-40kohm volt, a másik 8-16kohm attól függően, hogy érintettem hozzá a multi vezetékét.
Szia!
A teljesitmenyt 600 es 800 W korul akarom behatarolni. Es tevedsz,nem erdekel,ha valaki kiszamolja,nem vagyok az az agyatlan maganakvalo anyamasszony katonaja,aki nem hajlando ezert napokat szamolgatni.Csak mivel bizonytalan vagyok,es szeretnem azokat az embereket megkerdezni,akik ertenek nagyon hozza. Mindenki keresi a mentorat,de csak irigy emberekbe utkozik,ezt persze nem Rad ertem,csak olyan jo lenne,ha a megtanultakhoz meg parosulna egy gyakolott elme is,aki atadja a tudasa legjavat. Bocsi az offert,de mar ki vagyok akadva,hogy meg azon a kibeba... bmen is csak homokos melle beszelo emberileg 0 tanarok oktatjak a szamomra oly kedves targyakat... Szeretnek tanulni,alkotni,de nagyon nyogve-nyelosen megy.Mindezt azert mert nem tudok pontosan informalodni,csak toredek anyagokhoz jutok. Halas vagyok ,hogy azert van egy-ket kedves ember aki segit nekunk meg nem annyira ugyes es okos embereknek. Ja es a helyesirasi hibakert elnezest ha van,es az ekezet nelkulisegert,de telefonon kicsit lassan megy a korrekcio. ![]() Szep almokat mindenkinek!
Nem tudja valaki, hogy a lomexben az ETD34 -es ferrithez hol lehet csévetestet venni, mert ott nem találok?
Köszi!
Csak az a baj, hogy a lomexből úgy is akarok rendelni, és nem akarok két postaköltséget fizetni. Kár, hogy a lomexben nincs. Lehet, hogy majd csinálok neki valami csévetestet. Az ETD34-el Kijön 300-350W Cimopata tápjából?
Hali!
Kérdezd meg a lomexet van e nekik. Előfordul hogy ami a netes listába nincs az a boltba attól még van. 350W-ra már nem tenném a fogamat.
600w-ra jó a BYW29 dióda +-50V-ra?
Ha nem akkor melyik lenne jó, amit lehet rendelni lomexből? Köszi!
Sziasztok!
Szeretnék építeni egy Cimopata féle tápot, de sajna nincs oszcillátorom! Valaki itt a fórumban írta, hogy többször is után építette ez nélkül, csak frekimérőt illetve induktivitás mérőt használt! Tőle illetve mindenitől kérdezném, hogy hogyan élesztette? A másik kérdésem az lenne, hogy a nyáktervezésnél mire ügyeljek, mit tartsak szem előtt! Előre is köszi! Üdv.:Csonty
600W-ra 8A- szerintem nem lesz elegendő.
Ráadásul, ha komolyabb deiódára fektetsz be akkor ugyanazon az áramon kevesebb veszteséged lesz. Pl: DUAL BYV32-200G 2x10A 200V vagy talán mégjobb DUAL MBR20200CTG (ONS) 2x10A 200V Csonty! Kicsit visszább felraktam az újabb típusú tápról képet. Néhányan várják a kapcsolás, meg a nyáktervet hozzá. Ma megveszem a vezérlőic-t bele és ha lesz időm letesztelem terhelésre mit produkál, ha oké minden akkor felrakom a nyáktervét is és a kapcsolását is. Annyiban jobb a cikkbe szereplő kapcsolástól, hogy a segédtáp része egyszerűbb, meg a rezonáns része is egyszerűbb, de majd kiderül. A nyákterv biztosan jobb mint amit a cikkben közölt. A cikkben szereplő egy amolyan "aki akarja gyorsan összedobhatja" nyákterv.
Bocsi a fogalmazásért de nem magyar közegben lakom, a szakszavakat oroszul tanultam így nekem a magyar kifejezések nehezek. Én DC-DC konverterekkel kb.10-12 éve, foglalkozom 12 röl 40 – 220 volt között és nagyobb áramokra. Láttam konvertert 350 KHz fel lett is, de nem házi tervezésűek voltak. De szerintem, ha 4 el elosztod a 350 et egy reális frekit kapsz és az építés árát is kb. ennyivel, lehet osztani.
Orosz ferriten max 25 KHz ig. tudtam gerjedés mentesen építeni, az Epcos megjelenésével lehetett emelni a frekvenciát de a tapasztalataim (lehet tervezési vagy alkatrés hibák miatt) úgy vettem észre, hogy a Fet-ek 50Khz alatt fellélegeznek. Én legtöbbször UC3825+ IRFP 2907 +TC4420 at használtam de most inkább SG3525+ IRF3205 +MIC4422 ezzel, jóval olcsóbb. A trafó, ETD jó a használt is egy pár forint, kiéget komputer tápból (350-500Wtosból) ki cinelni 30-60 percig egy edényben, amely aljára egy ruhadarabkát teszel és főzzük, majd egy munkás kesztyű segítségével szétszeded, lehet akár 2 trafót is tenni, ahogy a Kínaiak is használják ötletesek, feltalálják magukat, teszik soroson, párhuzamoson épp mikor mire van szükségük.
Heló dedista!
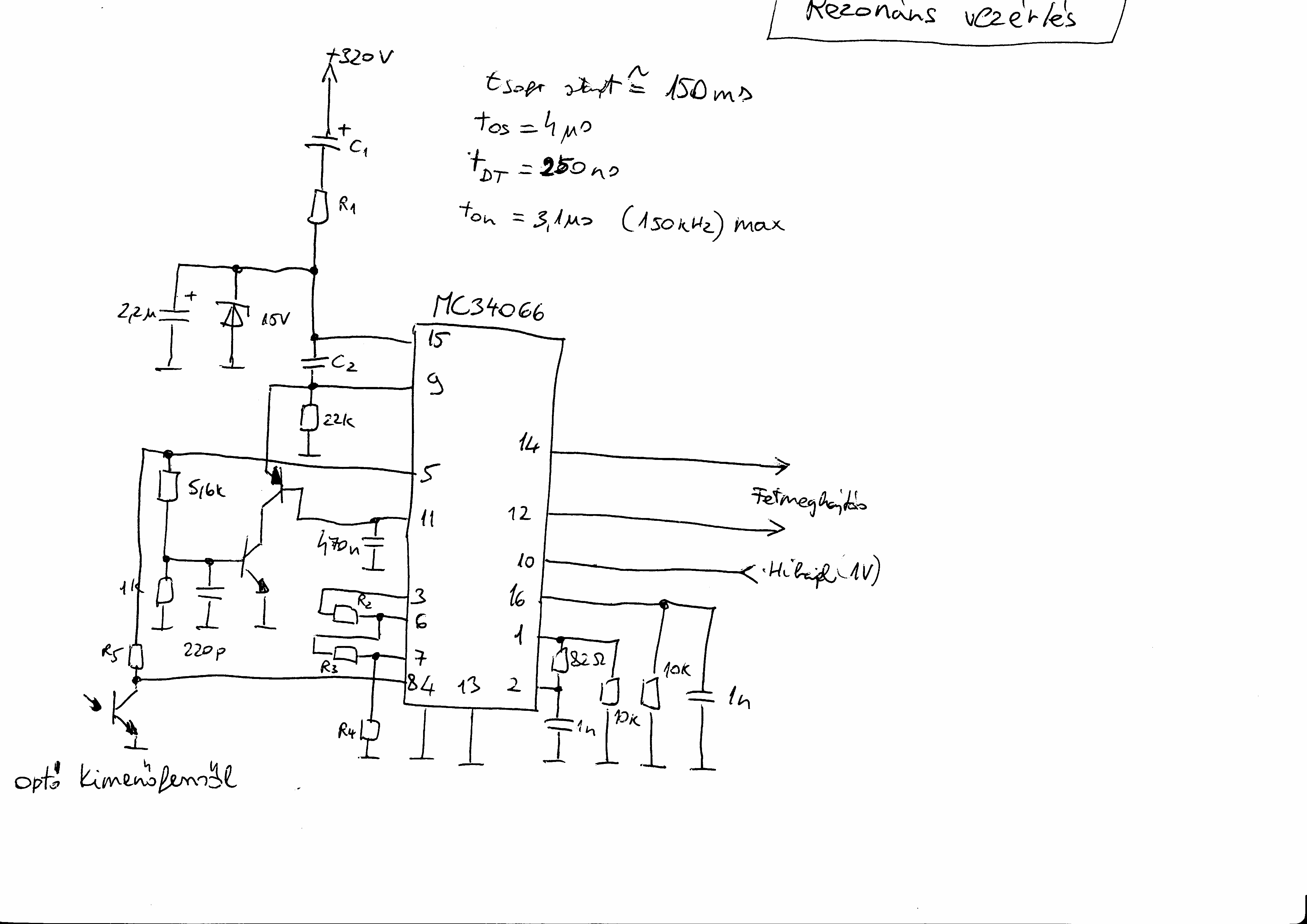
Mellékeltem a vezérlés kapcsolását amit eddig összeállítottam. Nekem MC33066-om van de a kettő ha jól tudom ugyanaz. Van néhány ellenállás meg kondi amit majd még méretezni kell. Kitalálni mi az optimális. A max frekit én azt hiszem 150kHz re méreteztem, Holtidő 250ns. A minimum freki az majd a 3-6 láb közti ellenállástól függ. Soft start kb 150ms szerintem elég. A két kimenetre megy az IR2110. A 10-es faultra ugye az áramváltóról. Bár az áramváltót vihetnénk akár az IR2110 SD lábára is. Csak akkor minden túláram után újraindulna. Én úgy tervezem, hogy mind kettőre bevezetem az áramvisszacsatolást. Tehát ha valami gond van akkor elsőnek az IR letilt egy periódus ideog, ha hosszútávon van gond akkor már a faultra eljut a jel. és minden újraindulásnál soft startal indul. Nem tudom mit írhatnék még most hirtelen. Használd egészséggel
Hú, ez az indító kondenzátoros ötlet nagyon jó... Basszus, ha egy nappal hamarabb látom, most lettem kész a maratással... De mindegy a FET helyére be lehet forrasztani a kondit
Igazából piminek a rajzában is benne volt már az R-C indítás.
De amikor felrakta csak megerősítette bennem a gondolatot, hogy ennek mennie kell.
Lenne egy kérdésem. Lehet, hogy nagy baromság! Szóval a bemeneten az NTC és a bizti után van egy L2-nek nevezett vasmagos tekercs illetve a tekercsekkel párhuzamosan kötve egy-egy 100n-os kondi. Annak mi a feladata?Nem lehet helyettesíteni egy hálózati zavarszűrővel? Mondjuk amilyen a 3 pólusú hálózati csatlakozókba alapból be van építve.
Így, hogy nincsenek rajta a diódák a rez. kondin, necces a 400V-os használata. Aluról forassz rá 2db pár A-es gyors típust.
A kondis inditást pedig még lehetne finomítani Nálam 2u2-s elkóval 47k van párhuzamosan, a soros ellenálás 470ohm, és a puffer 47u, meg egy 15V-s zéner. Csonty: az a tekercs, meg a kondik, az a hálózati zavarszűrő. Jó a hárompólusú csati is, ha van benne zavarszűrő.
Ez hogy is van pontosan, egy rezonáns kondival is működik a táp, vagy csak lemaradt a rajzról, vagy én nem látom?
A másik kérdésem, hogy rezonáns tápba is szoktak/lehet tenni feszültség visszacsatolást? Mint az mc34066-os kapcsolásodban?
Igen, jól látod, csak 1 rezonáns kondi van.
És felesleges rá dióda, tökéletesen elmegy nélküle is. Szoktak/lehet tenni feszültség visszacsatolást, csak nem kitöltést szabályozunk vele hanem a frekit. Pimi! Miért kellene finomítani az R-C indításon? Nálad ugye azért kellett 470Ohm mert a 47u soká töltődne fel és be sem idulna, de épp ez az, hogy felesleges 47u. Keveset fogyaszt az ic és beéri azzal az 1u-val.
1db rezonáns kondi esetén a 400V-os elkót nagyobb nagyfrekis áram terheli -> nem megy tönkre, de rövidebb lesz az élettartama.
A diódák nélkül (a rezonáns tagok fesz. korlátozása) pedig induláskor jóval nagyobb maflást kapnak a félvezetők, lehet, hogy csak az ezredik bekapcsoláskor pukkan majd el (de lehet, hogy kicsit később). A ZVS kondit meg már sokan emlegették, az ETD magba meg nem nehéz légrést tenni - szerintem igencsak ideje lenne kipróbálni. Szóval: attól hoyg valami működik, még nem biztos, hogy jó is, további szempontok is vannak ám: üzembiztonság, élettartam, megbízhatóság, hibatűrés (ha van dióda akkor a rövid ideig tartó zárlatot is kibírja - érdemes azt a 40Ft-ot kispórolni???) A lényeg: ezen még van mit fejleszteni, persze ha csak a ganranciális időt kell kibírnia, akkor még ki lehet hagyni ezt-azt Idézet: Hja, elmegy a vadászmezőkre. Zárd párszor rövidre a kimenetét és akkorát durran majd az a kondi hogy beszakad a dobhártyád. (Vagy megfulladsz a füsttől)„És felesleges rá dióda, tökéletesen elmegy nélküle is.” Ha nincsenek rajta a diódák, akkor mi határolja a rajta kialakuló feszültséget? Mondjuk ez csak rövidzárnál fenyeget, de minden egyes bekapcsoláskor, amíg a kimeneti elkók töltetlenek addig ez fenn áll. Idézet: Terheld be 300W-al, és nézz rá az ic tápjára szkóppal, ha szép egyenes akkor oké. „Keveset fogyaszt az ic és beéri azzal az 1u-val.”
Lenne megint egy hülye kérdésem:
Itt a rezonáns tápnál is számolni kell a graetz hídnál az 1.4 szeres feszültséggel egyenirányítás után? Vagy itt most négyszögjel a feszültség alakja a szekunderen, és ilyenkor nem kell vele foglalkozni?
Szerintem az utóbbi. De kövezzetek meg ha tévedek.
Úgyvan, mivel (közel)négyszög a fesz. hullámformája.
Oké, köszönöm. Ez volt a megérzésem
Üdv a Mester Uraknak!
No, újra itt vagyok a töketlen kérdéseimmel ...Eddig félre volt dobva a tápom, szkóp híján, de a múlt héten beszereztem egyet! Zsír. A Cimó-féle tápot raktam össze, csak 60A-es IGBT-kkel. Utánanézek majd, de nem vagyok biztos benne, hogy tartalmaznak-e C-E védődiódát. Ha nem, akkor beköthetek oda barmilyen megfelelő feszultsegű gyors diódát? Most néztem a doksit az újabb, kondis indítótápról. Milyenek a tapasztalatok?
60A? IGBT? Úr isten, minek ? Még az IRFP460-is sok ebbe a tápba. Én amit építettem bőven elegendő volt bele a 740-es is, hűtés nélkül jéghideg volt 250W-nál is.
Üdv, három dolgot szeretnék megkérdezni :
1. Ennek a tápnak a trafóját ugyanúgy kell-e megtekerni, mint ahogyan az 1.0-ás verziójét, amit a cikkedben lerajzoltál ? (a cséve közepéig kb a primer menetek és ugyanígy a secunder) 2. A D11 dióda (ESJ1) helyett jó-e az UF4007 (vagy mi jó helyette) ? 3. A későbbiekben emlegetett védődiódát ami a rövidrezárt kimenetek esetén védi a tápot azt hová és hogyan kell bekötni ? (esetleg a rajzon berajzolnád? )A válaszokat előre is köszönöm.
Ehh, hát ilyen volt itthon.....
Nameg hát amit az etd49 kibír, azt ki szeretném rángatni belőle . Mi a véleményed a védődiódákat illetően? |
Bejelentkezés
Hirdetés |






)




