Fórum témák
» Több friss téma |
- Ez a felület kizárólag, az elektronikában kezdők kérdéseinek van fenntartva és nem elfelejtve, hogy hobbielektronika a fórumunk!
- Ami tehát azt jelenti, hogy a nagymama bevásárlását nem itt beszéljük meg, ill. ez nem üzenőfal! - Kerülendő az olyan kérdés, amit egy másik meglévő (több mint 17000 van), témában kellene kitárgyalni! - És végül büntetés terhe mellett kerülendő az MSN és egyéb szleng, a magyar helyesírás mellőzése, beleértve a mondateleji nagybetűket is!
Ha a ceruzaelemből (AA) kifolyik az a trutyi, azt mivel lehet letisztítani az érintkezőről?
Igazából víz is jó volna, csak rendszerint nehéz megoldani, hogy ne mossa rá más részekre a trutyit. Le kell törölgetni papírzsebkendővel, ronggyal, valamivel. Lehetőleg ne maradjon rajta semmi sem, mert az utána szétmarja. Ha már elkezdte marni, akkor az oxidált részeket le kell kaparni valami éles szerszámmal. (Az elemet persze valami elemgyűjtő kukába kell kidobni.)
Sziasztok!
Tudom van egy olyan téma ami a kinézettel, dobozolással, designel, külalakkal foglalkozik és nem kapom sehogyan sem. Megkérek valakit ha tudja a téma nevét akkor linkelje be, mert egyik fenti kulcsszóval se talaltam meg a témát, de tudom hogy van mert anno láttam volt. Remélem valaki sejti mire gondolok, sok ötlet a kész áramkörök beépítéséről és szemnek látványossá tevéséről. Nem akarom a kérdésem ide feltenni mivel tudom van a kérdésemnek való téma is, de nem kapom :no: Bocsánat hogy ide írom ezt.
A Dobozolási technikák-ra gondolsz?
Azthiszem ez volt az. Köszi, nemtudom hogy nem kaptam meg mikor beírtam a keresőbe a "doboz" szót.
Vout + 1.25V
Köszi, megkaptam az adatlapon végül, de köszi hogy ide is leírtad me így egyértelműbb.
Szia!
Akkor ezt benéztétek! Az 1.25V az a referencia feszültség, jelen esetben az IC legkisebb kimeneti feszültsége. A mire neked van szükséged az a dropout feszültség, ami az LM317 esetében 2.5V. Kb. ugyanennyi a 78-as sorozat esetében is. A katalógusokban megadják a dropout feszültséget, vagy egy kis grafikont kapsz. Lásd melléklet.
Szia!
Hát ma éjjelre köszi mindent, elismerésem, ott a pont Kicsit gondolkoztam is hogy az 1,25 V érték valahonnan ismerős, de most ahogy mondod esik le hogy ez a minimum kijövő feszültség. Holnap elmegyek és remélem kicsiny kis városomban is ismerni fogják a csatorna lezáró modulokat. Mégegyszer köszi mindent.
A dropout azt mutatja meg, hogy mekkora terhelés esetén, milyen üzemi körülmények mellett mennyit esik a kimeneti feszültséged, nem pedig azt, hogy mennyivel kell többet tenni a bemenetedre, hogy meglegyen a kimenet...
Csááá...
Húha, teljesen megzavarodtam, most is ott vagyok mint az elején. Örülnék ha valahogy a dolgok letisztázódnának. Még a végén oda kerülök hogy puding próbája az evés s le kell mérjem. Esetleg valaki 3. személynek tippje?
Nem! Az a Line/Load Regulation alatt megtalálható adat vagy diagram. Szép lenne , ha 1A terhelésen egy 7805 -nél 2.5V-tal kisebb lenne a kimeneti feszültség a névlegestől!
Sziasztok!
Valaki használta már az SOSelectronic-nál kapható RFID olvasó modult ? Ha jól látom az adatlapon, nincs rajta relé ajtónyitáshoz. Ez a probléma valahogy áthidalható lehet? Meg tudnátok mondani, hogy használható módon tudok-e erre a panelra egy relét kötni? Egy pic-el megoldott központi egység lenne, amihez két ilyen olvasót akarok kötni. Ha lehúzzák a kártyát a kód átmegy a Pic-hez és az eldönti mi legyen. És a pic szólna vissza, hogy legyen a relé meghúzva. A Hestore árult alkalmasabb kit-et, de egyelőre nem beszerezhető, így ez az alternatíva maradt. (Ha magam építem az olvasót drágábbra jönne ki...) Valakinek lenne ötlete? Köszi
akkor alighanem elbaltáztam valamit már megint
kösz az infót...A következő ilyen vulgáris megnyilvánulásodkor, warnt adok. --vicsys
Köszönöm hogy tisztáztátok a dolgokat.
Sziasztok!
Érdeklődnék, hogy egy régi Zsiguli gyújtás trafójának mekkora a kimeneti fesze(12V bemenetinél)? Kiváncsi vagyok, hogy ha 50Hz-es 50V-os váltóárammal táplálnám bírná-e? A választ előre is köszönöm.
Szia!
Folyamatosan kétlem hogy sokáig bírná. De mire kell?
Max 1 percig használnám, csak kíváncsi vagyok, hogy mekkorát szikrázik...
Sajnos TESLA tekercs építéséhez nincs anyagom és itt a beszerzése is nehéz, ezért gondoltam, hogy kipróbálom ezt a trafót.
Össze se rakd, nem erre való. Annál a trafónál a primer csúcsfeszültség 300 V körül van, üresjárásban azzal produkál 25 kV körül. Impedanciája elég nagy, az 50 Hz még elmegy, de nagyfrekvenciára teljesen alkalmatlan. Szinuszos jelet pedig véletlenül se kapcsolj rá (de másik trafóra sem, ha ívet szeretnél), mert azzal csak fűteni lehet; a mágneses tér felépülése után a primer áramot a lehető leggyorsabban meg kell szakítani, különben az indukált feszültség a bányászbéka hátsója alatt fog maradni.
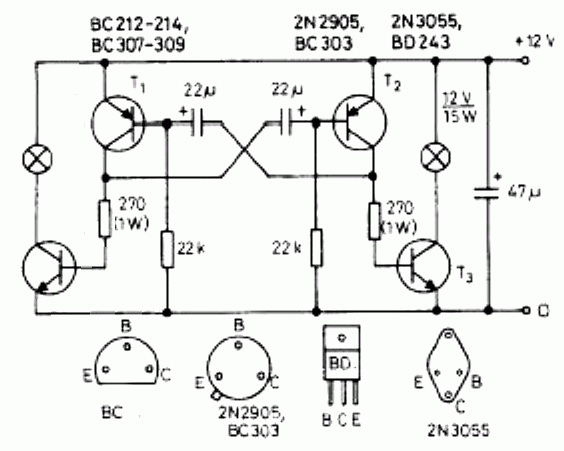
Sziasztok!
Szeretnék csinálni egy két LED-es villogóbol irányjelző vezérlőt. Már minden majdnem jó, már kész is van, csak amint rákötöttem a 12 V-ot a tranzisztorok megadták magukat. Valaki tudna segíteni, hogy milyen tranzisztort használjak a BC182B helyett? UI.: Az áramkört 25V-ig építettem, szeretném ha ennyit a tranzisztor is elbírna Előre is köszönöm!
Szia!
A BC182 50V-ig használható, biztos más baj volt ott! Ha a 150 ohm-os ellenállásokat használtad, inkább a LED-eket nyírtad ki. Ezt a kapcsolást célszerű ilyen kis feszültségről működtetni, és ezzel vezérelni egy másik nagyobb teljesítményű tranzisztort, vagy FET-et, ha izzót szeretnél vele meghajtani.
20 db led-et szeretnék vele hajtani 10-et egyik oldalt, 10-et a másikon. A 150 Ohm-os ellenállásokat 220-asra cseréltem.
A kondik azok 100 mikro farad-osak és 25 V-osak (mind a 4)
Én valami hasonlóban gondolkodnék, az izzó helyére teheted a LED-eket megfelelő előtét ellenállással.
Érdemes még itt a HE-n szétnézni rengeteg villogós topik van. Bővebben: Link
Az enyém kb így néz ki. a jelölések nem a szabványosík. a K betűk a kondikat jelölik, ahol meg piros vonallal van összekötve, ott 10 K-s ellenállások vannak.
Nemrég kicseréltem a tranzisztorokat újakra. Egy db-ig villogott, utána meg csak világít. Sztem csak a tranyó a baj...
Sziasztok! Szeretnék az airsoft fegyveremhez egy lövedék megvilágító szerkezetet, ami abból állna hogy egy csőben elhelyezett led az alatta áthaladó foszforeszkáló lövedéket megvilágítaná egy pillanatra. Az lenne a kérdésem hogy ennek a led-nek a kapcsolásához milyen "kaput" tudnátok javasolni ami villantja a led-et. És hogy ne kelljen hozzá sok cucc(hely szűke miatt) milyen feszültséget javasoltok? A válaszokat előre is köszönöm!
Üdv!
Lehet probléma a LED-ek kapcsolásával is, mert hogyha csak simán sorba kapcsolod őket, akkor az már túl nagy áram lenne a BC182-nek, mert ő csak 100mA-t bír.
Nem látom a LED-ekkel soros ellenállások helyét. Hány voltról próbáltad?
Sziasztok!
Egy olyan kérdésem lenne, hogy akkumulátorból nyert 12V-ból szeretnék 9V-ot, stab.IC-vel. Ebben az esetben is célszerű a stab.IC, be és kimenetre a szűrő kondikat betenni? Vagy nem szükséges?
Szia!
Egy normál LED meg max 20mA-t, hamarabb füstöl a LED mint a tranzisztor. |
Bejelentkezés
Hirdetés |





Kicsit gondolkoztam is hogy az 1,25 V érték valahonnan ismerős, de most ahogy mondod esik le hogy ez a minimum kijövő feszültség. Holnap elmegyek és remélem kicsiny kis városomban is ismerni fogják a csatorna lezáró modulokat. Mégegyszer köszi mindent.
kösz az infót...






