Fórum témák
» Több friss téma |
- Ez a felület kizárólag, az elektronikában kezdők kérdéseinek van fenntartva és nem elfelejtve, hogy hobbielektronika a fórumunk!
- Ami tehát azt jelenti, hogy a nagymama bevásárlását nem itt beszéljük meg, ill. ez nem üzenőfal! - Kerülendő az olyan kérdés, amit egy másik meglévő (több mint 17000 van), témában kellene kitárgyalni! - És végül büntetés terhe mellett kerülendő az MSN és egyéb szleng, a magyar helyesírás mellőzése, beleértve a mondateleji nagybetűket is!
Kösz! Hát akkor halasztom a dolgot... Amúgy hangváltóról lett volna szó...
Szevasztok!
Hát, nem biztos hogy ez egy amatőr kérdés, de sebaj. Arra lennék kíváncsi hogy egy kondenzátor névleges feszültségéből (ami rá van írva a kondenzátorokra) hogyan lehet kiszámolni, hogy mekkora amplitúdójú 100 KHz-es lüktető egyenfeszültséget tud megszűrni anélkül hogy már káros zajokat adna ki magából, és ne adj isten felrobbanna. Mert az inverterem kimenetén 220µF/50V-os kondi volt és terhelés alatt 10 mp után úgy eldurrant mint a pinty. Valami használható képletet vagy tanácsot várok!!!
Az elektrolitkondenzátornak van egy ESR nevű paramétere, amely minnél kisebb annál jobban bírja a kapcsolóüzemű tápokban történő üzemelést. A katalógusok LESR vagy Low ESR - rel jelölik ezt a kedvező tulajdonságot és ezeknek általában a hőmérséklettűrése is nagyobb általában 105celsius. A többi kondenzátornál létezik un. impulzustűrő kivitel, indukciószegény pici kúszóáramú.....csak a katalógust kell átböngészni és találsz benne nekedvalót.
Ez szerintem nem a feszültségtől függ.... Képletet nem láttam még erre, ami nem jelenti azt, hogy nincs.
Szevasztok! Ismét én vagyok,megint lenne egy trafós gond/kérdés. Szóval amit mondtatok..bekötöttem a torroidot és jó csak majdnem 20 V váltó van rajta...ezt egyenirányítva bő 28 V-ot kapok ami sok.Mit gondoltok,ha megbontom ezt a ruhaszövetszerű szigetelést,a sec. oldalból letekerek pár menetet akkor csökkeni fog a fesz...jó lenne így? Szóval ezt csak így letekerem vagy ilyenkor primert is igazítani stb kell?
Ez természetes hogy csökken !!!
Kevesebb sec menet => kevesebb sec feszültség
Igen csak nem lesz olyan 1xű kivitelezni...
Most kezdtem el lebontani a szigetelsét...aztán vhol már nagyon kis darabokban jön csak,vmi ragasztós trutymóval sztem le van kenve meg az évek is meglátszanak rajta...esetleg nem tudjátok hogy mennyi kellene letekernem hogy kb 20 V helyett kb 10 V-t kapjak? (tudom,a fentlévő felét de nemtudom hány menet van rajta)
Sziasztok!!
Azlenneakérdésem,hogyhavan egy 24 V-os relém,akkoraz 12V-ra be fog huzni?? Ja,és valaki segíteneléci h. a relé 6 lábaközül melyik melyik??
24V-ossat 24V húz be!
relé tipusa? amugy 2 láb meszebb van a többi 4 től sztem 2 morses lehet a relé de biztos szerepel rajta a tipus, esetleg a bekötés üdv
Ha esetleg be is húz a pici felületi nyomás miatti nagy átmeneti ellenállás miatt megégnek a pogácsák.....
Ha jól adtad meg a tipust ( tsc - 112L3H ) akkor az 12V egyenfeszről fog működni...
Hello!
Mellékeltem 1 rajzot,hogy hogy képzelem a bekötését a relének. Szerinted igy jó??
Így biztosan jó lessz :yes:
Idézet: . Nézd át... „relé_Elv_és_Gyakorlat_.jpg”
Ezt a digitális hőmérőt nem tudod csak úgy, egy diódacserével fényerő mérésre hasznilni... Mert:
Az SI-diódán átfolyó nyitóáram-hőmérséklet váltózását méri és alakítja át.... A fotodióda a kapcsain fény hatására feszültséget -max 0.5-0.6V/cella- Idézet: és ezt lehetne elvileg fényerő mérésre használni. Szerintem a fotodióda által keltett feszültség nem lineáris, és egy fotoellenállásal jobb eredményt érnél el...„TERMEL” Nem.tom, h. a fotodióda hogyan viselkedik nyitóáramú előfeszítéssel, mivel (elvileg) neki kellene feszültséget (az Anódon - , a Katódon +) és ezzel együtt áramot kelteni. Bár jobban belegondolva a keltett feszültség a fererencia feszhez hozzáadódna, mint egy soroan kapcsolt ellem. Ki kell próbálni! De csak saját felelősségre!!!
És mi lenne, ha egyszerűen az IC adatlapjában szereplő kapcsolásnál az IN-hez (30, 31-es láb) a fotodiódát raknám be? Vagy ezt nem lehet megoldani, mert nem lineáris a fotodióda álltal keltett feszültség? Amúgy a fotoellenállás lineárisan változtatja az ellenállását?
1 kérdés.
Ha épitek valamit ( szub szürőt) amiben TL 072 es ic van. Ebbe jó lene a TL 074 es ic is? És általában mindig az egy,azonos ick ujab verziója,jó a régebi hejére?
mind a 2 J-FET es opamp csak a 72 es ben 2 a 74 esben 4 opamp van elrejtve szóval haszálhatod a 74 eset is csak figyelj a lábkiosztásra
Köszi.
A tokozását meg sem néztem enek több a lába.
Hali!
A müveleti erősitőknél a "slawe rate" mit jelent? Ha emlékeim nem csalnak akkor a jel maximális felfutási meredekségét jelenti. De ez mikor jó? ha ez a szám nagy vagy kicsi? Kérlek titeket erősitsetek meg vagy javitsatok ki ha valamit rosszul tudok! Üdv tomee.
Sziasztok!
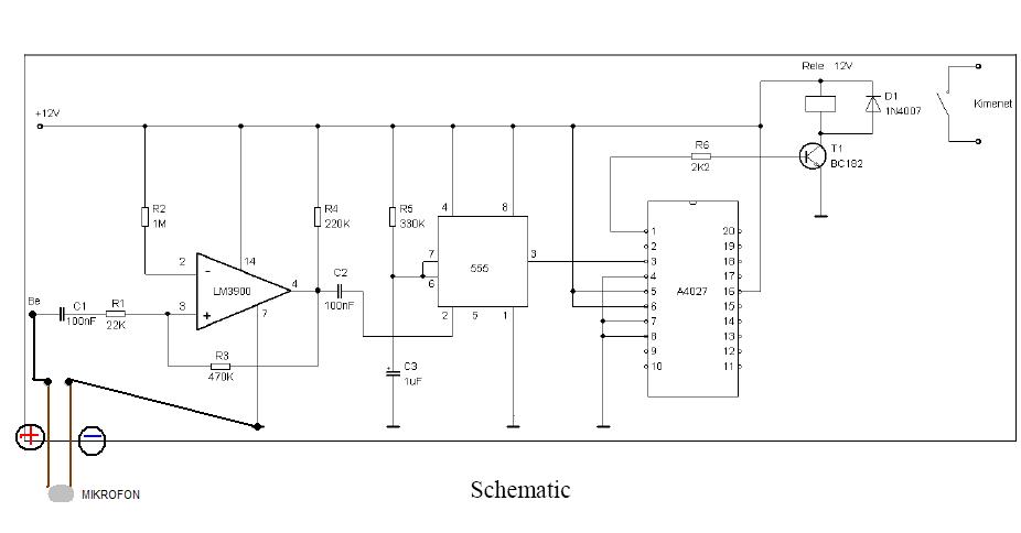
Építettem 1 tapskapcsolót,mi egy másik áramkört kapcsolgat,de sajna nem működik és szerintem a relé bekötésével van a gond.Valaki segítsen léci hogy mi lehet a gond!! Elküldöm a schematikus és a nyákrajzot is!! Előre is köszi a segítséget!!
Szia!
Szerintem állj neki egy multiméterrel! Nézd meg, hogy a relé előtti tranzisztor kapcsol-e! Ha kapcsol, akkor a relénél van a gond. Szerintem - ahogy a rajzot nézem - rosszul kötötted be. Én arra tippelnék, hogy a tekercs a két baloldali láb közt van (bejelöltem a rajzodon), de ez nem ilyen általános. Ezt úgy tudod a legkönnyebben megállapítani, hogy fogsz egy 9V-os elemet, ráteszed a lábaira, és amelyik két láb közt kattan, ott a tekercs.
Tudja éé valaki hogy mi a különbség a zenei és a szinuszos teljesítmény közt?
A színuszos teljesítmény alatt azt a teljesítményt értjük, amit megadott terhelőimpedancián az előírt torzítási tényező betartása mellett tetszőleges ideig tud teljesíteni, színuszos vezérlőjel esetén.
A zeneiteljesítmény annyiban más, hogy összetett zenei jellel vezérelve a színuszos jelhez előírt torzítási tényező (harmónikus torzítás)betartása mellett tartósan képes szolgáltatni az előírt terhelőimpedancián.
Hello!!
Megvizsgáltam a tranzisztor lábánál és sajna nem kapcsol a bekötés elvileg teljesen jo.Van egyéb ötleted hogy mi lehet gond/melyik alkatrész lehet rossz?? Lehet hogy a kapcs rajz rossz?? Üdv.
Huhh. Akkor komolyabb gond van. A rajzot mindjárt kielemzem.
Na, átnéztem, ez egy elég általános rajz, szerintem teljesen jó, Annyi, hogy azt a 220KOhm-os ellenállást az erősítő kimenetén én a 100nF-os kondi után raknám, de ez nem változtat sokat szerintem.
Vagy egy másik nézőpontból szemlélve a problémát!
Ha jó az itt: Idézet: „(#49065) robbbb válasza szabi83 hozzászólására (#49053) Válasz | privát | Pé, 20:44 a relé 1morzés,tipusa:tsc - 112L3H ” közölt relétipusd akkor IGY bekötve a relének működni kell!!! Nézd át!. Gondolg át!. És próbáld meg csak a relét működésrebítni, ha az már megy CSAKK akkor kezdj neki az áramkör élesztésének! Vagy a relé helyett tegyél be egy ledet (persze a soros áramkorlátozó ellenállásával együt, ) és úgy próbáld éleszteni a kacsolást. Ha a LED-det tudod vezérelni akkor csak a tekercset kell rákötni a kimeneti pontokra.... A sematikusrajzban is volt egy két apró hiba amit eddig észre vettem. LM3900 - adatlap és az eredeti rajzod ellenőrizve... Sok sikert hozzá! |
Bejelentkezés
Hirdetés |




Most kezdtem el lebontani a szigetelsét...aztán vhol már nagyon kis darabokban jön csak,vmi ragasztós trutymóval sztem le van kenve meg az évek is meglátszanak rajta...esetleg nem tudjátok hogy mennyi kellene letekernem hogy kb 20 V helyett kb 10 V-t kapjak? (tudom,a fentlévő felét de nemtudom hány menet van rajta)


Ki kell próbálni! De csak saját felelősségre!!! 


a bekötés elvileg teljesen jo.






