Fórum témák
» Több friss téma |
Fórum » Propeller Clock
Én most fogok belekezdeni egy ijen PC be. Az érdekelne hogy valaki nem gyárt-e ijen propeller és bázis NYÁK ot vagy valakinek nincs egy feleslege?. csak a NYák kellene minden más megvan, az árat megdumáljuk. Épp most fogyott el a fotólakkom, valahogy most nem akaródzik ujat venni meg megint kisérletezni. Szal ha valaki tud segíteni az szoljon itt vagy privibe! Köszi előreis!
nekem 38KHz-es van....a rajz szerint az is jo..
vagy nem?
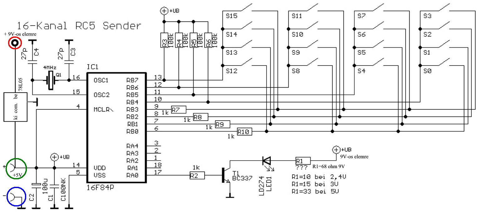
Szevasztok! A bázison lévő TSOP mit csinál? Illetve azt minek kell 'látnia'? Mert gondolom hogy a távszabályzó jelét majd a propin lévő TSOP veszi...de akkor a bázisra minek?
Sziasztok!
Lenne egy javaslatom a pontatlanság és a DCF77 dilemma kiküszöbölésére. A forgó egységen lévő TSOP vehetné egy DCF-egység jelét. Akár folyamatosan is. Persze ez még egy dobozt jelentene az óra előtt valahol, ahonnan "rálát", de a pontos időért megérné. Még nincs kész a saját órám, de már majdnem elkezdtem.
Helló!
36Khz-es kell! Az enyém is azzal megy. Én sem kaptam rá választ miért van a rajzon 38-as. Megszkópoltad? Üdv!
Helló!
A távirányítóra reagál egyáltalán a bázis. A FET gate-jén változik-e a négyszögjel kitöltési tényezője? Bekapcsoláskor alapból visszaveszi a PIC. Ezért kell a távirányító. Erről már írtam az előzőekben. Üdv!
Az az igazság hogy egy tv távirányitóval próbálkoztem, ami szintén RC5-ös, de összerakom mostmár az ehhez valót pontosan, ami a bekötésben szerepel. De a melegedési gond még mindig nincs megoldva, ami azt jelenti, hogy ha bekapcsolom melegednek az egyenirányitók és a mosfet, de ha kiveszem a schotkyt akkor nem.
helo,
a 38 as is jo :yes: tudom biztosra ja, es maskulonben leszkopoztam es a 33pF os kondik nem inditottak be a kvarcot, s az vot a baj... irany a tavszabalyzo!! ja es 16f84es bol tobb fajta is van?
Hali!
Most nézegetem a hozzászólásokat... Nem látom a bázis rajzon, hogy 38-as lenne írva... (persze megy akármilyen TSOP-val de a vivő 36kHz-re van állítva ezért ezen a frekin a legérzékenyebb) A 33pF-os kondi 30pF-nak van a rajzon jelölve. Elvileg 10 és 33pF közötti értékekkel üzemképes. Vannak olyan kvarcok amik közel egyforma értékű (és típusú) kondik esetén nem rezegnek be , ezért célszerű különböző kondikat használni. Persze a magasabb frekihez (20MHz) kisebb kondi kell. (10-22pF) Sajnos a szkóp használata elkerülhetetlen lesz ahogy egyre több dolgot fogtok utánépíteni tervezni. A melegedésről annyit: a fet nekem is melegszik, ezért rátettem 1 kis TO220 bordát. A menetszámokat ha lehet tartsátok.
Vki tudna választ adni az én kérdésemre is?
Mert nemtudom hogy a bázison lévő infra adó-vevő mire jó és hova rakjam...( mert a panelon csak forrtüskéket hagytam neki h kábelle lki tudja vezetni ahova kell
helló
Ez a távirányító jelét veszi. elég, ha a nyákra forrasztod, de ki is lehet vezetni olyan helyre, ahol jól látja a távirányítót. ennélkül nem fogod tudni ki vagy bekapcsolni
hmmm..és akkor a propelleren lévő tsop vevő mit vesz? (mert ugye a motor forgásszinkronizálást a fototrannó+ir led csinálja.,.)
A prop vevője az üzemmódváltás-órabeállítás-dátum beállítás-demo mód-stb...-hez van.
Jah értem...akkor mind2-t kivezetem majd úgy hogy a távirányítóval könnyen lehessen 'piszkálni' Amúgy a propellerem készen van már csak a mikrovezérlők hiányzonak jóformán meg hűtőbordák de sajna még mindig nem jöttek meg
Sziasztok
Segítséget szeretnék kérni. A távírányítót megépítettem, de nincs itthon 16f84 csak 16f628. Valaki közzé tudná tenni a távirányító asm-jét, hogy át tudjam írni? Vagy ha valaki már megtette, akkor az még jobb lenne. Már csak ez hiányzik az órámhoz. Köszi.
Most már csak az a baj, hogy nem sikerült átírni 16f628-ra. Tudna ebben segíteni valaki. Az asm ami nekem megvan, az csak a hex visszafejtése, elég kis programnak tűnik. Tudna valaki segíteni?
Helló!
Egy kis segítség az építéshez.
hali!
Az eredeti C. forrás benne van a cikkben. [link=http://www.hobbielektronika.hu/kapcsolasok/files/vicsys_propellerclock/original-rc5send16.zip]http://www.hobbielektronika.hu/kapcsolasok/files/vicsys_propellercl...16.zip[/link]
Köszi a választ.
Az eredeti C. forrás valóban benne van, de én csak az mplab-ot ismerem. C-ben még soha nem írtam programot. Fogalmam sincs mit kéne átírni. A visszafordított asm-et írtam át. A távir. annyira megy, hogy az infra led villog, ha megnyomok egy gombot. Se a bázis se a propeller nem reagál rá. Meg a tévé se, pedig elvileg rc5-ös szabványú. Láthatóan(fényképezővel nézve) máshogy villog mint a tévé eredeti irányítója. 4MHz-es kristály nem volt itthon, csak 4,032-es. Ez gondolom nem baj. Ha esetleg van ötleted, hogy mi lehet a baj akkor írd le légyszives. Üdv pali
Hey,
egy kis segítség kéne... Én is két 1,5V-os elemet vagy egy 9V-osat tennék a távirányítómba; szóval az a kérdésem, hogy te hova kötötted a tápokat, mert az eredeti rajzból nem tudtam kibogozni
Két darab másfél V-os elemmel nem tudom, hogyan működhet stablian a távirányító...
A távirányító táppontjai pedig a következőek a linkelt rajzon: - piros karika = ezzel csak akkor kell foglalkozni, HA 9V-os elemet használsz a távirányítóba; ilyenkor a zöld karikás bemenetet el kell felejteni, mitha ott se lenne - zöld karika = ha nem 9V-os elemről táplálod a távirányítót, hanem pl. egy 4,5V-os elemről, vagy 5V-os tápegységről, akkor ezt a bemenetet kell használni, a pirossal egyáltalán nem kell foglalkozni - kék karika = bármilyen elemről, vagy tápegységről "járatod" a távirányítót, ide kapcsolódik a táp (vagy elemek) negatív pólusa Természetesen a rajzon szereplő, egyéb JELEK, ha ugyanúgy néznek ki, azokat tervezésnél egy pontnak kell elképzelni. Pl. ilyen a +UB jelű pont...
Helló!
Én két 1,5V-os elemmel használom és tökéletes. Először 9V-ról használtam de azt tapasztaltam, hogy a 78L05 stab.IC nyugalmi árama három-négy hét alatt megzabálta az elemet.Az ellenállásra ügyelj!
Hellosztok! Szoval nekem meg mindig melegedik nagyon a mosfet es az egyeniranyito es mikor merecsgeltem olyanra jottem ra hogy:
Ha a feszültségstabilizátor földjét és a bemenetjét mértem akkor a műszer rovidzárat mutatott és ha igy rajtahagyom a műszert akkor egy 5s után elkezd nőni az ellenállás majd felmegy 600 ohmra és megáll. Ekkor már nincs sehol rövidzár. Nah ez mitől lehet. És közben a nyáklapont nem mozgatom szóval nem az van hogy vhol vmi összeér.
A pufferkondit töltöd...
(így kell lennie!)
Igen igy van, rájöttem később én is. Viszont most működik a dolog, azaz a forgó rész el van látva táplálással, és semmi se melegedik. De viszont az a helyzet, hogy semmit nem csináltam vele, csak kikapcsolva hagytam 3 órára. Nem lehetséges hogy a pufferkondi feltöltve marad és az lenne a gond. Esetleg a kondi mellé egy kisütő ellenállás?
Nah mostmár biztos hogy vmi olyan gond van a kapcsolásomban, hogy vmi nem úgy szerepel néha mint kéne. Én már mindent kiaknáztam. Egyszerűen leteszem az asztalra, beszúrom, rövidzáros. Leteszem, 10 perc mulva hozza se nyúlok és már megy.
ok, en is ugy gondoltam hogy jobb lenne 2*1.5V -al
es melyik ellenalasra ugyeljek? az infra lednel? |
Bejelentkezés
Hirdetés |




vagy nem?










