Fórum témák

» Több friss téma
Fórum » Propeller Clock
 
Témaindító: vicsys, idő: Jún 3, 2005
Lapozás: OK   107 / 489
(#) watt válasza WaRL0 hozzászólására (») Aug 31, 2009 /
 
Azzal próbálkozz, amiben van 7407. Az esélyed így kb. 95%. 100% csak a PICKit2 lenne(hibátlan megépítés esetén), de az nem túl egyszerű, esetleg venni érdemes, ha van rá keret...
(#) WaRL0 válasza watt hozzászólására (») Aug 31, 2009 /
 
Elosszor megprobalkozok az egyszerubbel es hat ha nem fog menni akkor megepittem valamelyik masikat.A PICKit2-t feleslegessen nem akarom megepitteni mert nekem csak 1PIC-et kellene beprogramozni.
(#) watt válasza WaRL0 hozzászólására (») Aug 31, 2009 /
 
Jó gondolatok, sok sikert! Majd írd meg, hogy haladsz!
(#) WaRL0 hozzászólása Aug 31, 2009 /
 
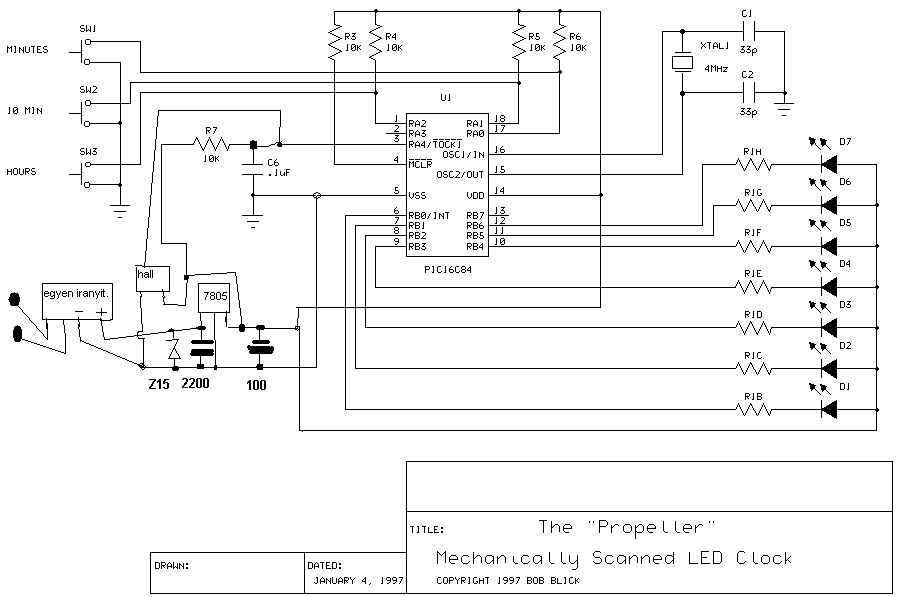
Szerintetek mukodni fog a csatolt kepen lathato kapcsolas legmagos transzformatorral es mas frekvenciaval??A legmagos trafot 0.12es rez huzalbol tekertem.Az aloreszen cca 200menet a forgon pedig 100-150 menet.
(#) janocsi válasza WaRL0 hozzászólására (») Aug 31, 2009 /
 
Szia WaRL0!
Ha visszaemlékszel, (?) egy korábbi megoldást javasolnék inkább a propeller órád meghajtásához. A jelzett kapcsolás nem igazán lenne alkalmas, sokmindent kellene megváltoztatni azon. Inkább ezt javasolnám helyette, de ezen is kell igazítani, hogy elviselje a terheléseket. Ebből viszont lehet jó vezérlő/meghajtó áramkört kialakitani ahoz a "Bob Blick" féle propellerhez. A primer inkább kevesebb, de vastagabb vezetékkel legyen meghajtva, (min. 0.2 CuZ/100-120menet), mint a szekunder, (150-180menet) tekercse. Ekkor már jobbak lesznek az teljesítmény-átviteli paraméterek is. Működni fog, és nem sok gond lesz ezzel tovább.
- A propeller forgás mérésére egy résoptikai kapu, vagy Hall IC is berakható, nem igazán számit mekkora a fordulatszám, de minél nagyobb, annál szebb képet kapunk a kijelzőtöl. Sok sikert hozzá.
A rajzát feltöltöm, szia.

_PWM_1.jpg
    
(#) WaRL0 válasza janocsi hozzászólására (») Szept 1, 2009 /
 
Szia!

Igen visszaemlekszek csak azota volt mar sok FORMAT C:....az a gond hogy nincs otthon csak 0.12 CuZ-m.Evvel tuti nem lenne jo?Szerintem ennel a kapcsolasnal szamitt a fordulatszam mert itt nincs a fordulatszamhoz igazitva a ledek "villogasa".

Koszi;Szia
(#) watt válasza WaRL0 hozzászólására (») Szept 1, 2009 /
 
Idézet:
„Igen visszaemlekszek csak azota volt mar sok FORMAT C:....”

Nem ismered a particionálást?
(#) Hp41C válasza WaRL0 hozzászólására (») Szept 1, 2009 /
 
Szia!

Ha jól nézem a rajzot, az egyik egyenirányítóról a pic RA4 bemenete kap valami szinkronjelet....

Szia
(#) watt válasza Hp41C hozzászólására (») Szept 1, 2009 /
 
A dióda hídon a freki nem függ a fordulatszámtól, ha jól láttam. ?
Az eredeti rajzon nem azt az energiaátviteli megoldást alkalmazzák, mint amit itt tárgyaltak! De lehet, hogy én étrtettem valamit félre...
(#) WaRL0 válasza watt hozzászólására (») Szept 1, 2009 /
 
Szia!

Nem tudnad nekem atnezni a kapcsolast hogy nincs-e valami hiba benne?

Igen az eredeti rajzon nem ezt a fajta energia atvitelt alkalmazza.De nekem ez a fajta jobban tetszik ezzel fogom megepitteni

Koszi;Szia!
(#) janocsi válasza WaRL0 hozzászólására (») Szept 1, 2009 /
 
Szia WaRL0 !
Az a 10K az egyik dióda felől éppen a fordulatonkénti szinkronizálást végzi. (RA4 / Hp41C!). Miután Te a forgótrafós megoldást akarod megépíteni, ahelyett kell az a bizonyos résoptika vagy Hall IC. amelyel ugyanazt az eredményt tudod elérni, mint a diódahidnál az eredeti áramköri kapcsolásban. Szia.
(#) WaRL0 válasza janocsi hozzászólására (») Szept 1, 2009 /
 
Szia!

Es nem tudnal nekem segitteni megoldani hall IC-vel a kapcsolast ? En nemigen ertek a PIC-ekhez :no:.

Szia;Koszi!
(#) janocsi válasza WaRL0 hozzászólására (») Szept 1, 2009 /
 
Szia WaRL0!
Az a helyzet, hogy ezt borzasztóan egyszerű megoldani. Az R7 ellenállás azon végét amely a diódák felől jön, (hiszen egyébként sem kellenek már azok a diódák...), a Vdd-re teszed (+5V!). Kell ugyanis egy 78(L)05 stab IC a PIC-nek is, mert a forgótrafó felől jóval nagyobb feszültség jön, de ezt gondolom tudod is. A hal IC-nek (3 vagy négy lábú), a bekötése igen egyszerű feladat lesz. Megkapja az 5V feszültséget két lábon, majd az OUT, (kimenet), láb az RA4-re kapcsolódik. Ilyen Hall IC-t rossz PC hűtőventiböl tudsz kitermelni. Ezután egy kis mágnest kell elhelyezni a propeller alatt fixen úgy, hogy egyik pólusa minden fordulatnál megközelitse a Hall IC-t kb. 1-2 mm távolságra. (A Hall IC érzékeny a geometriai elhelyezésre ill. a mágnes mozási vonalára, ezért azt először le kell modelezni Szia.
(#) WaRL0 válasza janocsi hozzászólására (») Szept 1, 2009 /
 
Szia!

Azert nem gondoltam volna hogy ennyire egyszeru lessz .Szoval akkor a diodak D8-tol D16-ig nem is kellenek?!

Koszi;Szia!
(#) WaRL0 válasza janocsi hozzászólására (») Szept 1, 2009 /
 
Valahogy igy gondoltad?Persze a kondik lemaradtak.

mclksch2.gif
    
(#) janocsi válasza WaRL0 hozzászólására (») Szept 1, 2009 /
 
Szia WaRL0!
Igy gondoltam, csak a Hall IC-nél van egy kis elkötés. Úgy kellene, bekötni, hogy a tápfesz bemenete az egyik a +5V, a másik a GND legyen. A többi az jól van bekötve.
- Ha egy ilyen Hall IC- kitermelsz, jól vizsgáld meg a bekötését is a nyákon, (az elhelyezését a mágneshez viszonyítva is), aztán már nem lehet semmi gond vele. Szia.
(#) janocsi válasza WaRL0 hozzászólására (») Szept 1, 2009 /
 
Szia!
Alakul!
A 10k is az +5V-on kell legyen! (Fehúzó ellenállás). A Hall out az közvetlen a PIC RA4-es lábára megy! Szia.
(#) WaRL0 válasza janocsi hozzászólására (») Szept 1, 2009 /
 
Szia!
Igy gondoltad?

mclksch2.gif
    
(#) janocsi válasza WaRL0 hozzászólására (») Szept 1, 2009 /
 
Szia WaRL0 !
Már majdnem jó!
Annyi most a gond, hogy az RA4-en kellett volna hagyni az R7 végét, a 0.1 mikrót is, és úgy odakötni a Hall outot. Az R7 másik vége van a +5V-on. Szia.
(#) WaRL0 válasza janocsi hozzászólására (») Szept 1, 2009 /
 
Szia!

Szoval igy?

mclksch2.gif
    
(#) janocsi válasza WaRL0 hozzászólására (») Szept 1, 2009 /
 
Szia WaRL0 !
Elnézésed kérem, most tudtam újra átnézni a rajzodat. Igen, így már jó lesz.
- Ha a PIC-re közvetlenül kötöd rá a LED-eket, ráadásul a puffer tápról járatva, lehet hogy felmerülhet a PIC túlterhelése. Én egy-egy lelválasztó tranyót közé tennék ugyanúgy, ahogyan itt a topikban a propeller kapcsolási rajzaiban is láthatod.
Szia.
(#) Peti.Janka hozzászólása Szept 1, 2009 /
 
Sziasztok! A Hall ict nem fogja bezavarni a trafó? Motoron jártam úgy, hogy össze vissza adta a szikrát mire kiderült a generátor mágneses tere kapcsolgatta, és nem a jeladó mágnes. (saját építésü jeladó volt, és nem mágnesgyürüvel, hanem csak kis darab mágnessel)
(#) janocsi válasza Peti.Janka hozzászólására (») Szept 1, 2009 /
 
Szia Peti.Janka!
Ezt már kipróbáltam, ítt nem zavarja a "nagyfrekis" trafó. Ettöl függetlenül, célszerü a trafótól kicsit messzebb, a propeller panel valamelyik végén vagy szélén elhelyezni a Hall IC-t. (Ezek a Hall elemek csak nagyon közeli mágneses térre tudnak csak átkapcsolni. (1-2mm a mágnes pólúsától). Szia.
(#) WaRL0 válasza janocsi hozzászólására (») Szept 1, 2009 /
 
Szia!

A PIC-re 7drb 3.2V 20mA smd led fog kapcsolodni 91Ohm-os ellenallason keresztul.Ennyit kibir a pic?? . Nem nagyon szeretnek tranyokat mert igy is eleg nehez nekem megtervezni a NYAK-ot smd-ben

Szia!
(#) janocsi válasza WaRL0 hozzászólására (») Szept 1, 2009 /
 
Szia WaRL0 !
Már csak egy rövidke válasz: akkor viszont ezeket a LED-eket is az 5V-os stabról járasd, és hűteni a 7805-öst. Úgy nem lesz semmi probléma. Szia.
(#) WaRL0 válasza janocsi hozzászólására (») Szept 1, 2009 /
 
Szia!

Ha lenne egy pici idod megtenned nekem hogy berajzolod a kapcsolasba hogy hogyan is gondoltad? :pirul:

Koszi;Szia!
(#) janocsi válasza WaRL0 hozzászólására (») Szept 1, 2009 /
 
Szia WaRLO!
Ítt a javított rajz, most a soros LED ellenállásai már lehetnek 220 Ohm -osak is. Szia.

_WaRLO_1.gif
    
(#) watt válasza WaRL0 hozzászólására (») Szept 1, 2009 /
 
Bocsi, csak most értem ide, de látom már kaptál jó segítséget!
(#) WaRL0 válasza janocsi hozzászólására (») Szept 1, 2009 /
 
Szia!

Koszi !
Itt a kezdetleges nyakrajz.Nem tudnad/tudnatok atnezni nekem hogy rendben-e van?A ledek es az ellenalasok azok a fuggoleges nyakon lesznek.

Koszonom;Szia !
(#) bec1234 hozzászólása Szept 5, 2009 /
 
No üdv mindenkinek, remélem nem feleslegesen nyitottam ezt a fórumo.
Szóval segítségre van szükségem!

Építettem magamnak itthinra egy ledes kiiratós játékot ami a következő képppp néz ki
van egy motor arra fel van cuccolva egy pálcika a motor ezt a pálcikát pörgeti a motor fordulatszáma nincs szabályozva!
no erre a pálcikára ráraktam egy ledsort ami 8 ledből áll
ezeket a ledeket egy pic el vezérlem -külön külön , szóval értitek..
mivel forog az egész ezért szép dolgokat lehet pingálni
nos én a nevemet iratom ki vele.
azért, hogy ne nyúljon el a szöveg , mivel különböző fordulatszámon különböző mértékben nyúllik meg a kiiratott szöveg ezért mérem a perijódusidőt, úgy hogy a pálcikára még egy reed relé az a mágneses teret érzékelő relé van rágyógyitva ez küld egy inpúlzust a pic nek , a pic meg akkor tudja, hogy mennyi a köridő és ezért nem mászik el a szöveg és azonkívül, hogy egy hejlyben van még nem is nyúlik meg.
szóval ez az épített kütyüm . és az a baj hogy a ledeknek a fényereje nem túl bagy , vagyis csak sötétben látszik jól. célom az , hogy egy 9V os elemről, tudjátok, ami álltalában a multiméterbe meg mindenféle vacakban van , szóval erről a 9V os vacakról egy 7805 el stabillá téve, mondjuk 1 fél óráig bírjon villőágítani,és nappali fénynél is látható legyen!

és itt jön a kérdés

ta ta ta tamm

hogy kérlek mondjatok egy led típust, pontos számmal , hogy bemenjek a bótba és azt mondjam, hogy egy "xy"-ledből kérek szépen nyolc darabot "xy" előtételleneálásokkkal

válaszokat ide is, hogy ne csak én tanulhassak, de feltétlenül az ímélcímemre is kügyétek el!
bec1234@freemail.hu


várom ielőbbi megtisztelő javaslataitokat

üdv béci


Kép127.jpg
    
Következő: »»   107 / 489
Bejelentkezés

Belépés

Hirdetés
XDT.hu
Az oldalon sütiket használunk a helyes működéshez. Bővebb információt az adatvédelmi szabályzatban olvashatsz. Megértettem