Fórum témák
» Több friss téma |
Hello
És akkor ha potméteres fesz. osztóval oldom meg az érzékenység csökkentést, akkor a potmétert még a bemenetnél lévő 100nF-s kondi elé tegyem? Szóval így a leosztott fesz kerülne a kapcs. rajzon levő IN pontra. Üdv.
Hello!
Megépítettem a "vicsys" féle freki mérőt, de valami nem stimmel. A kijelzőnek a kontrasztját szépen lehet állítani, de amúgy nem ír ki semmit. Ahogy a cikk végén olvasható, hogy : Idézet: „ezért a tranzisztor bázisát felhúzó ellenállást (47Kohm) átkötöttem a kollektor helyett a +5V-ra.” Én is így építettem. Esetleg az smd fetet fordítva "fejjel lefelé" köthettem be, vagy a piccel lehet valami? A választ előre is kösz. üdv. mate_x
Ez azt jelenti, hogy nem működik a pic. Érdemes megnézni a kvarcnál, hogy oszcillál-e (szkóp) A két kondi értéke ha nem jó nem indul. Attól, hogy nem megy a bemenő fokozat, ugyanúgy elindul az áramkör. De még millió gond lehet (pl. rosszul vagy nem lett beégetve a program, érdemes visszaellenőriztetni az égetés után). Vagy egyszerűen rosszul van bekötve a kijelző. Én megépítettem és tökéletesen működik. Én is szaladtam vele egy plusz kört annakidején, és kiderült, hogy a nagy semmit sikerült beleégetni. Pedig nem az első pic-kes áramköröm volt!
Minjárt kiveszem a picet, aztán megnézem, elvileg jónak kéne lenni, de kitudja...
Ebben ez a szép, én is meg voltam győzödve, aztán volt csodálkozás!
Azt hiszem kinyírtam a picet
.Nem rég újra telepítettem a gépet, aztán az égető programnak elfelejetettem beállítani a vonalait, és nem mutattott semmit, amikor a picből olvasam ki. Most eszembe jutott beállítottam a vonalakat, és kiolvasáskor most csupa 0-át ír ki. Ha nem tévedek akkor ez azt jelenti, hogy tönkre ment a pic, vagy (remélem!) rosszul tudom?
Próbáld meg újra beégetni, majd visszaolvasni! Én nem vagyok pic guru, de lesz mindjárt, biztos vagyok benne!
Meg próbáltam, de sajna nem jött be, nem tudom mi van.
Szerintem a - PIC kezdőknek - vagy a - Pic miértek, hogyanok - topikban kellene érdeklődni!
Rendben, azért kösz a segítséged!
Mindenkinek szép napot kívánok.
Szükségem lenne egy frekvenciamérőre.Gondoltam meg lehetne oldani házilag.Legalább a tapasztalat miatt is. De még nagyon alapismeretes vagyok.Fel is merült bennem egy pár kérdés ezzel kapcsolatban. A frekimérővel milyen hullámformákat lehet mérni pontosan? Ezt ugy ertem, hogy egy szinuszos jelhez más kell, mit a 4szög vagy a fűrészfog jelhez. Hiszen mindegyiknek más az alaktényezője. Vagy, hogy is van ez? Lehet, hogy még lesz több kérdésem is, de egyenlőre csak ez van. Ja majd elfelejtettem a mérési tartományt. Kb olyan 10Hz - 150Mhz ig lehetne. Kapcsolásokat, tanácsokat szivesen fogadok. Mindenki segitségét köszönöm.
Hello, "alapismeretesként" ne foglalkozz az alaktényezővel, az esetek igen nagy hányadában ez nem számít. Egy frekimérő digitális, igy a bemeneti jelet egy Schmitt trigger négyszögjellé alakítja át, és azt méri. Ha egyszerűt akarsz, akkor PIC-kel, vagy AVR-rel készítsd el.
Szia !
A kérdés az hogy milyet is szeretnél? Cél ics, TTL és/vagy Cmos ics , esetleg mikrokontrollerest? Egyszerüt v. nehezebbet. Ha egyszerüségre és könnyen megépithetöre gondoltál akkor válassz egy uC-t, egy ilyet „kevesebb” munkával és hamarabb is megépithetsz, itt az oldalon is találsz ilyet. Ha inkább a tapaszatlatszerzés és a frekvenciamérők alaposabb működésének, (pl. a vezérlő jelek) megismerése a célod akkor válassz egy TTL/CMOS icékböl vagy cél icéböl felépülőt. Ebben az esetben viszont számits rá hogy 2x annyi munkával fogol célt elérni, hiszen ezek a az áramkörök 10-20 ict is tartalmazhatnak nem beszélve a késöbbi beállitásokról (órajel , latch , előosztó beállitása stb) Harmadik lehetöség hogy veszel 1 cél ict pl ICM7216, ICM7226 és ezzel építeszz egyet ami sokkal egyszerübb lesz mint egy TTL-s viszont 4x annyiba fog kerülni…. Utólag mellékelem a digiális ferkvenciamérők általános tömbvázlatát (ebből kiderül hogy miért is fogadhat a bemenet nemcsak négyszögjelet(előerősitő és jelformáló)) is és egy mikroklubbos (mikroklub.hu), CMOS/TTL icékből felépülő 100MHz frekimérőt . Remélem sikerült valamit segitenem ... Üdv . MCsanyi
Hát különösebb elvárásom nagyon nincsen. Itt ott javitgatok és néha jól jönne egy freki számláló.
Egyetlen elvárásom, hogy relative pontos legyen, olyan hobbiszinten. Egyenlőre valami egyszerűbb is megfelelne szerintem. Pontosságban miben különböznek az egyes alternatívák? Ja, köszönöm a fajlokat... sokat segitettek.
Hobbi célokra egy PIC-es számláló tökéletesen megteszi, egy ilyet elkésziteni is viszonylag könnyű, és a beállításával se kell túl sokat bajlódni, egy program a PICbe aztán kész is. Egy TTL/CMOS vagy cél ics frekimérő beállitása viszont sokkal több munkával jár.
Pontosságban nem sok különbség van közöttük, ez csak az órajel pontos beállításán mulik,max. még a szolgáltatásokban különbözhetnek, van amelyk periódus idöt, frekvanciaarányt stb. is tud mérni. Üdv. MCsanyi.
Sziasztok !
Ehhez a frekimérőhöz keresek rajzot HT TR5270/D 030 50MHz Nixie csöves frekvenciamérő. Ha valaki tud segíteni azt megköszönném. Üdv Tonya
Sziasztok
Megépítettem Vicsys frekvencia mérőjét először az panel és az LCD szalagkábellel volt összekötve, azzal néha működöt csak ,mert vagy lefagyott a mérésnél ,vagy teljesen fekete volt az első sor. Most tüskesorral kötöttem össze az LCD-t és a panelt ,be ezzel sem jó mert a kijelzőn csak hülyeség jelenik meg(naggyából mindig ugyan az) aminek az utolsó 3 karaktere változik csak, vagy nincs semmi az LCD-n. A PIC lábaira közvetlenül rákötöttem egy 100nF-os kondit. A PIC-et ICD2-vel programoztam és nem írt ki semmi hibát. Mi lehet a hiba? Előre is köszönöm a segítséget
Szia!
Az LCD bekötése biztos jó? És az LCD-ben lévő vezérlő IC?
Ha "hülyeségeket " ír ki az lcd biztos hogy a bekötés
a hibás nézd át a lábak sorrendjét !
A szalagkábellel működöt, azt írta ki amit ki kellet neki csak lefagyott.
A frekimérők nagyobb frekin nem csak a valós frekiértékeket mutathatják, hanem a felharmónikusokra is beállnak, akkor van jó kijelzés ha az utolsó digit is stabil esetleg plusz minusz egyet változik.
Minél távolabbi felharmónikusra áll be annál ugrálósabbak az utolsó digitek. Főleg igaz ez akkor ha előosztó van a mérő előtt.
Ez meg még plussz LC mérő is:
**** Jó linket kellene megadnod! Frankye
Szia!
Már csak a gépedet kellene elérni... (D:\ ) Üdv.
Sziasztok!
Itt egy új frekvencia, kapacitás, induktivitás mérő (Quartz teszter) kapcsolási rajz. Nemsokára én is nekiállok, csak megszerzem az alkatréseket hozzá. Igaz kicsit drága, de megéri ha elkészül. Csatlom a fájlokat.
Bocsomat, valóban. Remélem így jó lesz.
Sziasztok!
A csatolt képen az azonos színnel bekarikázott részeket ugye össze kell kötni?
Az azonos elnevezésűeket igen, össze kell kötni.
Sziasztok.
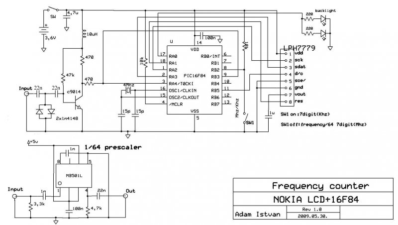
Azoknak szeretnék egy alternatívát mutatni,akik nem rendelkeznek vagy nem akarnak befektetni egy LCD modulra,ugyanakkor birtokukban van régi Nokia 3310,3210 kijelző.Itt szeretnék köszönetet mondani azoknak a fórumtársaknak akik más fórumokban feltárták a mobil kijelzők működését.Ha valakit érdekel, a forrásprogramot is feltehetem.Megbízhatóan, pontosan működik,de ráfér még a fejlesztés. (háttérvilágítás egyfolytában világít stb...) A képen látható nyomógombok ne tévesszenek meg senkit hogy a rajzon nem szerepelnek,nem frekvenciamérőnek indult. |
Bejelentkezés
Hirdetés |






.







