Fórum témák
» Több friss téma |
Sziasztok
Megépítettem a vicsys kapcsolását amit 16f628a -val szeretnék működtetni.A probléma kővetkező lenne itthon volt egy 16x2-es lcd-m(Hd66702) ezt használtam fel.Első problémában észrevettem hogy a táp csatija fordított de a többit nem tudom hogy más lenne-e mivel nem találok hozzá adatlapot.(a kijelzőn halványan felkiáltójelek jelennek meg) A pic-vel nem hiszem hogy valami lenne mivel pickit2-vel égettem és már két pic-et is próbáltam. A nyákon nem változtattam semmit!! Ezeket a Hex-eket probáltam
2 dolog:
Jól értem? Fordítva adtál rá tápfeszt? A kijelződ HD44780 vezérlőchip-es?
Nem nem előbb vettem észre mielőtt rákötöttem volna.
És a kijelző HD66702 vezérlőchippel rendelkezik::
Akkor ott lesz a gond. Szerintem nem kompatibilis az lcd...
Az 1-14 való kiosztásra gondolsz vagy csak egyszerűen a pic nem tudja hogy hogyan is kellene meghajtani?
Enyhén szólva... köszönőviszonyban sincsen a két IC. A 44780-as párhuzamos, a 66780 meg I2C-s és billentyűzetet is kezel.
Ezek szerint nézek egy másik LCD-t.
Köszönöm szépen a tájékoztatást!! De lenne még egy kérdésem,hol tudhatnék meg többet erről az LCD-ről??
A kővetkező helyzetbe keveredtem ,elmentem a boltba és nem volt az az Lcd ami a leírásban van,de viszont vetem egy olyat amire azt mondták hogy kompatibilis vele.Bővebben
A probléma az hogy ezzel sem indul el.Halványan mind a kettő sor megjelenik de de ezen kívül semmi . Lehet hogy nem jók a Hex-ek amiket beégetek??
Kompatibilis?Már találtam is különbségeket:pl:INITIALIZING BY INSTRUCTION
csak ezt már nem nagyon látom át.
Sziasztok!
Szeretnék egy előosztót készíteni a csatolt (megépített!) kapcsoláshoz. Jelenleg 4040-el gondoltam a megvalósítást, de kétlem hogy az IC képes lenne 1-2Ghz-es jelel dolgozni. Köszönöm segítségeteket. HA3GX - Tamás
Az valóban nem fog tudni annyit, még a jelenlegi frekihatárt sem nagyon fogja túlteljesíteni. LS TTL ic-vel kb. 100 MHz-ig lehet felmenni (konkrét típustól függően), de ha GHz-es tartományban szeretnél méricskélni, akkor ajánlanám az MBL501-es, esetleg az U664B előosztókat. Ezek ha emlékeim nem csalnak, akkor kb. 1.2 GHz-ig mérnek és 64-el osztanak. Az előbbi 10, az utóbbi 30MHz-től indul.
Csak arra kell figyelni, hogy ezekkel a kijelzett értéket fel kell szorozni 64-el (esetleg a szoftvert felokosítani, hogy kezelje).
Sziasztok!
Végigolvastam a topicot, sok érdekes hozzászólást olvastam, úgy látom sok fórumozó idegenkedik a mikrokontrollerek alkalmazásától,pedig ez a jövő útja. Több frekvekimérőt készítettem, legutóbb a Vycsis által publikáltat, elsőre indult szerintem a legegyszerűbb és legnagyszerűbb. Még egyet szeretnék elkészíteni PIC16F628 ic-vel. Érdekességképpen felteszek egy pár képet a régebbi készülékeimről. Az első egy 40xx sorozatú CMOS ic.-kel készült, a felső panel a számláló, az alsó a vezérmű. Van benne vagy 20 ic, sokat fogyaszt. A másik TTL ic.-kel készült, középen a számláló, érdekessége a 74143 ic-k /számláló+tároló+dekódoló és kijelző meghajtó egy tokban/ egyik oldalán a bemenő erősitő és osztó, másik oldalán a vezérmű. Ez a rész is érdekes megoldás SAJ300 cél ic.-vel spec. bináris kvarccal. anem lett dobozolva, külön 5v stabil tápot igényel.
Sziasztok!
A csatolt előosztó kapcsolást, hogyan tudnám kiegészíteni 1/100-as osztásra? Köszönöm segítségeteket!
Szia!
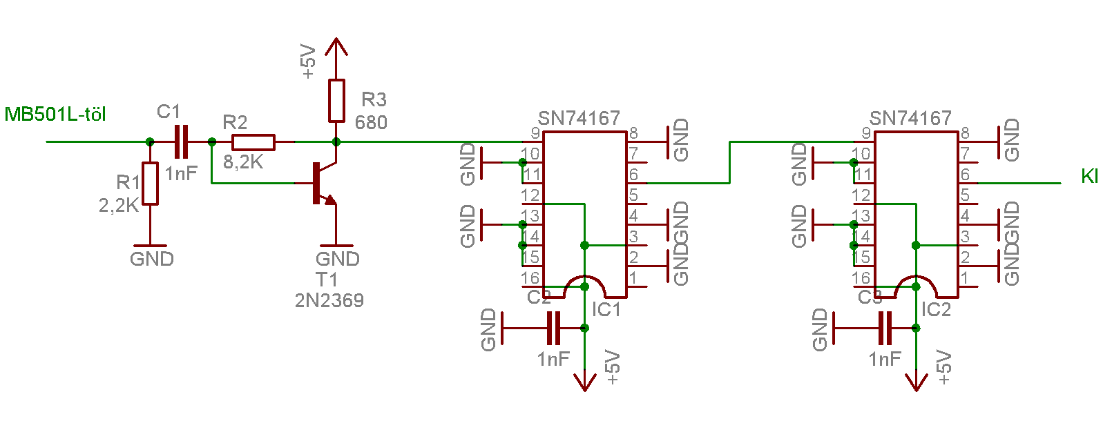
Sajnos csak az áramkört találtam meg itthon a rajzot róla nem. Először szintillesztést kell végezni TTL-re egy tranyóval, majd kétszer 1,25-el osztani, egy-egy SN74167-el. Az illesztésről van egy másik rajz azt felrakom, de ott a komplett osztólánc 1000-el oszt. Ha a 74167-ek bekötése kell írj és visszarajzolom az áramkört.
Ez egy 100-as osztó csak ne nézd az elejét mert más ECL
ic-vel készült
Visszarajzoltam én is.
Most már van választék
Még egy U664 osztóhoz, hátha mást is érdekel
Sziasztok!
Köszönöm a sok segítséget, én a U664Bvel fogom elkészíteni a csatolt kapcsolást. TTL szintillesztést, hogy kell készíteni hozzá? Köszönöm, Tamás
De hiszen rajta van a csatolt rajzodon (R4, R5, R6, Q1).
Ennek a kimenetét közvetlenül rákötheted a további TTL-es osztókra.
Szia!
A végén láttam, de azt hittem az elejére is kell. Arra gondoltam, hogy 64-el osztok és a kapott eredményt felszorzom 64-el. Igaz akkor nem a pontos frekit látom, de azon már a számológép segít. Így is lehet, ugye? (Ui.: Hinni a templomba kell) Köszönöm.
Nem tudom milyen frekvenciamérő elé szánod az osztót, de több megoldás is létezik.
A legegyszerűbb amit írtál a számológép. A második hogy a frekvenciamérővel "tudatod" hogy előosztó van előtte (program átírás). A harmadik hogy becsapod a frekvenciamérőt. Ha például 10MHz-es kvarcról jár, akkor kicseréled 6,4MHz-esre, ilyenkor csak a tizedesvessző eltérést kell figyelembe venni. Viszont ekkor a 64-es előosztó nélkül a mérendő jel 0,64szeresét fogja mutatni. Vagy kibővíted 100-as előosztóra ahogy eredetileg is akartad, és itt is csak a tizedesekre figyelsz. Illetve választhatod ezt a programot ahol megadható az előosztó értéke.
Bocs a harmadik lehetőségnél nem 6,4MHz-es kvarcra hanem 15,625MHz-esre kell cserélni.
Üdv.
Megépítettem Vicsys által prezentált frekvenciamérőt (PIC16F84A-al), én nem működik, már kétszer átnézem a kapcsolást, hiba után, de nem találtam. Lényegében az egész kapcsolás nem csinál semmit. A kijelző alsó sorában lévő karakterek világítanak, és ez mindig így van, amikor benne van a pic és akkor is ha nincs. Aki tud kérem segítsen! (Ezt a leírást használtam: http://freki.atw.hu/ ) Előre is köszönöm.
Nézd át az LCD-re menő bekötéseket, szakadás vagy
zárlat okozhat ilyen hibát, a PIC programját is érdemes visszaellenőrízni.
Nézd meg azt is, hogy beindul-e egyáltalán a PIC óragenerátora, és ha már ott vagy, azt is megnézheted, hogy a többi jelvezetéken szaladgál-e valami az LCD meg a kapuk felé.
A kvarcon 0V van, és a pic 15 és 16-os lába között is. A pic programját még nem ellenőriztem le, hogy egyáltalán működne-e. A kapuk és a pic között semmi nincs. A kijelző felé: 2(táp),4,5,6,12,15 kimeneti lábakon van 5V, az 1,16 láb gnd, a többin 0,1-0,2V van. De holnap pontosabban letudom mérni!
A kvarcot szkóppal kéne megnézni, hogy megy-e, az egyenfesz nem sokat mond. Mivel a PIC-el meg anélkül is ugyanazt produkálja, ezért gyanús, hogy a PIC nem indul el.
Sziasztok!
No én most építettem meg, de valami nekem sem kóser. Nekem ugyan elindult, de össze-vissza ír ki minden frekvenciát khz nagyságrendben. A bf240 fel lett húzva az 5 V -ra a 47K -val, de ugyanaz. A BF961 -en lévő 100 ohm -ot és 22nF -ot kicsit elhúztam egymástól, így javult a helyzet, de így is bizonytalan volt a 0 -ra állása testelt bemenetnél. Mérni meg nem mér semmit. Aztán az egyik bekapcsolás után nekem is megjelentek a sötét karakterek. Szóval a PIC kifeküdt. Király. Másik PIC bele, ugyanaz. 74HC132 ki, PIC indul, persze nem mér semmit. Új 74HC132 bele, és visszaállt a kezdeti állapot. A BF961 -et kiforrasztottam, de a helyzet nem javult így sem. Ha a BF240 -et kiveszem, akkor nem jelez semmit a kijelző. Szerintetek merre induljak? |
Bejelentkezés
Hirdetés |
















