Fórum témák
» Több friss téma |
Fórum » Csöves erősítő készítése
Ne feledd betartani a fórum viselkedési szabályait, és a topik megmaradásának feltételeit. [link]
A téma átmenetileg fagyasztva lett, hozzászólni nem tudsz!
Kösszi a kiigazítást, azt csak véletlenül sikerült elírnom.
Szia,
Hihetetlen , hogy ezredszer is fordítva rajzolják a hangerő poti bekötését. Ebben a bekötésben ha halkítod rövidzár felé viszed a meghajtó forrás kimenetét, szinte biztos hogy túléli, de az is hogy nem örül neki
köszi a poti bekötésre már kaptam kritikát és módositottam ahogy irtátok,úgy van bekötve ahogy irod.Majd holnap jelentkezem ha átnézem újjból a kötéseimet nem adom fel a reményt,ha már ez is muzsikálhat akkor had halljam.
Ha ez nem zenél, tényleg ne add fel, a kapcsolástechnika ugyan az, csak egykét alkatrésznek más az értéke. Na meg az előfok és segédrács táprészét meg kell csinálnod, de az sem bonyolult, csak pár + kondi, meg ellenállás. A kondiról jut eszembe, én még nem is tettem bele a táphoz, keresnem kéne, mert ha jönnek a kimenők, dobozolás. De akkor teljesen készre megcsinálom, utána max akkor szeretném szétszedni, ha más cső miatt állítani kell az előfeszen.
Én személy szerint bár sokáig nem szerepeltem egyéb okok miatt ettől függetlenül végigkisértem az általad írt oldalakat.Hajrá Diósgyőr!
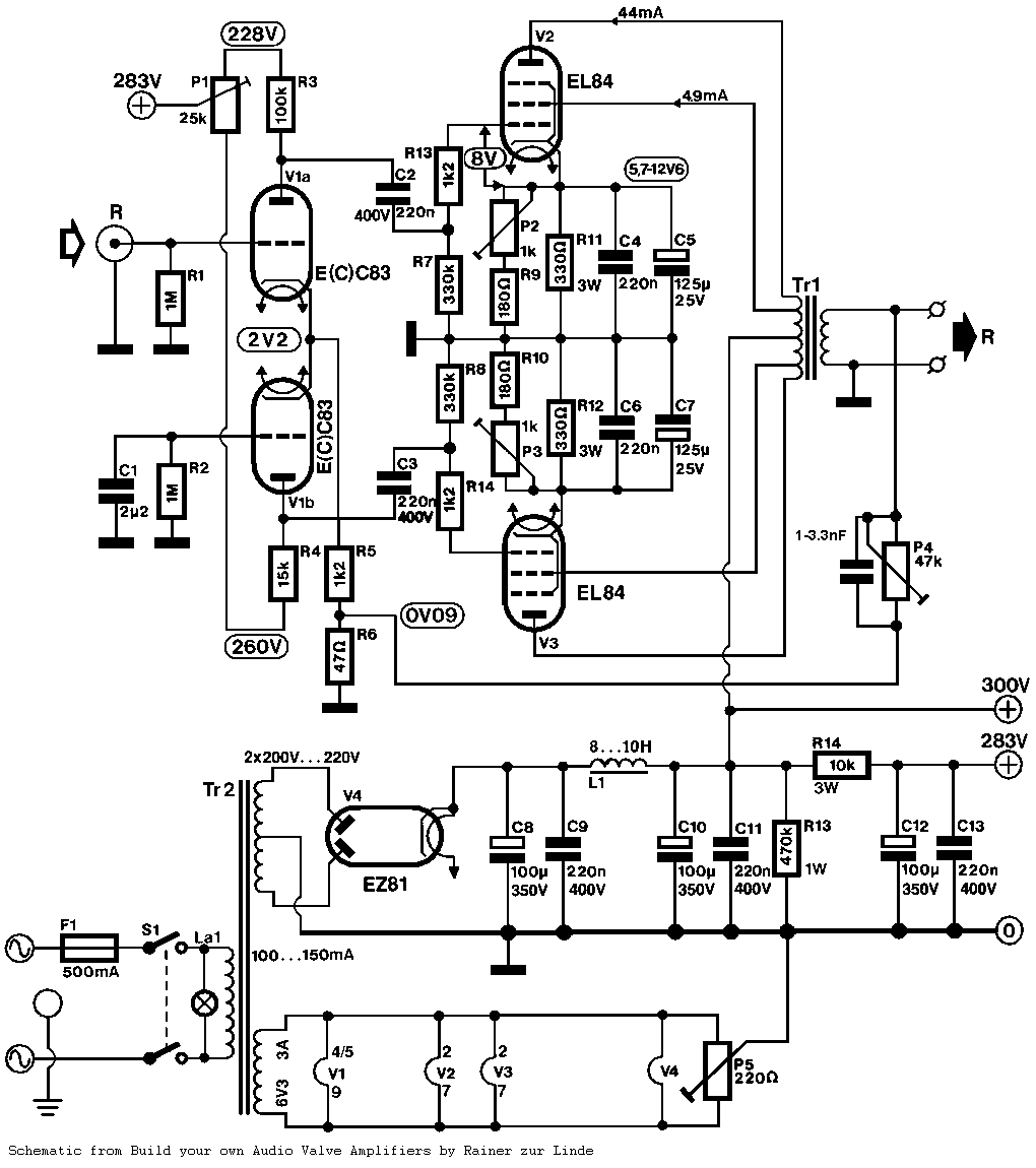
Sziasztok. Óriási kérésem lenne ahoz a személyhez akinek lenne néhány szabad perce. A problémám, hogy ez OPT progi nekem egyenlőre kinai. H a valaki elmagyarázná vagy kitöltené??? azt megköszönném. Itt a rajz (bár nem tudom kell e még hozá valami)
Szia !
Milyen vasat akarsz kimenőnek használni ?
Ez jó kérdés. azt elfelejtettem oda irni hogy ha lehet olyan "vasból" csinálnám amihez boltba könnyen hozzá lehet jutni. Vagy vannak tv kimenöim amiket szét lehet szedni....???
Szerintem a legjobb és elérhető egy pár SM85B vas.
Ami még jobb egy pár MD85B szemcse orientált vas. a legeslegjobb az egy pár amorf mag lenne, de ez már rakétával lenne vadászás verébre ezen cső esetén.
bár van két ekkora csévetestem 3.4*4.2-es a közepe. Ez az sb85 magja? Vagy baromságot kérdeztem?
Ez egy videoton (pl Cleopatra) hálózatinának (EI92) a csévéje a vas nincs meg hozzá? Én ilyet keresek, egy van, de én SE erősítőt akarok belőle.
Írtam egy PÜ-t az az S/M85b cséve,
Sajna vas még nincs de ha érdekel odaadom ebböl nekem valószinü ugyse lesz kimenő
Persze érdekel privátban megdumáljuk.
Legalább nem kell ezt letekernem
rendben.
Akkor elöbb szerezzek valami vasat aztán számoljak ("számoltassak")?
Idesüss mit találtam az imént. 1 db, és nem túl jó. érdekel ez is?
Közben én írom a PÜ-ket ez is érdekel, de ránézésre ez csak fűrésszel lehet szétszedni, hogy a vas ép maradjom
Ajánlat megy pü-ben.
még nem teljesen, de a nehezebb része talán
Ki találta ki ezt az elmebeteg megoldást, hogy a katód ellenállás söntölésével állitja be a szimmetriát ezzel együtt az előfeszültséget. Hát én sz.. a tudományára, mert egy plusz tekercs az előfeszültségnek ami pontosan beállítja a munkapontot plusz egy szimmetria poti.
A másik HI-Fi végfoknál nincs átblokkolva a katódellenállás épp a mély hangú tozítások csökkentésére
Játszódom vala a 6P15P-vel. Bizony, megmutatkoznak a különbségek a 6P14P-hez képest. Ugyanazt a kimenőfeszültséget 3%-kal nagyobb torzítással produkálja. Megpróbálom a "feljebb illesztett TV kimenővel is, hátha.......
Heló srácok.Képzeljétek el megszólalt az erősitőm.A hangja nem valami biztató,úgy szól mint eggy tranzisztoros rádió ha nincs állomáson torzit.A brummal meg vagyok elégedve hallható de nem nagyon zavaró.A hangszóró most eggy 3 w-os wuffer mert ez volt kéznél,egyébként hány wattosat kéne rákapcsolnom?Mit tegyek a hangminőség érdekében?
Basszus, fél százalékkal csökkent csak. Siralmas.
Sajnos engem ez a csöves téma csak 2 hónapja foglalkoztat, és mivel közel sem ezt tanultam, ezért kerestem egy szimpatikusnak tünő rajzot, majd nekiáltam megépiteni. Hogy mi lesz belöle azt nem tudom, de már most az épités közben is sokat tanultam (és nem hagyom abba) Következönek már jobban odafigyelek a kiválasztásnál. Azért kösz hogy figyelmeztettél ezekre a kérdéses problémákra.
Nem te vagy a hibás hanem az sok s...fej aki életében csak fényképről látott csövet. Ők akik vonalzóval akarnak készüléket építeni csőkarakterisztikák alapján és utnána elégedetten hátradőlnek a karosszékben. Egy a baj ebben, hogy míg egy kapcsolás létrejön addig jó pár alkatrész megy az örök vadászmezőkre. Na most gondolom nem vagy milliomos plusz inkább keresgélj a magyar leírások között mint a Rádiótechnika 1968,69,70,71 évkönyvekben. Ha nincs meg akkor E-mailban áttolom.
Eredetileg is ilyen célra szánták tehát függ. végfokba.
|
Bejelentkezés
Hirdetés |


). Ha gondoljátok, leírhatjátok saját tapasztalataitokat, nem árt, ha ismer(tet)jük az álláspontjainkat.






