Fórum témák
» Több friss téma |
Nincs teljesen igazad az első mondatoddal, mivel ha minél többenergiát akarsz megspórolni annál bonyolultabbá válik a fűtési rendszer, és minél több "hőtermelő" van a házban, az is egyre csak bonyolultabbá teszi, ez elkerülhetetlen, de csak a pontosabban illesztett és több pontos, jól megtervezett vezérlővel kivitelezett fűtéssel lehet spórolni a használat során, de sajnos ez építéskor rengeteg pénzt igényel, amin a legtöbb "megrendelő" már elspórol. A másik én is ilyesféle rendszerek kialakításával foglakozok 5-6 éve, de itt nem a megépítés lesz a gond, hanem a hidraulikai méretezés és a vezérlés összehangolása. Ez utóbbi nagyon meghaladja egy fűtészerelő munkakörét, ide már elektronikai szakember is kell, aki viszont vaslamennyit ért a fűtésekhez is.
Igazából Aci egy elég bonyolult megoldást talált ki, melyen még csiszolni kellene kicsit, de azt már látni lehet, hogy ez a rendszer jó is lehet, de mindenekelőtt rengeteg pénzbe fog kerülni. Szerintem ez a pár millió forint költség megérne annyit, hogy egy jó épületgépésztervezővel megterveztessék, ugyanis hasraütve nem lehet jól megcsinálni ezt.
Az az igazság, hogy most már egy jó(!) épületgépész véleményére is kiváncsi lennék. A terveire meg méginkább...
Utoljára egy Auchan -nál hallottam, hogy két hétig nem tudtak fűteni, mert olyan jók voltak a tervek... És ugye azt nem egyszerű fűtésszerelők tervezték... A legbiztonságosabb megoldás, ha Aci a tervezés során megtanulja a gépésztől egy kicsit ezt a szakmát. Kizárt dolognak tartom, hogy tudjanak úgy csinálni neki egy rendszert, hogy neki csak a BE, meg a KI gombot kelljen megnyomni és minden működik.Méghozzá a leg energiatakarékosabban. ( legfeljebb ő majd azt hiszi, hogy ez így a legjobb... )
Teljesen igazat adok a hozzászólásodban. Ahogy más szakmákban is van hozzá nem értő, úgy itt is előfordul. Én magam épületgépész technikus vagyok+ elektronikai műszerész (de nem biztos, hogy mindenki szemében jó szakember). Így aztán van rálátásom valamennyire a két területre, sőt mostanában egyre többször kellek foglalkozni a két szakma "közös" részével. Egy jó rendszert nagyon könnyű elrontani egy nem oda illő vezérléssel, és viszont, hiába a jó vezérlő, ha nincs hozzáértő ember aki a fűtési rendszerhez "hangolja". Na meg a legnagyobb gond (az esetek többségében), hogy mire ehez a munkához ér az építtető vagy felújító a pénze igencsak fogytán van így ezen spórol, igaz utána ő issza meg a levét, vagy a szerelő, mert rángatja, hogy ez sem jó, meg az sem úgy megy ahogy ő elképzelte. Szóval ez is egy nagyon kényes terület.
Tulajdonképpen, az építettetőnek tudnia kellene, hogy mit várhat el a rendszerétől. Ehhez viszont értenie kellene a működését. Ezt viszont csak akkor hajlandók megérteni, megtanulni, ha túl nagy a gázsszámlájuk...
Helló!
Szerintem a terv sem segít a szerelő ügyetlenségén, vagy figyelmetlenségén. A számláról meg ne is beszéljünk. A meleget mindenki szereti csak nem mindegy milyen árat kell érte fizetni. Minden szakmához nem érthet mindenki, csak, mert biztonságban szeretné tudni magát az elvégzett munka felől. De, ha egyszer csalódsz a szakiban és a következőben is, akkor csak te maradsz és a józan ész, hogy helyre hozd a bakit. Vagy keresel egy harmadikat is? Egyikre sincs ráírva, hogy mennyire ismeri a kor technikáit, anyagait és alkalmazásukat. Nekem is akkor kellett volna megvonnom a megbízást, mikor megláttam, hogy flexel vágta a pvc-t? De miért kellene nekem ezekhez érteni? Akkor minek hívok szakit? Felrakom a nálam összetákolt rendszert, aminek az a szépséghibája, hogy a felső szint fűtése lemarad az alsótól. Nem tudom, hogy mi hiányzik a rendszerből, vagy mi van rossz helyen. Üdv.:VIM
Szerintem itt is az egyenetlenül kivitelezett fűtés és a hidraulikai beszabályzás elmaradása okozza a problémákat.Ami a leggyakoribb hiba. Ráadásul energiapazarlással is jár.
Mit jelent az, hogy a felső szint fűtése lemarad az alsótól? Időben? Vagy hosszú idő múlva sem lesz elég meleg fent?
Igen, sajnos az a baj, hogy az ember csak utólag tudja meg, hogy mit kellett volna tennie. Ez a tanulópénz. Csak miért ilyen drága?
"Felrakom a nálam összetákolt rendszert, aminek az a szépséghibája, hogy a felső szint fűtése lemarad az alsótól."
Ha az alsó szint a pf és ráadásul kiegészítő fűtés, akkor valószínű a két rendszer hőfelvétele nem jól méretezett. lehet a cső keresztmetszet is alulméretezett vagy a sugárzó felület. Lent túlfűtöd, fent alul. Az én fűtésem a földszint pf, tetőtér radiátor. A radiátorok kétszeresen méretezettek, a pf 100W négyzetméterenként, amit az írások szerint 10cm csőtávolsággal érhető el. a radiátorokon termoszelep van. vezérlő termosztát lent van. Magam "terveztem/építettem. Semmi bajom vele. Azon kívül hogy a tetőtér hamarabb hül, mivel nincsenek vastag hőtárolást segítő falak. De ki lehet bírni. ![]() Az is lehet hogy neked csak az elosztó keresztmetszetével kellene fel menni a megfelelő hőmennyiség felszállítása végett és nem egy körön a két radiátort táplálni. Ja és fent is egy elosztót elhelyezni.
Az igaz hogy pénzt csak pénzzel lehet csinálni,
de a megtérülést egy hibás tervezés/kivitelezés agyon csaphatja. Az a gond hogy nincs olyan hogy több fajta rendszer, ami homogén rendszerként viselkedik. Pontosabban nagyon drága vezérléssel oldható meg. De megéri? Megtérül? Ki tudja? Az ilyen vegyes rendszereket legjobban puffer tárolókkal lehet szabályozhatóvá tenni, amik aranyárban vannak. sok-sok kütyűvel, amik szintén drágák.
Meg lehet próbálkozni a beszabályozással. Ha lent túl meleg van, akkor próbáld a radiátorokat fojtani az osztó-gyűjtőn levő szelepekkel. Ha ott nincs ilyen, akkor azzal, ami a radiátoron van. Így lentre kevesebb energia jutna.
Ilyen szempontból az lenne jó, ha termoszelepek lennének a radiátorokon. Már nem olyan drága, Hertz-et vegyél, talán az a legjobb. Nem tudom, hány szivattyú van a rendszerben. Nem ártott volna külön a felső, külön az alsó szintre tenni, mert azok fordulatszámával be lehetne állítani a szállított vízmennyiséget, tehát azzal is lehetne operálni. Esetleg, érdemes lenne kipróbálni, hogy csak az emeletet fűtöd. Egyáltalán, a meglevő radiátorok mérete elegendő? Be tudja fűteni az emeletet? Biztosan elég jó az emeleti mennyezet ( tetőtér ? ) hőszigetelése? Sosan: nálad nem csak azért hűl gyorsabban az emelet, mert az tetőtér és nincsenek hőtároló falak, hanem nincs az az irdatlan betontömeg, mint ami a földszinten van. Az a legjobb hőtároló, hiszen a teljes keresztmetszetében meleg, súlyosabb mint mondjuk a téglafal ( pláne a mai modern csupaluk téglák... ) tehát jó nagy a fajhője. A tégla meg jóval könnyebb, a belső fele meleg a külső hideg, tehát, nagyon kevés hőt raktároz a padlófűtés betonjához képest. És még egy dolog, lehetne sokkal jobb is a hőszigetelés és itt nem arra gondolok, hogy miért nem elég a 15 cm közetgyapot, hanem az legyen mondjuk 40 cm. És akkor még a falak k értékének is sokkal jobbnak kellene lenniük, akkor sokkal lassabban fogyna el belülről a meleg. Nyílván, van egy épeszű határa a höszigetelésnek, nem biztos, hogy érdemes ennyit belefeccölni. Még egy dolog, a földszint födémje fölött nem a külvilág van, hanem a tetőtér, amit szintén fűtesz. Hát, persze hogy kevésbé megy el a födémen a meleg, mint a tetőtérben. Egyébként, gratula a megvalósításhoz. Különösen, hogy megelégedésedre működik!
Helló Katt!
SEMMIT nem spóroltam ki a tetőtér hőszigetelését illetően! Fázni én sem szeretek. De azért a 15cm-t nem haladtam meg a szigetelővel. A tetőn deresedés alkalmával sem lehet hővesztést észrevenni, sehol sem. Tehát hideg marad a külső héjazat vastag hórétegnél is. A radiátorok mind thermo fejesek, kivétel ahol a thermosztát van. Szivattyú az kettő van, egy a kazáné, másik a padlófűtésé (grud....s).Rakok fel néhány képet az összeállításról. Ahogy olvasom a Te rendszereddel is olyasmi gondok vannak, mint nálam, csak Te kompromisszumot kötöttél ezzel a hiányossággal. Nem azzal van gondom, hogy nem tudom kifűteni a lakást, hanem nem így kellene működnie, ilyen gépészeti elemekkel és nem ennyit kellene fogyasztania sem.
És a többi.
Meg a kazán és radiátorok.
Ezt a kötést (el-kötést) két fűtési szezon alatt találtam meg, de meglett! Ráadásul a fürdőszobában volt! Minden voltam a "csajok" szemében csak nagyságos úr nem.
Ezt miből gondolod:
"Ahogy olvasom a Te rendszereddel is olyasmi gondok vannak, mint nálam, csak Te kompromisszumot kötöttél ezzel a hiányossággal."? Milyen kompromisszumot? És milyen hiányosságokra gondolsz? Mi bajod van a gépészeti elemekkel? És miből gondolod, hogy sokat fogyaszt? Ezer bocsánat! SoSan írt ilyeneket. Még egyszer elnézést!Hogy miből gondolom, hogy sok a fogyasztás? Mínusz 10-15fokban, 19-20köbméter, 19-20 órát üzemeltetve. Éjszakaira 17.5fok van neki megengedve. Padlóval együtt kevesebbet fogyasztana, de akkor a tetőtérben nincs jó idő.
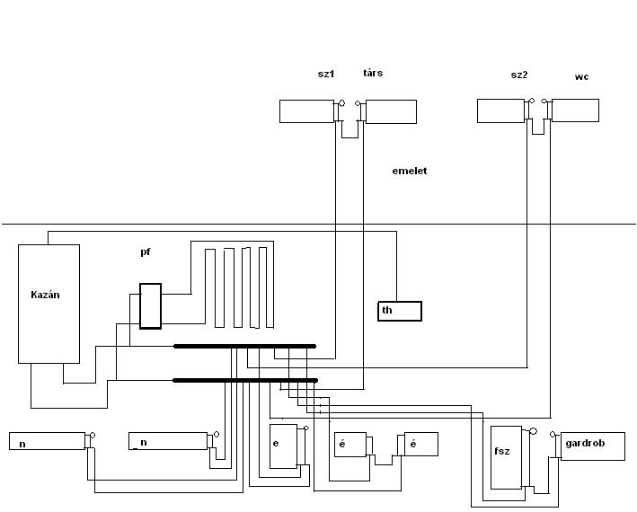
Itt van a kép és a kapcsolási rajz.
Ha jól látom a képeken "kissé" egyveleg rendszered van.
Ki alkotta? Mennyiért? Gondolok itt a fsz-ben levő soros kötésre alkalmas csatlakozóra, míg a többi ami látható nem úgy néz ki. A soros fűtésű csatlakozóban van egy szelep, hogy mennyit engedjen tovább a következő radiátornak. Szerintem a tetőtérbe full keresztmetszeben kellene (a kazán fő köréből) felvinni a csövet és azt osztani. Mivel ez elvileg egy "különálló" rész, annak ellenére hogy egy épületben van! Nagyon részletes kép anyag kellene, vagy személyesen megnézni, mert így nehéz a megoldást kitalálni.
Semmi baj.
"Padlóval együtt kevesebbet fogyasztana, de akkor a tetőtérben nincs jó idő." Erre gondoltam,hogy a lenti részt kicsit fojtsd le, akkor fentre több jut.
"Mínusz 10-15fokban, 19-20köbméter, 19-20 órát üzemeltetve"
Hány négyzetméter a házikó? ![]() MIlyen falazata van? Ablakok? Stb.... "Éjszakaira 17.5fok van neki megengedve." Ezt a "takarékoskodást" már régen eljátszottam. Abba is hagytam a gázóra leolvasása után. ![]() Kevesebb energia a hőveszteséget pótolni, mint újra és újra felfűteni a házat. Padlófűtésnél pláne nem gazdaságos ez a "takarékoskodási" forma! Hőtani emlékeim szerint van egy négyzetes érték a számlálóban, ami miatt fizikai lehetetlenség így takarékoskodni! (mármint egy közeg hőmérsékletét x fokkal emelni) Gyakorlatilag ezt csinálod ezzel a "takarékoskodással"! Radásul a legrosszabb hővezető anyagot, a levegőt kell minduntalan fűtögetni!
Helló!
Ettől több képet nem akartam (akarok) felrakni. A képeken jól látszik minden. Hét kör radiátorból, és hét a padlófűtésből. A pf. 20kW-os hőcserélővel le van választva a radiátoros körtől (a fehér habszivacsos izé). A pf. tökéletesen működik, Kb. egy hétig hasaltam az elosztó előtt, mire beállítottam a köröket, még 2002-ben.
Az előző oldalon fenn van minden. (számítások c.)
Hol fojtsam? A radiátor gyűjtő-osztón csak az előremenő és visszatérő ágba tettek elzáró csapokat, a körök ágaiba nem. A radiátorok visszatérő ági csavarzatait hogyan lehet egyöntetűen fojtani? A kazán így sem szereti azt az állapotot, amikor a hőmérséklet kezd kialakulni és a thermo fejek kezdenek lezárni, a keresztmetszet meg szűkül, a meleg víz vételezés utáni fűtéskapcsolás, többször megismétlődik, mire a szivattyú meg tudja lökni a rendszert. Még a teljesen kinyitott pf. hőcserélő csapok sem elegek hozzá, pedig a kazántól csak 1.5m-re van ez a sönt ág.
"A pf. 20kW-os hőcserélővel le van választva "
Hány négyzetmétert fűt a pf? "Hol fojtsam?" Szerintem nem fojtani kell(ene), hanem felengedni a víz mennyiséget, ami képes a szükséges hőmennyiséget leadni az emeleten.
Kb. 74m2, 210 légm3, 390m pf. cső van lefektetve.
Még sehol nincs fojtva!
"Radásul a legrosszabb hővezető anyagot, a levegőt kell minduntalan fűtögetni! "
Mi ezzel a baj? Ezt lehet a leggyorsabban felmelgíteni, ugyanis nagyon kicsi a fajhője! Az már egy másik kérdés, hogy a radiátorok a levegő közvetítésével melegítik fel a falakat, berendezési tárgyakat, stb.
Arra gondolok, hogy kevesebb víz menjen a földszintre és több az emeletre. Tehát a földszintet kellene fojtani, ha vannak hozzá szelepek.
Hát igen. A padlófűtés temperálásra van kitalálva. A gyors felfűtésre, meg ott a radiátor, amivel csak a hiányzó hőfokot kell tudni pótolni. (megnéztétek az előző oldalon a fotókat, amiket készítettem a kész elosztókról?)
Azért ezt nem értem. Én 83 nm-t fűtök, öt kör van, kb 450..470 fm cső van lefektetve. A beton nagyobb részén laminált padló van és még szép nagy szőnyegek is vannak. Ez tetőtér, de nincs semmi kapcsolata a földszinttel, mert még nincs kész a lépcső, tehát ott egy ajtó van, igaz becsukva. Az ablakok a nappalin kb 8 nm, még függöny sincs rajta, mégis úgy befűt, hogy simán tudok csinálni 26...28 fokot. Tehát, bőven elég a padlófűtés. ( radiátor nincs )Ehhez képest, nálad nem olyan sokkal kevesebb cső van lefektetve, tehát szerintem radiátorok nélkül is be kellene neki fűtenie. Nem próbáltad meg azt, hogy ahol a padlófűtés van, ott csak azzal fűtesz?
Idézet: „tehát ott egy ajtó van, igaz becsukva.” Majd ha kinyitod s betölti funkcióját a feljáród, kinyitottad "Pandora" szelencéjét". A légáram folyamatosan felfelé igyekszik, ha nincs ami határt szabjon neki. Majd meglátod mi marad lent belőle. Talán nálam is közre játszhat ez is abban, hogy a 65m2, 185m3 egy légtér. Ha vetnél egy pillantást a képekre, láthatnád, hogy nincs ilyen lehetőségem, csak ha a thermo fejeket betekerem * határra. |
Bejelentkezés
Hirdetés |


















Ezer bocsánat! SoSan írt ilyeneket. Még egyszer elnézést!

