Fórum témák
» Több friss téma |
- Ez a felület kizárólag, az elektronikában kezdők kérdéseinek van fenntartva és nem elfelejtve, hogy hobbielektronika a fórumunk!
- Ami tehát azt jelenti, hogy a nagymama bevásárlását nem itt beszéljük meg, ill. ez nem üzenőfal! - Kerülendő az olyan kérdés, amit egy másik meglévő (több mint 17000 van), témában kellene kitárgyalni! - És végül büntetés terhe mellett kerülendő az MSN és egyéb szleng, a magyar helyesírás mellőzése, beleértve a mondateleji nagybetűket is!
És ilyen hangváltót hol lehet beszerezni,és mitől függően kell kiválsztani a fajtáját.. ha van egyáltalán több fajtája..
nem nagyon értek hozzá
Például itt lehet beszerezni hangváltót:Bővebben: Link A Watthoz mérten kell kiválasztanod a megfelelőt. Ja, és Neked háromutas kell, és persze az ohm is számít.
Üdv!
Készítettem hozzá rajzot, és megcsináltam rajta amit mondtál, csak a nagy sietségembe lefelejtettem a diódák után a 10k-s lehúzó ellenállásokat... A programozót már használtam, és működik. Megpróbálom majd minél kisebbre megcsinálni a programozót, hogy kis dobozban elférjen, a tápot, meg a relét (ha már akkora hely van a vezérlő egységen) rápakolom a vezérlő egységre... Üdv.: Litldákk
Hogyha mindegyik 4Ω , az első 2.75w a második 10w a harmadik 5.25.... összesen:12Ω 18w akkor ezekből hogyan kell kiszámolni a hangváltó teljesítményét?
A mélyhangszóró hány wattos? Mi van ráírva?
Hát nem tudom! Ez nem szélessávú hangszóró? Miben volt benne? Ilyen kis teljesítményű mélyhangszórót szoktak gyártani.
Inkább a magas elé kellene tenni egy pár mikrofarádos polarizálatlan kondenzátort, fázishelyesen, párhuzamosan összekötni ezzel a "mély"-el, aztán hagy szóljon!
A HEstore-ban mind 8 ohm-os, neked az nem jó! Olyat keress, ami 4 ohm és legalább 10W-os. (ha nagyobb W-ot írnak az se baj, ilyen kicsit lehet, nem fogsz találni)
Google a te jóbarátod !!
egy 5.1 es ben volt eredetileg a mélynyomó... nem nagyon értem a végét
nem tudnád elmondani úgy hogy megértsem mint egy kezdő...?
Helyesen:Ilyen kis teljesítményű mélyhangszórót nem szoktak gyártani.
Csak kevesellem a teljesítményét. Számítógéphez volt?
Képes segítség hangváltók bekötéséhez: Bővebben: Link Bővebben: Link
akkor a hangváltó az amibe bemegy a + meg a - az erősítőből és a hangváltóból kijön három + és három - ami aztán bemegy három külömböző hangsávú hangszóróba..?
Ja egy 5.1 es hez amit számítógépbe lehetett bekötni.
Van egy régebbi hangfalm amibe kettő hangszóró van bekötve,de csak egy kicsi ellenállás van a kettő között
Az a 5,25 nem a hangszóró átmérő vagy a mágnes átmérő centiméterben? Kétlem, hogy a teljesítményérték lenne Wattban. Először tisztázzuk le a hangszóró-kérdést, utána a hangváltót.
Köszi!
Ez nagyon jó IC, a két ellenállással lehet szabályozni Pajti2: Sajnos nem tudom a motor áramfelvétélét, mert nincs ráírva, kimérni meg jelenlegi műszerhiány miatt nem tudom. De ha ellenállást kötnék, az csak az áramfelvételt korlározná nem? (Amúgy nem lehet sok áram felvétele, nagyon pici motorok) Üdv!
Ja és szerintetek érdemes ilyen kis motorhoz tranyós fordulatszám szabályzót csinálni, vagy elég egy sima poti?
Üdv!
Az nem ellenállás, hanem kondenzátor. Ezt próbálta neked elmagyarázni kadarist :
Idézet: „Inkább a magas elé kellene tenni egy pár mikrofarádos polarizálatlan kondenzátort, fázishelyesen, párhuzamosan összekötni ezzel a "mély"-el, aztán hagy szóljon!”
Miért nem raksz R2 ellenállás helyébe potmétert az lm317-es kapcsolásnál (de most látom, hogy amit linkeltem, annál is potméter van). Egy legyet két csapásra. Sok kapcsolás van a neten, hanem nézd meg a gyártó adatlapját, szerintem itt az oldalon is fennt van.
Ja... mostmár értem
ilyet a teljesítménytől függően kell kiválasztani? meg hogyha három hangszórót akarok bekötni akkor is jo ez a mikrofarádos polarizálatlan kondenzátor?
Szia.
WhiteFül oldalán többet megtudhatsz az akusztikai dolgokról. Nagyon jó kis oldal.Nekem sokat segített. Jó olvasgatást hozzá.
Sziasztok!
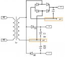
Rajzoltam egy táp részt. A kérdésem az lenne, hogy a két GND azonos potenciálon lesz-e, tehát összeköthetem-e? Röviden vázolom a tényeket: Erősítő menne a szimpla tápfeszültségről, viszont lesz egy hangszínszabályzó, aminek szimmetrikus tápfeszültség kell. Új trafót nem szeretnék berakni. Szerintetek melyik megoldással adjak tápot a hangszínnek? Legrosszabb esetben létre tudok hozni a szimpla tápfeszültségből szimmetrikus tápfeszt, de akkor a GND feljebb lesz tolódva, és kicsatoló kondit kellene tennem a hangszín után, vagy pedig a csatolt rajz alapján (ha a GND azonos pot.-on lesznek)? Köszi a segítséget!
Üdv
Megoldódott a USART probléma. A terminal program nagyon sokat segített. Köszi. Serin-Serout-tal software-es UART-lett csinálva és azzal működik. Köszi
Ezen az oldalon nem találtam információt a mikrofarádos polarizálatlan kondenzátorról
Kár,hogy nem olvastál bele rendesen...
Pedig a válasz ott rejtőzik és elég kézenfekvő. |
Bejelentkezés
Hirdetés |




nem nagyon értek hozzá





ilyet a teljesítménytől függően kell kiválasztani? meg hogyha három hangszórót akarok bekötni akkor is jo ez a mikrofarádos polarizálatlan kondenzátor? 





