Fórum témák
» Több friss téma |
- Ez a felület kizárólag, az elektronikában kezdők kérdéseinek van fenntartva és nem elfelejtve, hogy hobbielektronika a fórumunk!
- Ami tehát azt jelenti, hogy a nagymama bevásárlását nem itt beszéljük meg, ill. ez nem üzenőfal! - Kerülendő az olyan kérdés, amit egy másik meglévő (több mint 17000 van), témában kellene kitárgyalni! - És végül büntetés terhe mellett kerülendő az MSN és egyéb szleng, a magyar helyesírás mellőzése, beleértve a mondateleji nagybetűket is!
Nincs mit.
Ha nem írnak a rajzokon mértékegységet,akkor az alapokat kell segítségül hívni Ellenállásnál ohm Elektrolit kondenzátornál u (mikro) Igen,mindegyik kondenzátor a zenerek előtt 0,47u és 400V (fólia kondenzátor,színes hasábok). Igen,az ellenállás 10 ohm (0,5-1W). Ajánlom hogy a zenerek legyenek nagyobb teljesítményűek( a ZPD is jó kicsi <30-40mA áramra). 100 mA -rel nem próbáltam a kapcsolást,szóval csak óvatosan a próbáknál!Örülnék ha megírnád ha működik ,nagyobb' terheléssel is. Üdv.>
Kondenzátornál ha nincs érték az Pikofarad (pF) nem pedig mikro.
Én csak olyannal találkoztam eddig,hogy elektrolit kondenzátoroknál mikrot jelent.
Persze kisebb értékűeknél tényleg pikoban,de az most nem volt téma.
Lehet hogy nem téma, de ha így tanulja meg az később még gond lehet.
Sziasztok!
Egy olyan kérdésem, hogy szerintetek megvalósítható-e olyan analog kapcsolás, aminek két bemenete és egy kimenete van, funkciója szerint a bemenetre adott két jel közül kiválasztja a kisebbet, majd azt a kimenetre teszi (min{a;b})? Annyi a nehezítés, hogy csak diszkrét félvezetőket, meg passzív elemeket használhatok (semmi opamp, relé). Van valakinek ötlete a dologra? Üdv
Értem
![]() Bocsánat,az alapérték nem jutott eszembe ![]() Erre nem is gondoltam. Ha azt írod,hogy pl 4M3,akkor arról egyből beugrik,hogy 4[egész]3[tized][mega ohm ] Mellesleg köbzoli hsz-a után direkt csak egy sort hagytam üresen ![]() najókettöt Köszi,kipróbálom a kapcsolást. UI:a 100mA-t csak példaként hoztam fel,hogy elenyésző terhelést kell kíbírni-a a zeneres,kondenzátoros kapcsolásnak.(tehát nem amperszámokat akarok levenni,csak ami az időrelének szükséges) Soprofan: Tehát a Dani494 kolléga által küldött trfless nevü képen az elektrolit kondenzátor(mert polarítása van ) 100piko értékű?azaz 0,1 nanos,vagyis 0.01 mikros?
Nem szórakozásból írtam, láttam hogy ott sincs jelölés ezért írtam. Nem tudom mi ezen a vicces.
Attól meg hogy polaritása van, nem feltétlenül elektrolit kondenzátor. (Itt most persze tudjuk hogy az)
No problem.Én már nem kísértem köbzolit,inkábbmindentegybeírok
. Szóval amit küldtem,a trfless nevű képen,azt kipróbáltam kb 35 mA-es relével,és gond nélkül működött,csak mikor rátettem egy kisebb ellenállású relét,a zenerek elszálltak.Ezért írtam hogy biztosabb ha nagyobb zenereket használsz.Soprofan jogosan szólt rám hogy az alap érték a kondenzátoroknál pikoFarad( tíz a mínusz tizenkettediken 10^-12),de én írtam is hogy elektrolit kondenzátoroknál ha nem írnak mértékegységet csak számot,azt mindig mikro-ban(10^-6) kell érteni.Azért van ez így mert elektrolitkondenzátorokat csak mikros nagyságrendben készítenek(legalábbis úgy tudom).A nano és piko kapacitású kondenzátorok fóliák vagy kerámiák.(Bővebben a kondenzátorokról a kondenzátoros topicokban ). Lényeg az,hogy igaza volt Soprofannak abban hogy jól tanuld meg a prefixumokat,mert tényleg nagy gondok lehetnek belőle ha összekevered őket. Szóval amit linkeltem kapcsolást,abban az elko 100µF-os.
A tantálra gondolsz?
Vagy van még másik is amiről nem tudok?
Igen arra. Dani494-nek igaza van abban hogy ha ott a polaritás akkor egyből látható hogy 100uF, de szerintem illik odaírni a mértékegységet, ezt még jó pár éve én is benéztem egyszer, amikor 250 feliratú kondit 250nF-nak néztem. Utólag kiderült nem kelett volna
1hétig ment a hibakeresés amikor majdnem falnak mentem mikor felhívták a figyelmem hogy ott valami nem stimmel.
Sziasztok!
Az volna a kérdésem, hogy valamelyikőtők próbált-e már hálózatra méretezett 230->12 trafót használni kapcsolóüzemű tápba, valami inverter félét szeretnék csinálni, egy istentelen nagy kapacitású(0.1F) kondezátort bankot fog majd feltölteni szép lessan. Ezért egy 50Hznél nagyobb frekvenciájú négyszögjelet gondoltam a primerbe pumpálni (pl 1kHzeset) mert ezt egyszerű 555össel meghajtott fettel megoldani. A kérdés tehát, hogy működőképes-e szerintetek a konstrukció vagy inkább bele se kezdjek? Ami eszembe jutott, hogy problémát jelenthet: nagyfeszültségű tüskék emelkedő és süllyedő éleknél, ami a szekunder körben akár végzetes túlterhelesét is okozhat, valamint a köráramok vesztesége, bár 1Khznél ez gondolom még elhanagolható.
Szép estét!
Lenne egy kérdésem a FET lába a csatolt képen hogy csatlakozik a tekercshez?
Szia!
Galvanikusan csatolódik.
Szóval akkor a az két külön tekercs?
Sziasztok!
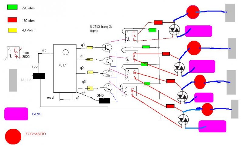
Szóval elkészült az áramköröm ami triakokkal vezérel izzókat egy 4017 segítségével, és nagyjából működik is, csak az a gondja, hogy az q1, és a q3 tehát az első és az utolsó kimenetből a triak csak kb 30V~ kapcsol. Tehát ha odakötök egy izzót akkor csak nagyon halványan világít. Szerintetek az IC-vel lehet probléma? Vagy az hogy még nincsennek hozzá izzóim, és csak 1 izzóval próbálgattam minden kimenetet? De kipróbáltam a tranzisztor collectorára meg a + tápra egy ledet kötni, és ottse mindig működött a led lillogása. mi lehet a baja? köszi!
Ja, azt hittem egyértelmű. Rá kell forrasztani a menetre, persze a zománcot előtte le kell kaparni.
A min() megegyezik az and()-al. Diódás ÉS kapuból ( pl. DTL ) indulnék ki.
Sziasztok egy olyan kérdésem lenne hogy a szintimet erősítőre szeretném rákötni és ehez akarok kábelt csinálni na most az erősítőbe XLR dugó megy a szinibe jack ez eddig nem is gond de viszont ahoz hogy sztereó legyen a hangzás kető ajzat van a szintin egy L és egy R ez is oké eddig.Na most azt nem tudom hogy melyik fajta jak kell hozzá már mint nem méretre hanem azt hogy egy csíkos vagy a két csíkos vagy jó mindkettő?Ja még egy másik dolog hogy nem tudom a jack lábait az XLR hányas lábaira kell kötni.
Sziasztok!
Van egy áramkör amiből leágazik két egyforma színű vezeték. Az egyik egy pozitív a másik egy ellenálással biztosított pozitiv potenciálú szál. A negatív közös. Hogyan tudom meghatározni méréssel, hogy melyik melyik? Ha a multimétert voltmérésre állítom akkor mindkét szálon 12 volt feszültséget mérek. Köszi a választ!
Köszi szépen! Nem gondoltam, hogy ennyire egyszerű pedig logikus. Hát ennyit rólam
Egyébként reggelre szétrágta egy vagy több nyest az autóm kábeleit azt kötözgetem vissza. Mostmár beindult, úgyhogy életmentő volt a segítség
Sziasztok! Van egy analóg 10 equalizeres hangszínszabályozóm, ami elzajosodott. Sejtésem szerint az okozhatta az elzajosodást, hogy áramszünet volt, és hirtelen ki-be kapcsolgatták az áramot többször is,és ezért kimehetett valami belőle. Csak azt nem tudom,hogy mi. Az elzajosodást,vagy is pontosabban zúgást akkor hallom, amikor a kimeneti RCA volume potméterjét feltekerem kb 0 dB-ig. Ezzel nem azt értem, hogy csak ekkor hallom a zúgást, hanem minnél hangosabbra veszem az EQ volume szabályozóját, annál jobban belehallatszik a zúgás. Abból is tudom, hogy valami baj van az Equalizeremmel, hogy a bemeneti RCA-t érintem folyamatosan kézzel, közben folyamatosan feltekerve a volume szabályozót,a kivezérlés jelző ledek elkezdenek világítani folyamatosan, és amikor elengedem az RCA dugaljt, egyből kialszanak a ledek. Máskor ilyet nem csinált. Segítsetek légyszives, hogy mi adta be benne a kulcsot. Ja és minden kábelt leellenőriztem, nincs szakadás hiba. Sziasztok
Sziasztok!
Megépítette valaki a lenti kapcsolást? Csak azért kérdezem hogy neki működik e rendesen 230-on is,mert miután 230-ra kötöttem fény és hanghatás kíséretében a túlvilágra távozott a kapcsolás. Bf259-eket használtam 22k és 470 (1W) ellenállásokkal,1N4007 diódákkal,normál ledekkel. 9 és 80 V egyenen és váltón próbáltam,azon nem volt gond,leszámítva hogy nagyobb feszültségeken kicsit melegedtek a tranzisztorok. Szóval csak óvatosan a kapcsolással! (próba előtt kimértem az ellenállásokat,a diódákat(ezek teljesen újak voltak),és a tranzisztorokat is.)
Tanácsotokat szeretném kérni.
A helyzet az, hogy a laptop töltőm kábele (adaptertől a gépig, kettőeres, árnyékolt) tönkrement. Mi a véleményetek ki szabad ezt cserélni sima kettőeres kábelre? A zavarszűrő kihagyható? A hálózati kábele se földelt..
Sziasztok!
Egészen kezdő vagyok a FET-ek terén és azt szeretném kérdezni hogy egy négy lábú FET-et hogy kell beülteni? Fúrjak neki lyukat vagy mit?
Szia !
Ha csak nyakban tört meg a tápdugónál,akkor vágd vissza a kábelt, és forraszd rá az eredeti, leblankolt tápdugóra. Ha a kábel egész hosszban tönkrement, helyettesitheted egy sima ,kéteres kábellel is, de az érátmérőre ügyelj. Nem árt ha a zavarszűrő ferritgyűrű visszakerül. Ha nem tudod lebontani, egy bontott gyűrű is megteszi. Jó munkát! Üdv! Luki
Heló
nem kötözködésként, de ha le tudja bontani akkor is bontott gyűrűt tesz rá. Máté
Üdv!
Azt szeretném kérdezni, hogy honann tudhatom meg egy tranzisztor bétáját? Ha adatlapból meg tudnátok mondani hogy mondhatják angolul? Előre is köszönöm!
|
Bejelentkezés
Hirdetés |

















