Fórum témák
» Több friss téma |
- Ez a felület kizárólag, az elektronikában kezdők kérdéseinek van fenntartva és nem elfelejtve, hogy hobbielektronika a fórumunk!
- Ami tehát azt jelenti, hogy a nagymama bevásárlását nem itt beszéljük meg, ill. ez nem üzenőfal! - Kerülendő az olyan kérdés, amit egy másik meglévő (több mint 17000 van), témában kellene kitárgyalni! - És végül büntetés terhe mellett kerülendő az MSN és egyéb szleng, a magyar helyesírás mellőzése, beleértve a mondateleji nagybetűket is!
Hello!
Ilyen öreg kondit ne szabad megvenni.. Itt a Hestore-ban majdnem a fele áron van 4700 µF/63V .. Bekötni nem művészet. Veszel pld. egy KBPC 1502 egyenirányító hidat, azon rajta van a két váltó és a plusz-mínusz jel. A trafóra rákötöd a váltókat. A kondit meg a plusz-minuszra. A kondin is rajta van a jelölés. Ha nincs, akkor a negatív meg van jelölve egy széles sávval, mint a képen is látható. Így egyszerűen rákötöd a hídra és mehet a szirénára. üdv! proli007
Hello!
Van erre külön itt topik.. Elég érdekes. De "normális" magyar kondit vegyél és váltóra! Azzal nem lesz gondod.. üdv! proli007
Képek:
Koszonom szepen ... pivi1 , ha nem mukodik irok megint a forumba
![]() !! Koszonom megegyszer
köszi szépen a segítséget, mostmár biztos menni fog a dolog. További szép napot! Üdv,
Üdv.
Ennek örülök. Kellemes pákaforgatást. Amper.
helo!
az lenne a kérdésem, hogy meg lehet-e oldani, a hangerő változtatását ezen a kapcsoláson? ha igen, gondolom elég valahova egy potit berakni, tehát az lenne a kérdésem, hogy hova, és ha nem potmétert, akkor mit kell rakni? köszönöm:Máté
Hello!
Sok helyre nem lehet rakni. Tegyél a bemenetére egy 10kohm B jelű (logaritmikus) potit és már kész is vagy.. üdv! proli007
köszönöm, sejtettem, hogy így lesz, de gondoltam, ha megkérdezem úgy biztosabb.
Máté
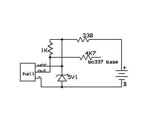
Hi megépítettem ezt a gyujtást hall vezérlésre.
Így 8mA-nál nyítt, viszont a HALL bemeneten + 6V/0,5mA -ert mérek. Ez a feszültség nem nyírhatja ki a hall jeladód?
lenne még néhány kérdésem:
hova kell kötni pl. az mp3-at? a mute/standby gombnak egyfolytában be kapcsolva kell lenni, vagy elég egy nyomógomb? és kell-e rájuk feszültséget kötni? kapcs.rajz a 14:05-ös hozzászólásomban köszönöm:Máté
Üdv!
Nem tudom milyen tipusú hall ic-d van,de ezek általában TTL szintekkel dolgoznak.Ha javasolhatom alakitsd át az eleét a következő képpen.(hall test és táp közé egy 100nF-os kondenzátort is tehetnél,zener diodával párhuzamosan)
Tiszteletem az Uraknak!
Mivel, kezdő vagyok, itt kérdezek, hátha. Azt megkockáztatom, hogy az elméletet értem, de a gyakorlati megvalósításban elveszek. (volt nekem fősulin villamos gépek, irányítástechnika stb. tárgyam de ezeket 2-esel letudtam mint gépész, és az "emlékek" is megkoptak) Elsőnek feltettem ide egy hozzászólást mert mindennek az adott fórumban a helye: http://www.hobbielektronika.hu/forum/topic_2549.html?pg=0&pcount=10...er=ASC 230V/24V, jónak jó, mert terheletlenül 25V ad le, de a teljesítmény kérdéses. Ennek a trafónak szeretném megoldani az egyenirányítását. Annyi már lejött, hogy kell nekem graetz meg kondik, ha stabilizálni akarom akkor pedig egy feszstab ic stb. vicsys feltett ide egy "móricka ábrát": http://www.hobbielektronika.hu/forum/files/c2/c27f7531f57ae015283bd...8a.jpg Na én valami ilyesmit szeretnék kérni tőletek ezen trafó egyenirányításához. Tehát az adott alkatrészek értékét nem tudom, esetleg konkrét típusát. Vagy ezek meghatározásához szükséges "Képleteket", gondolván a jövőre is, ha még akarok valami tápegységet összedobni:o) Ha bírja saccra a 2 ampert ez a trafó akkor gondolom a 78S24 IC nekem jó (2A-esnél "nagyobbat" nem találtam), graeatz-hidakba már nem ennyire egyértelmű a dolog B250 vagy 350-es széria (tehát mekkora feszültség és áramerősség értékű kellene nekem), avagy magam építem a hidat sima egyenirányító diódákból mint pl a 1N5407-08-ak (vagy valami hasonlók), a kondikhoz meg már lövésem sincs. Ha netán 2A-nál többet tudhat a trafóm, akkor az IC nélküli feszültségstabilizáláshoz még ennyi lövésem sincs... Ha durva dolog ilyet kérni, akkor bocsánat, és törölhető a hozzászólásom. Ha nem, akkor előre is köszönöm!
Üdv!
Egy 74HC238 hány mA-t bír ki a kimenetein? Egyedül ezt nem találtam a katalógusban róla. Saccolom, hogy a 20-25mA-t bírnia kell, igaz?
Hi
Szóval így gondoltad valahogy? A hall védelmet egy supressorral oldottam meg és azt is felrajzoltam. Ha így jó akkor holnap átépítem a gyújtás elejét. A leded azért hagytam benne hogy legyen valami visszajelző lámpám, a gyújtás állításhoz.
Az 5V1 zenert 5Voltos táplálás esetén ajánlottam,de ha bírja Ic a 12V-ot így is működnie kell.1k-1,5k ideális felhúzó ellenállásnak.
Sziasztok!
Van egy 2x110V / 2x12V 20VA Puskás trafóm. Az a kérdésem, hogy a kimenő 12V-ot hogy tudnám stabilizálni? Ha sorbakötöm a két kimenetet és az így kapott 24V-ra teszek egy 12V-os stab IC-t akkor nagy lesz a veszteség. Van-e más megoldás?
Elég az egyik kimenetet használni. Egyenirányítás pufferkondi és jöhet a feszstab.
Abban az esetben ha csak 12V stabilizált feszültségre van szükséged,nem ajánlanám sorba kötve.Egyenirányítás pufferelés után 24V gyök 2 szeresére nőlve már 34-35V-ot is elérhet így lesz mit disszipálnia fölösen.12V-nál 17V dc elegendő.
Igen!
Ezért kérdeztem, hogy nincs-e más megoldás.
Így viszont a tr. teljesítményének csak a felét tudom kihasználni.
Párhuzamosan nem lehet kötni a sec. oldalt?
Sziasztok!
Valaki le tudná írni, hogy hogyan néz ki az itt található feszültségosztó, mert ZsírosDani említ egy potit ami nincs benne a rajzban. Előre is köszönöm.
Megfelelő módon lehet párhuzamosan kötni. Ha nem jól kötöd, akkor olyan, mintha rövidre zártad volna.
A Puskás trafónál a szekunder oldalon a kivezetések sorban vannak. Az 1. és 2., valamint a 3. és 4. kivezetés között mérhető 12V: 1.<-- 12V -->2. 3.<-- 12V -->4. Az 1. kivezetést a 3. kivezetéssel, a 2. kivezetést pedig a 4. kivezetéssel kell összekötni, akkor jó lesz. A párhuzamosított feszültséget pedig pl. az 1. és 2. kivezetésről veheted le.
Van egy trafom ami 2x23V / 2A
Ezzel szeretnek egy erositot mukodtetni nem tudtok olyan kapcsolast,nyakrajzot , ami minimum 100 W legyen koszonom szepen !! Es meg valami kene valami tapegyseg az erositohoz ? buffer valami ilyensmi , mire jo az ? Koszonom !!
Összesen a trafód nincs 100W teljesítményű, úgy, hogy nemtudom, hogy akarsz belőle minimum 100Wattos erősítőt kihozni. És igen, kell puffer és egyenirányítás. De szerintem menj át ezzel a kérdéseddel ebbe a topicba, és itt mindenre választ találsz.
Sziasztok!
Egy érdekes problémát kellene megoldanom optikai egérrel. Egy olyan "szerkezetet" kellene építeni, amire ráhelyezve az optikai egeret, átveri azt úgy, mintha mozogna az egér. Persze mozgó alkatrész nélkül! Csak az fontos, hogy mozogjon, nem kell precízen. Első körben smd LED-ekkel próbálkoztam: villogtatás ide-oda (pl. CD tokban), de nem jött be. Ha másképpen nem lehet megoldani mechanikai megoldás is szóba jöhet, de csak a legvégső esetben, és egyszerű kivitelezhetőséggel. Várom az ötleteket! g.
A 4K7es lesz az ami sorba van az NTCvel.
Szia! A trafó teljesítményének meghatározásánál a legfontosabb teljesítményt-meghatározó elem a VASMAG! A vasmag méretei és a lemezagyaga jelentősen befolyásolják az átvihető teljesítményt. Ebből az egyszerű felhasználó csak a lemez méreteit tudja pontosan lemérni. A méretek ismeretében a többi hiányzó adat is könnyen kikövetkeztethető. ( Pontos méretezési adatok most nem is kellenek, mivel "csak" egy működőképes transzformátorról kell egy megközelítő teljesítményadat.)...
Fontos méretek: 1: Ablak keresztmetszet! Az a nyílás ahol a rézhuzal elhelyezkedik. 2: Vaskeresztmetszet. A vasmag azon felülete amit a tekercsek körbefognak. Méretével az átvihető teljesítménnyel nő... Fontos a tekercsek huzalkeresztmetszete is. (Főleg a prímer.) Táblázatból könnyen kikereshető az adott huzal áram terhelhetősége. A tekercseken megengedett legnagyobb áram is segít meghatározni a teljesítményt. ... Ajánlom figyelmedbe a transzformátorom és tápegységes fórumtémákat! |
Bejelentkezés
Hirdetés |















