Fórum témák
» Több friss téma |
40db 22.000µF 35V kondival. Kb 20.000Ft-ból kijön ez most. 2 helyet tudok ahol olcsón lehet kapni ilyet.
Koszi a valaszotokat,hat igen,legkozeleb nagyob elkokat fogok hasznalni!.mertem a nyugalmi aramot is terheles alat es csokent egy par tizedet,nemtudom nemvolna e job ha lestabilizalnam neki a feszt,vagy job a jo nagy elko is?.Szerintetek hany vatos trafot tegyek a ket oldalnak,es hany mikrofaradot?.Egyebkent megcsinaltam a Zeni veget is es mintha szeb hangja let volna mint enek,de ot is tapasztaltam alapba bugast,de mar kevesbe anyuira mint enel a vegnel.Ja es a panelbol menyi tavolsagra lehet elvezetni a kabeleket a tranyokig,hogy ne legyen beloe baj,vagy nem ajanlot?
A lomiban néztem, ott van is és árban is jó (500Ft).
De Hiraga tápjába 2x11db is elég lenne. Alaposan túl méretezted.
Egy két tized nem okoz problémát, szerintem nem a stabilizálás miatt búg, esetleg prróbál meg betenni a tápágakba hidegítést, 10nF, 100nF. Ezért lenne jó egy szkóp. Azonnal látnánk a táppal van e gond.
Kettős táp, jó a +-30V (másképp nem jön ki 8 ohmra a 60W)
Ja hogy Te úgy érted. Én azt hittem monoban tettél rá 0,88F-ot.
http://www.tcaas.btinternet.co.uk/hiraga1fig10.gif
Ezt vedd kétszer.
Hat igen jo volna egy szkop is,meg jo volna tudni vele merni is.Egyebkent enyire befojasolna az a 2db 100nanos kondi a bugast?.En mar teszteltem mas erositoknel hogy mi tortenik ha leveszem vagy viszateszem a 100nanos kodikat,de nem vedtem eszre valtozast,de lehet hogy az A-osztajuaknal enyire erzekeny lene ra?,amugy nem epitetem bele a tappba.Tik hogy ajaljatok,epitsem bele a tapba is a 2db 100nanos kondit,meg a finalokhoz is 2db-ot?.Meg valami,ha R11-re rakotok parhuzamosan eggy47mikros kondi azal is tudom csokenteni a bugast?,ahogy p_istvan irja.
Ha kétszer 2,7A-rel terheli meg a 10 000µF-os tápot, akkor azon 5-6Vpp lesz a búgofeszültség! Ez sok ennek az erősítőnek, továbbá az R11-nél is lehet szűrni (10dB javulás) a korábban megadott linket megnézve!
A 10nF, 100nF igazából hidegítés , ezen a kondenzátorok, a hálózatból érkező zavarokat hivatottak megszűrni. Bajt sosem okozol vele ha alkalmazod. Nem tart semeddig odaforrasztani egy egy kondit a tápágakba.
Most a dobozolásnál a legnagyobb fejtörést annak a sok kondinak az elhelyezése okozza. Azért lesz nagyon nagy a doboz, meg azért is mert 20 vagy 22cm magas a bordám. Elég ormótlan így tervezés és elképzelés szintjén, de majd kihozok belőle valami jót. Most, hogy fele annyi bordája lesz így teljesen át kell terveznem az egész dobozolást.
A trafóhoz számold ki menyit vesz fel nyugalomban és szorozd meg legalább 1,5-tel (A osztály). Itt 300VA-es trafó kell legalább a Te beállításaiddal oldalanként (2x300VA)
A végtranzisztorokat pedig a lehető legrövidebben kel vezetékezni. Általában a bordára szerelik a nyákot nulla vezetékezés!
Igen ebben igazad van, nem véletlen van megadva 18.000-30.000µF oldalanként. De azt nem értem, hogy itt tápáganként van és oldalanként, vagy csak oldalanként, ez az érték. Én úgy láttam hogy 30.000/rail, tehát egy oldalnak 2*30.000 nem? JLH bácsi egy alap táp rajzot oda biggyeszthetett volna azért. Annyira nem vagyok jó english.
Az R11-nél a kondit nem értem, az miért jó oda? Üdv.
Én is gondban vagyok evvel a kondierdővel, de 220 000µF-os kondik meg olyan drágák, hogy akkor inkább elvetem az egészet. Egyszer tettél is fel egy képet valahova az alkatrészekről. Már akkor is döbbenetes látványt nyújtottak.
Koszi a jotanacsokat fiuk,megcsinalom ugy ahogy ti leirtatok oszt meglasuk mi sul ki belole.Majd irok hogy mik a fejlemenyek.
rendben, sok sikert.
Bocs, hogy bele szólok, de szerintem ezt a tápot ajánlja ehhez a végfokhoz is: http://www.tcaas.btinternet.co.uk/jlhesl.htm
Szerintem is egy oldalnak kell a 2*30 000µF (legalább)
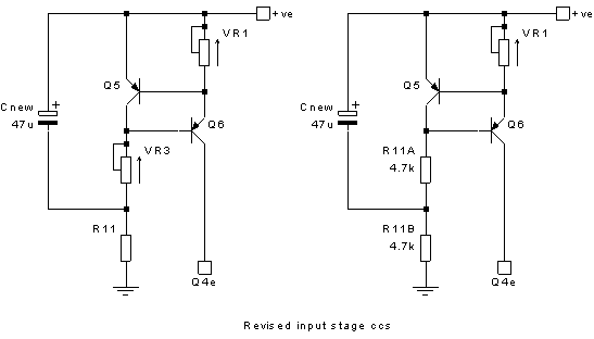
Az R11 pedig az áramgenerátor áramát modulálja a tápfesz. (búgás) függvényében ezt szűrve a mellékelt kép szerint egy kicsit javul a helyzet.
Ja így értem már, köszi. Szerintem a puffer és akkor ez a kondenzátorral megoldódna a problémája. Feltéve ha az a 300VA trafó amiről jár, egy oldalt táplál.
Elképzelhető, igen, de itt már 2*45.000µF ot ír a tápba, jesszus, rendesen megijedtem a lap alján lévő szörnyszülöttől
Azért nem gyenge látvány.
Egy kicsit még lehet javítani a szűrésen, ha oldalanként és tápáganként is teszünk pl 10 000µF-ot majd egy kb. 0,5 - 1 ohm 5-10W-os ellenálláson keresztül megy a 20 000 µF-okra ( CRC szűrő ). Akkor nem kell több kondi bár lesz 1,5 -3 V veszteség az ellenállásokon (4*10 000µF + 4*1ohm + 4*22 000 uF)
Viszont piszok jó lesz a mélyhang, meg az egész tónus.
Ezt hívjuk "soktöréspontos" mélynek. Na ettől jó az A osztály hangja, a soktöréspontos tápoktól, amit muszáj beletenni a búgás miatt.
Hát igen, az már azért kisimítaná szerintem is. A csövesnél találkoztam ezzel a megoldással, amikor csöves volt az egyen is, kétlépcsős szűrés volt, és szkópon gyönyörűen láttam, ahogy szépen a lépcsők szűrik a tápfeszt.
Szerintem itt az volt a probléma javarészt, hogy kicsi neki a trafója, de a puffer az biztos hogy kevés.
#585140
számú hozzászólásomban tettem fel egy érdekességet. Érdemes megnézni, szerintem..
Szia ! Valóban megépitettem ezt a kapcsolást , igaz saját tervezésű nyákra meg aztán egy csöppet el is kapkodtam a dolgot ! Mert mielőtt magát az erősítőt mármint a paneleket kiprobáltam volna , már a dobozolást előre megalkottam ? Amit így utólag már meg is bántam mert a próbák után rá kellett jönöm hogy ez az erősítő nem az én ízlésvilágomnak megfelelő ! Az első meghallgatások /tesztelések / alapján hirtelen tetszett de több órai hallgatózás után sajnos azt a döntést kellett hoznom hogy ez nekem nem jön be ! Egy apró zaj /búgás / ahogyan te is írod valóban volt benne , de ez szinte a 0 -val volt eggyenlő . No már most mivel hogy úgy döntöttem ez az erősítő nálam nem marad egészben ezért még akkor más gazdára talált . Így a további teendőim akkor megszüntek vele kapcsolatban , a mostani állapotáról már nem tudok semmit ! Pararel JLH
|
Bejelentkezés
Hirdetés |





Azért nem gyenge látvány.
