Fórum témák

» Több friss téma
Fórum » Csöves erősítő készítése
 
Témaindító: seedz, idő: Márc 31, 2006
Témakörök:
Ne feledd betartani a fórum viselkedési szabályait, és a topik megmaradásának feltételeit. [link]
A téma átmenetileg fagyasztva lett, hozzászólni nem tudsz!
Lapozás: OK   841 / 2208
(#) djhans válasza kocos hozzászólására (») Dec 24, 2009
Az alacsony váltófeszt mindig analóggal vagy valami nagyon precíz DMM-el kell mérni. Én is csak a Ganz-nak hiszek. De van egy ősrégi MM-2002 digit műszerem, az jól méri.
(#) djhans válasza kocos hozzászólására (») Dec 24, 2009
Viszont kívánom!

A többieknek is boldog Karácsonyt kívánok!

(#) Doncso hozzászólása Dec 24, 2009
Én is békés boldog karácsonyt kívánok mindenkinek.
(#) Imi65 válasza kocos hozzászólására (») Dec 24, 2009
Szia Kóci!
Ne hidd, hogy csak a fékezőrács a gond. Teljesen más beállítást igényel, mi is "benéztük" Janival. Az EL84 helyére dugva valami istentelen torz jelet ad, bár PP-ben lehet, hogy ez annyira nem jön ki. Egyébként a 8-as lábat lehet alapból közösíteni a 3-asal, mert az se a 6P14P-nél, se az EL84-nél nincs használva.
A 6P15P egyébként meg EL83-asnak felel meg.
(#) mark.budai válasza kocos hozzászólására (») Dec 24, 2009
Utána gondoltam erre, is, miért ne lehetne jó csövekkel egy gitárerősítő is.. Hisz ha normális zenét akarsz a gitár se elhanyagolható. De szerinted az EL6-ból lenne még rendesen utánpótlás? Még rimlock csöveket is könnyebb szerezni, mint kosaras végcsövet..
Te ennyire nem szereted az EL34-et? Nem tudom mi a baj vele, de egyszer ez miatt össze fogok rakni vele egy SE-t, legalább össze lehet hasonlítani a többivel. Pár cső közül biztos ez vinné a pálmát, nem lehet annyira rossz, hogy teljesen hátul legyen a sorban.. Na mindegy, nem is ez a lényeg, lehet jó hangjuk nem HF-re tervezett csöveknek is.. Láttam pár oldalon azt is, hogy több cső közül a 6C33C-t írták AUDIOFIL triódának, míg a többihez ez nem volt odaírva, mint pl. a 6AS7, EL84.. Pedig az EL84-nek aztán szép a hangja!
(#) Imi65 válasza mark.budai hozzászólására (») Dec 24, 2009
Idézet:
„Te ennyire nem szereted az EL34-et?”

Én sem szeretem. Ha már hangfrekis végcső, akkor inkább 2 EL84 helyette. Olcsóbb is, meg jobban is szól. Az EL34 pentódában kifejezetten furcsán zenél, UL-ben már sokkal jobb, triódában meg egész jó. De itt már feszültség, és teljesítménykorlátok vannak.
(#) mark.budai válasza Imi65 hozzászólására (») Dec 24, 2009
Én egyszer kipróbálom azt a csövet egy PP-ben, csak olcsón kéne szereznem belőle legalább 4-et.. Meg kimenőnek is kéne két olcsóbban szerzett vas. A hálózati már nem annyira nagy dolog, azt könnyebben szerzek. De akkor kapcsolható lesz, Pentóda-UL-Trióda. Vagy beteszem a 6P3Sz helyére.. Persze a lábkiosztásra figyelve.
(#) djhans válasza mark.budai hozzászólására (») Dec 24, 2009
Nekem volt 8-9db új. Eladtam mert nekem se szimpatikusak. 2db tesla, a többi Erfurti volt.
(#) kocos válasza mark.budai hozzászólására (») Dec 24, 2009
El34 nem olcsó ... nekem van két RFT az egész hallgatható, de nagyon sok silány van köztük
selejt is rengeteg
na meg olyan mikrofóniás, hogy az csuda. Meg elég "fátyolos" a hangja, de legalább drága ..
(#) ticseboy hozzászólása Dec 24, 2009
Sziasztok.
Elösször is boldog karácsonyt szeretnék kivánni mindenkinek!
Másodszor elindult az erösitöm, viszont a hangerejével nem vagyok megelégedve mert nagyon halk1-2 w lehet. (viszont nincs brumm és nem gerjed és elsöre megszólalt, csak a hangerö potit kötöttem rosszol, de már megoldva) Kérdésem hogy mihez nyúljak, vagy mit tegyek következő lépésként? Kapott egy elöerösitöt is és ugy se nagyon változott.
ui. csak monó a cucc mert egy hiperszil vasam még hiányzik.
(#) fleta hozzászólása Dec 24, 2009
Boldog Karácsonyt kívánok mindenkinek!
(#) sturbi válasza kocos hozzászólására (») Dec 24, 2009
Kocsonyát főzögetek közben, a hal túl egészséges lenne (de azzal is készültem).
Az EF 80 mondjuk nem fog falat dönteni, de fejhallgatónak biztos elég (bár én preluval hallgatom immár két napja reggeltől estig. Az egész házban jól hallatszik, príma mélyei is vannak (az a 11 mA nyugalmi áram nem sok fluxust köt le a kicsike tv trafóból)). Előerősítő azért nem árt (olyan ami többet is tud a vonali szintnél) , mert vonal szint nem hajtja ki rendesen.
(#) mark.budai válasza kocos hozzászólására (») Dec 24, 2009
Tudom, hogy nem olcsó. Börzén mennyiért mehetnek ezek, augusztusban láttam -viszonylag- sokat belőle.
(#) mayky válasza ticseboy hozzászólására (») Dec 24, 2009
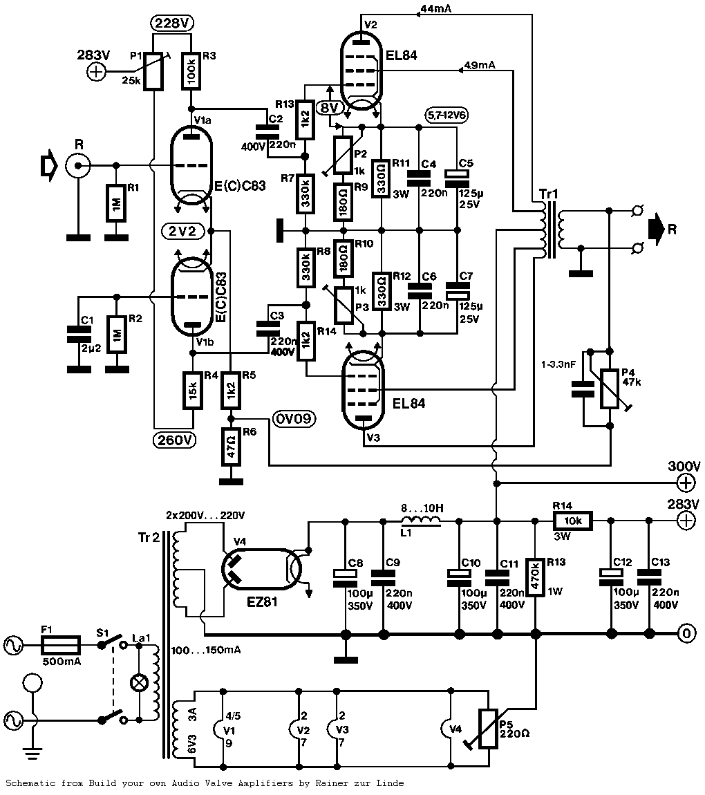
Én sajnos nem értek a csöves elektronikához, de annak az R4-es ellenállást kicsinek vélem. (15 k) inkább 100-120 K-nak kellene lennie és a trimmerrel lehet beállítani a szimmetriát.
(#) kocos válasza mayky hozzászólására (») Dec 24, 2009
Az a fázisfordító rajz több helyen is hibádzik, de az biztos, hogy ha 15 k lett beépítve attól halk az erősítő
(#) mayky válasza ticseboy hozzászólására (») Dec 24, 2009
Ja és tényleg kidobnám ezt a bonyolult katód komplexumot, a katód egy 1 ohmos ellenállattal a földre, a 330k ellenállások meg egy trimmer potival a neg előfeszre.
(#) mayky válasza ticseboy hozzászólására (») Dec 24, 2009
A neg előfeszt. valahogy így gondoltam.
neg előfesz
(#) mayky válasza (Felhasználó 13571) hozzászólására (») Dec 24, 2009
Hát inkább, de az első rajzon egy kicsit túllépi a cső adatlapja szerinti max. 300 V-ot
(#) djhans válasza (Felhasználó 13571) hozzászólására (») Dec 24, 2009
Én a másodikat építettem meg. A fázisfordítóban a két 22k-t kicseréltem 68k-ra hogy ne szenvedjen szegény ECC83 és az 510ohm-ot meg 1,5k-ra.
(#) Gery78 hozzászólása Dec 24, 2009
Sziasztok!

Minden Kedves Fórumtársamnak Nagyon Boldog Karácsonyt kívánok!



Üdv: Geri
(#) kocos válasza mayky hozzászólására (») Dec 24, 2009
én máér 500 V tápfesszel is láttam 25 Wattos 2xEl84 PP-t pesze csak papíron, a hatvanas évekből ..
(#) kocos válasza (Felhasználó 13571) hozzászólására (») Dec 24, 2009
akkor hajrá! 8 perc múlva kettő!
(#) CIROKL válasza (Felhasználó 13571) hozzászólására (») Dec 24, 2009
Idézet:
„akinek van kedve építkezzen, engem lefoglal a PPP -m”
Háát akkor neked is van kedved építeni . Mikor lessz végeredmény a PPP - ből , majd megosztod velünk is ?
(#) mayky válasza kocos hozzászólására (») Dec 24, 2009
Hát igen akkoriban 2 Ft 20 fillér volt egy cső
(#) kocos válasza mayky hozzászólására (») Dec 24, 2009
a sarkon a Keravillban ! Pláne az El84, ami kifejezetten kommersz cső volt . Az is vicces, hogy a Csabai féle könyveben írják az EAG-k ra, hogy ha a 807 pár anódárama eltér valami 25 százalékkal, akkor már cseréljük is új párra ...
(#) 6C4C hozzászólása Dec 24, 2009
A 6P15P-ről egy két szót, ha megengeditek.

Eredetileg egy video végcső, és a segédrácsfesültséget érdemes 150V-ra beállítani...

Nekem volt EL34 triódába kapcsolva egy nem éppen hagyományos kapcsolásban és nem mondhatom, hogy hallgathatatlan lett volna a hangja De pentódában biztosan sokkal rosszabb a helyzet, nem is mertem kipróbálni

Minden Kedves Fórumtársnak Áldott Békés Karácsonyi Ünnepeket kívánok!

6C4C
(#) Imi65 válasza 6C4C hozzászólására (») Dec 24, 2009
Nálam a 6P15P úgy adta a legjobb eredményt, ha 100 Ohm -os katódellenállást, és 12k-s segédrács ellenállást iktattam be (amit 47 µF -al hidegítettem), és 7k-s (PCL86) illesztést alkalmaztam.
Kellemes Karácsonyt!
(#) JZoli válasza 6C4C hozzászólására (») Dec 24, 2009
Én is kellemes karácsonyt kívánok minden fórumtársnak, és családjaitoknak is, és ami talán a legfontosabb: jó egészséget is!
(#) ticseboy hozzászólása Dec 24, 2009
Igy most már tudok mihez nyúlni, és ha már ennyire vagyok vele, nem "dobom ki", de ha sehogy se lesz jobb akkor igérem keresek itt a fórumon valami bejáratott rajzot.
(#) sturbi hozzászólása Dec 24, 2009
Boldog karácsonyt kívánok mindenkinek ! (megyek kocsonyázni)
Következő: »»   841 / 2208
Bejelentkezés

Belépés

Hirdetés
XDT.hu
Az oldalon sütiket használunk a helyes működéshez. Bővebb információt az adatvédelmi szabályzatban olvashatsz. Megértettem