Fórum témák
» Több friss téma |
bocsesz csak dolgoztam végig és nem volt rá időm
Viccelsz bolondozol???
Ennyire nem vágom a témát. nekem csak pár szart kell kicserélni. meg 2 ellenállást meg két valami fehér biz-baszt ami azt hiszem ellenállás ![]() aki ért hozzá mint ti annak egyszerű, de nekem nem
Hali. Az 500 BV végfokban a ventillátor táplálását a jobb oldali végfokról szedték le a negatívot a panel testjéről a pozitívat meg egy diódának forrasztották neki, ha gondolod készíthetek majd a panelról képet.
Addig is Sikerekben gazdag újévet kívánok mindenkinek!
Sziasztok! Nem teljesen témába vág... de ez a legmegfelelőbb topik amit leltem.
Qsound QSA-400 kapcsolási rajzát keresem. Valaki esetleg tudna segíteni? Köszi! Fecó
Sziasztok.
Lenne egy kérdésem a Castone CPA600B végfok milyen tranyókkal van szerelve? Ha lehetséges, akkor rajzot is küldjetek nekem. De azis elég, ha a tranyók fajtáját tudom. Segitségeteket előre is köszönöm. Üdv: Fodor
Köszönöm Szépen a segitséget
Üdv: Fodor
Nincs mit, remélem tudtam segíteni!
Hello!
Van a sulinknak egy CASTONE CPA500-as erősítője. Már nagyon régóta nem megy az egyik(A) csatorna csak a B. Suli meg ugye nem javítattja merhogy nincs pénz. Ma szétszedtem megnéztem, hátha tudok rajta segíteni. Ami fogadott. Két ellenállás teljesen szenesre volt égve. Kicsérlni nem nagy cucc. Csak gondlom nem csakúgy töknrement. Mivel két csatornás ezért a másik oldalon ugyanazok ottvannak tehát látom mire cseréljem. Mi lehet ennek az oka?
Hello!
Van a sulinknak egy CASTONE CPA500-as erősítője. Már nagyon régóta nem megy az egyik(A) csatorna csak a B. Suli ugye nem javítattja, merthogy nincs pénz. Ma szétszedtem megnéztem, hátha tudok rajta segíteni. Ami fogadott. Két ellenállás teljesen szenesre volt égve. Kicsérlni nem nagy cucc. Csak gondlom nem csakúgy töknrement. Mivel két csatornás ezért a másik oldalon ugyanazok ottvannak tehát látom mire cseréljem. Mi lehet ennek az oka?
Hello! Minek ezért új topic
Amúgy biztos a végtranzisztor vagy ic nem tudom mi van bent zárlatos és az miatt égtek ki az ellenállások!
Hali!
Szerintem is végfok,ha jól emlékszem 2N3442 tranzisztorok vannak benne,mérd ki őket és a meghajtókat de szinte biztos,hogy rosszak.
Szia!
Csatlakozom Patexati hozzászólásához azzal a megjegyzéssel, hogy ez esetben le kellene írni pontosabban, milyen eszközzel, és mit tudsz lemérni az áramkörben. (Ohm mérő, tranzisztor vízsgáló, stb. Van nálam ilyen javítás alatt éppen, tudnék segíteni egy-két napig még). Ezután már nem lesz lehetőségem-(ged) rá, nálam itt gyorsan változik minden.
Köszi a válaszokat. Holnap lemérem őket, meg csinálok fotót hogy mi égett ki. 1 körül írok hogy mi van.
Na itt vannak a fotók. Pirossal jelöltem azt a 2-t amik szénné égtek. Kékkel pedig azt a meghajtótranyót amit rossznak mértem. A másik fotón ott vannak azok amik elégtek. zölddel jelölve. Ez ugye a másik csatornán van azok nem sérültek. Hány w-os ellenállás kellhet oda?
A tranzisztort mivel tudnám helyesttesíteni mert ilyet nem találtam.
Szia ! 1wattos bőven elég , de a tranzisztorokat hogyan ellenőrizted ? Netán így a panelben akkor nem igen tudod hogy mit is mérsz , kikell szerelni a panelből és úgy mérj ,ellenőrizd!
A nagy ezüst "mexikói gyártmányúakat" kiszedtem, ott mindegyiknél ugyanaz az értékek voltak mint a jó oldalon. Tehát azok jók. A kicsi meghajtókat(ha jól tudom az az) pedig az áramkörön belül mértem, de úgy csináltam hogy lemértem a jó oldalon, mjad úgyanúgy a rosszon és ott az egyiknél nem volt semmi. A multinak azzal a részével mértem, amikor hogyha a két kábelt összeérintem sípol.
A jónak a két szélső lába egyik irányban "472" volt, másik irányba pedig "800". A rossznak egyik irányba megvolt a 472 körül, viszont a másikba nem adott értéket.
Jujujuj, az nem helyes... :no:
Hát, ha nem ismered hogy egy tranzisztornak milyen lábai vannak és hogy miaz hogy NPN-PNP, illetve ha nem tudod hogy ezek melyik lábak a tokon, akkor még nézelődj kezdő topikokban, mert enélkül esélyed sincs hogy egyáltalán megtaláld a hibát. Teljesen jószándékból írok Példák: Tranzisztor alapismeretek Ugyanez cikkben
Szia!
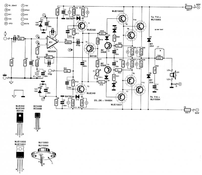
A csak multiméter a javításhoz itt nagyon kevés! Próbálj még valakit bevonni a munkába, akinek nagyobb tapasztalata van ezen a téren, nemárt, ha jól olvassa a kapcsolási rajzot. És valóban, a félvezetőket kiszerelve egyenként át kell mérni. Az nem baj, hogy a működő oldal összehasonlítása itt szerencsédre lehetséges. Egy "hasonló" Castone rajzát azért felrakom, ebből sok mindent megtudsz a félvezetők bekötéséről is.
Ez a kapcsolás nem Castone. Ez egy Elektoros végfok rajza, csak védelem nélkül. PA-300 a becsületes neve. Ettől függetlenül lehet, hogy lekoppintották valamelyik végfokukba, erről nem tudok.
Ha kell segítésg nálam is bontva cpa500B végfok az egyik teljesen jól működik szépen felujítottam másik viszont kuka szénné égett a panel!
Szia. Nem is vitaképpen, de jól nézd meg ezt.
Itt:
Akkor én is mellőznék minden nemű vitát, de egy file-t el lehet nevezni akárminek is.
Itt az én verzióm: Bővebben: Link Ebből jól látszik, hogy ez az Elektor újság cikke, és a file amit feltettél ennek része. Ha így van, hogy az amit ide raktál Castone, akkor egyszerűen loptak Castone-ék.
Szia Hapro!
Szerintem ez itt most teljesen mindegy, hogy ki mit lopott volna egymástól. Ha nem bíznék meg a file forrásában honnan letöltöttem, akkor hogyan bizhatnék meg egyáltalán bármilyen oldalban ezek után? Engem különben is csak az a része érdekel, hogy amit a kérdező feltett képeket, valóban ez "hasonló" rá, és utaltam is erre, ha figyelmesebben olvasnád. A feltett képek szerint is, pontosan azok a tranyók vannak benne, mint a rajz is tartalmaz. Szerintem ezzel rajzal is csak mégjobban segitení szeretném a javítását és erre... Ez nem egy segítőkész megnyílvánulás.
Most leírom okulásképpen, a nálam korábban javított "CASTONE", (ez már nem is olyan bíztos), milyen hiba fordult elő az erősítőben. Ugyanez a kapcsolási rajza, mit feltöltöttem. A C12 (47pF), és az R9 (22K) RC tag a negativ visszacsatolásban, ahol a C12 (K Ohm-os) vezetése miatt az IC "elszállt". Azonnal felborult a szimmetria, és letiltott az oldal. Az IC cseréje (TL071-re), nem oldotta meg a hibajavítást, mert a C12 még nem volt kicserélve. Ennek a hibának a bemérése valóban nem egyszerű feladat lett. Soha nem gondoltam volna, hogy egy "köporc" 47pF egyáltalán Ohm-osan vezetni tud (1.7 K Ohm!). A cseréje után természetesen. azonnal helyreállt a szimmetria, elindult a végfok.
Azok az ellenállások,amik neked sétégtek,a végfok rövidzárvédelmében játszanak szerepet! Vagy 510 vagy 560 ohmosak 0,6W. Nem tudom mert nincs elöttem a végfok,de sokat javítottam már ilyet.(500-as,600-as,800-as és 1200-es Castone). Ha ezek elszálltak,akkor valószínű a két rövidzárvédelmet ellátó tranyó is ellszált(BC546B,BC556B)a fotón az ellenállások melletiek,továbbá az ezek melletti diódák(1N4148). Ha végtranyókat kiszedted és jók,akkor csak a meghajtókat kell cserélni,továbbá meg kell mérni,hogy megmaradtak-e a kimeneti 0,22 ohmok(2W-osak a szétégett ellenállások elött 2-2 db) Ajánlatos ezeket is cserélni mert valószínű nagy áram folyt rajtuk utóljára és károsodhattak,nem nagy összeg! Úgy látom a szétégett ellenállásos panelen,hogy a meghajó visszacsatoló ellenállása is sérült (56 ohm 0,6W a végtranyó és a meghajtó közötti területen hiányzik róla a festék) Mindkettőt cseréld ki, a másik a lenti szétégett ellenállás mellett van közvetlenül. Ha ezzel megvagy cseréld még ki a középső alapáram stabilizáló tranyót,azt hiszem BD140 ,ha nem,akkor ami rá van írva! Nagyjából ennyi. Még valami! Ha ezekkel kész vagy,akkor első bekapcsolás elött köss mindkét tápágba 1-1 40-es vagy 60-as izzót ezek jelzik,ha baj van! Ha ok minden,akkor kikötheted őket és mehet élesben.
Üdv.:Lukitomi
Még valami! Van még két db 22 ohm-os ellenállás a meghajtók környékén (piros szinűek) ezeket is nézd meg,hogy jók-e! Nem teljesen ide vág,de feltettem az 1200-es Caston kapcsolási rajzát az "Erősítők kapcsolási rajzai" közé!
Kösznöm a részletes segítséget! Holnap elmegyek és megveszem az alkatrészeket de előtte mégegyszer lemérek mindent, hogy ne kelljen kétszer fordulnom.
Holnapután azt hiszem lesz is időm kicserélgetni mindent. Ha megvan írok hogy sikerült-e! |
Bejelentkezés
Hirdetés |




nekem csak pár szart kell kicserélni. meg 2 ellenállást meg két valami fehér biz-baszt ami azt hiszem ellenállás
Fecó
Pedig néhányszor járt nálam 600BV… Az első szériásokban tuti KD502-es, vagy KD503-as tranyók vannak (TO3), a B (/BV) szériában
Amúgy biztos a végtranzisztor vagy ic nem tudom mi van bent zárlatos és az miatt égtek ki az ellenállások! 





