Fórum témák
» Több friss téma |
Hi.
Az R1 és az R2 helyére tégy 1-1 10k potit a táppal sorba egy amper mérőt és a szikra közt állítsd kb 8 mm-re kezd el tekerni a potikat úgy,hogy az áram felvétel kb 250-300ma legyen és minden szikra át húzzon ha nem megy cseréld fel a 9voltos trafó szálait mert ez is tud hülyeséget csinálni. A te ic-d meg azért szál el mert túl van hajtva és ezért melegszik és egy idő után meg hal ebből adódóan a a feszültség a trafón és a tranyóny keresztül egy rövid zárt képez és ez terheli meg úgy az adaptert ,hogy abban elköszön a hő védelem ha van benne egyáltalán. Ja a C2-es helyére ne tegyél kerámia kondit ,mert hajlamos a környezeti hőmérséklet változására elvándorolni valami műanyagot tegyél bele. A gréc és a tirisztor közé az ellent én írtam ennél a típusnál 1kohm 1 watt. ÜDV DIZI
Szia!
Lefényképeztem, bár az első kép homályosra sikerült, de rajta van a dióda szimbólum a + és - jelöléssel. A másik kép jobb lett.Ha ez nem szupresszor dióda, akkor mi? De ha hülyeséget írtam akkor elnézést
Szia!
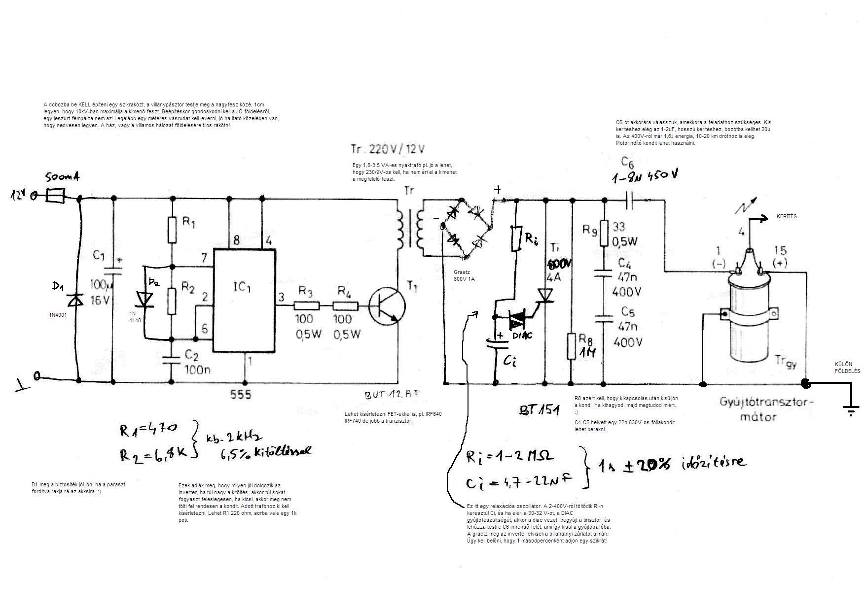
most még egy kérdés akkor amit csatoltam azt érdemes-e megépiteni? Meg valakinek van nyákrajza?
Szia!
Köszi a választ, ezt is kipróbálom.Bár úgy emlékszem hogy az áram felvétele 270-280mA körül volt mikor csináltam és megmértem.Azt elfelejtettem írni hogy nem 9/230-as trafót használok, hanem volt bontott 230/12v-os trafóm és ezt kötöttem be.Amúgy milyen gyujtótrafót ajánlasz 6 vagy 12v-ost, és mekkora kondit kb 1.5Km-re?Mert kitalálta hogy kitenné a tehenekhez ha működik.
Persze csak az 1n4148-as dódát el kell feledni.
Az nem baj,hogy 12/230 csak minimum 4wattos legyen
a gyt lehet 6 ill 12v csak kétütemű Wartburg trafót ne használj mert rettentő gyenge a legjobb 6V Trabi trafó ha nem akarsz tekerni,16µF-dal meg lőve kb 2km-t tud normális szigetelőkkel és vezetékkel.
Szia!
Értem, köszönöm az infókat.Akkor nekiállok, de ha lessz még kérdésem akkor jelentkezem
sziasztok! szeretnék csinálni egy napelemes villanypásztort!(kevés elektronikai tapasztalatom van ?valami egyszerűtszeretnék!
! Vagy olcsón venni,ha tud valaki segíteni,kérem segítsen!!! előre is köszönöm!
Hali
Hogy lenne táplálva,csak napelem vagy akku töltve napelemmel,mekkora akku adná a tápot,(hány amperóra hány volt),a készüléknek. Ja és mekkora területre.
Sziasztok!
Már megint itt de még valamit akarok kérdezni az inverteres villanypásztorról van bent az a diac az milyen számú?
Teljesen mindegy a típusa, csak diak legyen. Én ezt ajánlom:diak
DB-3 -ast tegyél bele az azt hiszem 35-40 volton megy.
a trafóval lesz a gubanc
a primer menetszámát emeld meg úggy 30-40 menetre ennek fügvényében persze a szekundert is nagyon agy áramok haladnak keresztül a kevés menetszámon és nem bírja a triak és az EI magos trafóba légrésnek legalább 1 mm es bakelit vagy akármit rakj be, az is kicsit jobbáteszi a dolgokat
sziasztok
hozzájutottam egy wxmc sokkolóhoz de valamiért felmondta a szolgáltatást és a benne lévő alkatrészen nincs semmilyen írás ha valaki tud róla valamit kérem írjon vagy ha van ötlete mivel lehetne helyettesíteni. ha kell adok a belsejéről is képet előre is köszi
Szia ne is próbálkozz ,mert nem tudod meg javítani nekem is van egy pár darab mind halott.
Ez a széria nem valami jó. De a kimenő trafójából kb 150méterre jó pásztort lehet csinálni kutyák számára.
én csak egyszerűen meg szeretném csinálni mert barátnőmnek szánom mert gondjai vannak a lakhelyén az utcákon és féltem
A DB3-ast már megtudta kettővel előtted...
Azért nem mindegy ,hogy milyen típusú ,mert a DB-3 -as 28-36v nyitó feszültségű itt a Ci jelű kondinak 50 voltosnak kell lennie de a DB-6 -az 58-70v ide már 100voltos kondi kell.
Van ott egy link, amiben a DB3 szerepel. Mondom, hogy nem figyelsz!
FIGYELJ.
Én ezt a kütyüt a kezemhez nyomtam és még élek terhelés alatt el megy a feszültség nagy része és nagyon közel van egymáshoz a két érintő csúcs, ez NEM alkalmas erre a célra, ez csak jobban fel idegesíti az ürgét ...Csak aztán nehogy a barátnőd nyakához nyomja az illető. Írtam pü-t.
Nincs odaírva, hogy 50V-os kondi kell hozzá. 100voltossal tényleg mindegy. Ráadásul 30V-os diakot lehet könnyen beszerezni.
Én ezt azért írtam mert én puffer kondival (33µF 50v) építettem meg ,mert nem volt itthon 2 megás ellen és így 470k-st tettem bele.
Én is megépítettem, csak hálózati üzemre, transzverter nélkül. A nagyfeszültségű trafó végezte a galvanikus leválasztást a hálózatról. Egy gyári villanypásztorból termeltem ki a trafót. Nagyon egyszerű és ügyes megoldás ez a diakos oszcillátor.
Én már terveztem egy pár fajtát az inverterestől a hálózatiig illetve olyat ami össze vissza adta az ívet ,hogy ne lehessen kiszámítani. Meg nagyon sokat gyártottunk a Románok részére ott be is volt jegyezve de úgy fél éve fel számoltuk, befejeztük a gyártást
közel 3500 darabos eladás után,elég volt :no: nem csinálunk többet.
no mert?
3500 db azért nem kis mennyiség, miért hagytátok abba? |
Bejelentkezés
Hirdetés |







hogy nem 9/230-as trafót használok, hanem volt bontott 230/12v-os trafóm és ezt kötöttem be.Amúgy milyen gyujtótrafót ajánlasz 6 vagy 12v-ost, és mekkora kondit kb 1.5Km-re?Mert kitalálta hogy kitenné a tehenekhez ha működik. 









