Fórum témák
» Több friss téma |
CSatolok egy kapcsrajzot, ami egy 16 ledes Knight Rider villogó. Az lenne a kérdésem, hogy nem lehet ezt az áramkört átalakítani úgy, hogy egy kapcsolóval átlehessen kapcsolni, hogy fordulatszámot is kijelezzen.
Ha az jó, hogy a fordulatszámtól függ a ledek haladásának sebessége, akkor lehet. Egyébként nem lehet ilyen egyszerűen.
Ez tök jó ötlet, értem mire gondolsz.
És ha rendesen kellene, hogy fordulatszámmérőként is menjen akkor miket kellene átalkakítani?
Hellótok
Kaptam az egyik barátomtól egy 24 LED-es fordulatszámmérőt 4-ütemű autóba. Egy 120-as Skodában volt eredetileg, én is ilyen kocsiba szeretném beleszerelni. Csak itt elakadtam: a gyujtáselosztóra kell kötni, de pontosan hova??? Szóval van a elosztó, 4 vezeték jön le róla, amelyek a gyertyákra mennek, és az elosztóba középre jön egy vastagabb vezeték, ami a gyujtótrafóról jön. Én erre a vezetékre kötném rá, csak a fater nem meri rákötni, "nehogy valamit elcsesszünk". Szóval akkor tényleg oda kell kötni? Erről a kapcsolásról van szó. Üdv. mjoco
A kocsit nem cseszitek el, akárhova kötitek, az biztos. De szerintem nem kell rákötni a vezetékre, hanem csak a gyujtókábel köré kell tekerni néhány menetet, és azt vezetni a mérőbe. Legalábbis így szokás megoldani. Ha rossz kábelről veszitek a jelet, akkor vagy negyedét vagy négyszereség fogja mutatni annak, amennyit kellene, hogy mutasson.
Egyes Skoda tipusokba gyárilag raknak fordulatszámmérőt.
Ha megvan a gépkocsi tipuskönyve, benne a kapcsolási rajzzal, abból kilehet keresni, hogy hova kell kötni. Egyébként, ha jól emlékszem, a gyújtáselosztó oldalán van az a kis négyzet alakú porcelán féle, amin ha minden igaz, kell lennie egy szabad sarunak. Na ha jól emlékszem, az a fordulatszámmérőnek fenntartott csatlakozó. De ha addig nem oldódik meg a dolog, hétvégén pontosan utánnanézek.
Hi mindenki!
Kérdésem az lenne hogy az 1. képen bekeretezett részt lehetne é helyettesíteni a 2. képen bekeretezett résszel. Mert bajos az LM2907-8N IC-t beszerezni. Válaszotokat köszönöm.
hello
én a szocimotoros oldalon lévő kapcsolást szeretném megépíteni de elég lenne 10 led is a kapcsolásba szóval nem szeretnék 2 darab lm3914-est használni csak eggyet tudnátok segíteni hogyan kellene átalakítani a kapcsolást, csatolom a kapcsolást. előre is köszi
Kedves ormandistvan és bobba 16!
Megépitettem a szocimotoros kapcsolást és nem vált be. Azt hiszem pont ebbe a topikba irtam róla, de lehet, hogy valamelyik másikba. A lényeg, hogy a ledes része müködött kis átalakitással, mert nem ment szépen együtt a 10-10 led. De jó lett, kicseréltem két ellenállást két potira és igy finoman össze lehetett hangolni öket. Amiért nem javaslom, hogy megépitsétek az 555 ic böl állo részt, az az, hogy nem müködik megfelelöen. Nagyon sokat veszödtem vele a suliba jelgenerátorral és sehogysem ment rendesen. Sok alkatrészt kicseréltem benne, de úgy sem lett jó. Azt hiszem másnak is voltak vele gondjai! Ezért ha össze is rakjátok akkor ne marjatok rögtön panelt hozzá! Csak teszt verziót épitsetek belöle.
köszönöm a választ, akkor lehet más kapcsolás után nézek
Szia huhuu!
Én is megcsináltam a kapcsolást, és szintén nem működik jól. Bevittem suliba laborba méregetni, és arra jutottam mint te. A ledes részben a potikat mekkora ellenállásra hangoltad? Ezek szerint az a rész megoldható. A bemeneti áramkörnek, azt gondoltam, hogy be lehetne rakni ennek a bemenetét: zsiguli.hu_fordszammero
Szia!
Azt a kapcsolást, amit csatoltál nem építettem meg, de ha működik az áramkör első része, akkor biztos, hogy össze lehet hozni a másikkal. Sajna nem mértem meg, hogy mekkora a potik ellenállása. De leírom, hogy mit csinálj. A két LM3914 nél két ellenállás van csak, ezeket cseréltem ki pici trimmer potira. a 2,2 kilóst 5 kilósra a 22-est pedíg valamennyivel nagyobbra, már nem emlékszem. talán 39 vagy 47kilósra... A lényeg, hogy nagyobbra. Aztán állítgatni kell mindkettőt, de egyik a másikra hatással van. Még a fényereje is változott a ledeknek, aztán meg hol az első 10, hol a másik 10 led sor világított. A lényeg, hogy össze lehet hozni, csak kicsit türelem játék. Adj 5 voltot az ic-k nek, a bemenetre, ami meg az 555 től jön( ahol van a JM1) kösd egy poti középső kivezetését. (mondjuk 5 vagy 10 kiloohmos potit) A másik két lábát pedíg az 5 és 0 voltra. A potikat ellenállás mérővel állísd 2,2 kilo ohmra és 22 kilo ohmra és aztán forraszd csak be és kapcsold be. Utánna kezd el a bemeneten lévőt forgatni és ha nem világít egyenletesen az első ledtől az utolsóig akkor kezd el PICIKET tekerni a két másik potin. Ha bármiben tudok még segíteni írj nyugodtan!
Ezeket a kapcsolásokat nem lehet úgy átalakítani, hogy egy LED legyen csak, ami egy előre meghatározott fordulatszám felett világít (shift led)?
Szia!Énis beleestem ebbe a hüjeségbe hogy megcsináltam ezt a kapcsolást.Sajnos az a baj vele hogy alapból működésképtelen.Az 555-öst alapból kinyírja az első jel,és az 555 és az lm3914 között se jól van kitalálva a kapcsolat.Úgyhogy én most magamtól csinálok egyet lm2917-el.Remélem sikerül.Azt a kapcsolást
felejtsd el.
Sziasztok!!
Engem is nagyon érdekelne ez a dolog, de szeretnék segítséget kérni. Olyan formában kellene nekem ez a dolog, hogy 1300rpm-enként gyulladjon ki 1 újabb LED. Tehát 1300rpm-nél 1, 2600-nál 2, 3900-nél 3 stb. és összesen 5 LED legyen. Tudtok valamit ajánlani vagy mondani erre?!?! Előre is köszönöm!!!
Hello!
A cikkek között szerepel Attila multiplexelt kivezérlésjelzője. Ezen felbuzdulva az jutott eszembe, hogy multiplexelve akár az lm3914-et is lehetne hajtani, és én 0-7000 közötti fordulatszámot jeleníteném meg 4x7 leddel így 28darabbal, amihez 1 db 3914 kéne és így 3db 10-es ledpakkal meg lehetne oldani a 250-enkénti fordulatszámkijelzést... Hozzáértők ötletei szívesen várom.
helló!
Azt a kapcsolást amit csatoltál ezt meg érné épiteni 1500polskiba menne? Ja és ez 12ezerig mér?
Valaki nem tudna nekem olyan fordulatszámmérő kapcsolást mutatni, ami kb. 13-14 000 -ig mér? Mert amik itt vannak max 10 000-ig mérnek!
Előre is köszönöm!!!
Hali!
Tudom, időben, de sztem én tudom a megoldást... Mivel ugye a Diesel-nek nincs gyújtásrendszere, macerás lenne onnan megoldani. DE, ha jól tudom, a generátoron van direkt erre a célra egy kivezetés! És ugye az a főtengelyről kapja a hajtást, ergo a generátor fordulata arányos a főtengo fordulatával!!! Sztem ezen a vonalon kéne elindulnod. Nem vagyok benne biztos, de asszem a generátorok 3 fázisúak, az egyiket megcsapolod, pofáncsapsz vele egy 12V-s Zenert, és már van kiindulási alapod, csak a kalibrálás lesz macerás, meg kéne tudni a főtengely-generátor áttételét... Remélem tudtam segíteni...
Hello bocsi én valami ilyesmit ( http://www.ecliptech.com.au/index.php?option=com_content&view=artic...mid=97 ) szeretnék építeni mert van egy mocim 20000 ig pörög és szoktam gyorsulgatni és ott igen számít hogy mikor is váltassz
Nem tudom hogy tud e benne valaki valamit segíteni Előre is köszi Van egy rajzom hozzá ha ez valamit segít . Már az is sokat segítene ha valaki tudná hogy magyarországon hol lehet ilyet kapni és mennyiért mert az ára 169 dollár ami nem is lenne sok de ugyan ennyi a posta és ugy már sok.
sziasztok egy olyan kérdésem lenne h ezek a rajzok közül melyik a müködő képes
Szevasztok!
Az én kérdésem a következő.Hétvégén egy autó bontóban találtam egy ledes fordulatszám mérőt,ami egy Samarába volt beépítve viszont nemtudom mit hova kössek és tönkretenni sem akarom.Gyárinak tűnik,és három vezeték van benne.6 ezerig van skálázva és 12db led van benne.Egyenlőre a színeket nemtudom megmondani meg képem sincs róla,de majd felteszek.Esetleg valakinek van hasonló,vagy ismeri a szerkezetet,megoszthatná velem a bekötését. Köszi.
Ja és ponnt így néz ki:http://www.youtube.com/watch?v=qB8-I4rM2HI
Sziasztok!
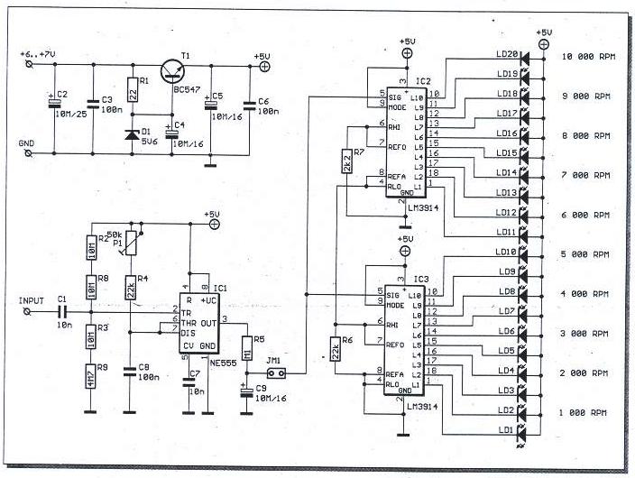
Egy kérdésem lenne hozzátok!? Valaki megépítette már ezt a 20ledes fordulatszám mérőt? --> EZT Én ez alapján a nyáklapot megépítettem , de nem akar működni a JM1-nél mérek feszt amikor ráadom az 50Hz-es (hálózati) jelet, és 3,02V mérek akárhogy tekergetem a potit nem változik a feszültség. A ledek pedig fel sem villanakÁtcsipogtam a panelt és nem találtam hibát. Várom az ötleteket, tanácskat, hogyan és hol keressem a hibát. ELŐRE IS KÖSZÖNÖM A SEGÍTSÉGETEKET!!!
Sziasztok! én is megépitettem ezt a socimotoros oldalon lévő fordulatszám-mérőt 4-szer de egyik se működik.... lassan ott tartok hogy felgyujtok mindent. azt csinálja a legjobban sikerült hogy ha ráteszem a megszakitóra le akar fulladni a motor, vagyis le is fullad. sokszor átnéztem nem lett forditva egy led sem , ha átlépem vezetékkel azt sok Mohm-os elllenállás köteget és az 555 ic jobb szélső lábát és a mellettelévő ellenállás lábát összekötöm a vezeték végén 12-voltal szépen világit minden led amugy nem világit. ha valami tud kérem segitsen.
Köszönöm
Sziasztok! Szeretnék egy ledes fordulatszámmérőt építeni 4 ütemű autóhoz. Ennek megfelelően beírtam itt a keresőbe, és rengeteg ilyen témát hozott fel, sok féle kapcsolási rajzzal. De egy értelmeset sem találtam, mert mindhez volt valami negatív hozzászólás, vagy nem működik, vagy át kell alakítani 4 ütemű motorhoz, vagy csak két üteműhöz való. illetve egyikhez sincs nyák rajz. Nem panaszkodásképp mondom, de légyszi tegyen fel valaki egy kipróbált működő kapcsolási rajzot, nyáktervvel, mindenféle átalakítás nélkül 4 ütemű motorhoz. Köszönöm!
Üdvözletem!
Került egy gyárinak tetsző ledes fordulatszámmérőm.Ahogy nézem kisipari termék...Futura 190 van rászitázva és 6000Rpm-ig mérne , a kapcsolási rajza hasonló a szocimotoroson látható elvi kapcsolási rajzra(szemre legalábbis) Három vezeték lóg ki belőle,piros,fekette,kék...saját logika szerint fekete a test,piros a táp,kék a jel a megszakitótol...(autóvilles beidegződés) DE még nem kötötem be,csak széthuztam...és mintha nem ez lenne bekötve...Kék tünik a testnek (forrfül talán I jel),Fekete a + tápnak forrfül IN felirat , és a piros a jelnek (forrfül mellett talán It) Tud valaki segiteni ebben hogy a három spagó közül valójában melyik melyik?esetleg mailban: andras-varga@mailbox.hu előre is kösz!
hello ,engem is érdekelne ez a fordulatszámmérős dolog csak egy a gondom, egy 1,3 as suzuki swift sedanom van , és nem akarok nagyon belepiszkálni a gyujtás részébe, arra gondoltam hogy a gertyák felé menő gyujtókábelre rátekernék egy mésik vezetéket, azt egy mostfettel felnyomatnám nagyob feszre, 5V ra és azt számolnám piccel, ez megoldható e szerintetek, vagy a gyujtókábel is árnyékolt? előre is kösz, vagy esetleg más ötlet hogy a gyujtáshoz ne keljen hozzányulni és legyen egy mérésre alkalmas pontom.
Hello! Nekem is kellene egy kis segítség, ahogy olvastam bekötni már sikerült 4T-s Trabiba. Olyan problémám lenne, hogy mivel elektronikus gyújtása van, hova kössem azt a vezetéket, ami a rajz szerint a megszakító felé megy? Valahová a vezérlőegységhez? Vagy a gyújtáselosztóig bárhová be lehet iktatni, csak az impulzus a lényeg a bemeneten? Előre is köszi.
Gábor
Volna 1 kérdésem,
pl ha nem akarok ledes fordulatszámmérőt, csak azt szeretném ha pl a fordulat elér egy bizonyos értéket, legyen pl 3000 fordulat/perc akkor kivillanjon 1 led -esetleg villogjon (shift light). azt meglehet oldani úgy, hogy az eredeti fordulatszám mérőből lemérni azt mikor eléri a 3000 fordulatot beiktatni "valamit" és kivillanjon a led? sorry ha értelmetlen voltam |
Bejelentkezés
Hirdetés |









Nem tudom hogy tud e benne valaki valamit segíteni
Előre is köszi
A ledek pedig fel sem villanak




