Fórum témák
» Több friss téma |
Fórum » Autódiagnosztika és adapter
Sziasztok! Tudna valaki segíteni nekem? Vásároltam egy VAG-COM KK\L nevezetű interface-t (a http://www.cardiagnostics.info/shop/vagcom-kkl-p-9.html weboldalon megnézhető). A gondom az hogy a vag-com program (de más sem) nem ismeri fel az interface-t. nem tudom milyen illesztőprogrammal kellene próbálnom, vagy mi lehet a baj.
Szevasztok.
A segitségeteket szeretném kérni,Citroen xsara 1,4-es hez tudnátok-e autodiagnosztikai adapter kapcsolási rajzot meg progit hozzá.Segitségeteket előre is köszönöm.
Sziasztok !
Én pedig Ford Escort 1997-eshez (1.4i F4B motorkód) keresek diagnosztikai lehetőséget.(progit, illetsztőt) ODB II csatlakozó van már rajta, bár az infók nem egyértelműek(Autodata, Vivid) A google nem adott semmilyen használható infót.(vagy csak én kerestem rosszul ....) Köszönöm előre is !
Hello az elm nem viszi, talán az uniscan holnap megnézem
Még semmivel se próbálkoztam....
Köszi előre is !!!
Sziasztok!
Van egy 1997 decemberi 1.6-os 55kW-os Octáviám. Ahhoz milyen kábel meg progi kell? Van esetleg valakinek utánépitési rajza?
Sziasztok! 1993.11. BMW E36 320i Siemens MS40.1 motorvezérlőhöz keresek megfelelően működő interfész kapcsolást. Építettem BMW Carsoft 6.5-höz interfészt AT89C2051-el , de csak a szervízintervallum törlés megy, látszólag van kommunikáció a LED-ek szerint, de valójában nem kommunikál.
egyszerű villogtató
Nagyon szépen köszönöm !
Majd kipróbálom.
Köszönöm ezeket is ! Lesz mit csemegézni.......
Sziasztok!
Én még nagyon kezdő vagyok ebben a obd2 dologba.Bár a neten keresgéltem és találtam egy elég érdekes honlapot ahhol van egy-két kapcsolási rajz! Bővebben: Link Bár nekem a Bosch ESI tronic 2009es szoftver van és ha jól értelmeztem akkor nagyon másfajta interfész vagy kábel nélkül nem tudom autódiagnosztikára fogni! Tudtok nekem ebben segíteni h milyen interfészt és programot használjak diagnosztikára online diag. meg hiba törlésre meg felülírásra?
Sziasztok!
Van egy újfajta 2008-as KIA Ceed-em. 1,6 benzin. Szeretném E85 üzemre átalakítani, de mivel garanciás gép ezért vakon nem akarom elkezdeni az átalakító használatát. Szeretnék látni élő adatokat, főleg a lambda szabályzás állapotát. Tudna valaki profi segíteni, hogy milyen interfész (CAN?) van ebben az autóban és milyen progival és csatolóval lehetne használni? (ELM327?) Köszi előre is a tippeket! Üdv!
Vettem 1 elm 327-es interfacet,OBD 2-es csatival,kaptam hozzá programot is,a wvagent látja,akinek arra kell tudok segíteni,viszont 1 terjedelmesebb program kellene mert ami van krekkelt,és hiányos,Land Roverről lenne szó.
Segítsetek. Kőszi előre is.Zorro
Milyen programod van? A Land Rover már OBD2?
A landrover obd2-es össze tudom vele dugni,de nem komunikálnak.Nem tudok bodratet állítani,és a programba ne lehet autó tipust kijelőlni.A program neve:Easy OBDII
Az, hogy össze tudod dugni, semmit nem jelent.
Én Modiag-ot használok, nem kell autotipust választani. Épp ez az OBDII lényege, hogy szabványositva van minden, az összes tipus motorvezérlöje (de csak az) kiolvashato pl. az ELM327-essel. Az OBDII-re 2001-töl (ha benzines) ill. 2004-töl (ha dizel) voltak kötelesek áttérni a gyártok. Ha régebbi az autod, akkor az ELM327-essel hiába probálkozol.
Mit javasolsz?Az autó tipusa:Land Rover,Range rover,1996,2500 diesel.
Zorro
Akkor az ELM327-et elfelejtheted.
Nincs ötletem, nem egy gyakori tipus. Talán ezen még kivillogtathato a hiba.
Ennyit találtam LR-hez.
Esetleg ezt a Modi..francot el tudnád v.hogy juttatni?
Mailom: mistizoltan@freemail.hu Kősz
Hi.
Azt szeretném megkérdezni hogy k-line vonalon össze lehet e kötni mit tudom én 1 airbag modult a pc-vel ugy hogy az ecu-t kihagyom pl eeprom letöltés miatt. termászetesen olyan Airbag modulra gondoltam ami k-lines rendszervbe van. Köszi
Hi.
Van esetleg valami infód róla? Egy pár Airbag pin kiosztását megtaláltam pl opel,wv. Még elvileg software-t is találtam hozzá, de milyen hardware kell hozzá? Sima k-line illesztő?
Milyen szoftvert akarsz használni? Ha az sw nem igényel hw kulcsos illesztőt, jó a sima KK/L is.
Én ezt néztem. BOSCH Airbag Reset Tool by OPEL.
http://www.tachosoft.com/_airbag.htm Vagy itt pl. azt irja on the table. http://www.smelecom.com/pdf/airbag/OPELENGLISH.pdf Azért gondoltam hogy asztalon is lehet komunikálni nem kell obd csati meg ecu hozzá és nem kell szétszedni se kiforrasztani pl az eepromot.
Hi.
Másik kérdés. K-linén összekötöm a 2004-évvel ezelötti Airbag egységet. Ab-com nevü opelos pogi azt irja (valami régi verzió) tudja kezelni az airbag-inditot k-line-n? Köszi
Hát ez nem a legjobb interface, de igaz amit írtál. Ha asztalon teszteled és nem gondoskodsz az indítókról, érzékelőkről, tele lesz hibával a vezérlő!
Hello!
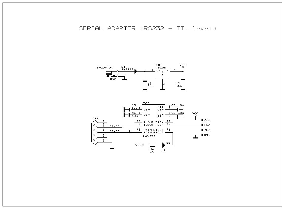
ALDL autódiagnosztikát akarok csinálni egy szerzett rs232-TTL soros interfésszel(MAX232) és egy megfelelő Palm OS-ra írt programmal. Az autóból kijön egy ADAT egy FÖLD meg egy DIAG kábel. A neten talált kapcsolás + a szerzett interfész kapcsolása a mellékletben. Meg tudom csinálni a szerzett interfésszel? Illetve a netentalált2 is fel kell használni? Előre is köszönök minden segítséget! |
Bejelentkezés
Hirdetés |














