Fórum témák

» Több friss téma
Fórum » Csöves erősítő készítése
 
Témaindító: seedz, idő: Márc 31, 2006
Témakörök:
Ne feledd betartani a fórum viselkedési szabályait, és a topik megmaradásának feltételeit. [link]
A téma átmenetileg fagyasztva lett, hozzászólni nem tudsz!
Lapozás: OK   998 / 2208
(#) hangszoros válasza heinrik endre hozzászólására (») Jún 11, 2010
Talán az ellenálásokat kelenne megnézni.
Megtudják tréfálni az embert
A háló trafó inkább brumot csinál. Ha a táp lenne kovászos akkor a másik oldal is zajos lenne
(#) CIROKL válasza heinrik endre hozzászólására (») Jún 11, 2010
Az az oldal nem jó ahol a hálózati trafód látható ?
(#) melcher hozzászólása Jún 12, 2010
Üdv!
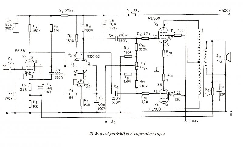
A mellékelt kapcsolással kapcsolatban két kérdésem lenne. Az egyik, hogy az EF86-os, és az ECC83-as csövek helyére mit tudnék tenni, mert olyan pont nincs itthon (300 db-ból). A másik, hogy mit ért azalatt, hogy -Ug (a 47k-s potira kell).
Előre is köszi.

PL500 20W.jpg
    
(#) mark.budai válasza melcher hozzászólására (») Jún 12, 2010
ECC83 helyett jó a 6N2P (ezt viszont csak 6,3V-tal lehet fűteni a 4-5-ös lábon, a 9-es láb a két csőfél közti árnyékolás, a GND-re kell kötni). A -Ug az annyit jelent, hogy az a negatív előfesz, felrakom a kapcsolás tápjának a rajzát. Annyit hozzáfűznék, hogy nem kell külön trafón lennie a 180V-os tekercsnek, lehet azon, amin a többi van.
(#) melcher válasza mark.budai hozzászólására (») Jún 12, 2010
Köszönöm a gyors választ!
(#) Imi65 válasza yello hozzászólására (») Jún 13, 2010
Sajnos a PCL85-össel elég kiábrándító tapasztalatok vannak, mondhatni - klasszikus felépítésben - pocsék hangú cső, de nem is zenélésre tervezték.
A mellékletben láthatsz menetszám adatokat.
(#) PetAd hozzászólása Jún 13, 2010
Sziasztok
Van valakinek bevált kimenő rajza EL84 SE-hez, 12cm2-es EI vasra, 4-8Ohmos szekunder kivezetésekkel?
Ugye az EL84 kimenője jól illeszkedik a PCL86-hoz?
(#) djhans válasza PetAd hozzászólására (») Jún 13, 2010
Igen az EL84 kimenőt lehet nyugodtan használni PCL86 csövel is. Szerintem azt a 12cm2 EI vasat inkább EL84 PP-hez használd fel. SE-hez EI-ből elegendő 6-7cm2 is.
(#) PetAd válasza djhans hozzászólására (») Jún 13, 2010
PP nem kell, úgyhogy keresek kisebb vasat. Kösz.
(#) buburobi hozzászólása Jún 14, 2010
Üdv!
Van itthon EF80, ECC83 és PL500. Ezekből szeretnék csinálni egy erősítőt és az lenne az 1. kérdésem, hogy hogyan lehet az alábbi kapcsolásokat összevariálni, hogy a felsorolt csöveket fel tudjam használni? A 2. kérdésem, hogy ha nincs itthon a kimenő trafóhoz olyan vasmag amit a leírásban megadtak, hogyan tudom átszámolni más méretű vasmagra és 4/8 Ohm-osra?
(#) mark.budai válasza buburobi hozzászólására (») Jún 14, 2010
A PL500.jpg rajzot építed meg, de azokkal az alkatrészekkel az ECC83 körül, amik a másikban vannak. Ehhez a rajzhoz itt a táp.
(#) Imi65 válasza buburobi hozzászólására (») Jún 14, 2010
Nekem az az érzésem, Márk nem teljesen értette mg a problémádat. Az EF86 helyett EF80-assal rendelkezel. Ez egy teljesen eltérő feladatú cső, de fel lehet használni, mint látod, kissé nagyobb áramokat állított be a tervező, értelemszerűen kisebb ellenállásokkal. Próbáld az EF80 beállításait használni, az adott értékekkel. A tápfesz szűrő ellenállás se kerülje el a figyelmedet.
A kimenőt csak kompromisszumokkal lehet átszámolni. A 4-8 Ohm pedig a szekunder tekercs megcsapolásával érhető el.
(#) mark.budai válasza Imi65 hozzászólására (») Jún 14, 2010
Igazad van Imi, most, hogy írod, már értem. Robi tényleg EF80-al rendelkezik.
(#) buburobi válasza mark.budai hozzászólására (») Jún 14, 2010
Üdv. Kösszi a táprajzot, de mindkét kapcsolás teljes leírása megvan. Imi rátapintott a problémám lényegére, de csak nagyon kis mértékben tudott segíteni.
(#) mark.budai hozzászólása Jún 14, 2010
Átírtam az EF80-hoz való ellenállásértékeket a másik rajzból. Bár a 100n-s kondiból jó a 350V-os is, ami eredetileg van a rajzon, de jobb a béke
(#) buburobi válasza Imi65 hozzászólására (») Jún 14, 2010
Üdv! Rátapintottál a lényegre. amint lessz egy kis időm készítek egy skiccet és lehet véleményezni. A kimenőtrafóhoz valamilyen képlet kellene, mivel még nagyon kezdő vagyok ebben a témában és nem találtam képletet, ezért kértem segítséget.
(#) buburobi válasza mark.budai hozzászólására (») Jún 14, 2010
Köszi.
(#) Imi65 válasza buburobi hozzászólására (») Jún 14, 2010
Amit Márk átjavított, az jó, de Ő is elfelejtette, hogy a tápszűrő ellenállás értékét is variálni kéne. A rajzon nem tüntettek fel feszültségértékeket, amiből ezt korrekt módon számíthatnánk, mivel a forrásfeszültségek erősen eltérnek (az egyik rajzon 400V, míg a másikon 310V), persze ez sem mérvadó, hisz az összáram már az 1. szűrő ellenálláson is ejt feszültséget. Ennek a mértéke közel sem biztos, hogy egyforma a két kapcsolásnál. tehát a Márk által feltett rajzon szereplő 270k-s (R7) biztos, hogy nem biztosít elegendő tápfeszültséget az EF80-nak. Mivel vele DC csatolásban van a fázisfordító mindkét csőfele (miáltal a munkapontot is meghatározza) nem lehet akárhová beállítani, mert a kivezérelhetőséget, torzítást közvetlenül befolyásolja.
(#) heinrik endre válasza hangszoros hozzászólására (») Jún 14, 2010
megnézem kőszi
(#) PetAd hozzászólása Jún 14, 2010
Üdv
Van egy M85/32-esnek tűnő M magos trafóm, ami a táblázat szerint 70W-os. Ezt fel tudnám használni egy sztereó EL84 SE-hez? Csöves egyenirányítást szánok neki, és egy EMM801-es kivezérlésjelzőt. DjHans ECC85-EL84 kapcsolását néztem ki. Valaki meg tudná mondani/mérni, hogy a csövek külön külön mekkora áramot igényelnek? EZ81 diódát akarok bele rakni, de lehet hogy elég lesz az EZ80 is.
(#) mark.budai válasza Imi65 hozzászólására (») Jún 14, 2010
Ebben én is megakadtam, de viszont a 400V-os anódfeszültségűn nagyobb ellenállás van, gondolom pont ez miatt. De tényleg nem tudunk pontos értéket kiszámolni oda, mert egy feszültségérték nincs odaírva sehova. :no:
PetAd, nekem 33mA-en mentek az EL84-ek a deszkában, és nagyon jó hangja volt, nekem tetszett.
(#) CIROKL válasza PetAd hozzászólására (») Jún 14, 2010
SM85 már jó lenne de ez az M85 neked karcsú lessz ide !
(#) PetAd válasza CIROKL hozzászólására (») Jún 14, 2010
Ahogy számolgattam, én alatta maradtam a 70W-nak. A fűtés összesen 20W lesz EZ81-el, a pentódák áramát 40mA-nek veszem, az ECC85-ökét 10mA-nek, az EMM801-ét is 10mA-nek. Nem tudom, hogy csöves ei mellett mekkora szekunderű trafó kellene ezért 250V-ot számolok. Ekkor 110mA*250=27,5W. Próbáltam túl becsülni az értékeket, de szerintem ez még akkor is alatta van a 70W-nak ha nem gerjesztem meg annyira a vasat. Bár fogalmam sincs, hogy alacsonyabb gerjesztéssel, hogy alakul a kivehető teljesítmény, mert a trafókhoz alig értek, de remélem nem csökken drasztikusan. Jó lenne tudni, hogy mennyire szórná meg a kimenőket, mert akkor lehet nem is kellene csökkenteni a gerjesztést.
(#) djklein hozzászólása Jún 14, 2010
Sziasztok!

Van egy kis gondom, vettem a Dynacord Eminence II-es erősítőmbe egy új cső garnitúrát. Beraktam a csöveket, gyönyörűen szólt. Délután bekapcsoltam nem túl nagy hangerőn zenét hallgattam kb fél óra után hírtelen lehalkult és elkezdett, puffogni durrogni. Azt hittem valami hálózati zavar mert kinnt vihar volt de csak nem hagyta abba. Szétszedtem rámértem de semmi hibát nem találtam. Újra bekapcsoltam, levettem mindent a bemetéről de csak nem hagyta abba, de már láttam mi a gond ahogy a hangerő potméret feltekerem 50%-tól felfelé az EL34-es csövek kék fénnyel villogni kezdenek és a villogással együtt durrog is. Ha letekerem a potit akkor semmi gond. Azt gondoltam az új csövek mentek tönkre, az ezer éves csövekkel semmi baja nem volt eddig csak ereje nem volt már. Vissza raktam a régieket de a hiba már azokkal is jelentketik szóval nem a csövek okozzák.
Hibás alkatrészt nem találok benne terhelés nélkül a feszültségek is renben vannak. Van egy rossz sejtésem, hogy a kimenő trafó hibásodott meg. Létezhet ilyen hogy egyik pillanatról a másikra üzem közben tönkremegy?
(#) CIROKL válasza PetAd hozzászólására (») Jún 14, 2010
Igen a számolás az számolás , egy előzetes kalkulációnak tökéletes amit számoltál ! Csak sajnos majd a valóság az mást fog diktálni , annyi biztos hogy 70 Wattos vassal nem igen mernék belevágni ebbe a projectbe . Egy ami biztos a trafód KB20-30 perc alatt szétfog izzani !
(#) djhans válasza PetAd hozzászólására (») Jún 14, 2010
Szerintem a te trafód éppen határeset. Csöves rádiókban 35VA-eseket alkalmaztak ECL86-hoz és még néhány csőhöz. Itt EZ80 volt az egyencső. Sztereóban lehet hogy elég lesz a 70VA de arra számíts, hogy elég meleg lesz a trafó. Lehet, hogy kibírja de én nem szeretem ha egy trafó forró. Sosem tudni meddig bírja.
(#) fleta válasza CIROKL hozzászólására (») Jún 14, 2010
Legalább 100 -120 VA-es toroidot ajánlanék
(#) CIROKL válasza fleta hozzászólására (») Jún 14, 2010
Én ezt tudom ezért mondtam a 70 Wattra hogy édes kevés , ha csak nem hotdog sütésre akarjuk használni ! Ja de lehet ráakasztani ventilátort is de az hogy nézne ki egy csöves erősítőben ? Pont most van egy jó gyakorlati példám erre a trafós dologra . A csöves fejhallgató erősítőmben egy 80 Wattos toroid ami az anódfeszt szolgáltatja , és az anódfesz az 150 Volt 2X100mA ez mennyi ? Watt ,és mondhatom az a szerencsétlen trafó 1 órai üzem után hát eléggé forró szernintem a kezem nem igen viselné el . Szóval lehet itt számolgatni , de mint mondottam a valóság az mindig okoz meglepetéseket !
(#) fleta válasza CIROKL hozzászólására (») Jún 14, 2010
Bocsi nem Neked szántam a választ!.
(#) PetAd válasza CIROKL hozzászólására (») Jún 14, 2010
Akkor majd beszerzek egy nagyobb trafót, de jelenleg úgyis egy hangfalam van szóval azt ki fogja bírni. Megtekerem és majd kipróbálom sztereóban hogy mennyire melegszik. Kösz
Következő: »»   998 / 2208
Bejelentkezés

Belépés

Hirdetés
XDT.hu
Az oldalon sütiket használunk a helyes működéshez. Bővebb információt az adatvédelmi szabályzatban olvashatsz. Megértettem