Fórum témák

» Több friss téma
Fórum » Knight Rider, oda-vissza futófény
Lapozás: OK   6 / 13
(#) m.joco hozzászólása Ápr 2, 2007 /
 
Gondoltam, hogy úgy lesz.
Akkor már egyszerűbb, ami 555-tel van megoldva.
És ott sehogy sem lehet beállítani a futófény sebességét?
(#) vegyészmérnök válasza m.joco hozzászólására (») Ápr 2, 2007 /
 
Az 555-nél is lehet állítani a sebességet potival.
(#) m.joco válasza vegyészmérnök hozzászólására (») Ápr 2, 2007 /
 
Fel tudnád tenni azt a kapcsolást?
Én erre az 555-ös kapcsolásra értettem a kérdést.
http://www.hobbielektronika.hu/forum/files/1b770edf9a3bd09810431076...fe.gif
(#) vegyészmérnök válasza m.joco hozzászólására (») Ápr 2, 2007 /
 
Ez nem 555-ös IC!
555-tel és 4017-tel tudsz a legegyszerűbben futófényt csinálni (vagy max 10 LED-es egy irányba futót vagy max 6 LED-es oda-vissza futót). Megpróbálok keresni hozzá rajzot.
(#) vegyészmérnök válasza vegyészmérnök hozzászólására (») Ápr 2, 2007 /
 
Találtam linket hozzá:
http://fazksg.ingyenweb.hu/keret.cgi?/knight%20rider%20fenyeffekt1.htm
Annyi hiba van benne, hogy a LED-ek után kellene egy ellenállás (kb 180 Ohm-os).
(#) vegyészmérnök válasza vegyészmérnök hozzászólására (») Ápr 2, 2007 /
 
Még egy tanács: Ha azt akarod, hogy a sebességet széles tartományban tudd változtatni, akkor az ábrán R1 jelű ellenállás helyett egy 10 k-s ellenállást és egy 1 M-s potmétert raksz sorba, a P1 jelű poti helyett pedig egy 1 k-s ellenállást.
Én így csináltam annó (kb 1 éve), csak még digitális számlálót is mókoltam hozzá.
(#) m.joco válasza vegyészmérnök hozzászólására (») Ápr 2, 2007 /
 
Köszi a kapcsolást
Az IC-ket ugye nem kell felprogramozni?
És akkor azzal az 1Mohmos potival lehet majd a sebességet állítani?
Hja és még valami: Az üzletben az IC-ket csak simán úgy kérjem, hogy: 1db 4017-es IC és egy NE555?
(#) Frankye válasza m.joco hozzászólására (») Ápr 2, 2007 /
 
Idézet:
„Az IC-ket ugye nem kell felprogramozni?”

Nem, nem kell.

Idézet:
„És akkor azzal az 1Mohmos potival lehet majd a sebességet állítani?”

Igen, az 1M-s potival a futó fénypont sebességét lehet majd szabályozni.

Idézet:
„Az üzletben az IC-ket csak simán úgy kérjem, hogy: 1db 4017-es IC és egy NE555?”

Igen, így kell őket kérned. (Az NE555 helyett mondhatod, hogy 555-ös.)
(#) m.joco hozzászólása Ápr 2, 2007 /
 
Kössz a segítséget :yes:
Holnap a suliból egyenesen az elektrós üzletbe fog vezetni az utam
(#) Frankye válasza m.joco hozzászólására (») Ápr 2, 2007 /
 
Helyes! Sok sikert! És ha valahol elakadsz, ne szégyellj kérdezni!
(#) m.joco hozzászólása Ápr 2, 2007 /
 
Én ha ezt majd megépítem, PCmbe szeretném beleszerelni. Na most a kérdésem az, hogy mekkora feszről megy ez?
És táp 5V vagy 12V-jára tegyem majd?
(#) vegyészmérnök válasza m.joco hozzászólására (») Ápr 2, 2007 /
 
Ezek az IC-k 3-18 V közötti tápfesszel működnek, tehát elvileg mindkettőre teheted, de én az 5 V-ot javasolom. A 180 Ohm-os ellenállás amit mondtam (és remélem nem felejted el belerakni a LED-ek és a föld közé!) is 5 V-ra vonatkozik.
(#) m.joco hozzászólása Ápr 2, 2007 /
 
A 180ohmos ellenállások az "erős" áramtól védik meg a LEDeket?
(#) vegyészmérnök válasza m.joco hozzászólására (») Ápr 2, 2007 /
 
Igen, egyrészt a LED-eket, másrészt az IC kimenetét. A LED-eknek kb. 10 mA elég.
(#) m.joco hozzászólása Ápr 3, 2007 /
 
És ez a kapcsolás átalakítható úgy, hogy hogy szabályozni lehessen a futófény sebességét?
(#) vegyészmérnök válasza m.joco hozzászólására (») Ápr 3, 2007 /
 
Átalakítható, úgy hogy a 4,7 k-s ellenállás helyére 10 k-s potit teszel, de szerintem azzal nem tudod olyan széles tartományban változtatni a sebességet mint az 555-tel. (Egyébként nem azt mondtad hogy megveszed az alkatrészeket az 555-öshöz? Akkor mégsem csinálod meg azt?)
(#) m.joco hozzászólása Ápr 4, 2007 /
 
Megfogott az, hogy ez 10 LEDből áll
De asszem maradok akkor mégis a 6 LEDesnél. De azért köszi
(#) vegyészmérnök válasza m.joco hozzászólására (») Ápr 4, 2007 /
 
Szerintem kezdésnek csináld meg azt, és esetleg később majd továbbfejleszted...
(#) m.joco hozzászólása Ápr 4, 2007 /
 
Maradok ennél. Már egy-két alkatrészt megvettem(555-mindjárt két darabot vettem , diódák, 1Mohmos trimmer), a többit úgy rendelte meg. Az üzletben kérdeztem az alkoholos filcet, az eladó szerint elég ha veszek papírüzletben, az is megfelel. Vettem is 2-t. Akkor ezek tényleg marásállóak? Elég büdös szaguk van.

Hja és mégvalami. Nem tartozik ide, de ha már írok:
Az oldalon lévő feszültségőr az autóba kapcsolást gondoltam megcsinálom a faternak a kocsiba. Nem tudnál/tudnátok rajzot adni arról, hogy az IC-k lábaira hogy mennek a kivezetések, vagy hány darab IC kell hozzá, hogy kell rákötni. Magyarul a kapcsolási rajz úgy, hogy nem a műveleti erősítők vannak a rajzban, hanem az IC-k. Remélem érthető voltam. Kössz a segíséget!!!
(#) vegyészmérnök válasza m.joco hozzászólására (») Ápr 4, 2007 /
 
A http://www.datasheetcatalog.com oldalon tudod megnézni az IC-k adatlapját, ami tartalmazza a lábkiosztásukat is. Az LM324 4 db műveleti erősítőt tartalmaz, melyek függetlenek egymástól, te döntheted el hogy melyiket hova kötöd be.
Az alkoholos filcet még nem próbáltam, mert én a "vasalásos technikát" alkalmazom. A NYÁK-ot megtervezem Eagle nevű NYÁKtervező programmal, kinyomtatom lézernyomtatóval pausz papírra, vasalóval a letisztított lemezre vasalom róla a festéket és lehet maratni... (bővebben lásd a NÁK készítés kérdések c. topikot!)
(#) Moderátor hozzászólása Ápr 5, 2007
 
Az alkoholos filccel, NYÁK rajzolással kapcsolatos hozzászólásokat átpakoltam a NYÁK készítés kérdések topicba! A további, e témakörbe tartozó hozzászólásokat oda kérem megtenni!
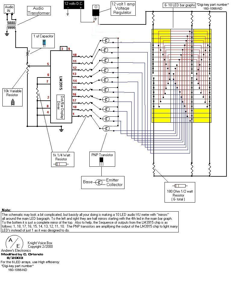
(#) Mdavid hozzászólása Ápr 10, 2007 /
 
sziasztok!
az lenne a kérdésem, hogy a mellékelt kapcsolási rajzban nincs semmilyen tranzisztor név, a 12 V-os szabályzóhoz és az audio transzformátorról sincs semmi. tudnátok ebben segíteni? üdv!

kitt.jpg
    
(#) Fery válasza Mdavid hozzászólására (») Ápr 10, 2007 /
 
Szerintem probáld meg valami Orion vagy Vidi TV-ből
/régebbiből/ kitermelni a hangszóró előtti leválasztó trafót. A tranyo meg valamelyik kis BD 136 vagy 138 az elviszi vidáman
(#) Mdavid válasza Fery hozzászólására (») Ápr 10, 2007 /
 
kösz!
az UA7912-es jó a szabályzónak? üdv
(#) fureszk válasza Mdavid hozzászólására (») Ápr 10, 2007 /
 
jó. haverom megépítette már ezt a kapcsolást, ha jól emlékszem neki működött trafó nélkül is...
(#) Mdavid válasza fureszk hozzászólására (») Ápr 10, 2007 /
 
és nem tudnád elküldeni a NYÁK rajzot? én is rajzoltam egyet, de kiváncsi vagyok máséra is!
(#) fureszk válasza Mdavid hozzászólására (») Ápr 10, 2007 /
 
próbapanelen építette meg.
(#) Mdavid hozzászólása Ápr 10, 2007 /
 
azért kösz!
a 7912-es mennyiben különbözik a 7812-től?
(#) Fery válasza Mdavid hozzászólására (») Ápr 10, 2007 /
 
A 7912 negativ a 7812 pzitiv feszre van
(#) Mdavid hozzászólása Ápr 11, 2007 /
 
akkor a 7812-es is jó?
Következő: »»   6 / 13
Bejelentkezés

Belépés

Hirdetés
XDT.hu
Az oldalon sütiket használunk a helyes működéshez. Bővebb információt az adatvédelmi szabályzatban olvashatsz. Megértettem