Fórum témák
» Több friss téma |
Fórum » DCF77 óra Nixie-csövekkel
Jelentősen elkanyarodtunk az eredeti szándékomtól, és nem igen akarok vitázni, nyilvánvaló, de kissé félreértett dolgokról
Én szándékom szerint csak a vételkészséget növelő megoldásra szerettem volna reagálni úgy, hogy az eredeti funkcionalitás ne sérüljön. Ami áramkört linkeltél, abban is egyenes vevő van. A Hp41C ebben a témában (is) kifejtett munkáját tisztelem, és igen nagyra becsülöm, ebbe nem is kívánok hozzáértés híjján, még csak észrevételt sem tenni.
Vagy itt egy korrekt bemeneti fokozat, RT 1998.08 275-276 oldal.
Meg lehetne próbálni a Conrádos modul elé téve is. A plusz erősítés mellett a szelektivitást is javítja!
Így is azt lesed
Ezek szerint nem tudok 10-ig számolni
De nem mindegy hogy a dobozában vagy a dobozon esetleg működés közben ahogyan az időt mutassa .
10 vagy 9 tudod nekem mindegy megoldom , tévedni emberi dolog !
Kijavítottam a fade effektet, kicsit sántított. Most jó lett, 1/4 mp alatt áttűnik a két érték:
Ügyesen megcsináltad!
Azon gondolkodtam, hogy szerinted elképzelhető, hogy nem mindig működik az adatok kisugárzása Németországból, hogy csak időnként van szinkron? Írtad, hogy a gyári órák sem szinkronizálnak állandóan? Ez a légköri dolgok miatt lehet, vagy egyszerűen csak nem sugároznak?
Sziasztok!
Köszönöm mindenkinek a hozzászólást, én is amondó vagyok, hogy egy szuper rendszerű vevőmodult kellene építeni a DCF vételére. Megnéztem a ferrites antenna is tulajdonképpen a keretantenna egy fajtája, és nagy az irányérzékenysége. A λ/4 -es antenna kivitelezhetetlen lakószobában. A Yagi antenna csak FM sávra jó? Azt még meg kellene néznünk, hogy egy korrekt DCF vevő használja-e a vivőfrekit a szinkronizáláshoz, vagy csak az 1 perces periódusokra szinkronizál.
Igen (vagyis a ruszki helyettesítővel -> k155id1 mert az eredeti elszállt) ez egy multiplexelt óra, a kapcsolását itt a fórumon megtalálhatod. Bővebben: Link Persze itt més a régi szoftvere van fenn. A DCF77 adó mindíg sugároz (állítólag 3h környékén még a teljesítményt is növelik egy rövid időre), a gyári órák egy része spórolásból kapcsolja ki a vevőt és naponta 1x kapcsolja be. Mivel messze vagyunk németországtól a kommersz conrados modul érzékenysége már kevés lehet ha a terjedési viszonyok rosszak, vagy a környezet nem ideális (árnyékolás, zavarok stb) Az érzékenység növelésére jó lenne egy előerősítő, ahogy többen is írták, de én nem tartom életbevágónak mert az óra autonóm módban is elég pontos az én céljaimhoz. :yes:
Szervusz!
Közben beüzemeltem az előásott DCF vevő duál fetes bemeneti erősítőjét és megmértem mekkora jelet szolgáltat Debrecenben (társasházas övezet, 1 emelet, szoba közepén, egy működő számítógép és TV mint zavarforrás) A mellékelt szkóp képen látszik, hogy stabil 2 mVeff fölötti majdnem zavarmentes jelet kapok. A ferritantenna 20 cm-es. Szerintem a Conrádos DCF vevővel már elég stabil lehet. Majd szerzek egyet és megnézem azzal együtt is! A vivő arra lenne jó hogy, az óra saját RTC vagy egyéb frekvenciaalapjának az eltérését lehetne mérni a vivőfrekvenciától, és ha nincs szinkron akkor az eltérés ismeretében pontosabb lehetne az óra (van olyan RTC isamit programból lehet pontosítani). Ennek akkor lehet értelme, ha sokáig nincs szinkron, vagy bármilyen körülmények között tizedmásodpercen belül akarjuk tartani a pontosságot. Erre szerintem nincs nagy igény. Engem annyiban érdekel a vivő kinyerése, mert egy frekvenciaérőhöz is fel akarom használni.
Esetleg itt is van egy DCF vevő projekt: DCF vevő
Ez igen, nem semmi egy ferrit (és kapcsolás). Próbálkoztam én is egy nagyobb ferrittel, de az magában nem oldott meg semmit, mert nem tudtam olyan jól kihangolni (egyáltalán nem tudtam kihangolni) mint ahogy az eredetit a conradosban kihangolták. (Ha egy napra kimarad a szinkron, számomra csak a szökőévben, meg a DST váltásnál fájdalmas, de nálam a nixis óra inkább szobadísz és érdekesség, mint halálbiztos kronométer.
)
Azt hiszem ezzel próbálkoztam 300 menet +a 830pF , de ezt rá lehet tenni a conrados modulra, az antenna helyére vagy kell a fetes erősítő rész is?
Egy nagyobb ferrit biztos javítana valamit (de nem nagyságrendet) a conrados modulon, de el kellene találni az illesztést, hogy ne terheljen be a vevő bemenete, de a feszültség se legyen túl kicsi.
A duál fetes erősítő a plusz erősítésen kívül, mint a leírásban is írják, messzemenőkig érzéketlen a zavarokra, nem teheli a ferritantennát, nem kell csatolótekerccsel leosztani a jelet az impedancia illesztéshez és a kimenetén lévő sávszűrő pedig tovább javítja a szelektivitást. A ferritantennát érdemes még a statikus zavaroktól is árnyékolni: egy hosszában felhasított rézcsővel (én a nyákot és ráforrasztott lemezt használtam erre a célra) hogy ne képezzen rövidre-zárt menetet.
Sziasztok!
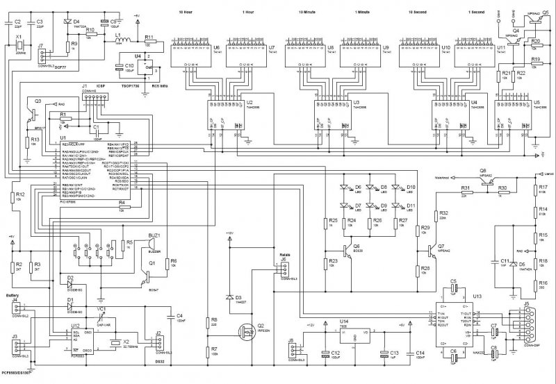
Vitaindítónak számom az alábbi rajzot, még ne tervezzetek panelt... Sajnos nincs szép nixie csöves és TSOP valamint DS32 szimbólumon a tervező programhoz. Megjegyzések: - Az RTC helyén a PCF8583 és a DS1307 is használható - a J3 a 3. láb eltérő szerepe miatt került a tervbe. - A J2 a DS32 csatlakozási pontja. - A TSOP1736 az infra vevő. - Q3 egy fototranzisztor a külső megvilágítás mérésére R13 értéke hozzá igazítandó. - BUZ1 egy belső oszcillátoros kerámia csipogó. - U14 7805 helyett lehetne kapcsoló üzemű tápot is használni, de DCF77 vételét ronthatja. - A rengeteg 100nF tápszűrő felrajzolásától eltekintettem - minden ic kap egyet - egyet. - D4 a szabadon hagyott DCF bemenetre kerülő nagyobb feszültségettől védi a pic -et. - R14.. R17 osztó segítségével a pic figyelheti az anód feszültség értékét, kikapcsolhatja a csöveket, ha túl magas/alacsony (255V -> 5V, osztása átállítható). D5 itt is a túlfeszültségtől védi a pic -et. - U13: MAX232 -t terveztem, de megoldható a feladat két tranzisztorral is. Az optocsatolást lehagytam. - A hosszú időre való kikapcsolás - nagyfeszültségű táp leállítása a még szabad RA3 -mal megoldható. - A legnagyobb kérdést hagytam utoljára: Az anód feszültség kapcsolása. Nem találok elég nagy feszültségű és áramú és főleg beszerezhető transzisztort Q8 helyére. Ide minimum 200 mA-es típus kellene, valamilyen nagyobb tokban a kapacitív terhelés miatt fellépő disszipáció miatt. Ha nem sikerül találni, akkor az R32, R31, R30, Q8 részt a hat csőhöz hatszor kell betervezni. Még egy kérdés: Ha a kapcsoló üzemű nagyfeszültségű táp egyenletes terhelésnél is sípol, a fényerő szabályzás nem fogja a sípolást modulálni és ezzel elviselhetetlen hangot eredményezni?
Légyszi tedd fel mégegyszer a képet, kikapcsolt átméretezéssel.
Szervusz!
Q8 --> MOSFET? IRF9610PBF (IR) RoHS P-POWERFET-VMOS 200V 1,8A 20W 3R TO-220; RF9630PBF (IR) RoHS P-POWERFET 200V 6.5A 75W 0.8R TO-220; IRF9640PBF (IR) RoHS P-POWERFET-HEXFET 200V 11A 125W 0.5R TO-220; MTP2P50EG (ONS) RoHS P-POWERFET 500V 2A 75W Rds<6R TO-220 HV (ez egy kicsit drága) IRFU9310PBF (IR) RoHS P-POWERFET-MOS 400V 1.8A 50W Rds<7R IPAK; Egy kivételével 200Ft alatt van az ára, és van készleten a lom@xnél De most jut eszembe kevés a 200 V, de még így is van alternatíva, MOSFET-ből hamarabb találni nagyfeszültségűt máshol is.>
Akkor még egyszer méretezés nélkül...
Az RA2 -ra még ráköthető.... Kifelejtettem a rajzról..
A sípoló csövekhez kapcsolódóan: A multiplexes órámban 1600Hz (illetve egy csőre vetítve 200Hz-cel) megy a megjelenítés, egyáltalán nem sípolnak a csövek (próbáltam z560m,in-12B,z566m) a nagyobb csövek hajlamosabbak a sípolásra? Milyen frekin jelentkezik? A vicsys féle kapcsolóüzemű táp is teljesen zajtalan, de elvisz-e 6db z568m-et? Egyedül a ~9V-os trafóm zúg, de az nem egy mai példány
(Volt egy sípolós projektem, a neten Simple Nixie Clock néven fut, azt szét kellett szednem annyira elviselhetetlen volt )
Szia,
nekem vicsys kapcsolása Z573M-ekkel szépen zenél tizen akárhány kHz-vel. De olyan 1,5 méterről már nem hallom. Hátha jó szúnyogok ellen is
Lehet hogy az enyém is zenél, csak botfülű vagy süket vagyok?
A zárt anyákkal kapcsolatban van valami jó beszerzési forrásod? Üdv ! (Hétvégén megtapasztaltam a Laci féle tranyóhibát, persze könnyű volt kiszúrni, mert szép nagy szikrával kezdődött a két mpsa92a között)
Szia,
A héten végre elküldöm a beigért Z567M-et meg a dekatront és tudok a csomagba dobni párat (10-20) ha akarod. Sárgaréz és rozsdamentes acél között választhatsz. Egyébként pedig www.nagycsavar.hu
Meghallgattam a z566m-eket és tényleg fütyörésznek egy kicsit csak eddig elnyomta a trafó hangja. (Ha lehet választani inkább a rozsdamentes
előre is köszönöm szépen)
Rendben akkor mennek a rozsdamentesek.
Húú ezek az effektek, rengeteg ilyet tartalmaz a neonixie féle DS32-es kit-em..., mindet alapból kitiltottam
A neonixie-s gondolom code protected...ezt meg én fejlesztgetem hályogkovács módszerrel. Majd ha kész lesz én is jól kitiltom őket, de ahhoz még menüt is kell írni
A hétvégén néhány nixie-t (IN-12A, Z567M, Z571M, Z573M, Z568M) megpróbáltam működésre bírni egy kapcsolóüzemű tápegységről ami előállítja a megfelelő feszültséget. Jól kiszámoltam az előtét ellenállások értékeit, de a Z568M kivételével nem sikerült számokat megjelenítenem. A Z568M esetén is csak a 6-os számot tudtam megjeleníteni de azt is csak annyi időre, hogy egy pillanatra ekkor egyet szikrázott. A Z567M és a Z571M esetén csak egy kis része világított a bekötött szimbólumnak. Tudja valaki, hogy miért?
Ha helyesen kötötted rá a csövekre a feszültséget akkor annak meg kell jelenítenie a karaktereket . Milyen volt a táp feszültsége , és gondolom az anód ellenállást azért kiszámoltad ?
|
Bejelentkezés
Hirdetés |









) 

)



