Fórum témák

» Több friss téma
Fórum » Ki mit épített?
 
Témaindító: Dióda, idő: Jan 26, 2006
Ez a téma ha úgy tetszik a mi "kiállítótermünk", nem pedig a ki mit csinált volna másképpen, mások helyett, és legfőképpen nem javítós téma. Minden készüléknek van saját témája, ott kell kitárgyalni a részleteket!
FONTOS! A kapcsolási rajzok keresésére is van saját téma, ott keressetek rajzokat!
Lapozás: OK   636 / 1701
(#) zoly15 hozzászólása Szept 25, 2010 /
 
Üdv mindenkinek! Én egy gáz érzékelőt építettem Jó kis szombati elfoglaltság volt. Nagyszerűen működik. Próbáltam már különféle anyagok érzékelésére. Nekem nagyon bejön. Igaz még nincs kész, alul még nincs burkolat.. Az majd holnap
(#) klemo86 válasza zoly15 hozzászólására (») Szept 25, 2010 /
 
De jópofa! Mennyire univerzális?
(#) zoly15 válasza klemo86 hozzászólására (») Szept 25, 2010 /
 
Hogy érted hogy mennyire univerzális? Az érzékelendő gázokra gondolsz? Bővebben: Link Én próbáltam már PB gázzal, cigaretta füsttel, nitró hígítóval, lakbenzinnel.
(#) zoly15 válasza (Felhasználó 13571) hozzászólására (») Szept 25, 2010 /
 
Köszönöm Köb mester
(#) klemo86 válasza zoly15 hozzászólására (») Szept 25, 2010 /
 
Szép, akkor nekem elég univerzális Jó lett (Mikor fogja kiírni, hogy mit érzékelt? )
(#) zoly15 válasza klemo86 hozzászólására (») Szept 25, 2010 /
 
Ez nem digitális cucc... Szóval semmi
(#) klemo86 válasza zoly15 hozzászólására (») Szept 25, 2010 /
 
Jól van na, csak vicceltem, tökéletesen jó ez így is
(#) mackomester hozzászólása Szept 25, 2010 /
 
Üdv az Uraknak!

No, elkészült egy újabb gitárfej, MV3 trafókkal, 2xEL 84 véggel. Volt eg Beag AET250-es erőlködőm kibelezve, annak a házába került. Az előlapon lenne még mit csiszolni, nem az igazi ez a matricás dolog. Na nem baj, azért naggyon metöl hangja vagyon...
(#) mackomester válasza mackomester hozzászólására (») Szept 25, 2010 /
 
Na még egy kép:

IMG_1561.JPG
    
(#) klemo86 válasza mackomester hozzászólására (») Szept 25, 2010 /
 
Szétszedtél egy MV3-at? Na mindegy…
Lényegében szerintem jobb helye lett, nagyon szép lett a gép! Ú, de várom már, hogy ideérjen az új sasszim, és feltehessem a csövesemet! Annyi szép jószág felkerült már mostanában ide, gyarapítanom kell mindenképp!
(#) mackomester válasza klemo86 hozzászólására (») Szept 25, 2010 /
 
Köszi! Igen szétszedtem, mert rommá volt égve a nyákja... Sőt, kettő is volt, de nem egyforma kimenőkkel, pár év különbséggel készültek. Vagy tíz éve tartogattam már a trafókat, megjártak pár dobozt... A következő egy brutál fej lesz, kafa sasszira, KT88-akkal. Eltart még egy darabig...
(#) klemo86 válasza mackomester hozzászólására (») Szept 25, 2010 /
 
Régi "álmom" egy MV3, ami még ép, és nincs szétkalapálva
(#) mackomester válasza klemo86 hozzászólására (») Szept 26, 2010 /
 
Hát sajnos akkor még nem értékeltem annyira az eredeti állapotában, de nem bánkódom, mert feladatot kaptak a trafók, és még 50 év után is lelkesen húzzák az igát
(#) zoly15 hozzászólása Szept 26, 2010 /
 
Üdv mindenkinek! Elkészült teljesen, a korábban bemutatott gázérzékelőm. Bővebben: Link
(#) Frillsp hozzászólása Szept 26, 2010 /
 
Üdv mindenkinek!
Bizonyára páran még emlékeztek arra kb 1éve mikor bemutattam 1 házilag épített hangdobozt amit B&W hangszórókkal szereltem,na és most elkészült a párja végree ráadásul meg is újjult és még kaptak 1-1 állvány is!
Ezt szeretném megint megmutatni nektek.
Frill
(#) guliver83 válasza Frillsp hozzászólására (») Szept 26, 2010 /
 
Nagyon szép munka gratulálok!!!
Csak egy ami nem tetszik nekem a fekete csavarok a fa borításban (előlapban).
De nagyon tökéletes munka
(#) Frillsp hozzászólása Szept 26, 2010 /
 
Még egy pár kép!
(#) zolika60 válasza Frillsp hozzászólására (») Szept 26, 2010 /
 
Nagyon szép. Azt, hogy hogyan szól, azt csak te hallod.
(#) zolee1209 hozzászólása Szept 26, 2010 /
 
Mai termésem... Ez egy hőmérő ATmega8- cal, a szenzor LM75 lesz. A kazánhoz készült, mert higanyszálas hőmérője este már nehezen olvasható le... Ha megérkezik a szenzor, akkor a helyére teszem és lesz még egy- két kép róla. A panel túloldalán két darab kétdigites kijelző van, remélem ezt mindenki el tudja képzelni!
(#) szamóca válasza Frillsp hozzászólására (») Szept 26, 2010 /
 
Szép munka! Mivel políroztad fel ilyen csoda fényesre a felületét?
(#) bankimajki válasza Frillsp hozzászólására (») Szept 26, 2010 /
 
Ez igazán gyönyörű. Esetleg eladásra is készítesz? Mert ha igen, akkor nekem írj egy árat hogy mibe fáj egy ilyen gyönyörű páros.
(#) Frillsp hozzászólása Szept 26, 2010 /
 
Köszönöm mindenkinek!
egyébként nagyon szépen szól,ez a B&W DM602 S3nak a másolata(de csak a légtér és a hangváltó a közös,ja meg a hangszórók de azon is módosítottam a fa fáziskúppal ) a külső totál egyedi!
A fényezést most nem én csináltam,autó fényezőre bíztam a dolgokat
Amúgy az első db-ot én fényeztem,ecsettel kentem a lakkot majd egész 2000ig csiszolgattam és a végén fogkrémmel políroztam 1 rongy segítségével!
A pláne az egészben hogy a dobozt full visszacsiszoltam meg újra furvéroztam hogy passzoljon a párjával!

itt 1 kép az 1.ről

DSCF1420.JPG
    
(#) nikolatesla válasza Frillsp hozzászólására (») Szept 26, 2010 /
 
Hali!
Gyönyörű kis doboz!! Erre lehet mondani,hogy bolti. Mintha nem is házi lenne. Gratula nagyon szép
(#) mat. válasza zolee1209 hozzászólására (») Szept 26, 2010 /
 
Szép lett(lesz)
Ha kész lesz, kíváncsian várom a képet róla! Esetleg kapcsrajz+ C forráskód? Üdv
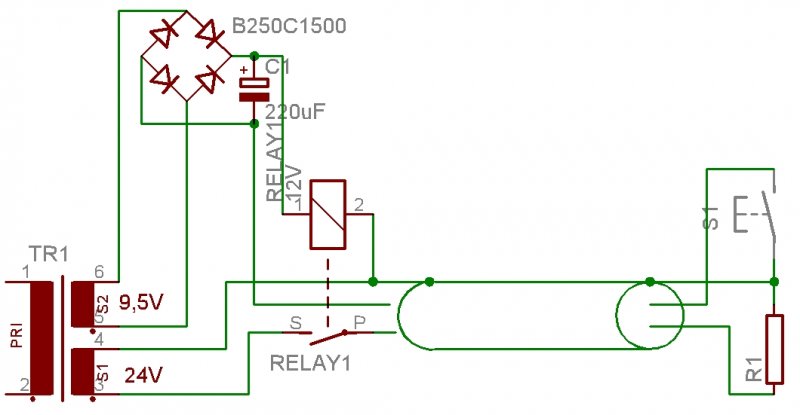
(#) zolee1209 válasza mat. hozzászólására (») Szept 26, 2010 /
 
Tehetek majd fel kapcsolási rajzot, de a kód assemblyben íródott.
(#) mat. válasza zolee1209 hozzászólására (») Szept 27, 2010 /
 
A kis "mazoista", legalábbis nekem az assembly annak tűnik
De azt is megoszthatnád, ha nem titkos. Hamarosan én is építenék egy hasonlót, és egyenlőre tájékozódom...
(#) PH-User hozzászólása Szept 27, 2010 /
 
Sziasztok!

Elkészítettem életem első NYÁK-ját, de nagyon gagyi lett...
Egy TDA1558Q erősítő akarna épülni...
Ez a filctollas megoldás nem igazán tetszik. Többször átmentem a filctollal, hogy rendesen takarjon, aztán...
Egyébként nagy fúróval furkáltam, azt hittem megzavarodok, mire elkészül...
Egy helyen összeforrasztottam két sávot, majd korrigálom... Van, ahol nagyon is lemarta a szer, ott meg pótlom.
(#) zenetom válasza PH-User hozzászólására (») Szept 27, 2010 /
 
Ugyan, elsőre, filctollal jó ez!
Rögtön viszont két jó tanács:
1. vastagabb vonalat rajzolj, lehetőleg megtisztított vonalzó mellett!
2. ha hidrogén-peroxiddal marsz, és alámar, akkor válts vaskloridra.

Én is sokáig kézzel rajzoltam a nyákokat, és elég jó minőségűeket (egy bizonyos határig) lehet vele csinálni.
kép1
kép2
kép3
(#) Müszi hozzászólása Szept 27, 2010 /
 
Sziasztok!

Az elmult napokban bedobozoltuk a Sörkollektor vezérlö termosztátot, kiválóan müködik.

A mostani müvem egy hütöviz hömérö, a motoromba. PIC16F628A-val, próbanyákra épitve, Vicsys tervei alapján!

Mindkét PIC-ért köszönet VICSYS-nek, csupa nagybetüvel

Müszi
(#) Müszi válasza Müszi hozzászólására (») Szept 27, 2010 /
 
Mégegy kép a höméröröl
Következő: »»   636 / 1701
Bejelentkezés

Belépés

Hirdetés
XDT.hu
Az oldalon sütiket használunk a helyes működéshez. Bővebb információt az adatvédelmi szabályzatban olvashatsz. Megértettem