Fórum témák

» Több friss téma
Fórum » 20 Voltbol stabil 13
 
Témaindító: dangermind1, idő: Szept 29, 2010
Témakörök:
Lapozás: OK   1 / 2
(#) dangermind1 hozzászólása Szept 29, 2010 /
 
Szia mindenki!
Lenne egy olyan problémám hogy adott 20V-6,4A és abbol kellene nekem stabil 13 volt.
Szóval ha le esik a feszkó pl 17-18 voltra akkor is 13 volt legyen a kimeneten.
valami egyszerű kapcsolást várok.
Köszönöm aki segít!!
(#) Little válasza dangermind1 hozzászólására (») Szept 29, 2010 /
 
Esetleg egy LM317?
(#) zoly15 válasza dangermind1 hozzászólására (») Szept 29, 2010 /
 
Üdv4 Mekkora áram mellett kéne neked a 13V?
(#) dangermind1 válasza Little hozzászólására (») Szept 29, 2010 /
 
Valami konkrét kapcsolás kellene.
ja és kb 5A megmaradjon.
(#) Little válasza dangermind1 hozzászólására (») Szept 29, 2010 / 4
 
A halozati reszt lehagyod, 5A-hez boven eleg 2 tranzisztorral megepiteni ezt.
(#) dangermind1 válasza zoly15 hozzászólására (») Szept 29, 2010 /
 
20V-6,4A
De le eshet 17-18 voltra.
(#) lapose válasza dangermind1 hozzászólására (») Szept 29, 2010 /
 
Szia!

Tessék!Bővebben: Link
(#) dangermind1 válasza lapose hozzászólására (») Szept 29, 2010 /
 
Ez a kapcsolás akkor is 13 voltot nyom amikor le esik a 20 volt 17-re?
(#) dangermind1 válasza Little hozzászólására (») Szept 29, 2010 /
 
Ez spécinek tűnik elsőre.
(#) Cavalier válasza dangermind1 hozzászólására (») Szept 29, 2010 /
 
Lehet, hogy érdemesebb lenne kapcsolóüzeművel építkezni, pl. ITT találsz egyet 5A-re. Pár külső alkatrész kell hozzá, és kész is. Kisebb hűtőborda, és nem veszi annyira igénybe a tápot sem.

Ha vezérlő IC+mosfet párost használsz, nagyobb áram is elérhető, a national oldalán van segédlet a tervezéshez.
(#) dangermind1 válasza Cavalier hozzászólására (») Szept 29, 2010 /
 
Nos ennyire nem vagyok profi, sajna csak hobby szinten elekron vadászkodom.
(#) Ghoost válasza dangermind1 hozzászólására (») Szept 29, 2010 /
 
A pozitiv agat rakotod a BD250 collektorara
a BD250 bazisat meghajtod egy 13V-os Zener es aram korlatozo ellenallas egyutessel,
az Emitteren pedig leveheted az zenner altal beallitott feszultseget a tranyo altal leadhato legnagyobb arammal
[felteve, ha a betap tudja is azt]
(#) nrg válasza dangermind1 hozzászólására (») Szept 29, 2010 /
 
Kapcsolóüzemű stabilizátorral jobban jársz, ahogy Cavalier is említette. Ha belegondolsz 7V esik a stabilizátoron, vagy a tranzisztorokon (attól függ melyiket csinálod meg), ez 5A mellett 35W teljesítmény, ami nem kevés.
Sokkal kevesebb helyet foglal egy kapcsolótáp.
(#) Zed válasza nrg hozzászólására (») Szept 30, 2010 /
 
Csatlakozom az előttem szólókhoz: szerintem is jobban jársz kapcsolóüzemű megoldással. Jobb hatásfok, kisebb helyen elfér. Mihez szeretnéd használni egyébként? Egyszer csináltam egy ilyesmi tápot LM2576-al. Ennek 3A a garantált kimeneti árama, de példányonként változik és tipikusan 5A, maximálisan 7A, ha jól emlékszem. Az enyém rövidrezárva 5,5A-t ad le. Megvannak a NYÁK-rajzok. (egy PC táp dobozába került bele, egy PC-tápból kibányászott hűtőbordára) Sőt: az IC adatlapját lefordítottam magyarra, csak nem volt, aki lektorálta volna, így nem adtam még közkézre. Ha kell, ezeket el tudom küldeni.
(#) EcoPityu válasza dangermind1 hozzászólására (») Szept 30, 2010 /
 
Szia!
Bár már elfogadtad Little hozzászólását megoldásnak, és bizonyára még sem a passzív, sem a kapcsolóüzemű megoldást nem építetted meg, én csak futnék egy kört...
Ez a 20V/6,4A nekem kísértetiesen egy rég jó nagy LAPTOP tápegység adataira hasonlít! Véletlenül nem egy ilyenről van szó?

Mert ha igen, akkor sokkal egyszerűbb és gazdaságosabb lenne magát a kapcsolóüzemű tápegységet visszaszabályozni egy minimális belső átalakítással!
(#) geri12 hozzászólása Szept 30, 2010 /
 
Üdv!

Mellékeltem amiket én használok sok esetben!

1,5A-ra LM317, 3A-ra LM350, 5A-ra LM338

A fóliarajz megegyezik mindhárom esetben.

Amugy kapcsiüzemű táp párti vagyok én is, de sok esetben az egyszerűség és a gyorsabb munka érdekében ezt választom egy trafóval.
(#) dangermind1 válasza EcoPityu hozzászólására (») Szept 30, 2010 /
 
Nem, nem laptop táp. vettem 2 napelemet 2 db 65wattost és arra gondoltam hogy van egy 300 wattos inverterem és direktbe kötném a napelemre. nappal ingyen lenne egy kis áram. Ezt akarnám kivitelezni feltéve ha összejön. 11 volt és 4Ah meghajtja az invertert elég szépen.
(#) pucuka válasza dangermind1 hozzászólására (») Szept 30, 2010 /
 
Van a fórumon napelemes topik, nem is egy. Nézz át oda is, mert a napelemek kezelése nem olyan egyszerű, mivelhogy áramgenerátoros jellegűek. Ezesetben nem igaz hogy "adott 20V-6,4A ", mert a napelem kapocsfeszültsége függ a terheléstől.
Jó hogy végre elárultad mit is szeretnél. Nem lehetett volna mindjárt ezzel kezdeni? Mi ebben a titok?
(#) dangermind1 válasza pucuka hozzászólására (») Okt 2, 2010 /
 
Ez most nem egyértelmű.
Idézet:
„Ez esetben nem igaz hogy "adott 20V-6,4A ", mert a napelem kapocsfeszültsége függ a terheléstől.”

Ha valami tápot sikerülne összedobni és terhelném az inverterrel?
(#) pucuka válasza dangermind1 hozzászólására (») Okt 2, 2010 /
 
Mi nem egyértelmű? Ha tudnád mi a különbség az áram, és feszültség generátor között, egyértelmű lenne. Nem lehet valami tápot "összedobni", hanem ha hasznosítani akarod a napelem által szolgáltatott energiát, akkor előbb feszültséggenerátorossá kell alakítani. Nem véletlenül mondtam hogy olvasd el a napelemmel kapcsolatos topikokat, láthatod, hogy nem egyszerű a feladat, ha nem akarod a hatásfokot tovább rontani. Erre a feladatra töltésvezérlőt + akkumlátort kell használnod, és azután jöhet az invertered. (persze lehet mindezt egyben is) Meglehet, hogy egyszerű kapcsolásra vágysz, de ilyen nem nagyon létezik. Valamelyik topikban az egyik fórumtárs feltette a megépített kapcsolását, azt lehetne számodra is használhatóvá tenni, a teljesítményednek megfelelő áttervezéssel.
(#) dangermind1 válasza pucuka hozzászólására (») Okt 15, 2010 /
 
Akkor hogyan tudom feszültség generátorosra megcsinálni?
valami kapcsolás esetleg?
Nem kell hogy stabil legyen a volt azt megoldom csak valaki segítsen egy picit hogy legyen akkor feszültség generátoros.
(#) pucuka válasza dangermind1 hozzászólására (») Okt 15, 2010 /
 
Végignézted a napelemes topikokat?
Ott találsz megoldásokat.
(#) dangermind1 válasza pucuka hozzászólására (») Okt 15, 2010 /
 
Igen, nézegettem de semmit nem találtam amit tudnék használni. a feszültség gond ha megoldódna a töltőt megtudnám oldani egyedül.
(#) dangermind1 hozzászólása Okt 15, 2010 /
 
A napelemem parái.
üresjárat:24 volt 3,5A
Terhelten:20 volt 3,2A
2x65watt
(#) dangermind1 hozzászólása Okt 15, 2010 /
 
Így stimm?
(#) pucuka válasza dangermind1 hozzászólására (») Okt 15, 2010 /
 
Látom, még mindíg nem világos. Nem az a megoldás, hogy építesz egy áram fesz konvertert, hogy tudjál ráakasztani egy töltőt, ami viszont egy feszültséghatárolt áramgenerátor. Ti. az akkumlátort árammal töltjük. Ezért az esetedben egy áram - áram konvertert kell csinálni, amit úgy neveznek, hogy töltésvezérlő. Ez lehet végtelenül egyszerű, és meglehetősen bonyolult is. A legegyszerűbb olyan akkut rákötni, aminek a töltőárama a napelem max. áramánál nagyobb, és az akku max feszültségénél 14.4 V -nál lekapcsolod.
Lehet bonyolítani is annak érdekében, hogy a lehető legtöbb energiát hasznosítsuk a napelemből, ekkor egy mikrovezérős kapcsolás van, amit a legjobb, ha készen megveszel, már ha nem vagy otthon a mikrovezérlő témakörben.
(#) dangermind1 válasza pucuka hozzászólására (») Okt 15, 2010 /
 
Valahogy nem akaródzik töltés vezérlőt venni.
(#) dangermind1 válasza (Felhasználó 13571) hozzászólására (») Okt 15, 2010 /
 
oksi.
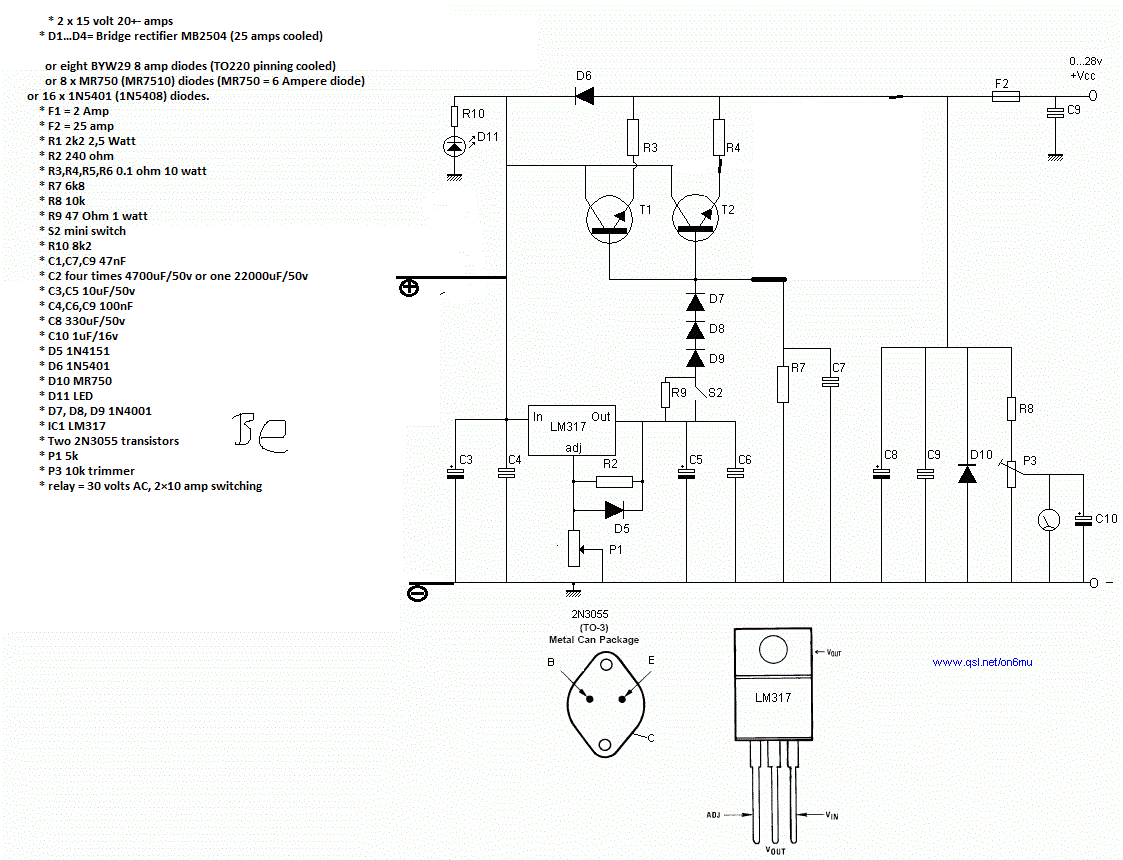
(#) dangermind1 hozzászólása Okt 21, 2010 /
 
Na itt egy saját tervezésű töltő napelemhez nálam jól végzi a dolgát.
Beültetési rajz.
Még egy két aprósággal kilehet egészíteni.
(#) dangermind1 hozzászólása Okt 21, 2010 /
 
Ja majd el felejtettem hogy a pc táp menet számai kb 30-30.
Töltés 13,5 Volt és sacc/kb 2,32A de lehet több, sajnos nem sikerült pontosan megmérni az ampert. (gagyi a műszerem)
Kellemes után építést mindenkinek!
Következő: »»   1 / 2
Bejelentkezés

Belépés

Hirdetés
XDT.hu
Az oldalon sütiket használunk a helyes működéshez. Bővebb információt az adatvédelmi szabályzatban olvashatsz. Megértettem