Fórum témák
» Több friss téma |
Fórum » Ki mit épített?
Ez a téma ha úgy tetszik a mi "kiállítótermünk", nem pedig a ki mit csinált volna másképpen, mások helyett, és legfőképpen nem javítós téma.
Minden készüléknek van saját témája, ott kell kitárgyalni a részleteket!
FONTOS! A kapcsolási rajzok keresésére is van saját téma, ott keressetek rajzokat!
Üdv!
Bedobozolásra került a hőmérőm. A képen látható kapcsoló értelmét vesztette, mert bekötés előtt jutott eszembe, hogy a keringetőmotor konnektorjára is beköthetem az áramkört, így a csőtermosztát automatikusan kapcsolja a kettőt... Az áramkör mögött belülről van egy fólia, hogy biztos, ami biztos alapon el legyen szigetelve a hálózattól. A doboz aljában van egy kis trafó, ez látja el az áramkört. Talán ennyi... Előzmény...
Az a hálózati kábel kicsit koszos, de ettől eltekintve jó lett!
De a műanyag doboz elejét megpucoltam! :vigyor3:
A panelen nem vélem felfedezni a keringető szivattyú kapcsoló áramkörét. Amúgy jó lett, de kíváncsi vagyok abban a párás -nyirkos- helyiségben hogy fognak oxidálódni az áramköri elemek. A takonyragacs el fogja engedni az biztos!
Részletek az áramkörröl? kapcsolási rajz, link, tapasztalat?
Szia!
A keringető kapcsolója egy csőtermosztát, elvileg ezt írtam előbb, szóval ez az elektronikától különálló dolog. Kapcsolást mindjárt készítek hozzá, mert csak megcsináltam a panelt... Tapasztalat?! Néhány órája megy csupán, így nem tudok róla sok mindent még mondani. Amit esetleg meg tudok említeni, hogy a szenzor körülbelül 3m-es UTP vezetéken van, ami mellett megy a csőtermosztát vezetéke. A keringetőt kapcsolgatva a program nem akadt ki, szóval nem zavarja a kommunikációs buszt a motorkapcsoláskor fellépő zavar. Ha a melegfikusz elengedi, akkor újraragasztom, jobbat/ esztétikusabbat nem tudtam alkalmazni. Azt miből gondolod, hogy a helyiség, ahol ez van, nyirkos lenne?
Azt hidtem csőtermosztátnak nevezed a kötegelőbilincses érzékelőt...
Ja most jobban megnézve a falon nem pára van hanem kosz.
Akkor lehet félreérthetően írtam...
A szenzor felett van a csőtermi, picit látszik is a zöld feneke. Valamelyest láthatsz ázásnyomokat, mert a gázkazán kéményénél erős esőben szivárog picit a víz, de maga a helyiség szerintem nem párás fokozottan... Továbbá a kábelcsatorna igen poros, meg a kamerám optikája is foltos.
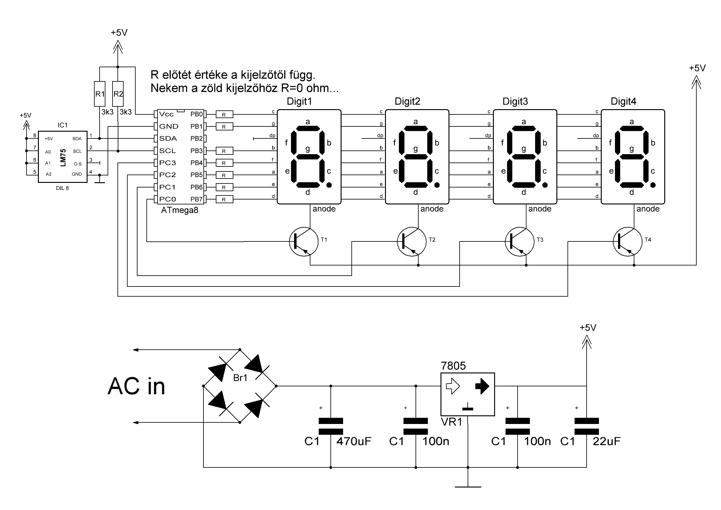
Csatolom a megépített áramkör rajzát, illetve a beégetendő kódot. A processzor 2MHz-es belső órajelről jár...
Hy! Működik a nagyfesz generátorom!
Külön köszönet aderkának a drimmer kapcsrajzért és greatmannak a tanácsért! Ja és még mindig élek! Idézet: Ennek örülünk, jöhetnek a képek. :yes: „Ja és még mindig élek! ”
Üdv. Ma elkészültem életem első erősítőjével. Tudom nem egy nagy erősítő. De nekem kezdésnek jó. A nyákot kézzel csináltam. Nem lett rossz de még lehet gyakorolni
.
Köszi. Próbálkozok.
zolika60: Köszi. Már csak egy doboz kell hozzá
Grat. csak így tovább.
Ez milyen IC? Mekkora a teljesítménye?
Egy TDA2822M van benne. Max 1W-ot tud. Nem sok az az 1W de elég jó hangot ad. Horgászatra jó lesz
Hy uraim! Közhírré tétetik, hogy nagyfesz generátorom beszereltetett dobozába. Működik itt is, de valami oknál fogva csak 200 210 voltokat ad le egy glimmlámpát tetten rá azt szépen hajtja. majd utánajárok a hibának. most pedig képek!
Botrány ...ar képeket csinálsz !
(esetleg még fejjel lefelé próbáld meg)
Látszik a befektetett munka. Egy gondosan megtervezett és kivitelezett áram kőr. Profi munka, percekig nézegettem.
Hali!
Szerintetek milyen lett? A sima hagyományos forgó szikraközös maghajtás lesz megoldva 2db MOT-al. Véleményeket Adatok: 1050 menet 120mm átmérőn 0.45mm-es huzala tekerve. Ha készen lesz végleges a meghajtás akkor úgy kb 1-1,5m-es szikrákat is adhat A 430-as kép csak a macska VS hal miatt készült
Én a méretek alapján annyira nem bíznék 1-1,5 m-es ívekre...
István barátom teslái... azt hiszem Collector-ral együtt csinálták, és ezek nem kis tekercsek. Első ránézésre kb. 4-szer nagyobb a tiédnél, ezért írtam, hogy nem számítanék 1 méteres ívekre. De aztán fene tudja, majd rakj fel képet ha már beüzemelted. Egyébként szép munka.
Ez sem kicsi 70cm
Takarítva.
nikolatesla: Máskor valóban linkeld csak a képeket, ha már másik topikban feltöltötted. Köszönöm. |
Bejelentkezés
Hirdetés |




Az áramkör mögött belülről van egy fólia, hogy biztos, ami biztos alapon el legyen szigetelve a hálózattól. A doboz aljában van egy kis trafó, ez látja el az áramkört. Talán ennyi...



Tapasztalat?! Néhány órája megy csupán, így nem tudok róla sok mindent még mondani. Amit esetleg meg tudok említeni, hogy a szenzor körülbelül 3m-es UTP vezetéken van, ami mellett megy a csőtermosztát vezetéke. A keringetőt kapcsolgatva a program nem akadt ki, szóval nem zavarja a kommunikációs buszt a motorkapcsoláskor fellépő zavar. Ha a melegfikusz elengedi, akkor újraragasztom, jobbat/ esztétikusabbat nem tudtam alkalmazni. Azt miből gondolod, hogy a helyiség, ahol ez van, nyirkos lenne?
Valamelyest láthatsz ázásnyomokat, mert a gázkazán kéményénél erős esőben szivárog picit a víz, de maga a helyiség szerintem nem párás fokozottan... Továbbá a kábelcsatorna igen poros, meg a kamerám optikája is foltos. 















