Fórum témák
» Több friss téma |
Sziasztok!
Még egy kérdésem lenne,h egy normális (nem kondis és nem 230V sütögető) villanypásztorral hogyan lehet számolni a kifeszített vezeték hosszát? Ha azt veszük,h kb 15V-ot kapcsolgat egy auto gyujtótrafóra? A kapott feszültségmérő adatai alapján vigan vigszi a 10Kv-ot....lehet többet is mutatna,nem tudom.//Bövithetö a mérendö érték a műszernél?// Adapterről működik és kb 140mA-t vesz fel 0,02s-ig. A vezeték impedanciájátol is függ a dolog ,tudom,de mégis mire számíthatok? Köszönöm Attila
Én ezt két 1-1cm-es szénréteg ellenállással oldottam meg,mivel olvastam-valószinüleg tőled-,h lehetőleg minél hosszabb legen az átütés miatt.
Valahogy nem tolható ki a skála mondjuk 15kV-ig? Köszönöm a segítséget! Attila
Hi
Vezeték mennyiségében nem sokra mert ugyan feszültséged van de energiág nincs ezzel a kapcsolással MAX 50 métert tudsz le keríteni,de szerintem tegyél rá 100 métert és a mérő műszered jelentős csökkenést fog mutatni a vezeték ellenállásából és a levegő páratartalmából adódóan,ja és még az a pár tényező ami még van. De lehet,hogy már 10 méternél se lesz akkora szikrád mint üres járatban. A műszer skálája szerintem még 50kv-ig is kitolható csak ki kell számolni az ellenállások értékeit igazából egy tuningolt digi műszer lenne jó ahhoz is kellene egy kiindulási etalon.
akkor mindenképpen egyenirányitott nagyfeszt küldjek kondira ami kisül a gyújtótrafón?
Csak az a megoldás marad? ![]() Attila
Ha nem akarod egy gagyival szívatni magad akkor minden kép egy inverterest kell építeni itt a fórumon is találsz rajzot bőven, meglásd a többlet munka meg hozza gyümölcsét hidd el nem fogsz csalódni. :yes:
ott mekkora szikrával számolhatok? mert az öregemnek van egy gyárija,viszinont a vég trafoja elszállt. beraktam egy 9/230-ast de kb 1mm szikra.Attól függetlenül lehet nagyot rug,megfogni nem fogtam(nem is fogom) Müszerrel még nem volt időm rámérni.
Mondjuk ez??
Villanypásztornál nem a szikrahossza számít hanem az ereje ez a kapcsolás egy 16mikrós kondival és egy 6 voltos Trabi gy trafóval már elég szép hatást képes mutatni és akár több száz méter vezetéket is rá lehet pakolni,de a szikraközt szabályozd be 5-8 mm közé.
Az öreged pásztorában pedig felejtsd el a sima hálózati trafó alkalmazását NEM fog sokáig működni,mert a trafó belső szigetelése nem megfelelő azaz a belső menetek közt át fog húzni és zárlatossá fog válni
szóval akkor ez a kapcsolás életképesnek mondható-akkor megépitem.
Van olyan is amit tudtok ajánlani,ami nem túl költséges és bonyolult? Amugy gyárilag is trafo volt benne,de nem tudtam beazonositani. Kerestem neten,de semmi.
Persze hogy trafó volt benne.. olyan ez mint hogy ittam egy pohárból, és most is abból szeretnék, na jó de milyen volt, tudod olyan ...
![]() Szóval az hogy méretre kb akkora az nem jelenti azt hogy jó legyen, amit linkeltél rajzot meg én csináltam, működik rendesen...
Sziasztok!
Szeretnék építeni egy villanypásztort,de egy kérdés merült fel bennem mindjárt az elején.Láttam már több kapcsolást is,és volt közöttük olyan is amely elektronikájának a - vagy 0V-ja össze volt kötve a védöföldel.Ha össze van kötve akkor sokkal rázósabb élmény fog nyújtani a szerencsétlen jószágnak,igaz?Vagy ilyen nagy kimenö feszültségnél nem jelent különbséget?
jó hozzá a 12V-os tirisztoros gyújtáshoz való trafó is vagy csak a 6V-os?
Diaknak milyet rakjak? Trafó méretek ekkorák legyenek? A kondi nem töltödik lassan 25mikro körül?-érdemesebb inkább 2-8mikrosat?
Próba.. ha van otthon mind a kettő akkor próbáld ki melyikkel lesz jobb szebb nagyobb szikra
Diak... amit adnak a sarki boltban tökéletes lesz a potival állítod be úgy is pontosan igen.. csak azért érdemes mert így nem melegszik annyira lehet két 12V os is szembe fordítva úgy kisebb lesz a fesz, viszont még annyira sem melegszik.., sajna így trafó a trafót hajtja.. na meg a paneltrafók nem is a legjobbak , azért a hatásfok nem éppen a legjobb.. Kondi elég jól töltődött.. kisebb kerítéshez kisebb kondi dukál természetesen, de a kisebb kondi lehet hogy még egy 1M ohm os ellenállást kíván sorba Aztán meg próba
Hát nem tudom milyen kapcsolást néztél de mindegyiket földelni kell.. a karám mellett 1-2-3 darab pár 1-2 m hosszú, földnedvességtől függően, vasrudat, csövet kell leverni . különben olyan helyen fog szikrázni ahol nem kellene.... pl a konnektor és környéke
És ebből adódóan tönkre is megy a készülék egy idő után.
azt hogyan tudom kiszámolni ennél,h hány J-os?
A kondi kapacitását szorzom mivel??
Szokás mondani google a barátod
![]() Kérdezd bátran. Na de: http://www.electronics2000.co.uk/calc/capacitor-charge-calculator.php Beírod hány V ra töltődik a kondi és mekkora a kapacitása végeredményt megkapod hány joule energia kerül a tekercsre ha teljesen rásütöd a kondit.
nagyon köszi! Én ezt nem találtam eddig.
Ez nagyon ott van a szeren
![]() Legalább a te pásztorodtól ugrott ekkorát a jószág?
Mi a véleményetek arról,hogy kis 2.6VA-os 220/9V-os trafókat használnék autó gyújtótrafó helyett?
Az imént fogtam két ilyen kis trafót,a 220as tekercseket sorba kötöttem,a 9 voltosakat pedig párhuzamosan,amire a tápegységemröl 15 voltot érintgettem hozzá.Kb 5-6mm szikrát ad...az 5-6kV lenne?Egy gyújtótrafóhoz képest feltételezem elmarad mindenképp,de szerintetek használható lenne pl egy 200m-es kerítésre?(nagyobb testü kutyának kellene hogy az útját állja)Van sok ilyen trafóm,tehetnék akar 4-5-öt is!
Igen az enyémtől 20mikro 400voltal (15kv) szikraköz nélkül akkorát csattan mint egy pofon amúgy a birkák miatt van de néha csirkék is be próbálják, aztán meg világítanak egész este,némelyik meg olyan szaltót csinál,hogy az egy artistának is becsületére válna majd ha még sikerül lencsevégre kapnom egy ilyen akciót akkor majd azt is megosztom veletek.
NEM!
A hálózati trafók nincsennek menetenként el szigetelve így elég gorsan tönkre fognak menni a kis trafók,de ha vissza olvasol már egyszer ezt a kérdést feltette valaki a válasz ott is az volt,hogy nem. Használj csak gy trafót az jó lesz. :yes: :yes:
Okes
Különben is most hasonlítottam össze 4 ilyen trafot egy gyújtótrafóval,és még a 4 mindig alul marad az egyel szemben
Hali. Abban kérném a segítségeteket ,hogy szeretnék egy olyan villanypásztort csinálni amire olyan 6-7000 méter vezetéket rá lehet kötni és a feszültsége olyan 6000 volt. Valki legyen olyan rendes hogy segít nekem
mert nem vagyok ebben olyan profi. előre is köszi.
Nagyon baresz szaltót nyomott
jó kis pásztorkaLesz még pár vidi én szívesen megnézném, így legalább a villanypásztor hatásáról is láthatunk videókat ![]() Köszi, hogy feltetted!
Szevasz!
Szerintem ereszd el, vegyél egy boltit, abból is egy komolyabbat, főleg ha nem is vagy jártas a dologban. Ha csak a karám kialakítását is nézzük, már az több száz ezer akkor már 40-50ezer egy pásztorért nem sok. Nem beszélve, hogy nem kis tapasztalat kell egy ilyen rendszer kialakításához, a legjobb vezetéket kell venned, nagyon jó szigetelőket, erős oszlopokat lerakni és itt már figyelni kell mekkora fű nő bele. Nem tudom állatokat akarsz e bent tartani vagy erdőt vagy valami terményt védeni, de ha bent tartás a cél akkor minek ekkora? Legeltetésnél csak letaposnak mindent az állatok, szakaszolni kellene nekik 4-5 részre, 1 hétig itt 1 hétig ott. (szerintem)
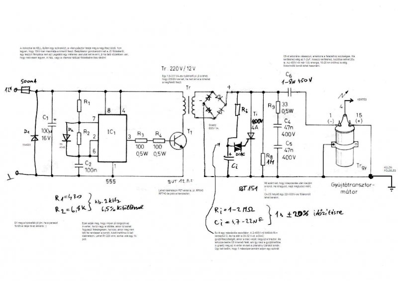
Sziasztok! Megépítettem az alábbi kapcsolást és kb 2 hónap folyamatos üzem után meghalt az 555 -ic. A karám kb 600m 3 sorban.Mi okozhatja ezt? Talán a végére kellene egy szikraköz?
A táp nem szaladt meg? Már jártam így.
Ez általában akkor szokott még előfordulni amikor nem megfelelő a földelés csatlakozása,ilyenkor vissza tud rúgni,és hazavágja a készüléket.
Nem mértem, egy 12v 1a -es trafóról megy.(ez volt itthon)
|
Bejelentkezés
Hirdetés |








