Fórum témák
» Több friss téma |
Fórum » TV hiba, mi a megoldás?
Igen el
Szerezz be egy kapacitásmérős multimétert. Alapműszerek nélkül ne is fogj tévéjavításhoz.
Mivel nézze meg? Az ujjával?
szkóppal mértem megvan az is.kikapcsoláskor egy picit mintha a trafó indulna,legalábbis hallom jellegzetes sípolást nagyon rövid ideig.
Hát gondoltam szkóppal, de megértettem, nincs.
Azt is nézd meg, hogy a sor indulásakor mennyire esnek le a tápfeszültségek. Egy általános táp-átkondizás szokott segíteni. Azt is érdemes megnézni, hogy a sorvégtrafó tápfeszültség-kimenetein nincs-e zárlat, valamit a függőleges eltérítés megkapja-e a tápfeszültségét és a vezérlését.
Kondik cserélgetését majd megpróbálom,A vezérlést nem kapja meg sorvég az tuti.H-OUT jel tiltva van.tápokat indításkor mérni fogom mit mutatnak.
Hát igen.. Az rámférne. Nekem csak egy alap van. Még csak nem is sípolós
Viszont akkor kicserélem az összes kondit a környéken, aztán meglátjuk. Az ellenállásokat, meg a diódákat meg tudom mérni.
Tápok indításkor rendben,azért kicseréltem a kondikat.Sorvégtrafón nincs zárlat.Első bekapcsolásra próbál indulni,aztán semmi.
Megva a hiba. Legalábbis szerintem. Egy "33N-s" kondi, közvetlenül egy fet mellett. Kicseréltem, most nem befelé, hanem kifelé domború a kép széle. Az a baj, hogy nincsen itthon 33n-s. majd holnap veszek., de lehet, hogy trimert veszek, és azzal beállítom. Bár lehet, hogy a gyári beállításos service menüm miattt van ?
Hát sajna nincs eredeti távom, de az univerzálison már mindent végignyomtam de semmivel nem tudom eltüntetni
Pedig már mindent tudok amúgy állítani...Egy másik dolog is van, ebben is kérnék egy kis segítséget, hogy mi okozhatja, hol nézzek szét benne, mert azt csinálja, hogy időnként magától, vagy ha hangosabb rész van, vagy kis lökés éri a tv-t, tehát gondolom valami érintkezés talán, elvilágosul a kép és vékony csíkokkal vibrál (de nem ez a ferde csíkos jelenség) hanem világos lesz a kép nagyon és az csíkos véletlenszerűen és ugrál, vibrál. Ha megkocogtatom a tv-t elmulasztható. Meg az érdekes, hogy akkor is elmúlik, ha kikapcsolom stanby-ba, és visszakapcsolom...
Igen, lehet, hogy a rossz szervízbeállítás miatt domború. Látod, kár volt a szervízmenüvel bajlódni, most állítgathatod azt is.
Ma próbáltam venni egy kondit bele, de nem volt 100V-os. Az eladó megmérte a rossznak hitt kondimat, de szerinte anak semmi baja... Akkor most mi van? Miért lett jobb? Vagy nem is lett?
Szevasz, vannak olyan kondik hogy mikor le méred kapacitás mérővel a meg felelő értéket mutassa a műszer, de mikor vissza teszed szépen át húz feszültség alatt, nem egyszer jártam már így. Úgy hogy azt tudom tanácsolni hogy ne is mérd, hanem autómat cseréld le újra :yes:
Lehet hogy feszültség alatt átvezet. Ezzel az egyszerű eszközzel kimutatható az ilyen hiba.
Sziasztok!
Van egy schneider stv5500t tip. tv. Hang van kép nincs,de sorkimenőn fényerőállításnál van egy 2 mp.-ig majd ujra elsötétül. Van valami ötletetek?
Sziasztok.Volna egy kérdésem, kondenzátorról van szó.1600v722j van ráirva ez most 72nf vagy 720nf
Szevasz, 722j = 7,2 nanófaraddal. Az utolsó szám érték adja meg a nullák számát 7200 pikofarad át számolva nanóba 7,2 nanófarad. 1600V-ra :yes:
Kösz szépen
Sziasztok,
Én egy SAMSUNG LCD tv-vel küszködök. A hiba a képeken látszik. Ezt a jelenséget mi okozhatja? Köszönöm! Üdv: Zoltán
Sziasztok.Van egy orion tv amibe a sortranyó elszált,kondi miatt.1600v7,2nf.Sajna ilyen nincs csak 1600v10nf,ebbe a pozicióba jó lenne?C419ésC430 van szó.
Építs be odavalót, mert ez a kondenzátor meghatározza sorméretet is.
Sziasztok!
Van egy Philips TV-m, az alaplapja OVP CTV2169S típusú. Egyáltalán nem kapcsol be, a led sem világít, semmilyen hangokat sem ad. Mi lehet a baja? Gondolom a tápegységben lesz valami, de mit ellenőrizzek konkrétan? A válaszokat előre is köszönöm!
Szia! Először azt nézd meg, hogy a tápegység nagy primer oldali pufferelkóján van-e feszültség.
Helo
Szerintem eloszoris nézd meg a biztosítékot, ha ki van égve, akkor csere + meg kell nézni, hogy nincs elégve-e a PTC vagy valamelyik kondi azon a részen nem zázlatos-e. Utána ha van méromuszered, ellenorizd, hogy nincs e zárlat a pufferkondenzátor 2 lába kozt. Ha addig minden OK, akkor ellenorizd bekapcsolva, hogy feltoltodik e a pufferkondenzátor a primer korben, de NAGYON vigyázz vele, mert tobb mint 300V van rajta, ha az rendben van, akkor vagy a kapcsolást vezérlo IC szállt el, vagy a FET (legvaloszinubbek), de az IC koruli alkatrészeket is át kell mérni. Bevezetoleg talán ennyi
Sziasztok
Van nekem is egy tv-m - OTF 4462A tipusu. A probléma az vele, hogy bekapcsoláskor totál kék a képernyo és látszik pár vízszintes csík, ami világosabb (mellékeltem képet, de nem a legjobb minoségu ) Szerintetek mi okozhatja ezt?? eddig csak jórészt táphibákkal találkoztam, ilyet még nem láttam.. Tudna valaki tanácsot adni, hogy hol kezdjem keresni a hibát, vagy otlet esetleg, hogy mi lehet baj??Koszi
Szia! A video-végfokozat megkapja a 200V körüli tápfeszültségét?
Igen, 198V -t kap
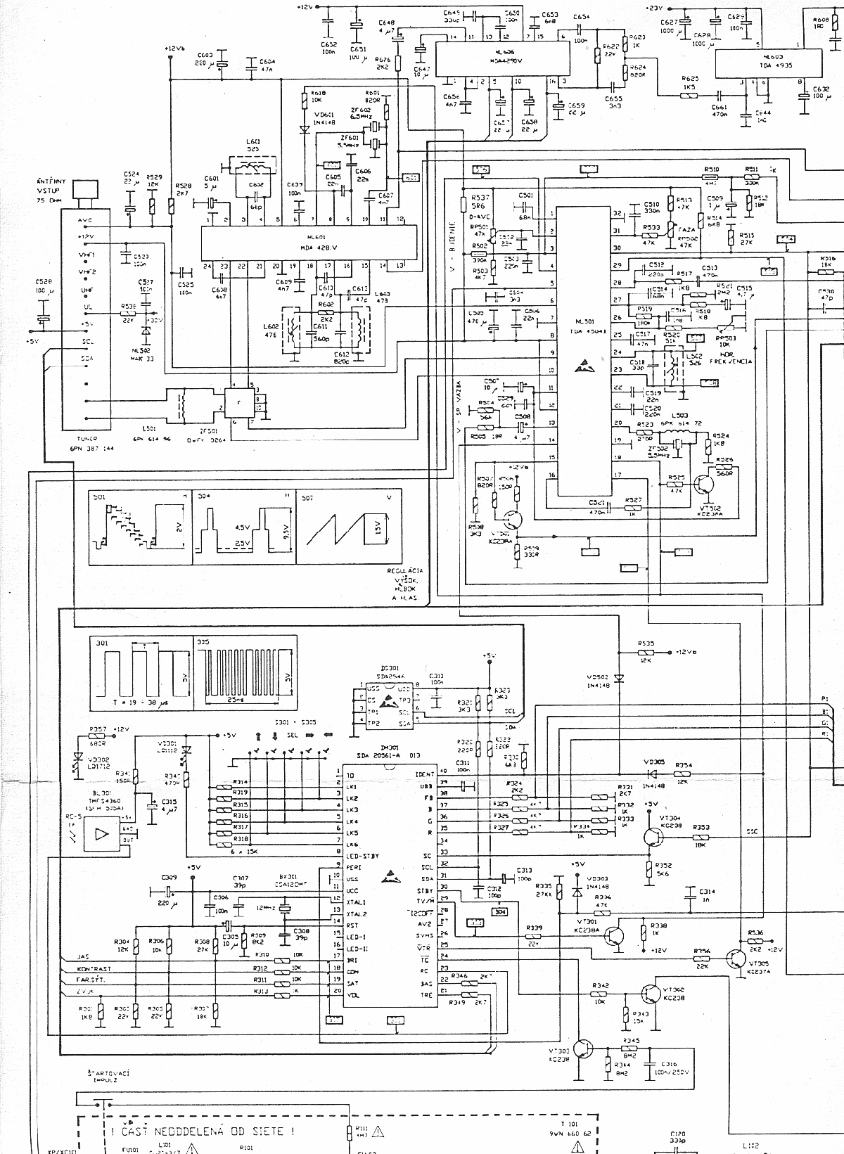
Nos, idokozben találtam bekotést is, nem pont az a típus, de nagyon hasolo (az IC-k mind egyeznek). Mellékelem, ebbol konnyebb tájékozódni (ez sem valami csucs minoségu, de orulok, hogy legalább ez is van
)
Meg a maradék 2 kép
|
Bejelentkezés
Hirdetés |




Pedig már mindent tudok amúgy állítani...










